

De PC is ook bij de radioamateurs niet meer weg te denken de digitale modes zoals SSTV RTTY, PSK, QSK, PACKET enz. nemen met rassen schreden hun plaats in het HAM gebeuren. | ||
![]() |
![]() |
|
![]() |
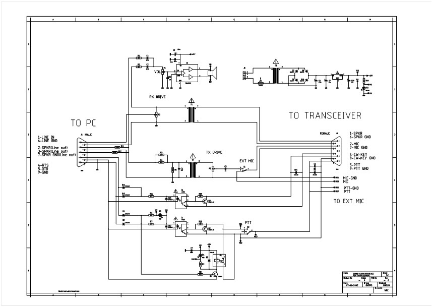
Schema beschrijving : Ontvangst: Het audiosignaal afkomstig van de “LS” of de hoofdtelefoon uitgang van de tranciever komt toe op pin 1 en 6 van de D9 Connector J2 en gaat vervolgens naar de scheidingstrafo T1, met de potentiometer P2 (RX DRIVE) wordt het uitgangssignaal geregeld en zo aan pin 1 en 6 van de D9 connector met de PC door verbonden. (TO PC) Zenden: Het audiosignaal: Het audiosignaal van de “LS” uitgang of de “Line Out” van de soundcard komt toe op pin 2, 3 en 7 van de D9 Connector J1 . Via R11 en R12 worden linker en rechterkanaal samen gevoegd en naar de spanningsdeler R3,R4 en R5 gevoerd. Deze deler is nodig vermits de “Mic” ingang van de tranciever niet het grote uitgangssignaal van de geluidskaart kan verwerken. Daar er verschil zit tussen de uitgangssignalen van de verschillende geluidskaarten volgens de fabrikant, kan met de schakeling van R3 en R4 het signaal eventueel aangepast worden. Start eerst met R4, zodat de tranciever niet overstuurd kan worden, is dit signaal onvoldoende dan kan de parallel weerstand R3 bijgeplaatst worden (met de waarde moet een beetje geëxperimenteerd worden), met C4 worden de eventuele bloksignalen nog wat uitgefilterd. Dit signaal wordt nu eveneens aan de scheidingstrafo T2 aangeboden en geregeld met de potentiometer P3 (TX DRIVE) en via de koppelcondensator C5 en de schakelaar S1 op pin 2 en pin 7 van de D9 Connector J2 aangeboden en vervolgens naar de “Mic.” ingang van de tranciever gebracht. Wanneer er geen externe micro gebruikt wordt kan S1 natuurlijk vervangen worden door een draadbrug. Het PTT signaal: Sturing met Optokoppler: Bij het overgaan op zenden moet ook de PTT van de tranciever aangestuurd worden. Afhankelijk van het softwareprogramma komt deze informatie via de RTS of DTR uitgang. Beide data komen toe op de D9 Connector J1, op pin 4 en pin5 en de “GND” op pin9. Via D1 en D2 gaat dit signaal naar R7, en zo naar de optokoppler I1. R7 dient als beveiliging voor de stroominstelling van de ingangsdiode van de optokoppler D12 . Via R6 en D3 kan dit signaal eventueel op het frontpaneel aangeduid worden (TX),let wel dat dan de stroom door de led ook geleverd moet worden door de DTR of de RTS uitgangvan de PC en dat deze ook door de ingangsdiode van de optokoppler moet verwerkt worden! De uitgang van de optokoppler wordt gebufferd met Q2 en zo via S2 aan de D9 connector, pin 5 en pin 9 aangeboden . Met S2 een drie standenschakelaar kan de PTT AUTO (soundcard) OFF of continu aangestuurd worden , D6 en C6 dienen ook als beveiliging. Tot hiertoe is er nog altijd geen voedingsspanning nodig geweest en kan het systeem ook normaal werken. Sturing met relais: Bij gebruik van de relaisschakeling moet het voedingsgedeelte ook bestukt worden . Voor de wat oudere toestellen met een directe aansturing van het PTT relais kan de optokoppler deze stroom niet leveren om het relais te sluiten en daarom is er een relaissturing op de print voorzien. Het spreekt vanzelf dat dan I1 en de bijbehorende onderdelen er rond niet moeten bestukt worden . Het PTT signaal komt dan via D1, D2 en R8 toe op de basis van Q1 die op zijn beurt het relais RL doet inschakelen om de PTT van de zender te bedienen. D4 en R9 worden via Q1 geschakeld voor de TX aanduiding . D5 dient als beveiliging van Q1 tegen de inductiespanningen door het schakelen van de relaisspoel. |
|
De Volledige beschrijving kan gedownload worden als PDF |
Click hier voor download |