Mixážní zesilovač 2 (Mixer amplifier)

Jednou mě napadlo velice jednoduché řešení mixážního zesilovače pro neprofesionální použití. Konstrukce obsahuje pouze jeden integrovaný obvod, obsahující čtyři operační zesilovače. Pro každý kanál jsou použity dva. První OZ jsou zapojeny jako sumátory pro smíšení vstupů. Potenciometrem ve zpětné vazbě lze dostavit společné zesílení stupně. Každý vstup má svůj potenciometr na regulaci podílu ve výstupu. Druhé OZ jsou zapojeny jako oddělovací stupeň. Zde je možnost jednoduchého zvýraznění výšek, což může pracovat jako preemfáze signálu. Část obvodu s BC639 a TL431 je stabilizátor napájecího napětí pro OZ. Potřebné symetrické napájení je řešeno odporovým můstkem, pro střídavý signál zkratovaným kondenzátorem. Amplituda vstupů i výstupu odpovídá linkovému vstupu a výstupu elektroniky okolo 2Voltů.

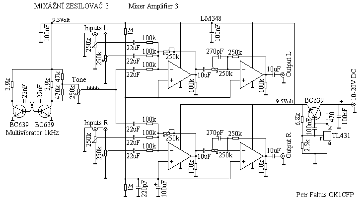
Ve druhé verzi zapojení je navíc osazen multivibrátor o kmitočtu přibližně 1kHz, sloužící jako zdroj jednoduchého testovacího signálu s bohatým spektrem. Je připojen do obou kanálů. K výstupům jednotlivých operačních zesilovačů byly přidány rezistory. Slouží k lepší stabilizaci stejnosměrných pracovních bodů. Kapacity ve zpětných vazbách byly sníženy na 33pF a 47pF, aby neomezovaly frekvenční použití konstrukce. Jejich význam na vf blokování vyšších kmitočtů nad audio oblastí zůstává.

Schema zapojení Mixážního zesilovače

Schema zapojení Mixážního zesilovače opravené 9.11.2005

Další obrázek poslouží jako předloha k výrobě tištěného spoje fotocestou. Černá barva odpovídá neodleptané části. V konstrukci jsou použity tandemové (dvojité) potenciometry Tesla. Na tištěném spoji zůstane řada cest nevyužitých. Při návrhu jsem totiž do budoucna uvažoval vyřešení interního zesilovače pro dynamický mikrofon a zdroje testovacího sinusového či obdélníkového signálu. Šipky mířící proti sobě označují drátovou propojku. Při pohledu viz. obrázek je stabilizace napájecího napětí umístěna vpravo nahoře, výstupy vlevo v horní polovině. Pro IO doporučuji patici, pozor na snadné přepólování.

Multivibrátor přibližně 1kHz je osazen do pole pěti cest vpravo pod stabilizací napájení. Pro jeho zařazení do výstupního signálu je využit potenciometr 'Mikrofon'.

Tištěný spoj pro Mixážní zesilovač


Katalog hovoří u operačního zesilovače TL074 něco o frekvenčním rozsahu 3MHz, fázové změny signálu bych tedy očekával od 300kHz. Dříve se však uplatní kapacity 33pF a 47pF ve zpětných vázbách, které musí blokovat vf rušení. Testovací signál je generován softwarově pomocí zvukové karty PC (D/A převod). Je vypočten tak, aby obsahoval konečné množství spektrálních čar totožné amplitudy v přesně definovaném frekvenčním kroku. Za měřenou trasou je opět vzorkován (A/D převod) a pomocí FFT vyhodnoceno jeho spektrum. Abychom pokryli celé audio pásmo, použijeme vzorkovací kmitočet 48kHz, který karta většinou ještě umí.


Měření přenosové charakteristiky Mixážního zesilovače (Basic test)

Testovací signál je duplexně generován i vyhodnocován pomocí zvukové karty PC2. Nejprve je výstup zvukové karty zapojen přímo na vstup. Zde vlastní přenosová charakteristika obou polovin zvukové karty padá nad 21kHz, což nesmí být opoměno při vlastním měření. Potom vstup zvukové karty připojíme na výstup mixážního zesilovače a výstup připojujeme na jednotlivé vstupy. Oba kanály buď současně (čili stereo) nebo postupně jeden kanál a potom druhý. Ve standartním použití není možnost preemfáze (zvýraznění výšek) potřeba, proto nastavíme takovou polohu, aby spektrum bylo maximálně vodorovné. V tomto případě jsem zjistil jen snížení přenosu na okrajích pásma. U vysokých kmitočtů je třeba porovnat s výsledkem karty samotné, u nízkých kmitočtů jev závisí na hodnotách vazebních kapacit. Tam se poklesu nelze ubránit, protože stejnosměrnou složku takové zapojení zesilovače nikdy přenést nemůže. Tvar charakteristiky nezávisí na volbě kanálu ani vstupu a není nijak ovlivňován změnou vlastní nebo celkové regulace hlasitosti, mění se v poměru pouze amplituda.

Měření přenosové charakteristiky Mixážního zesilovače

Bezdrátový test Mixážního zesilovače (wireless test)

Testovací signál je generován pomocí zvukové karty PC1. Výstupem Mixážního zesilovače (jeden kanál, MONO) je modulován (varikapový) FM oscilátor. Pozor na přítomnost kmitočtu 19kHz při volbě druhého testovacího signálu, je použit pro obnovu stereofonní informace v přijímači. Signál z naladěného přijímače (přepnutého na MONO) je vzorkován zvukovou kartou PC2. V tomto případě je přijímač vzdálen několik metrů a nejsou v něm přijímané signály filtrovány tak, jak by měly být. I nad 15kHz prochází vše až na konec. V případě naladění běžné stanice je viditelný pilotní signál 19kHz o síle přibližně 30dB pod maximální amplitudou. Pomocí regulace v druhém stupni Mixážního zesilovače je potřeba zvýraznit výšky (preemfáze), aby se kompenzovala korekce v přijímači a spektrum bylo maximálně ploché. Drobný šum je způsoben nedokonalým příjmem a pokles od 10kHz bude (vzhledem k předchozímu měření) způsoben až za Mixážním zesilovačem. Ani zde pochopitelně nezávisí tvar charakteristiky na volbě kanálu ani vstupu mixážního zesilovače a není nijak ovlivňován změnou vlastní nebo celkové regulace hlasitosti, mění se v poměru pouze amplituda.

Bezdrátový test Mixážního zesilovače

Czech resistor values specification:

2k5 = 2500 Ω, 470 = 470 Ω

Datasheets

Petr Faltus technical resources Bipolar transistors datasheets
Petr Faltus technical resources Operational amplifiers datasheets
Petr Faltus technical resources Voltage references datasheets