AMSAT-OH contributes to Phase 3D Satellite


Some of my work with and others for the international AO-40 satellite:


Return to homepage
Matkaraportit ja päiväkirjat

Work with the AMSAT P3D/AO-40, P3E, P5A and other related stuff:

- did you check the AMSAT-OH pages on the Radio Amateur Technology Society website ?

- some notes on AMSAT OSCAR 7 in Finnish and in English with Mode A and Mode B transponder block diagrams (07.12.2008)

- figuring out how to flexibly get all 144 MHz - 47 GHz ham bands onto an EGIS/Nitec-JRC Robot Positioner (10.04.2007)

- a new page focusing on receiving signals from the JAXA Kaguya (Selene) spacecraft (02.12.2007)

- so just for the sake of archiving, some spectrum analyser plots of the AO-40 satellite LEILA system constructed by S53MV:

- LEILA OFF (9k), LEILA ON (9k), how one of the LEILA notches (9k) looks in the transponder passband (during one of the test sessions)

- testing my equpment on AO-51 when the bird was in L/S mode with my dual band 90 cm RHCP dish (10.04.2007)

- Jukka, OH6DD in Marburg in 1991 for P3D and Jari, OH3UW in Marburg in 2006 for P3E (inside joke...)

- photo of the first AMSAT-OH X band HELAPS transmitter (54 MHz -> 10451 MHz, circa 1994) (added as historical item 26.06.2006)

- shot of the P3E satellite 21.7 -> 10.7 MHz IF downconverter/AGC (90 dB gain/control range, 40 kHz wide, -5 dBm out) prototype (108k) (20.04.2006)

- shot of the P3E satellite 21.7 to 10.7 MHz IF downconverter/AGC (90 dB gain/control range, 40 kHz wide, -5 dBm out) Engineering Model

- typical spectrum plot (10k) of the IF converter output with an AGC controlled signal being output (here set to - 15 dBm) (20.04.2006)

- photo from our X band antenna test range (116k) (29.04.2006)

- same setup with OH2KHX (121k) for size (29.04.2006)

- closeup of one of the experimental feeds (73k) going through ellipticity measurements (29.04.2006)

- a linear polarisation horn (94k) for ellipticity assessment (29.04.2006)

- a simple shot of the the P3E S -> X band dual-mode (analogue/coherent) transponder module (108k) real-estate (06.01.2006)

- a topside photo of my AMSAT-OH P3E IF combiner (111k) matrix prototype (15.02.2006)

- bottomside (125k) photo of the IF combiner prototype

- this module also draws 3 mA @ 12 V for an internal (hidden) CW beacon carrier keying "HI" for test purposes

- IF inputs: 2.4 GHz, 1.3 GHz, 5.7 GHz, IF BPSK beacon, IF outputs: 10.4 GHz, 2.4 GHz

- some small antenna experimenting with AO-40 during orbit 1362 (17.10.2003)

- a piece of history: AO-21 audio (453k) as received many years ago with a simple handie talkie and rubber duck antenna

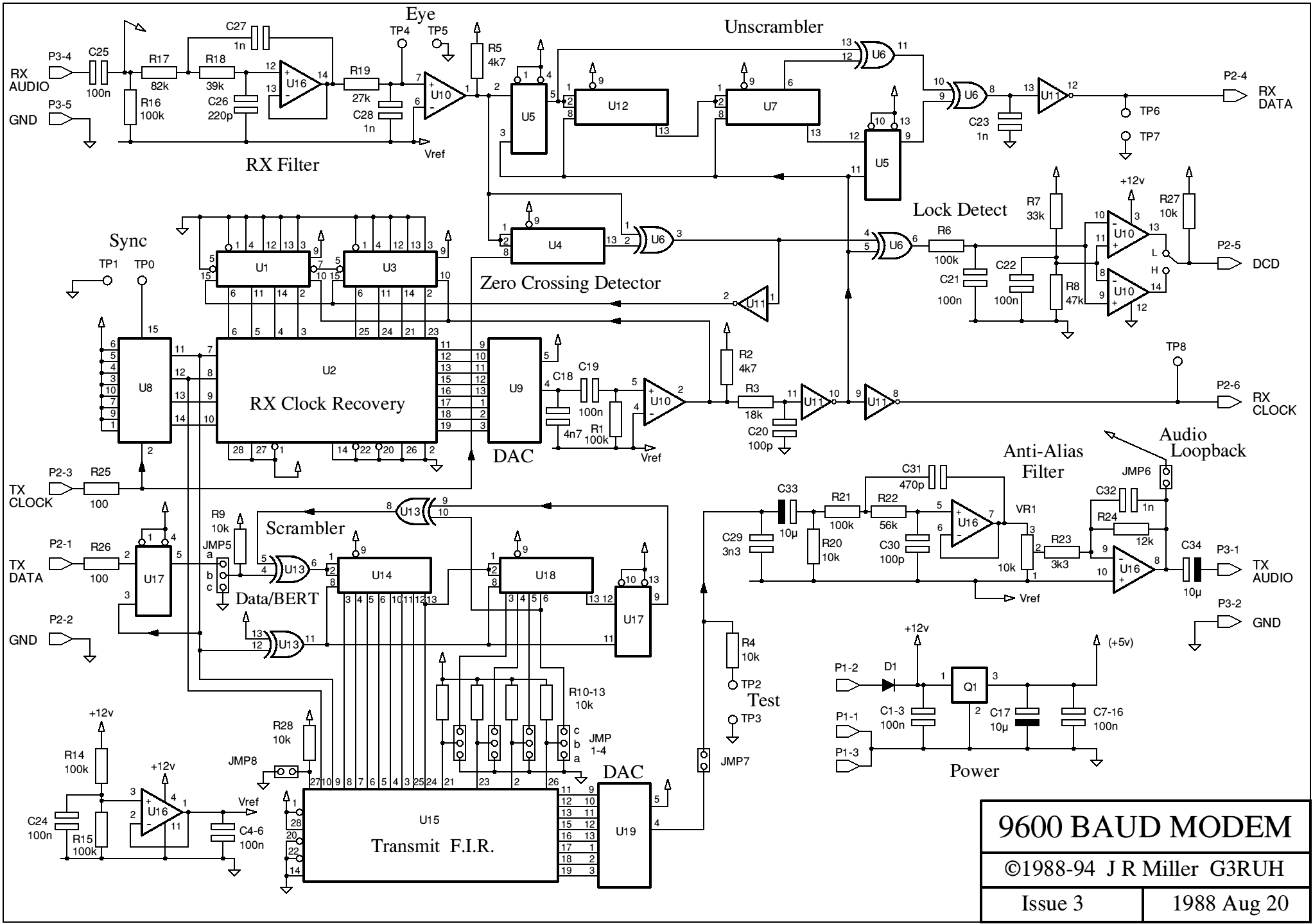
- a single image (128k) of the G3RUH 9600 bit/s and higher modem for e.g. AO-40

- a list of some OH stations active on AO-40, what they use and how

- experimenting with my equipment during orbit 728 (this report is in Finnish)

- running some experiments on S band with my 3 m dish (73k) (passband noise floor (10k) vs. cold sky)

- In Orbit Testing of the K band transmitter in orbit 396 (09.09.2001)

- Monitoring the launch cosily at home at 0307 AM local time on Thursday, November the 16th.

- Testing the RF and Microwave payloads during the launch campaign in Kourou, French Guyana

- Maintaining the AMSAT-OH website. AMSAT-OH is a subdivision of the Radio Amateur Technology Society

- Building lots of RX and TX equipment in preparation for working The Bird ;-)

- My very last visit to the P3D integration laboratory in Orlando between 10.10.99 - 21.10.99

- More work with the team in Orlando from 11.06 to 21.06.1999

- Running further RF tests on the P3D Satellite with colleagues in Orlando, Florida, Spring 1999

- Testing of P3D Satellite RF equipment during Thermal Vacuum in Germantown, Maryland, Autumn of 1998

- reintegration of AMSAT-OH 10 GHz flight hardware onto the Phase 3 D satellite, Spring of 1998

- prototyping bits and pieces for the radio amateur Phase 3 D satellite 10 GHz transmitter (more here)

- installation of the AMSAT-OH 10 GHz high power flight model transmitter onto Phase III D spacecraft in 1997

- some notes on circular polarisation in Finnish

- L-band up/S-band down experimenting with simple can feeds on dishes

Working the bird with my portable station from KP21KK (roadside):

Working AO-40 portable from KP21KK (on the frozen lake):

Working AO-40 from KP20KD:

Working AO-40 portable at the RATS round table March, 2003:

Some photos of some of my portable 2.4 GHz AO-40 equipment (photos by OH2MW):




Return to main page
Updated 22.11.2018/Michael Fletcher