Listening to the Kaguya-Selene lunar probe:

Return to homepage

 

Picking up the carrier 2263.602 MHz (nom.) carrier from the spacecraft (page in reverse cronological order for the time being)




Yes, this is a spectrogram of  Kaguya-Selene received with a PAPER CLIP bunged into a BNC adapter on my LNA for an antenna !!!


- next test: a paper clip stuck into a SMA-BNC adapter ??? (16.12.2007)

- well, I just had to try it, didn't I; this is the straightened paper clip (150k) in the BNC adapter (18_12_2007)

- for the record, the moon elevation was about 25 degrees with both the paper clip antenna and the QBFH mobile antennas both seeing plenty of ambient thermal noise (-2 deg. C)

- finally the signals were so weak, I actually had to use my hand (84k) as a reflector to gain a dB or two, but the signal is easily copiable by ear - no dsp, nothing !!! (18_12_2007)

- closeup (80k) of the paper clip in the BNC/SMA adapter on my homebrew 0.6 dB P-HEMT LNA (18_12_2007), signal can still be tracked manually ;-)

- if want to listen to the signals for yourself; here is an uncompressed audio file (667k), the pitch is around 800 Hz and rising due to Doppler (18_12_2007)

- yes, I have already tried it; today i built an QBFH (79kb) helix with semi-omnidirectional pattern for RHCP. And yes, you can hear the thing with your bare ears (5 Mb video) !

- for this brief test, the elevation was 20 degrees or so and the antenna was definitely seeing surrounding thermal noise (lost the spacecraft as it sent behind the moon) (16.12.2007)

- this test was with my 0.6 dB homobrew P-HEMT LNA and mobile - yes, mobile, driving down the road ;-)    (16.12.2007)

- incredibly strong, this birds signal is very difficult not to hear: here I am using an 8 by 10 cm W-LAN patch antenna SPA 2400/80/9/0/DS (136 kb) from Huber & Suhner

- this is a +-45 degree dual slant, cross-pol antenna that I feed with a DECT 1900 MHz splitter and phase shift lines (103 kb) for RHCP (15.12.2007)

- the preamplifier this time is a ZEL-1724LN (183 kb) preamp from Mini-Circuits (15.12.2007)

- absolutely no problem with a 2.25 turn RHCP helix (antenna labelling is for use with a prime focus dish) and the preamplifier, all set up on my window sill (76 kb) (15.12.2007)

- pretty unbelievably, the Kaguya downlink carrier can be heard clearly, here with lunar elevation of 15 degrees and through double glazing (15.12.2007)

- sometimes it can be a bit chilly (85 kb), so it is nice to find out that this setup (83 kb) actually works quite well too ;-)   (02.12.2007)

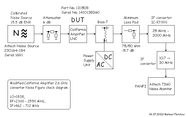
- equipment setup for modification of the CATV/MMDS converter passband, checking the noise figure and the noise figure test results

- here you may find a nice spectrum waterfall (462 kb) plot showing locking onto the control station uplink (image: OH3MCK) (30.11.2007)

- and a very beautiful waterfall showing the downlink Doppler (320 kb) with the full orbit in view (image: OH3MCK) (30.11.2007)

- Petri, OH3MCK, used a 25 element Tonna (18 dBi linear polarisation) with about 3 - 4 dB cable loss before the LNA (converter LO 1831 MHz, IF 432.6 MHz)

- some more fun with Kaguya-Selene, this time receiving the lunar-orbiting probe practically mobile (3.9 Mb) (video)  (29.11.2007)

- here is photo (58 k) using the linearly polarized W-LAN-patch antenna (about 14 dBi lin.) mentioned below (patch + converter on roof of car) (29.11.2007)

- and a close-up photo of the antenna (67 k), now using a microwave-CATV-converter (29.11.2007)

- latest fun with listening to the signal and especially the Doppler behavior of the JAXA Kaguya/Selene lunar orbiter (24.11.2007)

- first I picked up the thing with just a converter, 25 by 25 cm W-LAN panel antenna and an old FRG-9600

- next, used my RHCP/LHCP polarisation selectable 90 cm dish (96kb) with 0.6 dB NF P-HEMT preamplifier (24.11.2007)

- here is a short MPEG video (6.5 Mb) of the setup to give an idea of the primitive system I am using ;-) (24.11.2007)

- position (208 kb) of the moon for this video/audio (24.11.2007)

Related links on my website:


- testing my equpment on AO-51 when the bird was in L/S mode with my dual band 90 cm RHCP dish (10.04.2007)

- packaged the fabulous SDR-IQ (no affiliation) DSP radio into some recycled NMT900 mechanics - wish I could afford, say, 10 SDR-IQ's ;-) (10.04.2007)

- set my eyes on this 5.4 m dish almost 20 years ago...(photo 2, photo 3, photo 4, photo 5), last summer it was finally pensioned :-) Surface accuracy good to 30 GHz  (01.12.2005)

- some info on a tracking upgrade for the Viestikallio OH2Z SCR-584 pedestal (includes stuff on receiving the Rosetta spacecraft on 8.4 GHz)

- some small antenna experimenting with AO-40 during orbit 1362 (17.10.2003)

- some highly experimental (!) 2.4 and 1.3 GHz can feeds for dishes :-) (10.02.2003)

- some photos of my F1EHN EME antenna tracking boards for controlling dish antennas (20.04.2002)

Related links elsewhere on the web:


- the Japan Aerospace Agency JAXA Kaguya (Selene) project pages

- the homepages of Sven Grahn, loaded with both history and current events, good link lists too

- the webpages of  Paul J. Marsh, frequency lists, lots of ideas for feeds etc.


Return to main page
Updated 19.01.2019