
Geschichte des UKW Amateurfunks
Im Vergleich zur Kurzwelle waren in den 1960-er Jahren nur wenige Stationen auf UKW zu hören und es gab auch kaum kommerzielle Neugeräte. Anfangs war es auch sehr schwer, die für den UKW-Eigenbau benötigten Bauteile zu bekommen, bzw. waren diese sehr teuer. Dennoch wurde viel gebastelt und experimentiert. Nicht zuletzt machten es der wirtschaftliche Aufschwung und der Forschungsdrang vieler Funkamateure möglich, diese neue Welt der UKW-Frequenzen zu erobern. Diese OM`s machten sich schon damals Gedanken darüber, wie man die Aktivitäten auf diesen Bändern erhöhen könnte. Zum Thema Copyright: Dieser Beitrag ist eine Sammlung aus verschiedensten Quellen aber auch eigenen Recherchen und soll dazu beitragen, die Pioniere dieser Frequenzenbänder nicht vergessen zu lassen. Wann immer möglich, habe ich daher die Autoren der einzelnen Originalpassagen angeführt, was bei den Bildern nicht immer so einfach war. Wer seine (Bild-)rechte verletzt sieht, möge mir dies bekannt geben und ich werde alles was zu beanstanden ist umgehend entfernen. Eine wichtige Absicht dieses Artikels ist es, eine zum Teil redundante Sammlung anzubieten, da jede Website, die eines Tages unerwartet offline gehen könnte vieles vom Wissen aus dieser Pionierzeit zum Vergessen bringt.
Ich bedanke mich herzlich bei allen, die dieses Projekt mit ihren Bild- und Textbeiträgen unterstützt haben und freue mich auf alle weiteren Berichte aus den UKW Gründerzeiten.
Christian Wieser,
OE3CWJ
Wer in den 1960-er Jahren schon ein (meist selbst gebautes) 2m-Funkgerät besaß und über das Band drehte, hörte meistens nichts – außer Rauschen und mitunter den einen oder anderen Träger, die aber oft durch das Empfängerkonzept bedingt waren. Die Lage dieser internen Pfeifstellen merkte man sich und so konnte man sie gut von den außen über die Antenne zum Empfänger gelangenden Signalen unterscheiden. Nur wenige Funkamateure waren auf diesem für damalige Begriffe eher exotischen Band QRV, und wenn, dann meistens in der Modulationsart AM.
Der Empfänger war in der Regel durchstimmbar, der Sender gewöhnlich quarzgesteuert. Der Grund dafür war, dass man mit Amateurmitteln nicht so leicht einen Sender-VFO mit ausreichender Frequenzgenauigkeit und -stabilität realisieren konnte. Der Quarz war die Garantie, dass man mit seinem Sendesignal innerhalb der Bandgrenzen blieb. Meist machte man sich nicht die Mühe, einen kompletten Sender und Empfänger für das 2m-Band zu bauen, sondern setzte empfängerseitig mittels Konverter die Frequenz auf das 10m-Band um. Senderseitig wurde das im Kurzwellensender im Frequenzbereich 28 bis 30 MHz erzeugte Signal auf den Frequenzbereich 144 bis 146 MHz umgesetzt.
Deutschland 1967/68: Klasse C für UKW
(c) Dokumentationsarchiv Funk

Alfred Müller, DL1FL, der bereits bei der Formulierung der Erstfassung mitgewirkt hatte und nun wieder Mitglied des DVO-Ausschusses im DARC gewesen war, fasst die Änderungen zusammen: Von der nun erforderlichen „Kenntnis der Buchstabiertafel für den internationalen Funkverkehr“ und „den Bestimmungen der VO Funk und der VDE-Vorschrift 0866 über Funksender“ und der Neuregelung der Betriebsarten bis zur Zuweisung von vier neuen UKW-Bändern (3,4 – 5,65 – 10 und 21 GHz). Die wichtigste Neuerung ist aber die Schaffung der Genehmigungsklasse C: Die Lizenz ohne den Nachweis vom Geben und Nehmen von Morsezeichen, wenngleich „nur“ mit Zugang zu den UKW-Bändern. Die Wogen gehen hoch: „’Schmalspur-Amateure’, war noch ein schmeichelhafter Ausdruck von der einen, ‚reaktionäre Opas’ als Hinweis auf die antiquierte Haltung mancher nur CWisten die Bezeichnung von der anderen Seite.“ Nicht von ungefähr legt der DARC ausgerechnet jetzt einen vom eben erwähnte Alfred Müller, DL1FL, komplett neu gestalteten Schallplatten-Morsekurs auf. Diametral entgegengesetzt sind die Prognosen der Befürworter und Gegner: Der DARC sei nun extrem gefährdet, dem DARC stünden ungeahnte neue Chancen offen, sofern man die ‚Neuen’ richtig anspreche: „Es wäre verhängnisvoll, wenn sie die falsche Wege gehen … Wir dürfen sie nicht zurückstoßen!“ Dass der DARC aus der bequemen Routine der letzten Jahre ausbrechen müsse, wurde den Mitgliedern drastisch vermittelt: „Die Erwerber der neuen Lizenzklasse werden in vielen Fällen viel weniger vom Club abhängig sein, als dies bisher – bedingt durch die Morsekurse in den Ortsverbänden – der Fall war. … Diese Tatsache könnte dem Leben unserer Ortsverbände Abbruch tun, wenn deren Anziehungskraft nicht durch Aktivität erhöht wird.“
Der DARC hat sich bereits zu Jahresbeginn symbolisch der neuen Situation angepasst: Das DL-QTC verzichtet auf den traditionellen Untertitel, der nur noch im Impressum aufscheint: „Zeitschrift für den Kurzwellenamateur“.)
Zur Erinnerung: wie funktionierte UKW damals? „Auf den UKW-Bändern herrscht … meist absolute Ruhe. … Bekanntlich wird auf den UKW-Bändern noch mit Methoden gearbeitet, die man für die Bänder 10-80m seit bald drei Jahrzehnten aufgegeben hat … Bei dieser Betriebsweise werden für jede Verbindung zwei Frequenzen gebraucht, und die Wahrscheinlichkeit, ins QSO zu gelangen, hängt mehr oder weniger vom Zufall ab bzw. von den vorhandenen eigenen Quarzen, wenn der CQ-Rufer angibt, wie er sucht und das auch so durchführt. … Beliebt ist die Umsetzung auf das 10-m-Band. … Es werden aber auch schon VFOs von vielen Stationen benutzt. Aber eine Änderung der Betriebsabwicklung ist damit nicht erfolgt. Man kann sich lediglich besser dort bewegen, wo der Partner wahrscheinlich suchen wird.“ Eigenbau galt als schwierig (und war es auch), doch die Industrie bot bereits preisgünstige Geräte an – ein weiteres Argument für Mäkler, die den Begriff des „Steckdosen-Amateurs“ prägten. Zunächst werden Rufzeichen mit drei Buchstaben hinter dem Kenner vergeben, wobei der letzte Buchstabe ein X ist, damit „bei einem eventuellen späteren Wechsel der Genehmigungsklasse nur das X entfallen muss.“[7] Die Bundespost gibt dann aber den neuen Rufzeichenblock DC aus, beginnend mit DC6AA.[8] Dieser Rufzeichenblock konnte allerdings von der „Wuppertaler Maschine“ nicht bearbeitet werden.
Semco Electronic GmbH, Wesseln
© Leo Schulz, DL9BBR

Begonnen hat alles so um 1960. Im Hildesheimer Blaupunktwerk waren einige Funkamateure beschäftigt, darunter Karl-Heinz Lausen, DL9SB, von Haus aus Fernsehtechniker und Rudolf Loke, DJ2KD, ein gelernter Kaufmann. Zunächst realisierten diese beiden kleinere Amateurfunk-Projekte für den Eigenbedarf, die auch bei anderen Mitgliedern des Hildesheimer DARC-Ortsverbands auf großes Interesse stießen. Zu dieser Zeit gab es in Deutschland praktisch keinen kommerziellen Hersteller für Amateurfunk-Erzeugnisse und so sprach es sich herum, dass diese Beiden interessante Bausteine herstellen. Die Mundpropaganda führte zu einer wachsenden Nachfrage und zu dem Entschluss eine eigene Firma zu gründen. Das Gewerbe firmierte zunächst unter K.-H. Lausen, Hildesheim, Bahrfeld-Straße 11. Eines der ersten Produkte war ein Spannungswandler mit 2x AD103 für den Mobilbetrieb mit röhrenbestückten UKW-Endstufen (mit QQE03/12).
Danach wurde ein KW-Konverter mit 1,6-MHz-ZF (HFB 1,6) entwickelt, der mit einem MW-Radio als Nachsetzer den Empfang aller 5 KW-Amateurfunkbänder ermöglichte. Der Erfolg dieses Konverters führte dazu, Bausteine für einen voll transistorisierten KW-Empfänger zu realisieren. Es entstand die KW-Konverter-Variante HFB-3,0 mit 3,0-MHz-ZF, ein dazu passender 3-MHz-ZF Baustein und ein NF-Verstärker. Die Auslieferung in Bausatzform wurde jedoch sehr bald von der Fertigung komplett aufgebauter und abgeglichner Bausteine abgelöst, da sich schnell zeigte, dass viele Funkamateure Probleme mit dem Aufbau der neuen Technik hatten (Selbstbestücken der Platinen und Baustein-Abgleich).
Aus den genannten Kurzwellen-Bausteinen entstand der KW-Empfänger Semiconda, der nun auch mit Gehäuse und mechanischen Teilen geliefert wurde. Daraus entstand später der Semiconda 68 mit neuer Frontplatte.
Für das 2-m Amateurfunk-Band wurden inzwischen ebenfalls Bausteine entwickelt. Der MB2 als 2-m Konverter und der MB10 als 10-m-Nachsetzer ermöglichten den Aufbau kleiner portabler Stationen. Der dazu entwickelte Sender-Baustein wurde in den UKW-Berichten Heft 2/1964 von U.L. Rohde beschrieben und kostete 1964 etwa 250 DM. Die 2-m-Konverter MB2 und MB22 setzten damals in ihrer baulichen Größe und Empfindlichkeit Maßstäbe. Auf Grund der Kostenvorstellung über den Materialpreis wurde der am Eingang eigentlich notwendige 2m Bandpass vorerst mal abgelehnt. Geringe Vorselektion und mäßige Großsignalfestigkeit der bipolaren Transistoren führten aber zur Trübung des Empfangs durch starke UKW-Rundfunksender und starke Fernsehsender im Gebiet um 200MHz die wegen der ungenügenden Vorselektion zu Spiegelfrequenzproblemen führten.
Ab 1964 ergab sich ein enger persönlicher Kontakt zwischen R. Loke und Dipl.-Ing. Horst-D. Zander, DJ2EV, der bis 1967 in Hamburg, dann in Freiburg/Brsg. In der industrie tätig war. Aufgrund seiner Begeisterung für das Hobby Amateurfunk und seines Berufes (HF-und Halbleitertechnik) gab OM Zander im Laufe der Jahre dem Hildesheimer Unternehmen viele Anregungen, die dem Allgemeinen Stand der Amateurfunktechnik deutlich voraus waren.
Dazu gehörten u.a. das Schaltungskonzept für den legendären ersten 2-m-Konverter UE2FET mit Feldefekttransistoren und besonders hoher (Vor-)Selektion und Störfestigkeit sowie Verbesserungsvorschläge aufgrund eigener Experimente, wie z.b. Untersuchungen und Schaltungsdetails zur Modulationsqualität („positive“ AM, Linearität von SSB-Senderbausteinen), das Konzept für das bekannte UKW-Funksprechgerät „Semco“ und Konzepte für die späteren SSB-Tranceiver.
Der rasante Entwicklungsverlauf der Halbleiter brachte preiswerte Transistoren auf den Markt, die die Entwicklung neuer Bausteine für Empfänger und Sender ermöglichten. Hierzu gehörten u.a. der Senderbaustein MBS21 und Folgemodelle und die Umentwicklung des UE2FET von JFETs auf MosFETs (UE2MosFet) und die „Mini Bausteine“ die sich schnell einen guten Ruf erwarben. Parallel dazu begann die Entwicklung und Produktion von 2-m-Fertiggeräten wie Funksprechgerät Semco, Tranceiver SSB-Semco, Semco-SSB und Semcoport.
Ende 1965 tauchte der Name Semcoset erstmalig in der Firmenbezeichnung auf, die 1966 in Semcoset Lausen+Co. OHG umgewandelt wurde. Im Rahmen der Firmenvergrößerung wechselte der Standort zunächst zur Borsigstr.5 in Hildesheim. 1969 wurden dann Entwicklung und Produktion in einem eigenen Neubau nach Wesseln bei Hildesheim, Über dem Steinbruch 189 verlagert.
Hier entstand das SSB-Semco sowie das Semco-Moto und das inzwischen überarbeitete AM-Funksprechgerät Semco, als „Brotdose“ bei den Funkamateuren bald ein sehr beliebtes Portabel-Gerät, das auch bei Fuchsjagden und beim BBT seine Klasse über viele Jahre bewies.
Es folgte die Weiterentwicklung des SSB-Semco zum Semco-SSB. Das Semco-Roto 1971 war eine preiswerte Variante für den mobilen Betrieb mit AM und FM.1973 kam dann das Semco-Terzo auf den Markt. Mit 25 Watt Sendeleistung in SSB und AM und 15 Watt in FM sowie der für Relaisbetrieb erforderlichen Ablage zunächst von 1,6 MHz, war das zu diesem Zeitpunkt Technisch Machbare erreicht. Die Variante Terzo-Digital war dann das absolute Spitzen-Produkt von Semcoset und wurde zur Legende.
Für Portabelbetrieb entstand das Semcoport als würdiger Nachfolger der „Brotdose“ und wurde ebenfalls sehr schnell zum Verkaufserfolg, der längere Lieferzeiten hervorrief. Im Bereich der Bausteine waren in der Zwischenzeit die Nachsetzer und Konverter weiterentwickelt und verbessert worden. Sie stellten eine preiswerte Variante für den Funkamateur dar und es gab dazu einige Baubeschreibungen in der Zeitschrift Funkschau.
1977 kamen die letzten Tranceiver von Semcoset auf den Markt. Hierbei handelt es sich um das Semco-Selecto und das Semco-Roto-S. Diese waren im Empfangsteil mit Schottky-Dioden-Ringmischern ausgestattet und boten im Amateurfunkbereich bis dahin unereichte Großsignal-Festigkeit.
Mit dem Tod von DJ2KD, der die Firma bis zu diesem Jahr führte und dessen Spezialgebiet die Panorama-Empfänger wie Semcorama, Spectrolyser usw. waren, ging auch die Ära Semcoset zu Ende. Semcoset hatte bis dahin dem zunehmenden Druck der Japanischen Konkurrenz Stand gehalten. Damit endet die Deutsche Amateurfunkgeräte-Produktion von Semcoset und somit auch ein großes Stück Amateurfunk-Geschichte.
Die Daten wurden den Katalogen sowie den Produktanzeigen im DL-QTC und den UKW-Berichten entnommen. Mein Dank gilt insbesondere Dipl.-Ing. Horst-D. Zander, DJ2EV, der mir eine Menge an Informationen und persönlichen Notizen zukommen ließ und so erst Licht in die Anfänge der Firmengeschichte gebracht hat.
Die hier gemachten Angaben zur Firmengeschichte sind nach besten Wissen gefertigt worden und erheben keinen Anspruch auf absolute Vollständigkeit. Sie geben aber doch einen kleinen Einblick in den Werdegang dieser für den Amateurfunk in Deutschland so bedeutsamen Firma.
Semco Terzo analog
Semco Terzo Innenleben
ZFB9/02 9MHZ IF-Amplifier
(Bilder von Leo/DL9BBR, Roel/PA0JTA und Willi/OE1WKL)
Semco Terzo
(c) DL4CS
Der Semco-Terzo ist ein im gesamten 2m-Band mittels VFO durchstimmbarer Transceiver für die Betriebsarten AM, FM und SSB. Er wurde Anfang der 1970er Jahre sowohl als Fertiggerät als auch als Bausatz angeboten, weshalb ich ihn hier auf meiner Selbstbauseite vorstelle. Trotz des vergleichsweise eher kleinen elektronischen Aufwands funktioniert das Gerät ganz ausgezeichnet. Das Gerät ist übersichtlich und mit einer relativ kleinen Anzahl von Baugruppen aufgebaut, die damals beim Hersteller Semcoset auch einzeln bezogen werden konnten. Die Anschlüsse dieser Module sind bei einigen Exemplaren dieses Gerätes überwiegend steckbar mit der Verdrahtung verbunden, so dass ihr Austausch bzw. der Aus- und Einbau bei Reparaturen dann durch Lösen der Befestigungsschrauben und Abziehen der Leitungen bequem möglich ist. Die Schaltpläne dieser Baugruppen sind im Nachfolgenden mit Beschreibungen vorgestellt. Zunächst einmal jedoch zum mechanischen Aufbau und zu den Bedienelementen und den Außen-Anschlüssen dieses interessanten und robusten Gerätes.

Die Frontansicht zeigt links oben das S-Meter, welches in üblicher Weise beim Senden der relativen Anzeige des HF-Ausgangssignals dient. Darunter befindet sich die 5-polige DIN-Buchse (270°) mit Renkverschluss zum Anschluss des Mikrofons. Infolge des hochohmigen Eingangs sind passive Mikrofone nur dann verwendbar, wenn es sich um Ausführungen mit Keramik- bzw. Kristallkapsel handelt. Solche haben Impedanzen in der Größenordnung von einigen hundert Kiloohm, liefern dafür bei hochohmigem Abschluss aber deutlich großere Ausgangsspannungen. Die früher weit verbreiteten PTT-Handmikrofone mit dynamischen Mikrofonkapseln, die Impedanzen im Bereich einiger hundert Ohm haben, sind hier also leider nicht geeignet, die Modulations-Lautstärke bleibt mit ihnen erheblich zu klein. Ein bei mir vorliegendes, für CB-Zwecke vorgesehenes dynamisches Handmikrofon japanischer Herkunft lässt sich hingegen problemlos verwenden, da es einen eingebauten Transistorverstärker hat. Mit einem von außen verstellbaren Rändelknopf lässt hier der Mikrofonspegel problemlos auf den vom Transceiver benötigten Wert bringen. Ich verwende an meinem Semco Terzo aber mitunter auch mit Erfolg ein altes Verstärker-Standmikrofon von SBE. Ebenfalls eignen dürfte hier der auf meiner Webseite an anderer Stelle gezeigte Verstärker für ein Electret-Kondensatormikrofon.
Doch nun zurück zum Transceiver und seinen an der Frontplatte befindlichen Bedien- und Anzeige-Einrichtungen. Dort findet man rechts neben dem S-Meter eine LED, welche den Sendebetrieb signalisiert. Gleich daneben ist ein Kippschalter, mit dem das Gerät dauerhaft auf Sendebetrieb geschaltet werden kann. Das kann zum Beispiel für Test- oder Abgleichzwecke hilfreich sein, es ermöglicht aber auch den Funkbetrieb mit Mikrofonen, die über keine eingebaute Sendetaste verfügen. Unter diesem Schalter ist der Einsteller für die Ansprech-Empfindlichkeit der Rauschsperre und wiederum darunter der Lautstärke-Einsteller angeordnet. Letzterer ist wie bei vielen anderen Geräten auch mit dem Ein-/Ausschalter kombiniert (Linksanschlag = aus). Im Zentrum der Frontplatte befindet sich ein großer Kurbelknopf, welcher über einen hochwertigen Feintrieb mit verspannten Zahnrädern mechanisch mit dem VFO-Drehkondensator und der Skala für die Frequenzanzeige verbunden ist. Es ist die Hauptabstimmung, mit der sich die Arbeitsfrequenz des Gerätes im gesamten 2m-Band stufenlos und ohne Raster einstellen lässt.
Der erste Kippschalter in der oberen rechten Ecke dient dem Einpfeifen auf andere Stationen. Um die Frequenz einer möglichen Gegenstation zu finden, wird das Gerät hiermit auf Schwebungsnull (Beat) des Signal der in Betracht kommenden Station eingestellt. Beim SSB-Betrieb dient diese Funktion außerdem dazu, dass Gerät so zu kalibrieren, dass Sende und Empfangsfrequenz übereinstimmen, d.h. das Gerät transceive arbeitet. Rechts daneben ist ein Schalter zum Umschalten der Relaisablage. Zum Erscheinungsdatum des Gerätes betrug die einheitliche Relaisablage im 2m-Band in Deutschland noch 1,6 MHz. Durch Einsetzen eines zusätzlichen Quarzes konnte jedoch eine zweite Ablage geschaltet werden. Mein Gerät hat hier einen Quarz für die bald darauf eingeführte und auch heute verwendete Ablage von 600 kHz. Der ganz rechte Schalter ist zum Umschalten vom Simplex- auf den Relaisbetrieb sowie für den reversen Relaisbetrieb, welcher z.B. das Antworten auf Stationen bei einem Ausfall der Relaisfunkstelle ermöglicht. Früher verwendeten viele Stationen Geräte mit Quarzbestückung, so dass Ihnen dann ein Umschalten auf den Simplexbetrieb auf der Relais-Ein- oder Ausgabe oft nicht ohne weiteres möglich war.
Unterhalb des Beat-Schalters befindet sich ein Einsteller zur Frequenz-Feineinstellung und darunter einer zur Justierung der BFO-Frequenz für den frequenzrichtigen SSB-Empfang. Beim AM- bzw. FM-Betrieb sind sie quasi ohne Bedeutung. Die rechts daneben befindliche rote Taste dient dem Aktivieren des 1750-Hz-Tonrufes, der in erster Linie zum Auftasten von Relaisfunkstellen gedacht war. Darunter findet man den Betriebsarten-Schalter zum Umschalten zwischen AM, FM und SSB. Für SSB ist lediglich der Betrieb im oberen Seitenband vorgesehen, wie er im 2m-Band üblich und laut internationaler Vereinbarungen vorgesehen ist.
An der Rückseite des Gerätes befinden sich die Antennenbuchse (SO-239), der Kombi-Stromanschluss (12V DC / 220V AC) und eine DIN-Buchse für den Lautsprecher-Anschluss. Um mechanische Rückwirkungen zu vermeiden, hat das Gerät nämlich keinen eingebauten Lautsprecher. Beim 12-Volt-Betrieb dient der Netztrafo durch geeignete Wicklungen als Wandlertrafo, der mit zwei an der Rückwand montierten Leistungstransistoren dann als Gegentakt-Zerhacker geschaltet ist. Bei meinem Gerät befindet sich an der Rückseite außerdem eine Buchse zum Anschluss eines Frequenzzählers, an dem je nach eingestellter Frequenz im Bereich von 144 bis 146 MHz ein HF-Signal im Bereich von 135 bis 137 Mhz anliegt. Für eine frequenzrichtige Anzeige muss sich am angeschlossenen Zähler also eine ZF-Ablage von 9 MHz einstellen lassen. Den Großteil der Rückseite füllt ein reichlich dimensionierter Rippen-Kühlkörper aus. Ober- und Unterseite sind mit leicht abmontierbaren Lochblech-Halbschalen abgedeckt, so dass im Inneren des Gerätes für gute Belüftung gesorgt ist.

Ein Blick ins Innere nach dem Abmontieren der oberen Gehäuseschale zeigt an der Geräte-Rückseite bzw. auf dem Foto links zu sehen, den vierstufigen HF-Linearverstärker für den Sendebetrieb (Semcoset-Bezeichnung SLVP). Die beiden Vorstufen werden an einer Gleichspannung von 13,5 Volt betrieben, Treiber und Endstufe hingegen an der recht hohen Spannung von 28 Volt. Die HF-Ausgangsleistung beträgt für FM 15 Watt und für AM und SSB 25 Watt PEP. Laut Herstellerangaben ist der Endtransistor erheblich überdimensioniert, so dass mit Schäden bei schlechtem SWR nicht zu rechnen sei. In der Tat stehen Ausfälle der Endstufen-Baugruppe zumeist damit im Zusammenhang, dass der an der 28-Volt-Versorgung angeschlossene 4,7µF-Tantal-Kondensator einen Schluss aufweist, Beschädigungen des Endstufen-Transistors sind kaum bekannt geworden. Die Erfahrung mit dem defekten Kondensator habe auch ich schon machen dürfen. Sein Tausch ist relativ einfach zu bewerkstelligen. Auch das Wechseln von End- und Treiber-Transistor wäre, sofern erforderlich, ohne größeren Aufwand durchzuführen. Dazu muss allerdings unter anderem das Metallprofil mit dem HF-Relais für die Antenne abgeschraubt werden, welches auf dem Foto die Linearverstärker-Baugruppe zum Teil verdeckt.
Bausätze K.H.Lausen (Semco)
Anfang der 60er Jahre gab es einige Anbieter von Amateurfunk-Bausätzen. Der Absatz dürfte anfangs aber wohl eher bescheiden gewesen sein denn er setzte doch erhebliche Technische Kenntnisse und einen kleinen Messgeräte bestand voraus. Funkamateure die das nicht abschreckte Bauten sich aus dem Angebot ihren 2m Sendeempfänger denn von der Auswahl an Fertiggeräten wie heute konnte man nur Träumen. Aufgrund ihrer kleinen Abmessungen und für damalige Verhältnisse hohen Empfindlichkeit bei sehr geringem Rauschen machten die Mini-Lausen Bausteine der Firma K.H.Lausen sehr beliebt- Nachfolgende Fotos zeigen solch einen Aufbau aus dem Jahr 1966. Er besteht aus dem zu dieser Zeit aktuellen 10m Nachsetzer MB102 und 2m Konverter MB22 im Empfangsteil sowie dem MBS21 Senderbaustein mit NFBM20 Modulator. Versorgt wurde das ganze aus vier Flachbatterien die 18 Volt Betriebsspannung für den Sender ergaben und durch eine weitere Spannungsstabilisierung auf dem Modulatorbaustein der 9Volt für den Empfänger bereitstellte. Die Stromaufnahme war mit wenigen mA für Empfang und 300 mA für Senden sehr gering und ermöglichte ausgedehnte Portabeleinsätze. Betriebsart war zu dieser Zeit AM in Telephonie oder aber CW. Der Empfänger überstrich das gesamte 2m Band und der Sender ist Quarzgesteuert. In diesem Aufbau wurde der Einkanalsender auf 3 Quarzkanäle erweitert. Als dann die Firma Lausen 1966 ihren ersten volltransistorisierten 2m AM Sendeempfänger „Semco“ herausbrachte war auch den Technisch weniger versierten Funkamateuren Betrieb mit kleiner Leistung möglich. Der Verkaufspreis lag bei DM 450 und damit bei dem Monatslohn eines Facharbeiters. Als junger Kfz Mechaniker verdiente ich in etwa diesen Betrag und somit war dieses Gerät zunächst für viele Funkamateure ein Wunschtraum. Portabelbetrieb war plötzlich das ersehnte Ziel und von Exponierten Standorten konnte zum Beispiel aus den Alpen mit 1,5 Watt PEP England gearbeitet werden.
Semco Mini 2-m Sender mit AM Modulator und 3x 2N2218 Bestückung im Sender
FUG-66 Eigenbau Sendeempfänger aus Semco-Bausteinen
Funksprechgerät „Semco“ mit 1,5 Watt PEP von 1966
Minibaugruppen hießen die damals sehr bekannten Semcoset "Mini" Bausteine. Mit ihren äusserst kleinen Abmessungen waren sie für Kleinfunkgeräte bestens geignet. Diese Bausteine erleichterten die Erstellung von Kleinfunkgeräten ausserordentlich, da diese Bausteine in sich selber erprobte und getestete Schaltungsgruppen darstellten. Da viele Amateure nicht Zugang zu den notwendigen Messgerätepark besitzten, stellten diese Bausteine eine wertvolle Alternative dar.
Die legendären Baugruppen von Semcoset
MTTU 2 Mini Tuner
Mini Zf Baustein 5.5 IF Amplifier
Ende 1965 tauchte der Name Semcoset erstmalig in der Firmenbezeichnung auf, die 1966 in Semcoset Lausen & Co. OHG umgewandelt wurde. Im Rahmen der Firmenvergrößerung wechselte der Standort zunächst zur Borsigstr.5 in Hildesheim. 1969 wurden dann Entwicklung und Produktion in einem eigenen Neubau nach Wesseln bei Hildesheim, Über dem Steinbruch 189 verlagert. Hier entstand das SSB-Semco sowie das Semco-Moto und das inzwischen überarbeitete AM-Funksprechgerät Semco, als "Brotdose" bei den Funkamateuren bald ein sehr beliebtes Portabel-Gerät, das auch bei Fuchsjagden und beim BBT seine Klasse über viele Jahre bewies. Es folgte die Weiterentwicklung des SSB-Semco zum Semco-SSB. Das Semco-Roto 1971 war eine preiswerte Variante für den mobilen Betrieb mit AM und FM.1973 kam dann das Semco-Terzo auf den Markt. Mit 25 Watt Sendeleistung in SSB und AM und 15 Watt in FM sowie der für Relaisbetrieb erforderlichen Ablage zunächst von 1,6 MHz, war das zu diesem Zeitpunkt Technisch Machbare erreicht. Die Variante Terzo-Digital war dann das absolute Spitzen-Produkt von Semcoset und wurde zur Legende. Für Portabelbetrieb entstand das Semcoport als würdiger Nachfolger der "Brotdose" und wurde ebenfalls sehr schnell zum Verkaufserfolg, der längere Lieferzeiten hervorrief. Im Bereich der Bausteine waren in der Zwischenzeit die Nachsetzer und Konverter weiterentwickelt und verbessert worden. Sie stellten eine preiswerte Variante für den Funkamateur dar und es gab dazu einige Baubeschreibungen in der Zeitschrift Funkschau. 1977 kamen die letzten Tranceiver von Semcoset auf den Markt. Hierbei handelt es sich um das Semco-Selecto und das Semco-Roto-S. Diese waren im Empfangsteil mit Schottky-Dioden-Ringmischern ausgestattet und boten im Amateurfunkbereich bis dahin unereichte Großsignal-Festigkeit. Mit dem Tod von DJ2KD, der die Firma führte und dessen Spezialgebiet die Panorama-Empfänger wie Semcorama, Spectrolyzer AR, Semco-Spectro MM usw. waren, ging auch die Ära Semcoset zu Ende. Semcoset hatte bis dahin dem zunehmenden Druck der Japanischen Konkurrenz Stand gehalten. Damit endet die deutsche Amateurfunkgeräte-Produktion von Semcoset und somit auch ein großes Stück Amateurfunk-Geschichte.
Hier ein Amateurfunkgerät Mini-Lausen in der Ausführung und Fotos von Axel, DL8TA
Das Gerät besteht aus einem quarzgesteuerten AM-Sender (48MHz-Quarze) mit ca. 250mW Ausgangsleistung.
Kanalgerät für das 2-m-Band, der Empfänger ist ein Doppelsuper. 1. ZF: 5,5MHz, 2. ZF: 455kHz. Der VFO schwingt aus Stabilitätsgründen auf der halben Mischfrequenz, also von 69,25MHz - 70,25MHz. Die Empfindlichkeit des Empfängers ist gut.
Download: Transistorbaugruppen 1968
Download: Semco bausteine 1980/1981
Download: Transistor Baugruppen 1966
Download: Semco-Roto S
Download: Semcoport Betriebshandbuch
Download: 2m Funksprechgerät SEMCO
Neukonstruktion eines SSB/FM-2m-Transceivers aus SEMCO-Bausteinen
© Uli, DK4SX
In den Siebzigern gab es auch in Deutschland eine florierende Amateurfunkindustrie, die hauptsächlich für die neuen C-Lizenzierten hervorragende UKW-Geräte produzierte. Eine davon war die Fa. Lausen/Semcoset. Fast jeder damalige UKW-Amateur besaß mindestens einige Baugruppen oder ein Gerät von dieser Firma. Leider konnte ich mir nie einen kompletten Transceiver leisten, habe aber mit größter Begeisterung an Geräten der OV-Kollegen gearbeitet. Heute ist es geradezu traurig zu sehen, wie diese einstmals hervorragenden Geräte ausgemustert werden und auf den Schrott wandern. Das hat mich dazu bewogen, wenigstens einen dieser Transceiver wieder aufleben zu lassen und, wenn auch in etwas modifizierter Form, wieder zu moderner Funktion zu bringen. Daher habe ich bei ebay zwei zerbastelte 2-m-Transceiver "SEMCO-SSB" günstig ersteigert. Aus deren Bausteinen entwarf ich einen neuen, modernen SSB/FM-Transceiver. Dazu waren einige Änderungen notwendig:
Empfänger:
Um die Intermodulationsfestigkeit zu verbessern wurde zuerst die Verstärkung des 2. Vorverstärkers reduziert. Dann habe ich einen Diodenringmischer eingefügt, den Oszillatorpegel erhöht und die vorhandene FET-Stufe so umgebaut, dass sie als Gate-Stufe den Mischer in der ZF-Ebene reell abschließt. Das SSB-Filter wurde durch ein keramisches Filter mit etwas schmalerer Bandbreite ersetzt.
Zusatzplatine auf Konvertermodul + TFM-3 Diodenmischer
Der auf 12 V umgebaute Sender
Frequenzaufbereitung
Die neue BFO-Baugruppe
Frequenzzähler, von Gabor Gesce
Das "neue" Gerät
Alle Bilder: Uli, DK4SX
Sender:
Um Batteriebetrieb zu erleichtern habe ich eine Radikalkur vorgenommen. Der Sender wurde komplett umbestückt, um mit einem neuen Halbleitersatz mit 12 V versorgt werden zu können. Der neue Sender macht 20 Wpep bei 13 V und 3,5 A max. Stromaufnahme. Die Single-Ended Stufen machen leider trotz vergleichsweise hohen Ruhestroms nur knapp 30 dB IM-Abstand bei max. Ausgangsleistung. Das Oberwellenfilter wurde etwas solider aufgebaut. Es hat max. 0,2 dB Einfügedämpfung.
Der auf 12 V umgebaute Sender. Unterschiede sind kaum auszumachen, bis auf den Spannungsregler links, der die Vorspannungen bei Batteriebetrieb konstant hält. Der Sender ist jetzt mit den Transistoren 2N5108, 2N4427, BLY87 und 2SC2629 bestückt. Natürlich mussten die Impedanztransformationsglieder zwischen den Stufen alle nachoptimiert werden. Das kleine Modul vorne ist ein Leistungs-PIN-Regler zur variablen Einstellung der Ausgangsleistung
Das ist die neue DDS-Baugruppe (im ersten Teststadium). Der DDS-Oszillator "schwingt" ebenfalls von 18,5 MHz bis 20,5 MHz. Der analoge VFO wurde durch eine DDS mit dem Baustein AD 9850 ersetzt. Dieser wird gesteuert durch einen Atmega8-16. Die Nebenwellenfreiheit im 2-MHz-Abstimmbereich ist nur etwa 50 dB, außerhalb wird sie durch einen Bandpass erhöht. Der DDS-VFO wird in drei umschaltbaren Schrittweiten von 10 Hz, 100 Hz und 1 kHz durchgestimmt. Er erhält zusätzlich eine RIT-Funktion. Die DDS erzeugt einige Pfeifstellen, die aber alle unterhalb der Anzeigeschwelle des S-Meters liegen. Etwas später soll der DDS-Baustein durch den moderneren AD 9951 ersetzt werden.
Ursprünglich war im SEMCO-SSB der BFO des Empfängers ein freischwingender Oszillator, der auf die genaue Sendefrequenz "eingepfiffen" werden musste. Das ist keine moderne Lösung. Daher wird der BFO auf 455 kHz jetzt durch Teilung von Quarzfrequenzen erzeugt. Diese werden mit dem 2. LO des Empfängers von 9,455 MHz auf 9-MHz-Tx-Träger gemischt. Für die notwendige Nebenwellenfreiheit auf 9 MHz sorgt ein 4pol. Quarzfilter. So ist absolut genauer Transceivebetrieb gewährleistet.
Das ist die neue BFO-Baugruppe. Der BFO ist mit drei Quarzen (links oben) im 7 MHz-Bereich bestückt, deren Frequenzen durch den Teiler (rechts oben) durch 16 geteilt werden. So ergeben sich die BFO Frequenzen 455 kHz und 455 kHz +/- 1,5 kHz für LSB und USB. Links unten ist der Oszillator mit der Frequenz 9,455 MHz angeordnet. Er liefert das 2. LO-Signal für den Empfänger. Der vorhandene Oszillator auf der ZF-Karte des Semco wird nun als Buffer verwendet. Im Mischer (unten, Mitte) werden 9,455 MHz mit 455 kHz gemischt. Das ergibt 9 MHz +/- 1,5 kHz für den Sender-Träger. Um die Nebenwellen zu unterdrücken, durchläuft dieses Signal ein 4-poliges Quarzfilter (unten rechts), das einen Nebenwellenabstand von > 60 dB garantiert. So sind alle Rx/Tx-Frequenzen immer transceive. Der neue DDS-VFO lässt sich, im Gegensatz zum alten Analog-VFO, nicht FM-modulieren, daher muss der Oberton-Aufmischoszillator moduliert werden. Im alten SEMCO-SSB war nur ein Aufmischoszillator vorgesehen. Für die Relais-Ablage musste ein zweiter installiert werden. Beide Oszillatoren sind auf einer weiteren kleinen Zusatzplatine realisiert. Erste Versuche haben gezeigt, dass sich Oszillatoren im 3. Oberton nicht so weit ziehen lassen, dass sich nach Verdopplung ein hinreichender Hub erzielen lässt. Deshalb kommen hier nun Grundwellenquarze auf der halben Frequenz und je eine zusätzliche Verdopplerstufe zum Einsatz. Die Quarze wurden von Andy Fleischer geliefert.
Der auf der Konverterplatine befindliche Obertonoszillator bei 58 MHz wird nun durch den rechts abgebildeten Grundwellenquarz-Oszillator ersetzt. Dieser schwingt auf 29 MHz. Er lässt sich leicht mit dem aus dem Kompressor stammenden NF-Pegel modulieren. Anschließend wird sein Ausgangssignal verdoppelt und dem ebenfalls als Verdoppler geschalteten Originaloszillator zugeführt. Der zweite Oszillator dient der Relaisablage. Links sieht man die neue Netzteilplatine mit dem Netzfilter, dem "dicken" Siebelko und der S/E-Umschaltung mit zeitversetzter Sequentierung anstelle des ursprünglichen Umschaltrelais.
Die Frequenzanzeige besteht aus einem separaten Zähler, der das aufwärts gemischte LO-Signal, korrigiert um die ZF-Lage, anzeigt. Der Frequenzzähler stammt von Gabor Gesce, der professionell gebaute, preiswerte Frequenzzähler und Module bis 12 GHz auf den Amateurfunkmessen anbietet. Dieses Modul zählt die LO-Frequenz und addiert die ZF von 9 MHz. Die Frequenzanzeige wird bis zur 100 Hz-Stelle aufgelöst.
Mechanik:
Da sich die Bedienung ändert, ändern sich auch die Bedienelemente und damit die Mechanik. Es war beabsichtigt, ein Gehäuse im Stil des neuen TR-7 aufzubauen. Ohne 12 V/28 V-Wandler wird natürlich auch das Netzteil stark vereinfacht. Alle Versorgungsspannungen werden jetzt mit Festspannungsreglern entsprechender Belastbarkeit erzeugt.
Neukonstruktion des SSB/FM-2m-Transceivers aus SEMCO-Bausteinen:
Es gibt nur noch einen Umschalter für FM und SSB und einen Schalter für die Relaisablage. Hinzugekommen ist ein Einsteller für die Sendeausgangsleistung, die Taster für die Abstimmschrittweite, die RIT und den Rufton. Die Frequenz wird nun auf 100 Hz genau angezeigt. Allerdings wird die Seitenbandablage nicht berücksichtigt, sodass man in USB 1,5 kHz addieren und bei LSB abziehen muss. Leider ließ sich eine ZF-Ablage in Abhängigkeit von der Betriebsart nicht programmieren. Der Sprachkompressor wurde etwas "entschärft" und bleibt dafür permanent eingeschaltet. Durch die dreistöckige Bauweise ist das Gerät nun etwas höher - mit Platz für die Digitalanzeige und einen Frontlausprecher - dafür ist es aber etwas schmaler geworden
Die Oberseite des Chassis zeigt den Sender (rechts), den Mischer (links daneben) und die SSB-Aufbereitung. Auch der Sendermischer wurde auf 12 V umgerüstet. Die SSB-Aufbereitung erhält die quarzgesteuerten Träger aus der BFO-Baugruppe. Links sind der gekapselte Frequenzzähler, daneben der Dynamikkompressor und der Ruftongenerator auf dem Zwischenchassis zu erkennen. Unter dem Tongenerator sitzt der Modulationsschalter, der die NF vom Modulator in der Betriebsart SSB abtrennt.
Unter dem Subchassis sind der BFO und das DDS-Modul montiert. Ganz im Vordergrund steht das ebenfalls gekapselte Oberwellenfilter neben dem Sende-/Empfangs-Relais. Unter dem Chassis ist der Empfänger angeordnet mit dem Frontend (halb rechts) und dem ZF-VErstärker (links daneben). Ganz rechts ist das Netzteil mit dem Ringkerntrafo, oben der Modulator/Mischoszillator (Mitte) und (links oben) der NF-Verstärker auf dem FM-Demodulator.
Das "neue" Gerät hat nach dem Umbau eine etwas reduzierte Empfindlichkeit von 0,16 uV in SSB (10 dB S+N/N) und 0,8 uV in FM (20 dB S+N/N), Ausgangsleistung beträgt in FM und SSB (PEP) 2 W ...20 W (einstellbar).
Karl Braun Funktechnische Geräte, Nürnberg

© Christian, OE3CWJ
Zwischen 1969 und Anfang der 1980-er Jahre fertigte Karl Braun, DJ3DT mit seiner Firma Karl Braun Funktechnische Geräte, Deichslerstr. 13, D-8500 Nürnberg nicht nur stilistisch herausragende, sondern auch technisch und qualitative hochwertige Amateurfunkgeräte und später auch einzelne Komponenten. Seine minimalistischen und zeitlosen Designs, natürlich alles made in Germany erkoren diesen außergewöhnlichen Hersteller zu einer Art „Amateurfunk Manufaktur“. Karl Braun und sein Entwickler Joern Mening, DK1FE produzierten ab 1969 den SE600 , der ab 1972 auch in einer moderneren Variante als SE 600 dig. angeboten wurde. Die Anforderungen an den SE 600 waren für diese Zeit hoch gesteckt, das Gerät sollte für damalige Verhältnisse alles können und bis auf die Endstufe (QQE 03/12, >10W out) volltransistorisiert sein. Mit zwei unabhängigen VFOs, somit getrennt für Sender und Empfänger war bereits Betrieb in AM, CW, FM und SSB möglich – der Empfänger hatte für jede Betriebsart ein eigenes Quarzfilter der Firma KVG. So viel Handwerk und Innovation war natürlich nicht ganz billig, die ersten Geräte kosteten damals stattliche 3.500 DM, das 1972-er Modell mit digitaler Frequenzanzeige (Nixieröhren, Frequenzzähler auf 1 kHz genau) sogar über 4.500 DM. Dafür ließ sich diese Station mittels eingebauten Wandlers von der Autobatterie aus auch auf 350 Volt betreiben.
Ab 1972 wurden auch Amateurfunk-Geräte für den Mobilbetrieb verkauft, wie der SE 280 und sein fast identischer Nachfolger SE 285 (1973) mit fünf Speicherplätzen. Auch hier war man mit ca. 1.750 DM wieder im preislichen Premium Segment angesiedelt. Hier finden Sie weitere Infos zu Geräten der Fa. Braun: DF3IQ website
Mit der Freigabe des CB-Funk für die Allgemeinheit (1975) - zunächst begrenzt auf die Kanälen 4-15 AM mit einer max. Sendeleistung von 0,5 W für feste und mobile Geräte - erhoffte sich auch Braun von diesem schnell wachsenden Segment mittels der gewohnten Qualitätsstrategie zu partizipieren: 1977 präsentierte Karl Braun die "legendäre" CB-Heimstation SE 411, mit einer gerade im CB Segment außergewöhnlichen Konzeption: Mit 4-Dioden-Ringmischer, steilflankigem 15-poligem keramisches ZF-Filtereinem "geeichten" S-Meter war man an der Spitze fast alleine. Auch das 1978 erschienen CB-Mobilfunkgerät SE 211 folgte dieser Philosophie. Es wundert nicht, dass die Verkaufspreise auch dieser Geräte wie bei Braun üblich über dem Mitbewerb lagen, so musste man für das SE 411 ca. 1.400 DM , für das SE 211 immerhin 800 DM bezahlen. So ist es auch nicht verwunderlich, dass die Verkaufszahlen der Braun-CB-Funkgeräte doch hinter den Erwartungen des Herstellers zurücklagen und keine weiteren Modelle mehr folgten.
Heute sind Braun-Funkgeräte rare Sammlerstücke geworden, die auch jetzt noch von außerordentlichen Qualitätsstandards zeugen.
Karl ("Charly") Braun DJ3DT ist 2010 im Alter von 77 Jahren verstorben, sein kongenialer Partner Joern Mening, DK1FE ("Vater des Relaisfunks in DL") bereits 2007 im Alter von 59 Jahren.
Die PDFs von historischen Handbüchern der Firma Karl Braun lassen die hohen Qualitätsstandards dieses Herstellers erkennen:
Download: SE 401 bzw. SE402 Manual
Download: SE 600 digital
Download: SE400 digital
Download: Transverter LT 702
Heathkit: Bausätze für den Amateurfunk

© Christian, OE3CWJ
Der Anfang des zwanzigsten Jahrhunderts von Edward Heath gegründete Flugzeughersteller konzentrierte sich nach dem tragischem Tod des Eigentümers auf ein völlig neues Geschäftsfeld. Der ambitionierte Ingenieur Howard Anthony kaufte 1935 die Firma und begann nach dem Krieg einen schwungvollen Handel mit Surplus Elektronikteilen aus früheren Armeebeständen. Ein über den Versandweg angebotenes Oszilloskop um $39.50 begründete eine einzigartige Erfolgsgeschichte für Selbstbauer.

Heathkit HW17 2m AM Transceiver
Download: Heathkit HW17 by Colin Guy G4DDI
Anthony´s Vorstellung war, dass jeder Interessierte – ungeachtet bereits vorhandener technischer Kenntnisse und Fertigkeiten elektronische Bausätze zusammenbauen könne, sofern ein detailliertes Handbuch zur Verfügung stünde. Der Schlüssel zum Erfolg bestand also in einer Baubeschreibung, die einfache und nicht-fachspezifische Information vermitteln konnte. Mit großen Explosionszeichnungen und einer schrittweisen Bauanleitung sollte jedermann bis zu 50% gegenüber einem vergleichbaren Fertiggerät ersparen können. Wie schon Heath starb Anthony 1954 viel zu früh bei einem tragischen Flugzeugunglück. Der Grundstein zum Erfolg der bis zu 300 verschiedenen Heathkit Bausätze war jedoch gelegt.
Heathkit HW30 "Twoer", auch als 6m und 10m Ausführung erhältlich
Heathkit produzierte schon in den 1960-er Jahren mehrere Bausätze von 2m Transceivern, wie den hier abgebildeten Heathkit HW17. Dieses Modell entsprach wie üblich den damals höchsten Standards und war ein beliebter Einsteg um auf 2m in AM QRV zu werden. Auf zwei Printplatten aufgebaut, getrennt für Sender und den durchstimmbaren Empfänger musste der interessierte Funkamateur lediglich minutiös den detaillierten Aufbauhinweisen des Handbuches folgen, alle Bauteile richtig in die markierten Stellen einlöten und abschließend alle selbst zusammengelöteten Module in das mitgelieferte, sehr kommerziell anmutende Gehäuse einzubauen.
Der Sender war quarzgesteuert und konnte mit bis zu vier Quarzen bestückt werden (ein Quarz wurde mitgeliefert), auch ein VFO wurde angeboten. Von einem 8 MHz Quarz ausgehend wurde mit nur drei hierzulande recht exotischen US-Röhren vervielfacht und auf 10 Watt verstärkt. Der Modulator ist bereits mit Transistoren aufgebaut und diente zugleich als NF Verstärker. Der Empfänger ist volltransistoriert aufgebaut und basiert auf einem vorgefertigten Front End, bestückt mit zwei FETs (!) für Verstärker und Mischer. Die Sende- Empfangsumschaltung erfolgte ohne Relais mittels einem zweipoligen Umschalter im Handmikrofon, welcher jeweils den nicht benötigten Zweig erdete. Ein erstaunlich einfaches und effizientes System, lediglich bei schlecht gedrückter PTT erzeugte es schreckliche Rückkopplungsgeräusche.
Heathkit "lunchbox" Advertising
Heathkit HW-30 The Twoer Ham Lunchbox
Download: A guide to the Heathkit Amateur Radio products
Mehr Information über die Firma Heathkit gibt es im Heathkit Virtual Museum
Geloso: Zusammenfassung der Geloso Firmengeschicht
© Tony I0JX

John Geloso wurde als Kind italienischer Auswanderer in Argentinien geboren und absolvierte wieder zurück in Italien eine Ausbildung zum Seemann. Sein außerordentliches Interesse an der Elektromechanik führte schon bald zur Einreichung einiger Patente und veranlasste ihn in der Folge 1920 in die USA zu ziehen, um an der New Yorker Copper Square University zu studieren.
Gleich nach seinem Studium wurde er Chefingenieur bei Pilot Electric Manufacturing, wo er viele erfolgreiche Entwicklungen im Hochfrequenzbereich verzeichnen konnte. Seine eigene Firma Geloso wurde 1931 in Mailand, Viale Brenta 29 gegründet. Hier stellte er neben Radios, TV-Geräten, Tonbandgeräten, NF-Verstärkern und sonstigen Audio Anwendungen auch die bekannten Amateurfunkgeräte und Komponenten her. Nach dem zweiten Weltkrieg wurde die Produktion umfassend erweitert und ließ Geloso zu einerm der bekanntesten italienischen Hersteller von Konsumelektronik wurden. John Geloso war nicht nur als guter Gechäftsmann bekannt, vielmehr versuchte er seine Leidenschaft für Elektronik mit anderen zu teilen. Aus diesem Grund veröffentlichte Geloso ab dem Jahr 1932 regelmäßig das "Technical Bulletin GELOSO-Bollettino", eine kostenlose Druckschrift die nicht nur vieles enthielt, was mit Entwicklung und Reparatur seiner Produkte in Zusammenhang stand, sondern den Interessierten auch umfassende technische Informationen, Schaltbilder und Tricks vermitteln konnte. Diese leicht verständlich aufbereitete Information war zu einer Zeit als es noch kaum reguläre Ausbildungszentren für Elekronik gab ein außerordentlich wichtiger Schritt. Hier finden Sie eine vollständige Übersicht aller Bulletins: [3]
Für den Funkamateur von Bedeutung waren die zahlreichen, von Geloso angeboten Bausätze sowie bereits abgeglichenen Fertigmodule. Je nach Fertigkeiten des OMs konnte man seine Geloso Geräte quasi von null aus, basierend auf den mitgelieferten Metallrahmen, mittels der Vielzahl bei Geloso selbst hergestellten Bauteile wie Kondensatoren (!), Skalen, Knöpfe usw. aufzubauen oder einfach die gewünschten Fertigkomponenten in den ebenfalls angebotenen Gehäusen zu verdrahten.
Ab den frühen 1960-ern vertrieb Geloso eine Linie von VHF-Nuvistor Konvertern, speziell für alle damals in den USA verfügbaren VHF Bänder: Neben dem G.4/161 (144-148 MHz) gab es Mod. G. 4/160 (50-54 MHz) und Mod G. 4/162(220-224 MHz). Der Nuvistor ist eine miniaturisierte Sonderbauform einer Elektronenröhre. Aus heutiger Sicht nicht mehr besonders spektakulär ist es umso erwähnenswerter, dass das "Bollettino Tecnico Geloso" schon seit den 1950-ern zweisprachig in Italienisch und Englisch verfasst wurde - vor allem um auch im interessanten US-Markt Fuss fassen zu können.
1963 wurden mehrere VHF Nuvistor-Konverter entwickelt, hier die 2m Ausführung G.4/161 zusammen mit der Stromversorgung G.4/159 und Schaltbild des Geloso G4/161 UKW-Konverter 144 a Nuvistor mit Netzteil. Schaltbild des Geloso Steuersenders/VFO N.4/103, dieser Steuersender wurde entwickelt, um zwei speziellen Anforderungen zu entsprechen: Stabiler Quarzoszillator und ein VFO. Der VFO schwingt um 18MHz und wird auf 144 vervielfacht, um im gesamten Band rufen zu können. Der 12MHz Quarzoszillator dient dann dem "stabilen" QSO.
VHF Nuvistor-Konverter
Geloso G4/161 UKW-Konverter
Geloso Steuersenders/VFO N.4/103
Die Schaltung des G4/163 -Modells für UHF unterscheidet sich nicht wesentlich vom Vorgängermodell, aber aufgrund der höheren Frequenzen wurden alle Lösungen übernommen, um das Rauschen auf akzeptable Werte zu reduzieren. Aus dem Diagramm ist ersichtlich, dass in der Eingangsschaltung ein spezieller Germaniumtransistor (TR1) verwendet wurde, der ausgewählt wurde, um eine hohe Verstärkung bei minimalem Rauschen zu erzielen. Das Akronym im Diagramm ist unbekannt, aber man weiß mit Sicherheit, dass es speziell von Philips ausgewählt wurde und zur Familie der Germaniumtransistoren der AF 139-Serie gehörte, die normalerweise in den ersten Transistor-UHF-Fernsehgeräten verwendet wurden.
Schaltbild Concerter G4/163
Innenansicht des 144 MHz G4/161
Modell G4/160 für das 6m Band
Mit der gleichen Leistung und ähnlichen Eigenschaften wie die VHF-Konverter, jedoch mit einer anderen Frequenz, entstand das Modell G4/160 für das 6m Band, das Modell G4 /162 mit den gleichen Eigenschaften wie die VHF-Konverter für das DA-Band 220 bis 224 MHz
Langjähriger Österreich-Importeur für Geloso war die Fa. Dr. Wilhelm Heimisch, Kirchengasse 19, Wien.
Mehr Information über die Firma Geloso gibt es bei I0JX
Minitix, Fa. Radio Bitter, Dortmund, DL1ZH
© Gerhard, VE6AQO & Leo, DL9BBR
![]()
In den sechziger Jahren hatte die Firma Radio-Bitter, Dortmund, Brückstraße 33 den Alleinvertrieb von MINITIX Bausteinen und fertigen Geräten für das 2-m Band. Dazu passend waren Modulatorbaustein MV10 und VFO-Baustein MG12.
Minitix UKS3 (Radio-BMinitix UKS3
Handbuch Steuersender UKS 15 K, Handbuch
Schaltbild MV1
Minitix UKS3 (Radio-BMinitix UKS3 (Radio-Bitter) Abmessungen: 240 x 125 x 225 mm
Quarzgesteuerter CW/AM Sender für das 2m Amateurband.
20 Watt input, A/G2 Mod, Bandfilterkopplung in allen Stufen, vier Si-Dioden im Netzteil.
MINIX: Fa. Richter & Co.
© Gerhard, VE6AQO & Leo, DL9BBR
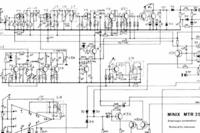
Minix MTR25 Hybrid Transceiver
2m Sendeumsetzer und VFO
Ende der sechziger Jahre kam die Firma Richter & Co. in Hannover mit dem Minix MTR25 Hybrid 2-m AM Transceiver heraus. Minix ist eine Marke dieses Großhändlers, welcher später auch die Geräte von YAESU-MUSEN (Japan) mit dem Markennamen "Sommerkamp" vertreten hat, als der vorige Inhaber Wolfgang Sommerkamp (DJ2YJ) den Vertrieb in Deutschland aufgab. Später wurde die Firma Richter von Hans Kolbe, der Firma Stabo in Hildesheim übernommen.
Der Empfänger des MTR25 war volltransistorisiert. Der VFO gesteuerte Sender war teiltransistoriert mit einer QQE03-12 in der Gegentaktendstufe. Der AM Modulator war mit der ECLL800 bestückt. Das Gerät war mit einem Universalnetzteil ausgerüstet so dass man es mit 220V oder 12V vom Bordnetz betreiben konnte. Nach kurzer Zeit kam das Modell MTR-25 S heraus. Der Hauptunterschied bestand darin, dass die neuen Betriebsarten FM und CW damit möglich waren.
Download: Minix MTR25_Unterlagen
Download: RTTY Converter MSK-10B
Werbung MTR 25 DL-QTC 7/68
Werbung MTR 25 DL-QTC 7/68
Handbuch- Seiten
MTR25 Rückansicht a
MTR25 Rückansicht b
RX_MTR_25_S_MOD
DL9BBR berichtete dazu: "Es hatte ein sehr gefälliges Aussehen und die Leistungsdaten waren sehr vielversprechend für damalige Verhältnisse. Allerdings war der Preis doch recht hoch für den Funkamateur. In der Werbung las man aber, dass sich dieses Gerät auch in Eigenaufbau durch Erwerb der Fertigmodule aufbauen lies. Ich selbst habe dieses Gerät kürzlich von meinem Freund Martin DK9QT bekommen. Er hatte es als verbastelte Ruine bei E-Bay erworben und hatte keine Zeit und Lust es wieder zu restaurieren. Da ich kurz zuvor den MTR 25 S von DK1IE erworben hatte, konnte es mir als Ersatzteilträger dienen. Es war mir aber dann zu schade dafür und so entschloss ich mich doch es zu restaurieren. Als erstes fiel mir der Empfangs-Baustein auf. Er sah aus, als stammte er aus der Semcoset- Produktion. Platine, Bauteile und Verarbeitung waren genau Semco- Machart. Meine Nachforschungen im Internet waren dazu nicht sehr erfolgreich und ein Gespräch mit Reinhard Lausen brachte auch kein Licht in das Dunkel. Bei meinen Recherchen in den alten DL-QTC´s wurde ich aber fündig. In der Oktober-Ausgabe von 1968 gab es einen Bericht über das neue Gerät von DL1FK. Hier stand zu lesen „Der Empfängerteil ist ausgezeichnet, und die Empfindlichkeit entspricht der des Semco-RX“. Sollte der Empfangs-Baustein also doch von Semco stammen? Ich denke, dass es so war, denn die zuvor geschilderten Fertigungs- merkmale lassen diesen Schluss zu. Anfangs gab es auch Geschäftsbeziehungen zwischen beiden Firmen. Richter und Weiland hatten damals einen Semco Katalog I / 67 mit ihrem Firmenaufdruck und vertrieben die damaligen Bausteine. Der Abgleich des Empfängers war eigentlich problemlos. Der Sender aber brachte überhaupt keine Leistung und auch ein Neuabgleich sowie der Endröhrentausch brachte nichts. Grund war letztlich eine fehlende Steuerleistung aus dem Super VFO. Hier hatte ein Vorbesitzer wohl alle Schrauben festziehen wollen. Nach einem Neuabgleich stellte sich dann auch die fehlende Leistung ein. Ein im Anschluss getätigtes QSO in der Betriebsart AM mit meinem Freund Heinrich DL5BBR lies altes 70er Feeling aufkommen. Die neu aufkommende Betriebsart FM sorgte dafür, dass der MTR 25 überarbeitet wurde. Zu der vorhandenen Betriebsart AM gesellte sich jetzt noch AM und CW. Empfangsmässig war auch SSB möglich, da der neue Empfänger-Baustein jetzt auch über einen BFO verfügte. Beim Vorgänger war dieses nicht der Fall, aber man konnte durch Überlagern der Spot- Einrichtung SSB Signale etwas umständlich und mit viel Fingerspitzengefühl demodulieren. Der Neue bekam die Bezeichnung MTR 25 S und wurde erstmalig im DL-QTC Heft 3/1970 beworben. Es war jetzt aber nicht mehr möglich einzelne Bausteine zu erwerben, der MTR 25 S war nur noch als betriebsfertiges Gerät erhältlich. Das Gerät war in der bekannten soliden Bauweise gefertigt worden, eben Made in Germany. Auf der Rückseite waren ein CW-Tastenanschluss und eine weitere Buchse dazugekommen. Das in meinem Besitz befindliche Gerät ist aus dem Produktions- Jahr 1970 und weist noch den Originalzustand auf. Die Sende- und Empfangsleistungen können sich auch heute noch sehen lassen. Wie viel Geräte davon gebaut wurden, ist sehr schwer zu sagen, mein Gerät weist die Serien Nr. 526 auf. Der Vorgänger hat die Nr. 403. Es steht zu vermuten, dass hier fortlaufend nummeriert wurde, denn sonst wären schon 1970 mindestens 526 Geräte gebaut worden, was sehr unwahrscheinlich auf Grund der doch sehr hohen Anschaffungskosten war"
Selbstbaugeräte der 1960-er Jahre
Hier findet man Bilder von selbstgebauten UKW Amateurfunkgeräten die u.a. in alten rpb Büchern und der Funkschau beschrieben sind. Diese Geräte sind interessante Beispiele typischer Selbstbaugeräte der 60er Jahre. Alle Bilder stammen von Gerhard, VE6AQO & Leo, DL9BBR
DJ5MM 2m-AM-Portable
Transistorstation von DJ5MM
Unterbringung der Batterien unter dem Chassis DJ5MM
DJ5MM Verbessertes Gerät
DL1RQ Baumuster 1960
DL1RQ Baumuster 1960
2m Station von DL9AL mit Zf-Baustein
Kleine Transistorstation von DL9AL
2m Station von DL9AL , Tunerteil
Innenansicht mit Zf-Baustein
Frontansicht Transistoirstation von DL9AL
Ansicht Station DL9IW
Batterieanordnung bei DL9IW
DL6MH Sepp Reithofer
© Gerhard, VE6AQO
Auf dieser Seite sind Bilder von DL6MH Selbstbau Portable Geräten die in seinen Büchern
"Transistor Amateurfunkgeräte für das 2-m-Band", Band 109/110 der radio Praktiker bücherei vom Franzis Verlag stammen.
Ingenieur Sepp (Josef) Reithofer war mit seinem Rufzeichen DL6MH auf dem Gebiete der VHF-UHF und SHF Amateurfunktechnik im In- und Ausland weithin bekannt. Als “Vater” des BBT (Bayrischer Bergtag) hat er sich in ganz Europa einen Namen gemacht und hat den technischen Fortschritt der portablen 2m und 70cm Klein-Geräte beträchtlich vorwärtsgetrieben. Er hat vielen Erstverbindungen gemacht. Er verstarb am 26. Oktober 1985 im Alter von 77 Jahren in seiner Heimatstadt Straubing.
Die Geräte die hier vorgestellt sind, repräsentieren den Stand der Amateurtechnik um 1961 bis 1967. Am Anfang der 60er Jahre wurden von DL6MH große Anstrengungen gemacht die Röhren aus den Portable Geräten zu verdrängen, sobald neue, geignete Transistoren erschwinglich wurden. Damals war die Auswahl von geeigneten Transistoren noch sehr spärlich und verursachten der oft knappen Amateurkasse große Ausgaben. Jedes mW an UKW-HF mußte man sich mühsam erkämpfen. Transistoren wie OC171, AF118 und ähnliche Typen wurden gequält um die letzten paar mW rauszukitzeln. Oft war man damals auf Fünf oder Zehn mW HF sogar recht stolz.
Als Vater des BBT (Bayrischer Bergtag) hat DL6MH den technischen Fortschritt der portablen 2-m Geräte beträchtlich vorwärtsgetrieben. Innerhalb von nur ein paar Jahren wurden die Röhren fast vollkommen verdrängt. Es wurde sogleich erkannt, dass beim BBT mehr das Können und die Lage der Station den Erfolg beim BBT bestimmte. Mit nur 50 bis 200 mW HF wurden vielfach hunderte KM an Reichweiten erzielt. Jedes Jahr stieg die Anteilnahme am BBT. Viele Hams aus den Nachbarländern in OE, I, OK, DM, u.a. nahmen am BBT teil, welcher ungeahnte Beliebtheit erreichte.
Nach Möglichkeit wurden im Empfängerteil vielfach UKW-Rundfunk Baugruppen verschiedener Hersteller (Görler) in diesen Geräten nach kleinerem Umbau verwendet. Die folgenden Bilder illustrieren die Kombination von Industrie und Selbstbauschaltungen.
Obwohl die damalige Gerätetechnik uns heute im Zeitalter von Computergesteuerten Funkgeräten mit allen Schikanen fast primitiv anmutet, sollte man sich immer vor Augen halten, daß diese Geräte ein Wegbereiter der modernen Technik darstellten. Es ist bestimmt möglich daß die OMs damals bestimmt genau so viel Spaß am Ausprobieren und Verwendung der meistens selbstgebauten Geräte hatten, wie heutzutage wir mit den modernen Wundern der Herstellertechnik.
Es muß leider auch gesagt werden daß immer weniger Hams ihre Funkgeräte in ihrer Funktionweise im Detail kennen. Das ist einerseits durch die außerordentliche Miniaturisierung der Bauweise mit SMD Bauteilen zu erklären, als auch daß die meisten Gerätefunktionen indirekt durch fest eingebaute Microcomputer gesteuert werden, deren Funktionsablauf und der Quellcode dem Gebraucher sowieso nicht zugänglich sind. Vorbei ist die Zeit wo ein Bedienungselement direkt das Gerät beinflußte. Die Miniaturisierung ist der Fachmännischen Reparatur immer weniger zugänglich und verurteilt viele neue Geräte zum Wegwerflos. Vielfach ist Reparatur nur durch teuren Modulaustausch möglich. Schon lange her sind die Tage wo der Ham sein Schaltbild und Gerät studieren konnte und imstande war sich früh mit der ganzen Funktionsweise vertraut zu machen und die meisten Fehler selber beheben zu können. Man sieht hier übrigens auch eine gewisse Parallele zur Automobilreparatur. Es ist leider auch nicht zu verleugnen, daß viele der modernen Computergesteuerten Geräten ein Übermaß an "Features" haben. Die meistens Features werden jedoch außer den wichtigen Grundfunktionen sowieso selten gebraucht, setzen leider jedoch für eine vernünftige Bedienung des Gerätes die Mitnahme der "Quick Reference" oder des Benutzerhandbuchs voraus, da man sich oft nach kurzer Zeit des Nichtgebrauchs an die vielen Menus und Tasten Sequenzen nicht mehr auskennt. In der Hinsicht waren früher die nicht Computergesteuerten Geräte viel einfacher in der Bedienung.
Es ist auch interessant daß viele der neuen Funksprechgeräte heutzutage durch den äußerst breiten Empfangsbereich dieser Geräte sehr oft fürchterlich an Störungen anderer Funkdienste leiden. Es ist wirklich ironisch daß die Geräte oft die Größe einer Zigarettenschachtel haben, daß aber das Filter daß man dazu braucht um die Störungen abzuhalten, oft die Größe einer Schuhschachtel erreicht. Diese Störanfälligkeit ist einerseits durch den breiten Empfangsbereich zu erklären, andrerseits durch die HF Niederspannungsschaltungstechnik mit Bipolaren Transistoren, die den Gebrauch Kreuzmodulations- und Intermodulationasärmerer FETS verbietet und nicht zuletzt durch die übermäßige Anwendung von Dioden in den kritischen HF-Wegen.
Es ist hier weniger beabsichtigt die moderne Gerätetechnik und Trends schlecht zu machen, als den Kontrast zwischen der damaligen Gerätetechnik und der Heutigen Generation von Geräten herauszustellen.
Eines der Bücher von Sepp Reithofer DL6MH "Amateurfunkgeräte für das 10-GHz-Band" brachte viele Funkamazeure habe ich mit dem Bau von 10 GHz Baugruppen auf Gunplexer-/Hohlleiterbasis in Kontakt, die Dank der Firma UKW-Technik in Baiersdorf, welche die Beschaffung von WG-16 Hohlleiter-Material auch in kleinen Längen ermöglichte zum Bau vieler Gunplexer,Eintakt-, Gegentakt- und Durchblasemischer ermunterte. In den Oszillatoren wurden Gunn-Dioden der Firmen Valvo oder Microwave-Associates mit Mischerdioden vom Typ 1N23 oder 1N415 eingesetzt, die meist nur auf Flohmärkten erstanden werden konnten.
Einige der meist nur mehr im Antiquariat erhätlichen Bücher von DL6MH:
Transistor-Amateurfunkgeräte für das 2m - Band RPB 109
Amateurfunkgeräte für das 70 cm Band, RADIO-PRAKTIKER-BÜCHEREI (RPB) Nr.174
UHF-Amateurfunk-Antennen. Theorie, Dimensionierung und praktischer Nachbau für das 70, 23 und 13 cm-Amateurfunkband
Franzis Taschenbücher (RPB Electronic-TB), Das große Sender-Baubuch und Empfänger-Baubuch
Kleine Station von DL6MH
Quarzfilter und Sendeteil
Vorderansicht Transistorstation
Transistorstation mit 70cm Zusatzgerät
DL6MH beim BBT
Erstes DL6MH BBT Gerät 1955
DL6MH 2m-VXO Sender
DL6MH 2m-VXO Schaltbild
2m-VXO Sender Bestückungsplan
UKW-Berichte

Kausal mit dem Selbstbau auf VHF/UHF verbunden ist natürlich die Zeitschrift "UKW Berichte, Zeitschrift für den VHF - UHF - Amateur". Ursprünglich als UKW-Nachrichten im Jahr 1961 vom Österreichischen Versuchssender-Verband (ÖVSV) gegründet und herausgegeben, erschienen im Laufe des Jahres 4 Hefte.
Unter dem neuen Titel "UKW-Berichte" wurde dieses einzigartige Kompendium ab 1962 als 2.Jahrgang mit ebenfalls 4 Heften fortgeführt.
Herausgeber war anfangs weiterhin der ÖVSV mit dem Schriftleiter Alois Pendl (OE6AP) in Graz.
Später und bis Ende 1968 war die Redaktion zu gleichen Teilen in den Händen von Alois Pendl und Hans J. Dohlus (DJ3QC) in Erlangen. Druck und Verlag erfolgten bereits in Nürnberg bzw. Erlangen.
Ab 1969 nennt das Impressum Hans J. Dohlus als alleinigen Herausgeber, Eigentümer und Redakteur der Zeitschrift. Das Logo wurde modernisiert und die ÖVSV-Raute entfiel. Als weitere Redakteure kamen Robert E. Lentz (DL3WR) und Terry Bittan (G3JVQ/DJ0BQ) hinzu, der die englischsprachige Ausgabe VHF Communications betreute.
Mit dem Ausscheiden von Hans J. Dohlus 1989 bekam Robert E. Lentz als Chefredakteur Unterstützung durch Eberhard Smolka (DB7UP). Im Jahr 1992 schied auch DL3WR aus dem Team aus. Als Chefredakteur wirkte nun Eberhard Smolka, der schließlich 1993 auch den Verlag der UKW-Berichte übernahm. Neben dem Verlag wird unter gleichem Namen weiterhin ein bekannter Fachversand für Funkzubehör betrieben, nunmehr vom neuen Firmensitz in 91330 Eggolsheim. Download: UKW Berichte Heft 1/1962
Verschiedene Selbstbaugeräte
2m AM/FM Sender/Empfänger mit QQE03/12 und EL34 im Modulator, OE7IW
Rückansicht des OE7IW Gerätes, Nuvistor 2m Tuner in den 50-60er Jahren
2m AM Rundspruchsender des OEVSV Wien aus den 50er und 60er Jahren
2m 80 Watt Sender mit 829B in der PA
2m AM Endstufe
Gegentaktoszillator gesteuerter 2-m-AM TX
2m Wallmann Konverter
Wallmann Kaskoden Konverter
2m AM UKW TX mit QQE03/12 in der PA, VE6AQO
Hanschke-Elektronik (Hael)
© Gerhard, VE6AQO
Werner Hanschke, lizensierter Funkamateur aus Schnaitenbach fertigte im Keller seines Hauses Amateurfunkgeräte, Baugruppen und Bausätze. Da er Alleininhaber der Firma war, erlosch die Firma nach seinem Tod.
Viele publizierte Anwendungs Beispiele dieser Baugruppen konnte man in Bänden der RPB Bücherei in Selbstbauprojekten von Josef Reithofer, DL6MH finden, z.B. Transistor Amateurfunkgeräte für das 2-m-Band, RPB-109 von 1992.
FME 201 2-m Empfänger
FME 201 Zf-Teil
Amateurfunkbausteine der 1970-er Jahre
Hersteller wie die italienische Firma STE, Hael, CTR u.v.a. stellten in den 70er Jahren eine Reihe von interessanten Amateurfunkbausteinen her. Einige Anzeigen in früheren Amateurfunkzeitschriften erlauben einen kleinen Überblick über das damalige Fertigungsprogramm dieser Firmen.
Miniatursender KM2/5
2-m Converter DGTC22
2-m Sender FA144
2-m Tuner SMC90
STT12 2m-AM/FM Transmitter
2-m AM Sender STT4/8 AM-Sender Baustein
SLV5 2m-Linear amplifier
DL6SW 2m Handfunksprechgerät
© Gerhard, VE6AQO & Leo, DL9BBR
Beiträge aus den frühen UKW Berichten über das sehr berühmte und beliebte DL6SW 2m Handfunksprechgerät, welches in den 60er Jahren weite Verbreitung gefunden hat und vielfach von Funkamateuren im In- und Ausland mit grossen Erfolg nachgebaut worden ist.
Der DL6SW Konverter war seiner Zeit sehr voraus. Die FET- Bestückung in den Vorstufen und Mischer sorgten für überragende Kreuzmodulationseigenschaften und Empfindlichkeit und konnte sich mit den besten Röhrenkonvertern messen. In den 60er Jahren war der Konverter sehr beliebt.
Horst Glonner Ausführung des DL6SW Gerätes, als Kleinserie um 1964-1967 von der Firma Horst Glonner, Labor für Funktechnik, München-Pasing, hergestellt.
Download Artikel in Funktechnik 14/1965: Funksprechgerät DL 6 SW von der Firma Horst Glonner
Das DL3PD Geraet ist eine Weiterentwicklung des DL6SW Gerätes, weshalb es auf der DL6SW Seiten miteinbezogen ist und entspricht elektrisch weitgehend dem Vorbild, wurde aber im flachen Buchstil auf nur einer einzigen Platine verwirklicht.Das Gerät war für AM Modulation ausgelegt und hatte ungefähr 50mW Ausgangsleistung. Der Empfänger war abstimmbar zwischen 144 bis 146MHz. Drei 4.5V Flachbatterien versorgten das Gerät mit Strom.
DL6SW Gerät unbekannter Herkunft
DL6SW Gerät, UKW-Berichte 1962
DL6SW Aufbau
Fa. Horst Glonner, DL9MW
© Leo, DL9BBR
Als der Allmode Transceiver UNIPORT 1966 auf den Markt kam, war dieser eine kleine Sensation. Die Amateurfunker bekamen hier erstmals einen serienmäßig hergestellten volltransistorisierten tragbaren UKW Transceiver, der die Betriebsarten SSB, AM und CW ermöglichte. Es dürfte wohl weltweit das erste Gerät dieser Art für Amateurfunk gewesen sein, das die Firma Hans Glonner - DL9MW - in München entwickelt und gefertigt hat. Eine für damalige Verhältnisse neue Modulbauweise auf zum Teil beidseitig bestückten Platinen und die Verwendung modernster Bauelemente wie integrierte Schaltkreise, haben die Entwicklung des Uniport 2 in einem sehr kleinen Gehäuse ermöglicht.
Der Empfänger ist ein Doppelsuper mit AF 239 – Eingangstransistor und BF 244 FET- Mischer und hatte eine sehr hohe Kreuzmodulationsfestigkeit, Tiefpass-Eingang, 14 Kreise, 1.ZF 9 MHz, 2.ZF 455 KHz. NF-Bere ich 300-3000 Hz durch LC-Filter. Produktdetektor für SSB-und CW-Empfang. Der Regelumpfang ist größer als 120dB durch zweistufigen Regelverstärker, zusätzlich ist eine Handregelung vorhanden. BFO-Feinverstimmung +/- 1,5 KHz. Die Empfindlichkeit des Geräte s wird mit besser als 1 KTo angeben. Eine Eingangsspannung von 0,1 uV ergibt ein Signal-Rauschverhältnis von 10 dB. Am NF-Verstärker stehen 0,5 Watt an 8 Ohm zur Verfügung . Der Lautsprecher ist eingebaut. Des weiteren besitzt das Gerät Anschlussbuchsen für einen externen Lautsprecher oder Kopfhörer. Der Sendeaufbereiter arbeitet nach der 9-MHz-Quarzfilter-Methode mit Ringmodulator. Elektronische Betriebsartenumschaltung ist ebenso vorhanden. Sender und Empfänger werden durch einen hochstabilen Super-VFO abgestimmt. Die Frequenzstabilität wird hier mit 10 -7 für +/- 20 % Versorgungsspannungsänderung angegeben. Der durchstimmbare Frequenzbereich ist 144-146 MHz.
In der Sender-Endstufe werden Overlay-Transistoren verwendet und leisten 2 Watt PEP.Zum Betrieb des Gerätes werden 12-13,5 Volt Gleichspannung benötigt. Im hinteren Teil des Gerätes ist ein Batteriekasten vorhanden der 9 Babyzellen 1,5 Volt oder einen DEAC -Spezial Accu mit 12,2 Volt aufnehmen kann. Über eine an der rechten Seite angebrachte DIN Buchse kann sowohl Ladebetrieb als auch Heimbetrieb mit externer Stromversorgung durchgeführt werden. Für Funkamateure, die etwas mehr Leistung haben wollten, gab es eine externe Röhren- Endstufe mit 10 Watt Sendeleistung. Die Steuerung wurde vom Transceiver über eine an der linken Seite angebrachten Buchse ermöglicht. Für Portabel- oder Mobilbetrieb gab es auch den passenden Wandler. Das Gerät ist in seiner Produktionszeit noch einmal überarbeitet worden.

Das Foto zeigt das überarbeitete Gerät mit der Serien-Nr. 26. Auf der Frontplatte gab es einige Veränderungen, so wurde auf der linken Seite neben der Sende - Empfangsumschaltung ein weiterer Taster für die PA –Steuerung hinzugefügt. Der zwischen den Potis auf der linken Seite angebrachte Batterietaster wurde nun auf die rechte Seite in die Tastenreihe mit integriert, sie hatte nun fünf Taster. Das S -Meter wurde etwas höher gesetzt und die Skaleneichung wurde von Ursprünglich 100 KHz Teilstrichen um weiter 20 KHz Teilstriche erweitert. Auf der Lautsprecherplatte wurde der vorher verwendete Chromrahmen nicht mehr verwendet, stattdessen wurde ein rechteckiger Ausschnitt mit untergesetztem perforierten Alublech eingesetzt. An der vorderen linken Seitenwand gesellte sich jetzt der externe Lautsprecher- oder Kopfhörerausgang zur PA-Steuerungsbuchse. Als letzte Neuerung wurde der Firmenname zwischen Antennenbuchse und Sende -Empfangsumschaltung platziert.
Nach Auskunft des ehemaligen Firmeninhabers Hans Glonner wurden im Zeitraum 1966 -68 nur 30 Geräte produziert. Gefertigt wurde nur am Wochenende , denn in der Woche musste Geld verdient werden mit Reparaturen von Fernseh- und Funkgeräten und der Entwicklung und Produktion von elektronischen Geräten für die Medizin- Technik. Das sich in meinem Besitz befindliche Gerät mit der Serien-Nr. 26 wurde am 20.3.68 seinem Käufer übergeben und hat das Garantiedatum 20.3.69. Es ist somit eines der letzten Geräte , die in 1968 gefertigt worden sind. Gekauft hat es ein bekannter Münchener Arzt, dessen Rufzeichen derzeit nicht bekannt ist. Zum 25-jährigen Firmenjubiläum hat Hans Glonner das Gerät für sein Firmenmuseum vom Erstbesitzer zurückerworben und es stand bis zum 8 April 2006 in einer Vitrine.
Auf Grund des doch hohen Preises von 1.150 DM für das Gerät ohne Zubehör, kam hier doch nur eine kleine Käuferschicht in Frage. Der Arbeitslohn eines Facharbeiters, ich hatte gerade meine Gesellenprüfung 1965 als Kfz Mechaniker bestanden, betrug zu dieser Zeit 470 DM. Es waren also fast drei Monatslöhne für den Erwerb dieses Gerätes zu veranschlagen. Es blieb somit für die Mehrheit der Funkamateure nur ein Traum.
Aufmerksam wurde ich auf das Gerät durch ein Prospekt und eine Preisliste , die ich2003 beim Kauf einiger Semco Geräte und Unterlagen erhalten hatte. Das Gerät hatte ich nie zuvor gesehen und es war wohl Liebe auf den ersten Blick . Dieses Gerät musste ich unbedingt in meiner Sammlung Deutscher Funkgeräte haben. Durch unsere Web habe ich Kontakt zu Martin DK9QT bekommen, er wohnt in der Nähe von Pfaffenhofen und hat sein QRL in München. Ich bat ihn eines Tages doch einmal zu versuchen weitere Infos zu dem Gerät zu bekommen und falls möglich, mir auch bei einem Kauf zu helfen. Es wurde eine sehr langwierige Suche , denn keiner der angesprochenen kannte das Uniport 2. Im März dieses Jahres kam dann Licht in das Dunkel, denn Martin hatte die Adresse von Hans Glonner bekommen und Kontakt zu ihm aufgenommen. Er wohnte in der Nähe von München und Martin machte einen Besuchstermin aus. Der Rest ging dann eigentlich sehr schnell und kurz nach meinem Geburtstag Anfang April bekam ich dann mein Geburtstagsgeschenk in Form des gekauften Uniport 2 von Martin zugeschickt.
Ich möchte mich hier an dieser Stelle noch einmal ganz herzlich bei meinem Funkfreund Martin, DK9QT bedanken, denn ohne ihn hätte ich das Gerät nie bekommen und viele interessierte Funkamateure hätten dieses Gerät nie zu Gesicht bekommen. Interessant wäre es zu wissen wie viel von den 30 Geräten noch existieren. Technische Unterlagen liegen zurzeit nicht vor, aber Martin arbeitet daran. (April 2006, Leo DL9BBR)
Download: Geschichte des Uniport, Leo DL9BBR
DL3IJ 145 MHZ Transistor Funksprechgerät Trausnitz III
© Gerhard, VE6AQO & Leo, DL9BBR
UKW Berichte, März 1965
Die Trausnitz 2-m Funksprechgeräte stellen eine Fortsetzung in der Entwicklung von tragbaren UKW Funksprechgeräten dar. Diese Geräte nützten erstmalig die damals neuen Silizium Overlay Transistoren vorteilhaft aus, die bei niedrigen Betriebsspannungen eine beträchtliche Erhöhung der Sendeleistung im 1-3 Watt Bereich ermöglichten.

Das Trausnitz III Gerät ist eine Weiterentwicklung mit beträchtlich höherer Sendeleistung und Silizium Transistoren und verwendet einen leistungsfähigeren 2m Doppelsuper Empfänger. Historisch stellen diese Geräte Meilensteine in der Entwicklung von tragbaren transistorisierten Funksprechgeräten dar.
Die Scans dieser Seiten sind im Originalformat um den nostalgischen Charakter dieser Geräte zu betonen. Nur der Kontrast wurde etwas erhöht um die Platinenlayouts etwas leichter druckbar zu machen. Für diesen Zweck ist es allerdings notwendig die Layouts mit einem Photoeditorprogram zu bearbeiten damit der leichtgelbe Farbton verschwindet und die weissen Flächen beim Laserdrucker weiß bleiben.
Das "Trausnitz", wurde erstmals im Heft 9 des DL-QTC 1963 beschrieben, stellt den Vorgänger des Trausnitz III Gerätes dar. Auf dem folgenden Bild ist der Vorsitzende von F34, Ernst Kuwilsky, DJ4CP – mobil mit einem Trausnitz III Sende-Empfänger für das 2m Band zu sehen– HighTec der Gründungszeit. Beim Kauf eines Radios zu dieser Zeit erfolgte die obligate Frage “Hat das auch UKW?” und der CQ-Ruf im 2m Band wurde i.d. R. beendet mit dem Satz: “Ich schalte auf Empfang und drehe übers Band” – der Sender des Trausnitz III war quarzgesteuert. In allen Details ist das hier zu finden. Das DL-QTC Heft 9/1963, wo das Gerät erstmals der großen Öffentlichkeit vorgestellt wurde, kann man sich übrigens als Mitglied von der DARC-Webseite herunterladen.
DL6SW 2m Konverter
© Gerhard, VE6AQO & Leo, DL9BBR
DL6SW 2m Konverter mit Feldeffekt-Transistoren, UKW-Berichte 1967, Heft 2
Folgend ist ein Scan der Baubeschreibung des seinerzeits berühmten und vielfach nachgebauten DL6SW FET-Konverters. Die Empfangsleistung dieses Konverters befriedigt auch heute noch alle Ansprüche. Das Großsignalverhalten übertraf damals alle mit normalen Transistoren gebauten Konverter.
Der DL6SW Konverter setzte das 144-146MHz Amateurband auf 28-30MHz um. Als Nachsetzer wurden vielfach Semco 10m Empfangsbausteine oder ähnliche Bausteine verwendet. Auch der Stations KW-Amateurempfänger eignet sich oft gut als Nachsetzer.
Damals konnte man den DL6SW Konverter als Bausatz vom Verlag UKW Berichte beziehen oder als Fertiggerät von der Fa. Hannes Bauer kaufen. Das Platinenlayout kann man direkt im Masstab 1:1 auf einem Laser- oder Tintenstrahldrucker auf Transparentfolien für die Platinenherstellung ausdrucken. Bitte beachten, dass das Layout Spiegelbildlich dargestellt ist damit die Toner oder Tintenseite direkt im Kontakt mit dem Photolack bleibt. Andernfalls leidet die Schärfe des Layouts.
Goetting & Griem, Röddensen
© Mathias, DL8ZAJ
Von Mitte der 60-iger Jahre bis Mitte der 70-iger Jahre wurden von der Firma Goetting und Griem in Röddensen bei Hannover hervorragende UKW Tranceiver und Endstufen gefertigt. DL8ZAJ, der auch mehrere dieser Geräte selbst besitzt, fasst im folgenden zusammen, was über diesen Hersteller und dessen Geräte bekannt ist.
Hans-Heinrich Götting, DL3XW war ursprünglich Landwirt, der sich aber die technischen Grundlagen der Hochfrequenztechnik im Selbststudium angeeignet hatte. Er war seit 1940 zuerst Mitglied im DASD und nach dem Krieg und nach Gründung des DARC Mitglied im DARC OV Hannover H 13. Nach Gründung des OV Lehrte H 32 gehörte er diesem bis zu seinem Tod an. Als Autodidakt wird er in kürzester Zeit führend in der damals noch jungen 2 Meter Technik und baut gemeinsam mit Hans Jürgen Griem DJ1SL die unten beschriebenen Tranceiver und Endstufen. Hans Jürgen Griem DJ1SL ist seit dem 11.03.1988 silent key, Hans Heinrich Götting seit dem 14. 03. 2011.

2 Meter Tranceiver: 2G70
In den 60-iger Jahren kam der erste Tranceiver dieser Reihe, der 2G70 auf den Markt. Er war einer der ersten 2 Meter Tranceiver, die einen durchstimmbaren Sender hatten und damit das vorher übliche Rufen auf einer Quarzgesteuerten Frequenz nicht mehr nötig machten.
Außerdem hier noch eine Beschreibung dieses Tranceivers von Hans Jürgen Griem DJ1SL in den UKW Berichten jener Jahre: Artikel 2G 70
Zu dem Bild muß angemerkt werden, daß der Regler "TX" links neben dem VFO Abstimmknopf nicht serienmäßig ist, sondern aus einer Modifikation stammt.
Der Nachfolger des 2G70 war der 2G70B. Er kam 1968 oder 1969 auf den Markt. Bei diesem Gerät war der Empfänger bereits voll transistorisiert. In der Sende Vor- und Endstufe kam hier je eine QQE 03/12 zum Einsatz. Es wurde eine Ausgangsleistung von 30 Watt PEP erreicht. Hier noch Blockschaltbilder dieser Tranceiver:
Blockschaltbild Empfänger
Blockschaltbild Sender
2G70B Vorderansicht
2G70B: Ansicht von oben
Ansicht von unten
Detailansicht der Endstufe
Vorderansicht des HG70C
HG74A Vorderansicht
Die Bilder wurden freundlicherweise von Martin, DL1FMB zur Verfügung gestellt, vielen Dank.
Der Nachfolger des 2G70B war folgerichtig der HG70C. Er ist schon weitestgehend transistorisiert besitzt aber in der Sendervorstufe eine QQE 03-12 und in der Endstufe eine QQE 06-40. Der HG70D war der letzte von Götting gefertigte 2 Meter Tranceiver wurde ca. 1973 produziert. Dieses Gerät ist vollständig transistorisiert. Äußerlich gleicht er sonst dem HG70C. In der Endstufe kamen entweder ein 2N6200 oder ein BLY 94 zum Einsatz. Hiermit brachte der Tranceiver eine Ausgangsleistung von 40 Watt. Super mit Mehrfachmischung; Dieser AM/CW/SSB Transceiver überstrich das gesamte 2m-Band, ZF bei 9MHz, 220 x 120 x 280 mm und kostete damals ca. 2.900 DM.
Der HG72A war von Götting als Mobil- und Portabeltranceiver konzipiert. Er überstrich wie die großem Brüder das gesamte 2 Meter Band. Er konnte sowohl an einer Autobatterie betrieben werden als auch im Portabelbetrieb mit 9 Babyzellen. An 12 Volt machte er eine FM Ausgangsleistung von 15 Watt, mit Babyzellen betrieben 1,5 Watt output. Der Nachfolger des HG72A war -richtig geraten- der HG72B. Er war volltransistorisiert mit dem BLY 88A in der Endstufe. Er konnte nur noch mit 12 Volt betrieben werden und machte 14 Watt output. Von diesen beiden Tranceivern liegen mir leider keine Bilder vor.
70 cm Tranceiver: HG74A
Der HG74A war meines Wissens der einzige 70 cm Tranceiver, der von Götting gebaut wurde. Er überstreicht das gesamte 70 cm Band in 2 MHz Abschnitten. Das Gerät ist volltransistorisiert und wurde nur in einer geringen Stückzahl gebaut. Da ich dieses Gerät nicht selber besitze wurden die hier präsentierten Bilder vom Besitzer Martin, DL1FMB zur Verfügung gestellt. Vielen Dank an dieser Stelle.
HG74A Oberseite
HG74A Unterseite
2G51B +2 Meter 8874 PA 450 Watt
Die erste 2 Meter PA brachte das Signal der Tranceiver auf 250 Watt Ausgangsleistung. Als PA Röhre kam hier eine 4X150 von Eimac zum Einsatz. Die zweite Generation der 2 Meter PA´s lieferte als HG51B die für die damalige Zeit schon erstaunliche Leistung von 450 Watt PEP. Als Röhre kam hier eine 8874 (Eimac 3CX400 A7) zum Einsatz. Beschrieben wurde diese PA in der CQ-DL Heft 1-1973.
Download: Betriebsanleitung 2G70B
Download: 2G51A Betriebsanleitung
Henz & Hellborg
© Gerhard, VE6AQO & Leo, DL9BBR
Anfang der siebziger Jahre ließ die Firma Funktechnisches Labor Henz & Hellborg in Hannover mit neuen Bausteinen für das 2m Amateurfunkband aufhorchen. Es handelte sich hier um einen Super VFO bzw. Steuersender für 144-146 MHz. Er konnte FM-moduliert werden und erreichte in der Version 2 H 71 MOa bei 12 Volt Betriebsspannung 50mW Sendeleistung. Dazu gab es dann eine kleine PA die daraus 1 Watt HF erzeugte und seitlich am Gehäuse montiert war. Die überarbeitete Version 2 H 72 MOa ermöglichte dann bereits 100mW Sendeleistung und konnte mit der neuen PA 2 H 72 P12 über 10 Watt HF an den Ausgang bringen. Beim Verfasser bringt die PA bei 13,5 V und P in 100mW 13,3Watt bei I max von 2,05A.
Das Fertigungsspektrum reichte aber bis hin zu SSB-Tranceiver Bausteinen, die auch ausführlich in Josef Reithofers Buch, Transistor-Amateurfunkgeräte für das 2-m-Band RPB 109, 5. Auflage, ausführlich beschrieben worden sind. Die Bausteine waren sehr solide aufgebaut und erfreuten sich großer Beliebtheit in Bastlerkreisen, ermöglichten sie doch sich einen UKW-Tranceiver nach eigenem Geschmack und Geldbeutel aufzubauen. Die Firma siedelte später nach Berenbostel um und fertigte dort ihr Amateurfunk – Bausteine - Programm.
Hellborg Super VFO Sender
2H71MO Steuersender
Abgleichanweisung
PA Baustein
144-146MHz Misch VFO
Abgleichanweisung
Die ersten kommerziellen (UKW-) Geräte aus Japan
(c) Christian, OE3CWJ
Käufliche Funkgeräte waren in der 1950-er Jahren so gut wie unerschwinglich, vor allem moderne Geräte aus den USA.
Ein Dollar entsprach damals vier bis fünf Deutschmark. Daher verwendete man zum Teil alte Wehrmachtsgeräte oder amerikanische Armeegeräte, welche den Ansprüchen der damaligen Funkamateure jedoch nicht uneingeschränkt entsprachen.
Selbstbau war eine gute Alternative und so bot die italienische Firma Geloso einen
für 5 Bänder konzipierten Steuersender und verschiedene Einzelbauteile, wie z.B. das PI-Filter der damals häufig verwendeten Endstufenröhre 807 zu einem recht günstigen Preis an. Zur gleichen Zeit entstanden jedoch in Japan mehrere industrielle Hersteller von Amateurfunkgeräten, die sowohl technologisch als auch preislich neuen Massstäbe setzen sollten.
Die Werbefotos für das erste Yaesu VHF Mobilgerät FT-2FB wurden auf der Jacht des Firmengründers gemacht:
Nikon Dengyo Co: Belcom Liner 2, 2m-SSB für alle (1972-1975)
Fukushima Yaesu Fabrik 1970 für FT101
Der japanische Elektronikingenieur Sako Hasegawa, JA1MP gründete die Firma Yaesu Musen 1959 im Tokyoter Stadtteil Yaesu. Schon zwei Jahre zuvor hatte er in seiner Firma General Television Co Ltd. erste SSB Komponenten entwickelt. Die ersten Yaesu Produkte – der quarzgesteuerte 40m Monoband SSB Sender (FL-10/40) und der 5-Band quarzgesteuerte Sender FL-20 wurden schon bald nicht nur am japanischen Markt vertrieben, sondern wurden schon bald nach Australien und Deutschland exportiert. Die Yaesu's wurden jedoch erst ab 1965 durch die Firma Spectronics, Inc. Signal Hill, CA. in die USA importiert. Mit der Einführung und ständigen Weiterentwicklung der sehr populären FT-101 Linie wurde Yaesu in den 1970-er Jahren nun auch am U.S. Amateurfunk Markt geschätzt. Weiterhin wurden Yaesu Transceiver vorerst unter der US Marke "Henry Radio" (Los Angeles) vertrieben. Nach heutigen Maßstäben ist der erste in die USA exportierte Yaesu VHF Transceiver (FT-2F/B) nichts besonderes mehr, damals war dieses 12-Kanal Quarzgerät geradezu bahnbrechend. Nur zwei Kilogramm schwer, 10 Watt Sendeleistung und einem damaligen Preis von 380.- USD. Für den stationären Betrieb gab es auch eine passende volltransistorisierte Stromversorgung im doppelt so hohem Gehäuse (FP-2)
In dieser Zeit haftete den meisten japanischen Produkten noch ein äußerst schlechtes Qualitätsimage an, weshalb in Deutschland Yaesu anfangs unter der Marke Sommerkamp vertrieben wurde, dem Namen des Schweizer Importeurs.
Auch William "Bill" Kasuga, ein japanischstämmiger US-Amerikaner hatte lange mit der Reputation der 1946 gegründeten Kasuga Radio Co., Ltd welche ab 1960 Trio Trio Electronics, Inc. firmierte zu kämpfen. Noch 1981 wurden deren Produkte für den US-Export unter der Marke “Kenwood” gefertigt. Er selbst sagte einmal dazu, dass die Silbe “Ken” sowohl bei japanischen als auch amerikanischen Verbrauchern positiv abgetestet werden konnte, während “wood” allein schon wegen der sprachlichen Nähe zu “Hollywood” positiv belegt sei. 1986 übernahm die japanische Kenwood Corporation schließlich den bis dahin eigenständigen US Importeur “Kenwood”
Aus der 1954 vom damals 23-jährigen Tokuzo Inoue, JA3FA gegründeten Medizintechnikfirma "INOUE Seisakusyo" entstand ein weltweit agierendes Unternehmen, das ab 1964 unter "Inoue EIectric Manufacturing Co. Ltd" firmierte. In diesem Jahr wurde auch das erste kommerziell gefertigte Amateurfunkgerät von Icom konstruiert, der All-Transistor FDAM-1 - ein 50 MHz Mobiltransceiver mit einem Watt Sendeleistung. Über 200 Einheiten dieses ersten Transceivers wurden verkauft, gefolgt von 3000 Einheiten einer aktualisierten Version. Im Jahre 1978 änderte man den Firmennamen auf Icom Inc. ab (kurz für Inoue Communications)
Link: Geschichte der Firma ICOM
Icom IC-2F Deluxe, 6 Kanal Quarzgerät aus dem Jahr 1970 (IK3HIA)
Yaesu FT-2 AUTO, 1972 der Nachfolger des FT-2 mit acht Quarzkanälen, Priority- und Scanfunktion!
Trio TR-2E, 10W AM Transceiver aus dem Jahr 1967
Die 1970-er Jahre waren gekennzeichnet durch den Eintritt japanischer Hersteller, welche qualitiv hochwertige Fertiggeräte zu erschwinglichen Preisen anbieten konnten. Dieses Jahrzehnt ist auch durch die ständige wachsende Verbreitung von UKW Relaisstationen und FM Betrieb gekennzeichnet. Allein in den USA verzeichnete man durch die neuen Entwicklungen damals schon 327.000 lizensierte Funkamateure. Mit dem Ende des Röhrenzeitalters und der Verfügbarkeit von nunmehr auch industriell gefertigten UKW Geräten endete jene Epoche, als jeder UKW-Funkamateur auf seine mit einem Quarz erzeugte Hausfrequenz stolz war und am durchstimmbaren Empfänger von 144 MHz aufwärts oder von 146 MHz abwärts drehte musste, um nach Funkpartnern zu suchen.
Icom IC-21
Icom IC-201 neu (digitaler VFO)
Yaesu FT-202
Trio/Kenwood TR-2200
Icom IC-240
Yaesu FT-221
Kenwood TS-700
Icom IC-211
Icom IC-202, 402, 215, 502
Sommerkamp TS-280FM
Standard C-5400
Yaesu CPU-2500
YAESU FT-225RD
Belcom LS-707
Yaesu FT-208
STANDARD SRC-430, ca. 1978
Standard C58 2m Allmode
IC2E Handfunkgerät
Die Anfänge des VHF Amateurfunks in den USA
© OE3CWJ
Gonset 2M Sidewinder CW/SSB/AM transceiver, Modell 900A
Swan 250C, 6m TRX & 2m Transverter
In der Jänner Ausgabe 1969 des US Amateurfunkmagazines 73 beschreibt Lee Grimes, K7INU/DL5QN die europäischen Aktivitäten auf den VHF Bändern. Bevor OM Lee dienstlich zur USASA Field Station Berlin versetzt wurde vermutete er , dass es kaum nennenswerte VHF-Aktivitäten in Europa gäbe und die Situation auf diesem Band ähnlich wie zu Hause in Idaho als "VHF= very high frustrations" bezeichnet werden könnte.
Während K7INU schnell bemerkt, dass die HF Bänder im dicht besiedelten Europa nur sehr mühsam zu arbeiten waren und auch seine Investitionen in bessere Antennen und stärkere Endstufen lediglich zu einer höheren Stromrechnung führten. Als ihm ein Freund einen Empfänger Hallicrafters Model S-38 mit einem Nuvistor Konverter für 2m leiht, ist er begeistert, was sich von Berlin aus mit einer modifizierten TV Antenne hören lässt: SM, OK, SP und andere - meistens CW Signale, nur sehr selten in SSB. AM und schon gar nicht FM hört man bei den damals zahlreichen UKW Contesten praktisch kaum. OM Lee beschafft sich einen Gonset 2M Sidewinder Transceiver für CW/SSB/AM, was ihm jedoch ein ziemliches Loch in die Hobbykasse reisst, weshalb er anfangs nur mit einer einfachen Antenne auf einem drehbaren Bambusmast Betrieb machen kann und eine seiner ersten Sendeverbindungen resultiert in der Bekanntschaft mit Alex, DC7AS und anderen Mitgliedern einer wachsenden Gruppe von aktiven UKW Funkamateuren. Lee ist positiv überrascht, dass die meisten europäischen Funkamateure hinreichende Englischkenntnisse haben und motiviert in seinem Artikel auch andere US Amateure, die beruflich nach Europa ziehen wollen (damals noch häufig in militärischer Funktion) seine positiven Erfahrungen im UKW Bereich zu teilen. Vor allem weil man (exotischen) Europa zumindest so viele Länder als daheim Bundesstaaten arbeiten könne, auch die aufkommenden Aktivitäten mit den Ausbreitungsphänomenen Aurora und Meteoscatter werden in seinem Artikel erwähnt ebenso so wie die Anfänge der CEPT Lizenz, welche den vereinfachten Betrieb in vielen europäischen Staaten ermöglichte.
Basierend auf diesem historischen Dokument aus USA Sicht stellte sich für mich in der Folge die Frage, wie es denn damals um die Situation des UKW Amateurfunks jenseits des großen Teiches in dieser Periode stand.
Download: European VHF - ein Artikel im 73 magazine, Jänner 1969
Gonset Inc., Waterproof Elect. Co
© Christian, OE3CWJ
Gonset Communicator III
Faust Gonset, W6VR, war ein Funkamateur der ersten Stunde. In den 1930-er Jahren schrieb er viele interessante Artikel über Sender Modifikationen im damaligen RADIO MAGAZINE. 1942 wurde er Mitherausgeber des Radio Handbook, damals ein Hauptmitbewerber des ARRL-Handbook.
Ebenfalls in den 1940-ern stieg Gonset in der Firma seines Vaters ein, wo es ihm bald gelang einiges neuzeitliches Ingenieurwissen einzubringen. Seine erste bedeutende Produktreihe waren die "Communicator", eine Serie portabler VHF Transceiver. Kurz danach entwickelte er mehrere mobile Empfangskonverter ("10/11") sowie den ebenso legendären "Commander", ein mobiles Kurzwellengerät. Gerade rechtzeitig als die US Behörde FCC Mobilfunk in den USA bewilligte, verfügte Gonset Co. über ein breites Portfolio von kleinen, robusten und tragbaren, aber auch preiswerten Geräten.
Gonset GC-105 "Gooney Bird" Communicator ist ein AM Transceiver für 12/110V Betrieb
Der 2m AM Transceiver Gonget GC-105 erhielt vermutlich seinen Spitznamen "Gooney Bird" durch Paul Lieb, KH6HME. Dieser TRX erinnerte Paul hinsichtlich Robustheit und Zuverlässigkeit an das damals populäre Militärflugzeug C-47 ("Gooney Bird").
Clegg Laboratories
© Christian, OE3CWJ
Clegg Climaster 62T10 Transmitter für das 11/10/6/2 Meter Band
Clegg 22er
Um 1950 gründete Ed Clegg W2LOY die Firma CLEGG Radio products, welche sich anfangs mit der Entwicklung von Radarkomponenten befasste: Hochleistungs-Pulsmodulatoren und regulierte DC-Hochspannungsversorgungen. Viele Mitarbeiter der ersten Stunde kamen auch aus Radartechnik, wo Ed Clegg als leitender Ingenieur bei der früheren Firma KUTHE LAB für Magnetrone, Klystrone und Wanderfeldröhren tätig war. Der Erfolg von Clegg Radio products war zudem so beträchtlich, dass die Produktion oft nicht mit der Entwicklung Schritt halten konnte und umgekehrt. Weil Ed ein begeisterter Funkamateur war, lag es nahe sich auch in diesem Umfeld zu betätigen. CLEGG Labs. entwickelte zahlreiche Prototypen für COLLINS, DRAKE, HALLICRAFTERS, JOHNSON, WORLD RADIO und andere Hersteller, vorerst jedoch nur im HF Bereich. Clegg Labs. war zudem einer der ersten Entwickler für kommerziell gefertigte VHF Geräte, mit dem Sender Climaster 62T10 11/10/6/2 Meter entstand auch ein Flagschiff dieser damals noch neuen Kategorie: Mit den Abmessungen 483 x 270 x 362 mm stand 1957 ein AM/CW Sender für die Bänder 11/10m, 6m und 2 m zur Verfügung, der entweder über einen externen VFO oder quarzgesteuert eine Ausgangsleistung von 150 W in CW, bzw. 100 W in AM ermöglichte. Zwischen 1963 to 1968 wurde Clegg Labs mit Squires-Sanders Inc. zusammengelegt.
Download: Clegg Climaster Line

Clegg VHF-AM-Transceiver 22'er
E.F. Johnson
© Christian, OE3CWJ
Der 1899 geborene Ingenieur Edgar F. Johnson gründete seine Firma E.F. Johnson company in Waseca, Minnesota. In den Anfängen versendete man Radiobauteile an Funkamateure und kommerzielle Radiostationen. Ab 1923 wandte man sich jedoch schon der Produktion fertiger Geräte in Kleinserie zu. Nach dem Einsteigen seines Bruders Marvin in das Unternehmen (1925) wurden sämtliche benötigte Komponenten selbst hergestellt – sogar die Kataloge wurden in-house gedruckt. Edgar war als Perfektionist bekannt, der seinen Namen für kein Produkt verwenden würde, von dem er qualitätsmäßig nichtvoll überzeugt war.
6N2 Thunderbolt 600W amplifier
1936 wurde die erste Fabrik errichtet, in der der nach dem zweiten Weltkrieg über 500 Mitarbeiter beschäftigt waren. Nach dem Krieg führte EF Johnson die als Viking Line bekannten Amateurfunksender ein, darunter die Typen Viking, Valiant, Ranger and Pacemaker - einschließlich dem VHF Modell Viking 6N2 mit dazu passender Endstufe: Scan des Operating Manual Viking 6N2 Medium:Viking_6N2_Transmitter.pdf
Seit 1958 produzierte man bei E.F. Johnson Produkte für den damals in den USA aufgekommenen CB-Funk. Als in den 1970-ern das Hoffnungssegment CB-Funk förmlich zu explodieren schien, liessen bereits viele US-Herstellter ihre Geräte in Japan fertigen, während E.F. Johnson verzweifelt an der Produktion in den Vereinigten Staaten festhielt. Auch der von E.F. J gestellte Antrag Schutzzölle gegen die Flut importierter asiatischer Produkte einzuheben, konnte nicht mehr verhindern, dass E.F. Johnson im November 1977 zwei seiner Fabriken in denen CB-Funk Geräte produziert wurden schließen musste. Das Ende des CB-Booms bedeutete zugleich auch das Ende von E.F. Johnson, welche 1982 mit Western Union zusammengelegt wurde und 1997 in der Transcrypt International, Inc. aufging.
Geschichte des UKW Amateurfunks: Funkbetrieb
© Christian, OE3CWJ
Der zweite Teil dieser Zusammenfassung setzt sich mit betrieblichen Aspekten auseinander.
Im Vergleich zur Kurzwelle waren in den 1960-er Jahren nur wenige Stationen auf UKW zu hören und es gab auch kaum kommerzielle Neugeräte. Anfangs war es auch sehr schwer, die für den UKW-Eigenbau benötigten Bauteile zu bekommen, bzw. waren diese sehr teuer. Dennoch wurde viel selbst gebaut und experimentiert.
Damalige Betriebstechnik
© DBØUA
Ein für die damalige Zeit typischer CQ-Ruf auf dem 2 Meter Band erstreckte sich über die Zeitdauer von mindestens einer Minute und hörte sich etwa so an:
»CQCQ 2, CQ 2, CQ 2, CQ 2 ...
… hier ruft DL3HX in Augsburg ...
… CQ 2, CQ 2, CQ 2, CQ 2 ...
… Dora Ludwig Drei Holland Xanthippe ...
ruft CQ 2, CQ 2, CQ 2 …
… und DL3HX[*] geht auf allgemeinen Empfang ...
... hört zuerst auf dieser Frequenz und dreht dann
von 144 Band aufwärts...
… Bitte kommen ... Daahdidooooo...
[* DL3HX hieß Franz König, wohnte in Augsburg und ist inzwischen verstorben.]
Dieses »Über-das-Band-drehen« war deshalb notwendig, weil die Gegenstation senderseitig meistens auch quarzgesteuert war; aber eben auf einer ganz anderen Frequenz. Viele fanden »ihren« Quarz ganz einfach in der Technikkiste. Die Ausgangsfrequenz dieses Quarzes war von zweitrangiger Bedeutung, es musste sich damit nur eine Endfrequenz erzeugen lassen, die irgendwo zwischen 144 und 146 MHz lag.
Notfalls änderte man kurzerhand die Frequenzaufbereitung des Senders.
»Hausfrequenz« nannte man das damals, und nahezu jeder hatte seine eigene.

Offizieller Bandplan für das 2 Meter Band 1968
Es waren zwar alle Betriebsarten zugelassen, aber praktisch gab es damals nur die gute alte Amplitudenmodulation AM – oft mit einer QQE03-12 erzeugt. Aber es gab auch schon Endstufen mit Transistoren.
DL6MH und der Bayrische Bergtag (BBT)
© Gerhard, VE6AQO, und Hans DL8KG
Die ersten Schritte zum BBT wurden am 19.10.1952 getan. Damals beteiligten sich 7 Stationen an einem Wettbewerb im 2-m-Band, der im Raum Straubing ausgetragen wurde. Die verwendete Technik des Pendelaudions brachte es mit sich, daß auch bei Empfang Nachbarstationen durch mehr oder weniger starke Heul- und Pfeiftöne gestört wurden. Diese Nebenerscheinung führte zu dem Namen 'Winsler-Tag'.
In diesen Jahren wurde der Aufbau eines Notfunkdienstes aktuell. Es ging um die Entwicklung geeigneter Geräte. Im damaligen Distrikt Bayern-Nord ergriff der amtierende DV Herbig, DL1EK wiederholt die Initiative. Nach Versuchen im 10-m- und im 2-m-Band, ging 2-m als mehr geeignet hervor. Sepp Reithofer, DL6MH der sich intensiv an diesen Versuchen beteiligte, machte den Vorschlag, den Bau und die Betriebsbereitschaft durch regelmäßige Wettbewerbe zu fördern. Der BBT war geboren.
Am 1. Wochenende im August 1955 fand der 1. Bayerische-Berg-Tag statt. Folgende Stationen beteiligten sich: DL6MH, OE2BM, DJ1EV, OE2JG, DL1EI, DL6ZB, DJ2MU, DL3EV, DL9UA, DJ2NF, DL6YY, DJ2DW und DJ1ZU (Reihenfolge nach der Wertung!). Die Ausschreibung war auf die damaligen Verhältnisse zugeschnitten. Ein Standortwechsel wärend des Wettbewerbs (Dauer 08:00 bis 18:00 MEZ) wurde durch extra Punkte honoriert. Ebenfalls wurde gezählt, ob der Teilnehmer diesen Wechsel zu Fuß, per Fahrrad, per Kraftrad (mit oder ohne Beiwagen) oder per PKW machte. Heute ist aus dem 2-m-Wettbewerb ein Kontest geworden, der bis weit in den GHz-Bereich reicht. Seit 1964 gibt es neben dem Sommer-BBT auch den Winter-BBT. Die Teilnehmergemeinde ist international (HB9, OE, OK, SP...). Auch hat der BBT viele Nachahmungen gefunden, leider sind diese zum Teil oft geradezu konträr der Grundidee (kleine Leistung, netzunabhängige Stromersorgung, Beweglichkeit usw.).
Ingenieur Sepp (Josef) Reithofer war mit seinem Rufzeichen DL6MH auf dem Gebiete der VHF-UHF und SHF Amateurfunktechnik im In- und Ausland weithin bekannt. Als “Vater” des BBT (Bayrischer Bergtag) hat er sich in ganz Europa einen Namen gemacht und hat den technischen Fortschritt der portablen 2m und 70cm Klein-Geräte beträchtlich vorwärtsgetrieben. Er hat vielen Erstverbindungen gemacht. Er verstarb am 26. Oktober 1985 im Alter von 77 Jahren in seiner Heimatstadt Straubing.
Die Geräte die hier vorgestellt sind, repräsentieren den Stand der Amateurtechnik um 1961 bis 1967. Am Anfang der 60er Jahre wurden von DL6MH große Anstrengungen gemacht die Röhren aus den Portable Geräten zu verdrängen, sobald neue, geignete Transistoren erschwinglich wurden. Damals war die Auswahl von geeigneten Transistoren noch sehr spärlich und verursachten der oft knappen Amateurkasse große Ausgaben. Jedes mW an UKW-HF mußte man sich mühsam erkämpfen. Transistoren wie OC171, AF118 und ähnliche Typen wurden gequält um die letzten paar mW rauszukitzeln. Oft war man damals auf Fünf oder Zehn mW HF sogar recht stolz.
BBT DL6MH 1955
BBT Geräte Ausstellung
Die UKW Station im Rucksack
Innerhalb von nur ein paar Jahren wurden die Röhren fast vollkommen verdrängt. Es wurde sogleich erkannt, dass beim BBT mehr das Können und die Lage der Station den Erfolg beim BBT bestimmte. Mit nur 50 bis 200 mW HF wurden vielfach hunderte KM an Reichweiten erzielt. Jedes Jahr stieg die Anteilnahme am BBT. Viele Hams aus den Nachbarländern in OE, I, OK, DM, u.a. nahmen am BBT teil, welcher ungeahnte Beliebtheit erreichte.
2m-Buch von DL6MH: Damals ein Standardwerk
Sepp Reithofer, DL6MH sagte zum zum BBT: "Derjenige OM, der mit einer mit Liebe und Mühen selbstgebauten Station im Rucksack und einer zerlegbaren Antenne unter dem Arm zu Fuß auf „seinen“ Berg kraxelt oder auch mit der Bergbahn einen möglichst hochgelegenen Standort zustrebt und dort bei allen Wetterverhältnissen, auch bei Regen, Wind und Schneefall, seine QSOs gefahren hat, kennt den besonderen Reiz dieses Wettbewerbs"
DK6XH schreibt dazu, bezugnehmend auf die UKW-Rundschau im DL-QTC 12/1967 (frühere Clubzeitschrift des DARC) "Wenn der Berg nicht zu mir kommt, so muss ich notgedrungen auf den Berg gehen. Wenn ich mir aber damals schon die Mühe machte, meine 2m-Portabelstation, die mit Batterien immerhin einige Kilogramm wog, in 2000 Meter Höhe zu schleppen, dann wollte ich doch auch einige Weitverbindungen tätigen. Aber was nützt es, wenn ich mir die Stimmbänder aus dem Hals rufe, aber kein Mensch über das Band dreht? 1954 wurde die Idee des Bayerischen Bergtages (BBT) geboren; zweimal im Jahr wird auch heute noch dieser Wettbewerb ausgetragen. Damals für viele Funkamateure die einzigen Möglichkeiten, auf den ultrakurzen Wellen DX zu machen. "...war DL6DW anlässlich des BBT-Kontestes vom 5. bis 6. August auf dem 3203 m hohen Kitzsteinhorn und schaute bei minus 10 Grad auf ein brodelndes Wolkenmeer unter sich, während die anderen BBTler weiter unten im kalten Regen saßen. Die Bedingungen waren durchschnittlich"
Nach Möglichkeit wurden im Empfängerteil vielfach UKW-Rundfunk Baugruppen verschiedener Hersteller (Görler) in diesen Geräten nach kleinerem Umbau verwendet. Die folgenden Bilder illustrieren die Kombination von Industrie und Selbstbauschaltungen.
Obwohl die damalige Gerätetechnik uns heute im Zeitalter von computergesteuerten Funkgeräten mit allen Schikanen heute fast primitiv anmutet, sollte man sich immer vor Augen halten, daß diese Geräte ein Wegbereiter der modernen Technik darstellten. Es ist bestimmt möglich daß die OMs damals bestimmt genau so viel Spaß am Ausprobieren und Verwendung der meistens selbstgebauten Geräte hatten, wie heutzutage wir mit den modernen Wundern der Herstellertechnik.
Es muß leider auch gesagt werden daß immer weniger OMs ihre Funkgeräte in ihrer Funktionweise im Detail kennen. Das ist einerseits durch die außerordentliche Miniaturisierung der Bauweise mit SMD Bauteilen zu erklären, als auch daß die meisten Gerätefunktionen indirekt durch fest eingebaute Microcomputer gesteuert werden, deren Funktionsablauf und der Quellcode dem Gebraucher sowieso nicht zugänglich sind. Vorbei ist die Zeit wo ein Bedienungselement direkt das Gerät beinflußte. Die Miniaturisierung ist der fachmännischen Reparatur immer weniger zugänglich und verurteilt viele neue Geräte zum Wegwerfen. Vielfach ist Reparatur nur durch teuren Modulaustausch möglich. Schon lange her sind die Tage wo der OM Schaltbild und Gerät studieren konnte und imstande war sich früh mit der Funktionsweise vertraut zu machen und die meisten Fehler selber beheben zu können. Man sieht hier übrigens auch eine gewisse Parallele zur Automobilreparatur. Es ist leider auch nicht zu verleugnen, daß viele der modernen Computergesteuerten Geräten ein Übermaß an "features" haben. Die meistens Features werden jedoch außer den wichtigen Grundfunktionen sowieso selten gebraucht, setzen leider jedoch für eine vernünftige Bedienung des Gerätes die Mitnahme der "Quick Reference" oder des Benutzerhandbuchs voraus, da man sich oft nach kurzer Zeit des Nichtgebrauchs an die vielen Menus und Tasten Sequenzen nicht mehr auskennt. In der Hinsicht waren früher die nicht Computergesteuerten Geräte viel einfacher in der Bedienung.
Es ist auch interessant daß viele der neuen Funksprechgeräte heutzutage durch den äußerst breiten Empfangsbereich dieser Geräte oft stark durch Störungen anderer Funkdienste leiden. Es ist wirklich ironisch daß die Geräte oft die Größe einer Zigarettenschachtel haben, daß aber das Filter daß man dazu braucht um die Störungen abzuhalten, oft die Größe einer Schuhschachtel erreicht. Diese Störanfälligkeit ist einerseits durch den breiten Empfangsbereich zu erklären, andrerseits durch die HF Niederspannungsschaltungstechnik mit Bipolaren Transistoren, die den Gebrauch Kreuzmodulations- und Intermodulationasärmerer FETS verbietet und nicht zuletzt durch die übermäßige Anwendung von Dioden in den kritischen HF-Wegen. Es ist hier weniger beabsichtigt die moderne Gerätetechnik und Trends schlecht zu machen, als den Kontrast zwischen der damaligen Gerätetechnik und der Heutigen Generation von Geräten herauszustellen.
Erste DL-Aktivitäten der Nachkriegszeit und Gründung der Weinheimer UKW-Tagung
© Dieter Vollhardt, DL3NQ
Im Jahr 1947 kam mir ein Papier in Englisch in die Finger, in dem ein "Superregenerative Receiver for 2 Meters" beschrieben war, dessen Empfindlichkeit in den höchsten Tönen gelobt wurde, obwohl die Schaltung verblüffend einfach war. Der Gedanke elektrisierte mich, denn ein einfacher Sender würde auch kein Problem sein. Ich besprach die Angelegenheit mit Günter Klein, der damals nur 800 m entfernt wohnte und über einen erstaunlichen Materialfundus verfügte. Binnen einer knappen Stunde zauberte er aus den Tiefen seiner Schubladen alle notwendigen Brocken für Versuchsaufbauten hervor, packte sie in einen Schuhkarton und diesen mir unter den Arm: „Fang schon mal an!“ Zwei Wochen später brachte ich ihm den Brettaufbau eines 2 m-Superregenerativ-Empfängers, mit dem wir in seinem Shack einen von mir stammenden Träger hören konnten. Nach weiteren zwei Wochen stand eine feste 2 m- Verbindung zwischen uns. Darauf folgten viele Versuche und Verbesserungen an Geräten und vor allem an Antennen und im Januar 1948 klappte auch die Verbindung zu Klaus Dubac, der hinter dem alten Rathaus saß. Von dort zu Günter Klein an der nördlichen Kapellenstraße war die Trasse schwierig und Klaus musste erst einen besseren Standort finden für Gerät und Antenne, bevor im Mai 1948 das 2 m- Funkdreieck geschlossen werden konnte. - Nach allem, was wir wissen, das erste seiner Art in DL. Unsere Calls waren damals: DA3MAX, DA3TAX und DA3XYZ - alles home made.
Superregenerativer Receiver for 2 Meters
Klaus und Günter brachen Anfang Mai 1948 zur KW-Tagung in Bad Lauterberg/Harz auf, was damals noch ein abenteuerliches Unterfangen war und kamen mit der Neuigkeit zurück, dass dort am 9.5. der DARC Württemberg/Baden gegründet worden war! Ich glaube mich zu erinnern, dass beide dort spontan in den DARC eingetreten sind, aber ganz sicher ist sich auch Klaus Dubac nicht. Nach der erfolgreichen Errichtung unserer 2 m-Linien in Weinheim (etwas später war auch Klaus Hagemaier unter DA3LLX angeschlossen) trockneten die Besuche im Nebenzimmer des WBRC-Stammlokals nach und nach aus, denn wir konnten uns ja nun täglich auf 2 m unterhalten.
Wann (bzw. ob) wir aus dem WBRC (Anm.: Württemberg Badischer Radio Club, Stuttgart) , mit dem es nun schnell abwärts ging, ausgetreten sind, liegt im Dunkeln. Ebenso wenig kann ich mich daran erinnern, wann ich dem DARC beigetreten bin. Fest steht nur, dass ich durch die geschilderten Ereignisse auf das 2 m-Band bzw. die „Ultrakurzen Wellen“ geprägt worden bin.
Während die „gelernten“ Funker doch gerne auch CW-DX auf den Kurzwellenbändern machten, legte ich mich vorwiegend auf 2 m (später auch auf 70 cm) auf die Lauer. Ein KW-Sender mit Einknopf- Abstimmung von 80m bis 10m entstand zwar nebenbei, aber nach einer "schwarzen Periode" im Okt./Nov. 1948, wo ich das 80 m-Band von Hamburg bis München und Berlin bis Mailand verunsicherte, diente er nach der Lizenzierung eher als "Querverbindung" für UKW-Versuche bzw. zur Demonstration, wie es z.B. 1950 im 10 m-Band nach Südamerika "ging".
Die Lage meines QTHs spielte dabei natürlich eine entscheidende Rolle. Nach Osten und Norden war sie zwar weniger als bescheiden, aber in den 50-er Jahren lag auf 2 m die Zukunft im Westen, vor allem im Nordwesten, und diese Richtung war damals noch nicht zugebaut. Nach der Installation eines Lamba/4- Stabes auf dem Dach (dessen Fußpunkt noch von einer LD1 in Dreipunktschaltung gespeist wurde) konnten bis Ende 1948 weitere Stationen in Mannheim und Viernheim (Walter, DL1HC) "angeschlossen" werden. Und nach Bau einer drehbaren Yagi-Antenne kamen im Febr. 1949 Ludwigshafen und Bad Dürkheim dazu. Diese Antenne war nun schon durch Koaxialkabel gespeist, an dessen unterem Ende (im Keller) noch immer der Superregenerativ-Rx im Einsatz war. Auf der Tx-Seite war allerdings in der Zwischenzeit ein veritabler 4-stufiger Neubau entstanden mit 18 MHz-Kristall-Oszillator und zwei LD2 in einer Gegentakt-Endstufe, die in CW immerhin acht Watt liefern konnte. Zu jener Zeit war das ein absolutes Novum, mit dem es mir gelang, im März 1949 mit einer amerikanischen Gruppe in Wiesbaden in Verbindung zu treten, was in der Folgezeit die "Versorgung" mit amerikanischen VHF-Bauteilen entscheidend verbessern sollte.
Ende März 1949 wurden wir von der Nachricht überrascht, dass eine große Zahl DL1-Lizenzen ausgegeben worden war. Zwar rechnete man nach der denkwürdigen "Backsteinaktion" im Jan. 1949 damit, dass endlich Bewegung in die Lizenzierungsfrage kommen würde, und auch wir hatten schon im Nov. 1948 unsere CW- Übungen in A2 auf 2 m intensiviert, aber nicht damit gerechnet, dass die 1. Runde so glatt an uns vorbei laufen würde. Wir waren eben doch noch eine isolierte Insel und keine Insider des SAC (Samstag-Abend-Club in Stuttgart, 1946)!
Immerhin war nun die Katze aus dem Sack, und wir konnten uns ganz offiziell für die nächste Lizenzprüfung in Heidelberg anmelden. Die ging für die vier Weinheimer Kandidaten am 9. Juli glatt über die Bühne, und am 10.7.1949 fand der "1. UKW-Test des DARC" statt, der uns noch als SWLs sah! Am 25.7.1949 fanden wir endlich unsere Lizenzurkunden im Briefkasten und wenige Stunden später mischte ich auf dem 80 m-Band mit, wo großes "Hallo" herrschte.
Beim zweiten 2 m-Kontest am 1.10.1949 nahmen schon ca. 40 Stationen teil und unter 31 eingereichten Logs konnte ich trotz der Konkurrenz der Portabelstationen auf den Bergen noch den 4. Platz belegen. Die Auswertung zeigte, dass der Rhein/Main/Neckarraum bei weitem die größte Stationsdichte aufwies. Die Bandbeobachtung mit dem BC348 war nun viel effektiver. Anschließend machte ich mir Gedanken über die Realisierbarkeit einer größeren Antenne, was dann im Frühjahr 1950 zum Bau einer 16 Element- Gruppe führte. Mit dieser Antenne erreichte ich bis Ende Juni zuerst den Stuttgarter Raum und wenig später F, ON4, 4-mal PA0 sowie 2-mal G. Danach musste jede freie Minute zur Vorbereitung der geplanten Portabel-Expedition zum Hardberg im Odenwald eingesetzt werden, denn wir wollten den Juli- Kontest mal von 593m NN erleben. Das ist aber eine andere Story.
Die Zahl der 2 m-Stationen stieg von Monat zu Monat und ich wurde aufgrund meiner guten Stationsausrüstung immer häufiger zum Geburts- und Pannenhelfer sowie Kontaktvermittler zwischen den Neuankömmlingen. Ende 1950 hatte ich mehr als 50 Stns auf 2 m gearbeitet. 1951 stand das Abitur bevor, worunter die Aktivität natürlich litt. Danach war ich beim Julikontest wieder dabei, das Logbuch enthielt 35 Stationen im Verlauf von 24 Stunden.

UKW Portbelbetrieb 1950
Aus amerikanischen Beständen kamen immer mehr BC625 auf den Markt, ein kristall-gesteuerter Tx mit der Doppeltetrode 832 in der PA mit 30 W HF out. Der Haken dabei war, dass der Oszillator mit Kanalquarzen arbeitete und sich daher um bestimmte Frequenzen herum immer größere Stationsanhäufungen bildeten mit dem entsprechenden QRM. Abhilfe schaffte ein vorsichtiges Schleifen der Quarzplättchen mit Bimssteinpulver auf einer Glasplatte, wodurch man eine mehr oder weniger kräftige Frequenzerhöhung erzielte. Allerdings bedurfte es dazu etwas Sorgfalt. Ich fand heraus, dass eine kurze Flussurebehandlung nach dem Schleifvorgang Güte und Stabilität des Quarzplättchens verbesserte, was zur Folge hatte, dass ich im Verlauf der folgenden Jahre nicht nur eine große Zahl von xtals zu schleifen hatte, sondern auch Buch führte über die "Hausfrequenzen" aller geloggten Stationen, erst auf 2 m und später auch auf 70 cm und zwar bis 1959.
Ab da wurden die Festfrequenzen durch den aufkommenden VFO- und SSB-Betrieb nach und nach abgelöst. 1951/52 absolvierte ich vor dem Studium an der TH Darmstadt ein 1-jähriges Industriepraktikum bei BBC. An den Wochenenden war ich häufig per Motorrad auf Besuchstour bei OMs im Umkreis bis 200 km, teils in Sachen "Frequenzverschiebung", teils um mit Seitenschneider und Lötkolben dem einen oder anderen Problem zu Leibe zu rücken. An den Abenden aber blieb das "Band" selten unbeobachtet. Ende 1952 betrug das Score rund 150 Stationen, eine Backsteinaktion vom 15.1.1949, zitieren nach W. Körner, DL1CU usw.
Ende 1953 waren es 194, vor allem aufgrund einer riesigen Bandöffnung im November, wo ich je ein Dutzend Franzosen und Engländer arbeiten konnte, sowie eine Station aus dem fernen Wales. Am 19.1.1954 konnte die Erstverbindung DL-LX im Logbuch eingetragen werden und der Augustkontest brachte 39 Stns ins Log. Ende 1954 betrug das Score 234 Stns. Mit der holländischen Versuchsstation PE1PL, die Ausbreitungsforschung betrieb, hatte ich im November 1954 eine Testreihe begonnen mit einem Sked jeden Samstag morgen 08.30, der 33 Wochen lief und in 55% der Versuche zu einem Kontakt in A1 oder A3 führte. Im Juli 55 kam es dabei auch zu einem A1-QSO auf 70 cm (auf das ich mit der schon 1952 erbauten 32-El.-Gruppenantenne drei Jahre lang gewartet hatte).
Weinheimer UKW-Tagung
Die Aktivität auf dem 70 cm-Band stieg damals nur sehr langsam, da es noch keine kommerziellen Geräte zu kaufen gab. Während ich Mitte 1957 auf 2m 315 Stns gearbeitet hatte, waren es auf 70 cm nur ganze fünf! Am 2.8.1957 kam dann ON4ZK dazu, was die Erstverbindung DL-ON ergab.
Auf ein Ereignis im Herbst 1955 muss ich noch mal näher eingehen, weil es den Keim zur UKW-Tagung Weinheim legte, nämlich das erste regionale Treffen der damals im Rhein-Main-Neckar-Gebiet aktiven 2 m-OMs in Worms (parallel zur Distriktstagung von Rheinland-Pfalz). Der Vorschlag zu diesem Treffen stammte von Bruno, DL6QO, und fand - in den abendlichen Runden diskutiert - allenthalben Anklang.
Aufgrund der Mundpropaganda trafen sich dann in Worms dreißig 2m-OMs. Viele davon hatte ich im Laufe der Jahre schon kennen gelernt, anlässlich von Besuchen bei mir, oder durch Motorradexkursionen meinerseits, aber untereinander kannten sich die meisten noch nicht, und das Hallo war entsprechend groß. So war es kaum verwunderlich, dass der gegen Schluss von Edgar, DJ1SB, gemachte Vorschlag, das Treffen im nächsten Jahr zu wiederholen, allgemein begrüßt wurde. Bei der Frage nach dem "Wo?" wurde überwiegend Weinheim vorgeschlagen, was ich abzuwehren versuchte, denn mir schwante schon damals, dass das sehr in Arbeit ausarten könnte, und davon hatte ich im Studium nachgerade mehr als genug am Hals. Als die Mehrheit dennoch auf diesem Treffpunkt bestand, gab ich meinen Widerstand unter der Bedingung auf, dass ich nur ein geeignetes Lokal zur Verfügung zu stellen hätte, und die Organisation des Ablaufs von DJ1SB (Wiesbaden) übernommen werde. So geschah es dann ... und das war der Startschuss für die UKW-Tagung Weinheim.
Biographie eines UKW Pioniers: Prof. Dr. Karl Lickfeld DL3FM
(c) DJ7RC
….1941: Ich verdanke also dem Günter Leitz, so hieß der Mann, mein intensives Einsteigen in die UKW-Technik. Es sei noch gesagt, daß ich in den Zeitschriften, die ich dort fand, das waren die Bastelbriefe der Drahtlosen, Artikel entdeckte, die mich besonders geärgert haben, vor allem, weil ich nicht in der Lage war, das Gegenteil zu beweisen. In Unkenntnis der Fachliteratur, das möchte ich ausdrücklich betonen, denn Fachliteratur bekommt man erst an der Hochschule in die Hand. Es ging um die zu erzielende Entfernung bei UKW. Es handelte sich um einen Artikel, der schon 1934 erschienen war und um den Zusammenhang von Antennenhöhe zu Reichweite. Mit 100 Meter Antennenhöhe erziele man vierzig Kilometer Reichweite. So stand das da. Das war ja nicht sehr praktikabel. Wer konnte sich schon einen 100 Meter hohen Antennenmast aufstellen. Die Frage kam mir: Kann das stimmen? Hier zeige ich Ihnen das Bild eines UKW Senders. So etwa hat der Sender ausgesehen, den ich damals gebaut habe, wie dieser hier. Ein Gegentakt- Sender. Ihn habe ich noch bis 1943 retten können. Nach dem Krieg wurde mit den funktechnischen Hinterlassenschaften viel gekungelt. Jedenfalls geriet sehr viel in die Hände von Funkamateuren und ich kann Ihnen nicht sagen, wie uns zumute war, als wir nach dem Krieg wieder arbeiten durften. Ich allerdings habe das erheblich später kennen gelernt, weil ich noch längere Zeit im Osten festgehalten wurde. Jedenfalls, wir hatten Zugriff auf sehr viele Spezialteile. Damit eröffnete sich die Möglichkeit, sein Glück auch auf UKW zu probieren. Die den Wunsch hatten, haben das natürlich getan. Los gegangen ist das sehr früh. Das muß schon um 1945 gewesen sein. Aber richtig nach außen gedrungen ist das eigentlich erst 1947. Ich hatte das Glück, da noch mit einsteigen zu dürfen. Jetzt muss ich ein klein wenig privat werden. Es war ursprünglich meine Absicht, eine Technische Hochschule zu besuchen. Ich wollte Nachrichten-Technik studieren. Dazu muß man vorher ein Praktikum machen; man muß also Praktikant gewesen sein. Ich hatte Ihnen schon anvertraut dass ich mit der Familie Leitz regen Kontakt hatte und Leitz war beteiligt an einer Firma, die sich mit der Herstellung von Schwingkristallen DL 3 FM 8 beschäftigte, die Firma Steeg & Reuter. Die Firmenverflechtung war mir nicht bekannt, als mich mein Betreuer, denn mein Vater war längst tot, eines Tages besuchte und fragte, was ich denn jetzt machen wolle. Ich sagte, ich möchte gerne Nachrichtentechnik studieren und berichtete ihm von meinem Problem bezüglich des Praktikums. Er sagte da, wie wäre es mit Steeg & Reuter. Aufgrund der Literatur, die mir vorlag, war mir der Name bekannt, denn eines Tages entdeckte ich in einem Mülheimer Radio- und Fernsehgeschäft, in dem ich öfters ein und aus ging, weil ich dort ein paar Röhren finden konnte, drei Bände über Funktechnik aus dem Franckh Verlag, an denen auch Manfred von Ardenne mitgeschrieben hatte. Ich bekam die Bücher geliehen und da ich solch einen Spaß daran hatte, durfte ich sie letztendlich behalten und besitze sie heute noch. In diesen Bänden hatte ich schon über Steeg & Reuter gelesen. Mein Betreuer sagte mir da nichts Neues. Ich bin also nach Bad Homburg gegangen und habe dort praktiziert und auch die ersten Einblicke in die Steuerung von Sendern bekommen. Allerdings waren das Ultraschall-Sender. In dieser Phase und als Anfänger in Hochfrequenz-Technik und mit dem Zugriff auf Quarze, baute ich einen solchen Sender und zwar in Ultra-Audion-Schaltung. Im Hinterkopf hatte ich immer schon die Idee, dass es eigentlich mit Quarz-Steuerung gehen müsse. Als ich dort mein Praktikum machte, sind die ersten Kontakte auf UKW entstanden. Nicht von mir; die Wiege der westdeutschen UKW-Amateur-Technik liegt im Bereich Feldberg, Taunus, Heidelberg, in der Gegend um Viernheim herum. Also dort kamen die ersten Zweiwegverbindungen zustande, zwischen dem Großen Feldberg und Lampertheim. Eine reine Sichtverbindung. Es war phänomenal; es wurde kaum darüber gesprochen. Der Sender, den man damals verwendete, das weiß ich noch, war mit einer amerikanischen Stahlröhre bestückt, einer 6J5 und mit einem ganz primitiven Schwingkreis, der auf 112 MHz arbeitete. Das war damals die in Amerika zugelassene UKW- Frequenz und das zweite UKW-Band oberhalb von 50 MHz. Wir hörten aber schon, dass das 112 MHz-Band abgeschafft werden sollte und dass 145 MHz das neue Band wäre. Ich selbst habe damals nur Experimente gemacht. Im Juni 1948 machte ich mir zum ersten Mal Gedanken, für zwei Meter einen Konverter zu bauen. Das war etwas völlig Neues. Ich hatte davon gehört, dass man das so machen kann, daß man die Frequenz umsetzen und mit einem Kurzwellen-Empfänger weiterverarbeiten kann. Mir stand nicht ganz zufällig ein HRO zur Verfügung; das war für die damalige Zeit ein ungeheuer luxuriöses Gerät, aber ich habe auch sehr viel dafür opfern müssen und eine schauerliche Eisenbahnfahrt von Stade bis nach Frankfurt durchführen müssen, sozusagen auf den Puffern der Bahn, mit dem HRO und dem Netzteil unter dem Arm. Ich plante, den Konverter mit Eichelröhren zu realisieren, mit einer Ausgangsfrequenz um 7, 1 MHz herum, die ich auf dem HRO sehr gut empfangen konnte. Dann habe ich diesen Konverter aber doch mit der EF 14 aufgebaut, weil diese doch recht steil und relativ rauscharm ist. Jetzt fing das mit dem Rauschen an. So ein Gerät habe ich also gebaut. Ich habe auch Signale gehört, aber es waren nie Amateurfunk-Signale darunter, auch war ich nie ganz sicher, ob ich mich auch auf der richtigen Frequenz befunden habe. Ich glaube schon, denn die Chance war groß, mich über Oberwellen zu orientieren und mich abzuhören und dann recht genau zu sagen, dass ich mich auf dem zwei-Meter-Band befunden habe. Es war nicht ganz ungefährlich damals, so zu experimentieren, denn wir durften das nicht. Die Amerikaner waren sehr auf der Hut und sie waren hinter Schwarzsendern her, wie der Teufel hinter der armen Seele. Verschiedene sind ausgehoben worden und ich habe auch so manche Schwierigkeiten gehabt, allerdings nicht auf UKW, sondern auf Kurzwellen-Bändern. Die Katze lässt das Mausen nicht. Von meiner Wohnung in Bad Homburg hatte ich nicht ein einziges QSO fahren können. Das ist mir erst später hier im Ruhrgebiet gelungen. Ich habe also in Bad Homburg aufgehört und bin nach Mülheim zurückgekehrt und bin dann hier in die Möglichkeiten der UKW-Technik eingestiegen. Da hat dann wieder ein Zufall mit hineingespielt, denn als ich in Bad Homburg war, bekam ich Kontakt mit einem Offizier der englischen Armee hier in Essen. Er war bei der Coal-Control, einer Organisation, die dafür sorgte, dass die Deutschen nicht nur für sich, sondern vornehmlich für das Ausland Kohle förderten. Und einer diese Offiziere, ein gebürtiger Holländer war Funkamateur; es war PA 0 BW. Dieser Offiziere schrieb mir DL3FM eines Tages nach Bad Homburg, ob ich ihm nicht einen gewissen Quarz 'besorgen' könnte. Natürlich konnte ich ihn besorgen, und ich bekam dafür etwas zu rauchen und so lernte ich den DJ2 BW kennen. Er war auch hier in Essen aktiv. Er erzählte mir, was sich so im Ausland tat, denn er fuhr jedes Wochenende heim nach Holland und brachte von dort die neuesten Nachrichten mit. Er berichtete mir, daß in Holland die Leute auf 2 Meter sehr aktiv und erfolgreich seien. Und ich habe mir hier in Mülheim, wie man so sagt, – den Ast abgebrochen, um überhaupt etwas zustande zu bringen. Sie glauben ja gar nicht, wie schwierig es damals war, einen Sender zu bauen, der quarzgesteuert war, überhaupt etwas auf zwei Meter herauszukriegen. Es war unsäglich schwierig. Wir haben die unmöglichsten Kombinationen ausprobiert. Eines schönen Tages hat mein Holländer dann gesagt, er hätte etwas für mich und ich solle mal zur Villa Hügel kommen. Dort war auch die Coal-Controll untergebracht. Wie sich herausstellte, hatte er da einen BC 625 stehen. In dem befanden sich Doppelelektroden des Typs 832. Eine sehr gesuchte Senderröhre, sehr empfindlich, wenn auch nicht sehr steil. Sie waren für UKW gedacht und wurden auch allgemein auf UKW betrieben. Wie man sich denken kann, gab es erst mal Schwierigkeiten, als ich mit dem Sender unter dem Arm am Wachposten vorbei wollte. Aber das klärte sich dann schnell. Dieser Neuzugang brachte dann den ersten entscheidenden Fortschritt auf der Senderseite. Ich hatte also eine spezielle Tetrode für diese Zwecke und ich hatte auch einen speziellen Quarz. Einen 18 MHz Quarz und nach langem hin- und her probieren ist es mir tatsächlich gelungen, einen Sender zu bauen, der auf zwei Meter quarzgesteuert arbeitete. Empfängerseitig war es eine andere Angelegenheit. Ich habe alles Mögliche angestellt, um herauszufinden, wie man das am besten macht. Wie dem auch sei, die Erfolge stellten sich ein. 1949 im Juli hatte ich meine erste UKW-Verbindung mit dem Ausland. Mit PA 0 UHF über eine Entfernung von ungefähr 200 Kilometern; einer der imponierendsten Augenblicke meines Amateurfunk-Daseins. Wirklich mit einer Gegenstelle Kontakt zu haben und das auch bestätigt zu bekommen, wenn auch erst nach Jahren, das war was. Gehört worden war ich vielfach; als Schwarzsender schon. Erstmal völlig schwarz als DH3JC und dann als DH4 JC in Mülheim. Leider hatte ich keine Erfolge. Erfolge wurden gefördert durch den holländischen Offizier, denn er sagte mir: DL 3 FM 'Wissen Sie was, wenn ich am Wochenende zu Hause bin, dann sind sie hier DL2BW. DL 2 stand für englische Besatzung und BW war sein holländisches Suffix. Also, er brachte die neuesten Nachrichten mit; unter anderem berichtete er dann vom Konverterbau und da gäbe es etwas ganz Besonderes in Holland 'wir verwenden jetzt einen Spezial-Konverter dort. Zwar mit einem selbst erregten Oszillator, aber wir lassen alle Kreise im Gegentakt arbeiten.‘ Dazu musste man natürlich Spezial-Röhren haben. Das waren 6J6 Doppeltrioden, aber die brachte er auch mit. Er hat mich außerordentlich großzügig versorgt mit allen möglichen Spezialteilen und auch Kleinigkeiten. Zugleich bekam ich aber auch schon Material aus den Vereinigten Staaten, weil ich auf Kurzwelle sehr rege war. Ich konnte also experimentell allerhand Fortschritte machen. Ich kann die Rauschzahl des Empfängers nicht angeben. Zu der Zeit haben wir noch keine Messungen gemacht. Aber er war erstaunlich empfindlich. Die Stabilität des Oszillators war relativ gut. Aber von da an war es eigentlich kein großes Problem mehr, auf UKW QSOs zu fahren. Über relativ geringe Distanz allerdings. Die allerersten Erfolge über kürzere Strecken hat übrigens Günter Friedland DL3FO mit mir zusammen gemacht. Ich weiß nicht mehr, was für einen Empfänger er benutzt hatte. Er kam immer ganz begeistert zu mir und sagte: Karl ich habe dich da über 500 Meter Entfernung gehört. Der nächste Schritt war dann der Versuch, einen quarzgesteuerten Konverter zu bauen. Es wurden also wieder Experimente gemacht und ein Konverter realisiert. Leider ist mir dieser Konverter auch verloren gegangen, nachdem ich ihn einmal verliehen hatte. Ich hätte ihn gerne zurückbekommen als Experimentier-Modell. Er bestand aus einem typischen Experimentier-Chassis, ein Eisenmetall-Chassis. Das Herz des Ganzen war ein Quarz von Steeg & Reuter. Die erste Stufe war bestückt mit seiner Luftwaffen-Röhre LV1, die nächste Stufe gleichfalls mit einer LV1, einer steilen und auch recht rauscharmen Röhre und dann kam eine Doppeltetrode. Dieser beschriebene Sender ist sehr viel benutzt worden. Vor allem 1950 zusammen mit Günter Friedland während eines Contests in Mülheim. Es war der zweite UKW-Contest auf deutschem Boden überhaupt. Wir haben eine ganz gute Figur abgegeben und wir konnten sogar Holland erreichen. Er hat noch lange Zeit in den Händen von OM von der Linden, DJ1YS gute Dienste geleistet, - so hoffe ich. Ich habe ihn vor zwei Jahren erst wieder zu mir zurückgeholt, nachdem ich noch Zusätze gebaut hatte, um ihn wieder in den alten Zustand zu versetzen, denn wie Sie vielleicht wissen, bin ich bemüht, einige Geräte, die Geschichte gemacht haben, nicht meines Namens wegen, sondern des Amateurfunks wegen, Museen zu übergeben, damit sie dort erhalten bleiben. DL 3 FM 12 Mit der Quarz-Steuerung des Senders und mit der Fähigkeit hochstabile Konverter zu bauen, insbesondere Cascode-Konverter, mit Spezial-Röhren und Quarzsteuerung, tat sich eine ganz neue Welt auf. Verbindungen zu tätigen über 200 bis 300 km war überhaupt kein Problem mehr, nachdem in der Vorkriegszeit einige hundert Meter gerade noch gut erreicht werden konnten. Das hat ein paar Jahre so angehalten, dann kamen weitgehende Verbesserungen auf dem Gerätesektor, denn dann schaltete sich auch die deutsche Industrie in die Herstellung von Geräten für die Funkamateure ein. Daran habe ich mich auch etwas beteiligt; es handelt sich um den Dezitron 70A. Einen 70 Zentimeter-Empfänger, der bei einer sehr UKW-Referenten vor DL3FM: v.l. Ernst Fendler, DL1JK und Kurt C. Schips, DL1DA kleinen Firma in der Nähe von Karlsruhe produziert wurde. Das war der erste Versuch, auch den OMs etwas in die Hand zu geben, die keine Möglichkeiten hatten, sich etwas selbst zu bauen. In dieser Zeit, kurz nach meinem Studium und in Vorbereitung auf das, was ich später einmal getan habe, war ich in einer Industrie tätig. Diese kleine Firma beschäftigte sich damit, Geräte zu produzieren, die die Post auch heute noch verwendet, um Störer aufzuspüren. Ja das 70-cm-Band. Eine meiner traurigsten Stunden war, dass ich auf 70 Zentimeter in 800 Kilometer Entfernung in Wales gehört worden bin, schon 1950, aber mein Empfänger taugte nichts. Ich hörte den Waliser nicht. Ich empfand das damals als sehr tragisch, denn wir waren ja bemüht, so schnell wie möglich solche Erstverbindungen zu machen; aus sportlichen und ehrgeizigen Gründen heraus zu beweisen, dass wir dazu in der Lage waren. Es war das Jahr 1952, als meine Aktivitäten hier, die zwar sehr auf Kosten meines Studiums gingen, auch vom DARC ernsthaft registriert wurden. Ich habe ab 1952 für 12 Jahre lang das Amt des UKW-Referenten übernommen. In diese zwölf Jahre fällt dann auch noch eine Aktivität auf internationaler Ebene, denn ich war Mitglied der IARU, der Internationalen Amateur Radio Union. Für die europäische Region, die Region 1, war ich der Vorsitzende und leitete einige sehr interessante Tagungen. Ich bin in dieser Zeit sehr viel herumgekommen, nicht des Reisens wegen, sondern um zu lernen, wie man die UKW-Technik im Ausland betreibt. Es war auch die Zeit, als das groß gemacht wurde, was man so Contest nennt. Ich selbst habe damals für den DARC den ersten UKW-Contest ausgeschrieben. Damals waren Conteste wirklich notwendig. Wir mussten einfach ausprobieren, wie weit das überhaupt ging. Teilnehmer waren damals nicht viele; vielleicht 10 oder 12 in ganz Deutschland. Wir waren nicht an Punkten oder sonst etwas interessiert; vor allen Dingen ging es nicht darum, DL 3 FM verzeihen Sie bitte, diesen Unfug zu betreiben: 5 min und den Nächsten bitte, so wie das heute auf Kurzwelle täglich zu beobachten ist. Ein besonderes Ereignis für mich war die Vorbereitung der EME-Technik. Ich bekam damals einen Brief von Prof. Nestel, DL1ZE der mir sinngemäß mitteilte, „was Sie da vorhaben, kann nicht funktionieren. Lassen Sie die Finger davon“. Wir haben uns nicht beirren lassen, doch ich musste schließlich das Projekt aufgeben, weil es einfach meine Zeit überforderte. Mein wissenschaftlicher Beruf interessierte mich noch mehr als meine Amateurfunktätigkeit und man kann nicht Diener zweier Herren sein. Es war eine schöne, fruchtbare Zeit, ganz zu schweigen von den vielen IARU-Tagungen in den verschiedensten Ländern Europas, die dazu angetan waren, der UKW-Technik auf die Sprünge zu helfen. DL3FM war im In - und Ausland sehr bekannt. Das spiegelte sich auch in den Weihnachts- und Neujahrsgrüßen wider. Bis zu 50 Grußkarten oder Briefe (nachweislich DJ7RC) erreichten ihn dann. Ich habe 1964 die UKW verlassen und sie nie wieder betreten. Das hat etwas zu tun mit einem fürchterlichen Krach mit dem DARC, auf den ich hier nicht eingehen möchte. Es ging wie so oft um das liebe Geld.
Volltext: hier
Beginn der UKW Aktivitäten in Tirol (OE7)
© Peter Kunst, OE7PKI
"Wie ich zum Amateurfunk kam"
Im Jahr 1954 wurde mein Interesse durch einen Kollegen, der damals eine Fernsteuerung baute und mit einer Oberwelle seine Aussendung im UKW-Rundfunkband hörte, zum Funk geweckt. Mit zwei anderen Kollegen baute ich den ersten freischwingenden Sender mit der ECC85 und stimmte ihn auf ca. 100MHz ab. Später kam die entsockelte RL2,4T1 - als direkt geheizten Batterieröhre - die in Tornistergeräten derWehrmacht für UKW-Sprechfunk eingesetzt wurde, zur Anwendung. Der Aufbau war als Sender-Pendel-Empfänger konzipiert und wir bewegten uns damit bereits auf ca. 600MHz. Über 300-Ohm-Flachbandkabel und Eigenbau-Yagi-Antenne diente das als Querverbindung untereinander. Damals bestand eine weitere Runde, die im Mittelwellenbereich am oberen Bandende funkte und mit der wir Kontakt aufnahmen bis uns die Fernmeldebehörde am 8. Juli 1955 zeitgleich den Betrieb einstellte. Wir waren insgesamt 8 Leute die diesem unerlaubten Hobby frönten und denen alle für die Sendung mitverwendeten Geräte wie Tonband, Plattenspieler, Radio u. dgl. konfisziert wurden. Dazu fassten wir exemplarische Geldstrafen aus.
OE7PKI Funkbetrieb am Aggenstein
OE7PKI Zusammenbau der Langyagi
OE7PKI Unterseite UKW-Sender
So bin ich tatsächlich wegen meines technischen Interesses zum Amateurfunk gekommen und es traf real zu, wie es im Bundesgesetzblatt, ausgegeben am 13. Feber 1954 hieß: "Amateurfunkstellen sind Funkanlagen, die aus persönlicher Neigung zur Funktechnik oder zum Funkbetrieb und nicht in Verfolgung anderer Zwecke errichtet und betrieben werden" Der Zusatz „insbesondere zur Durchführung von Notund- Katastrophenfunkverkehr“ existierte noch nicht und wurde erst mit der Neuformulierung des AFG 1998 aufgenommen.
Endlich darf ich das Hobby legal ausüben. Nach Besorgung des Bundesgesetzblattes 36/1949, des Post- und Telegraphenverordnungsblattes Nr. 5/1963 in dem die Amateurfunkverordnung BGBl. 326/1962 veröffentlicht wurde und mit Unterstützung anderer Funkamateure legte ich nach dem „Selbststudium“ Am 13. November 1964 die Prüfung ohne dem Nachweis der Fertigkeit des Morsens, ab und erhielt am 1. Dezember 1964 die „kleine“ Bewilligung mit dem Rufzeichen OE7PKI. Erst am 19. Dezember 1986 holte ich die Morseprüfung nach und bekam endlich die „große“ Lizenz.
Gleich nach Erhalt der Afu-Lizenz war ich auf der Zugspitze zu meinem ersten UKW-Kontest mit. Damals war das Hotel im Rohbauzustand, im Gebäude waren noch keine Stiegen zur Dachterrasse vorhanden. Nur die Schienen des im Bau befindlichen Personenaufzugs standen oben heraus. Die Gipfelbahn war im Probebetrieb und diente dem Material- und Arbeitertransport. Wir hatten Glück und konnten mitfahren. Oben angekommen mussten wir unsere Geräte über eine provisorische Holzleiter auf das „Dach“ hinaufschleppen. Die einzige Unterkunft bestand aus einem mit Kupferblech verkleideten Kobel der Flugsicherung, den wir benützen durften. Wir bauten die mitgebrachte 2-m-Yagi zusammen, verlegten das Koaxkabel und montierten den mitgebrachten Steckmast. Bei den Arbeiten hatte ich plötzlich das Gefühl, dass mir jemand durch die Haare fuhr und ich tippte auf meinen Partner. Der war aber weit von mir weg. Bei genauem Hinsehen wurde mir klar, dass es Elmsfeuer waren, die zwischen mir und den Aufzugschienen hin- und hersprangen. Am Horizont waren schwarze Wolken, die sich als Gewitter ankündigten. Man hörte bereits den Donner und wir suchten Schutz im Faradayschen Käfig. Dann ging es Schlag auf Schlag, Blitz und Donner zugleich. Die ganze Nacht saßen wir an den Geräten. Alles war selbstgebaut. Antenne, Netzgeräte, Sender und Empfänger, für die Teile von Wehrmachtsgeräten verwendet wurden. Trotz des Abenteuers war es ein erfolgreicher Kontest mit Ausbeute bis nach Luxemburg. Am nächsten Tag wurde alles abgebaut und wir begannen den Abstieg mit der gesamten Last vom Gipfel zur damaligen Bergstation. Die Gipfelbahn war nicht in Betrieb. So gingen wir zu Fuß. Die Strapazen nahmen wir für das Hobby gerne auf uns.
Als erstes volltransistorisierten Geräte lötete ein befreundeter OM den Bausatz des von DL3IJ konstruierten und in den UKW-Berichten veröffentlichte Trausnitz III zusammen. Um die Neuerwerbung in der Praxis zu testen, baute ich nach Rothammel die von DL6WU entwickelte 9-Element-Langyagi mit 4.150 mm Länge und 13,5 dB Gewinn als zerlegbare Antenne nach. Damit ausgerüstet, alles im Rucksack verpackt, fuhren wir am Samstag den 23. April 1966 nach Grän im Tannheimertal. Von dort gingen wir in einem längeren Fußmarsch auf den Aggenstein. Der Berg mit seinen 1986 Metern steht im österreichisch-deutschen Grenzgebiet als erste Erhebung südlich des Flachlandes. Oben angekommen wurde die Antenne zusammengebaut, aufgestellt und das Kabel an das mit 4 Taschenlampenbatterien betriebene Funkgerät angeschlossen. Die Spannung war groß, aber die Freude noch Größer als sich Stationen hintereinander meldeten. Mit der kleinen Leistung von knapp 1 Watt und amplitudenmoduliert wurden Entfernungen bis 270 km überbrückt. Leider bremste das Wetter unseren Tatendrang ein, denn um 17:50 Uhr zog ein Gewitter auf. In der Antenne begann es zu knistern und binnen weniger Minuten war alles abgebaut und verstaut. Im Laufschritt ging es hinunter zur Pfrontener Hütte. Kaum angekommen, brach ein überaus heftiges Gewitter los. Als es vorüber war, überlegten wir, absteigen oder übernachten. Wir entschlossen uns für den Abstieg. Das war gut, denn kaum im Tal angekommen begann es wieder zu regen. Allerdings ununterbrochen mehrere Tage lang.
"Die Taxler"
Als in Deutschland wegen der Bandbreitenreduktion Taxifunkgeräte ausgemustert wurden, holte ich im Herbst 1970 alte KFT 160 von München. Bisher war AM die übliche Betriebsart, die sich nun auf FM änderte. Wir waren zu dritt, als wir Reichweite und Verbindungsqualität unsere Neuerwerbung wissen wollten. So testeten wir diese außerhalb des uns genehmigten Bereichs. Wir waren überrascht, was die alten Geräten leisteten. Sofort bemühten wir uns um eine Umbauanleitung, damit wir auf die tiefere Frequenz gelangten. Gleichzeitig bestellte ich im Dezember 1970 die dafür erforderlichen Quarze. Die modifizierten Geräte wurden in Autos eingebaut und im Mobilbetrieb ausgiebig getestet. Wir konnten kaum glauben, dass an Stellen, an der früher AM-Verbindungen abbrachen, einwandfreie Kommunikation möglich war. Auch die Entfernung über mehrere km war völlig neu für uns. Sofort entstand eine regelrechte Spaltung unter den Funkamateuren. Wir wurden mit später hinzukommenden OMs geringschätzig als „Taxler“ bezeichnet. Es dauerte kein Jahr, als plötzlich FM DIE Betriebsart wurde. Inzwischen wurden Relaisstellen aufgebaut um die Reichweite zu vergrößern. Meines Wissens, war DB0ZU, vormals DL0ZU auf der Zugspitze, die erste Anlage.
Finanziell standen wir damals nicht besonders gut da. Mit gebrauchten und geschnorrten Teilen war Selbstbau gefragt. Im Kollegenkreis, mit gegenseitige Hilfe und nach Maßgabe der freien Zeit, begannen wir die ersten Sender und Empfänger zu bauen. Beruf und Familie gingen vor. Mein erstes, wirklich brauchbare Projekt, war der AM-Sender auf 144,900 MHz, im selbstgebogenen Blechgehäuse, bestückt mit 2 x EF 85, ECC 85 und QQE03 -12 in der Endstufe. Um variabel zu sein waren Steckquarze vorgesehen.
Erster Ballonstart mit Amateurfunk-Last in der DDR: 6.12.1964
Das ARTOB/BARTOB Programm
© Olaf, DL7VHF ex DM2CFO und DL3YB
Am 6. Dezember 1964 startete in Kolberg, südostlich von Berlin ein Wetterballon mit einem von Till Prix, DM2AKD aufgebauten 250 Milliwatt UKW-Sender. Die organisatorische Betreuung des Projektes oblag dem damaligen DM-VHF-Manager Gerhard, DM2AWD. Till, DM2AKD war einer der Pioniere des UKW-Amateurfunks. Seine 5 Milliwatt-Bake in Königs-Wusterhausen verhalf damals zu Zeiten des absoluten Selbstbaus von UKW-Empfängern vielen Funkamateuren zum Erfolgserlebnis. So konnten sie auch den Flug von DRAMBA 1 (Driftender Amateurfunk Ballon Nr.1) interessiert verfolgen. DM2CFO, dem die abgebildete qsl-Karte gewidmet ist, hörte den Ballonsender damals mit einem von DM2AKD modifizierten UKW-Rundfunk-Vorsatzgerät der Fa. Neumann. Der Konverter war im Eingang mit der Röhre E88CC in Kaskodeschaltung und im Oszillator mit einer ECC85 bestückt. Wegen der relativ geringen Bandbreite des UKW-Amateurfunkbandes kam als Abstimmelement kein Drehko in Frage, sondern eine zwischen zwei Messingwinkeln sich drehende Kurvenscheibe aus Plexiglas, die gleichzeitig die Skala bildete. Als Nachsetzer fungierte ein sowjetischer Lizenzbau des berühmten amarikanischen Kurzwellenempfängers BC-348 mit der Bezeichnung US-9.
OST: QSL Karte DRAMBA-I, DM2CFO/DM2AKD (Fotos: Ballonstart - Foto: Privatarchiv DL7VHF
WEST: Linear-Transponder auf Heissluftballons
Von Zeit zu Zeit wurde der Funkbetrieb auf den UKW-Bändern sehr interessant: Linear-Transponder wurden von Funkamateuren entwickelt und gebaut.
Im Prinzip war es das Gleiche, was man heute »Ballonprojekte« nennt. Ungefähr zwei Stunden UKW-DX.Die ARTOB-Aufstiege wurden von OK1VMS mit dem QTH-Kenner HK 72 b am 18. und 25.6.1967 beobachtet. Er konnte über ARTOB am 18.6. mit DL3BJ und DJ5BV arbeiten und DL1RX, DM2BEL, DJ2US, PAØLM, HB9MX und HB9QQ hören. Am 25.6. gelang OK1XW eine Verbindung mit PAØHEB. OK1VMS hörte am 25.6. DM2BEL, DM4YSN und DL1RX.
Die UKW-Rundschau im DL-QTC 12/1967 schrieb dazu: "Für Starts von BARTOB-Flügen wird zurzeit noch auf die Genehmigung von der Bayr. Landesregierung gewartet. Die Genehmigung soll bis Ende Juni erteilt worden. Es soll in Zukunft nur noch ein neu hergerichteter 70cm- / 2m-Umsetzer geflogen werden. Der bisher geflogene 2m-/2m-Transponder kann nicht mehr eingesetzt werden, weil die Ansprechbereiche der FM-Relais-Stationen in den Ansprechbereich des BARTOB-Umsetzers fallen. Durch den Ausfall dieses Umsetzers ist es den in Südosteuropa wohnenden Funkamateuren leider nicht mehr möglich, über Ballonumsetzer zu arbeiten. Ihnen ist das 70cm-Band als Amateurband nicht zugeteilt.
Der am 23.05. gestartete 70-cm 2m-ARTOB-Transponder war ein Jubiläumsflug. Es war der bisher längste Flug von 11:04-15:28 Uhr. Über den ARTOB Nr. 50 wurden über 110 verschiedene Stationen registriert, von denen etwa 15 % CW machten. Der nächste ARTOB-Start ist am 13.06. um 11:00 Uhr geplant. Es fliegt wieder der von OE2OML gebaute 70-cm-/2-m-Transponder. Um die Geräte schneller in die Höhe zu bringen, werden zwei Ballons benutzt"
Rückblickend kann festgestellt werden, dass bei 50 Flügen kein Gerät verlorengegangen ist. Durch ausgezeichnete Zusammenarbeit des ARTOB-Suchteams mit den Mobiljägern konnten die Geräte teilweise schon 10 Minuten nach der Landung geborgen werden.
Wie kam es zum FM- und Relaisfunk ?
Bearbeitet von DF9QM
Die hier angeführten Artikel sind Veröffentlichungen aus DL-qtc und CQ-DL und sollen zum besseren Verständnis der Anfangszeiten von FM- und Relaisfunk beitragen. Die Rechte aller Artikel und Bilder hat der DARC. Bei allen Beiträgen finden Sie Angaben über die Quellen fett gedruckter Schrift zu Beginn des jeweiligen Beitrags.
Artikel: Amateurfunk mit Taxigeräten DL-QTC (8/69)
"Durch die von der Post geforderte Umstellung des Kanalabstandes kommerzieller Dienste von 50 kHz auf 20 kHz ergibt sich für viele OM's die Möglichkeit. Taxifunkgeräte preisgünstig zu erwerben. Die meisten Geräte lassen sich ohne Schwierigkeit auf das 2-m-Band abgleichen und dort betreiben. In Nürnberg sind bereits 16 solche Stationen QRV, in München ca. zehn. Um die Stationen einheitlich in ganz DL betreiben zu können. empfehlen wir die bereits in München, Nürnberg und Augsburg eingeführte Frequenz von 145.152 MHz. Der zweite vorhandene Quarzkanal kann dann nach Belieben der einzelnen OV's bestückt werden. Die Betriebsabwicklung ist mit diesen Geräten so sicher und überzeugend, daß wir sie hier in Nürnberg nicht mehr missen möchten. DL 8 UQ. "
Artikel: Anruffrequenz auf dem 2m Band (DL-QTC 9/69)
"Auf der letzten IARU-Region-I-Konferenz in Brüssel wurde die bereits bestehende Bandeinteilung auf dem 2-m Band erweitert und eine Anruffrequenz international festgelegt, die besonders den Mobil- und Portable-Stationen zugute kommen soll. Damit ist eine Forderung verwirklicht worden, die auch von vielen deutschen VHF-Amateuren immer wieder aufgestellt wurde. In vielen Ortsverbänden bestehen schon seit Jahren bestimmte Anruf- und Arbeitsfrequenzen. Die Vorteile einer solchen Einrichtung liegen auf der Hand. Der VHF-Amateur findet sofort einen Gesprächspartner, ohne nach einem ungezielten Anruf das gesamte 2-m Band nach einer zufälligen Antwort absuchen zu müssen. Für Mobil- und Portable-Stationen ist es fast unerlässlich, in fremden Gegenden solche lokale Anruffrequenzen ausfindig zu machen, um auch außerhalb der Hauptbetriebszeiten einige Verbindungen abwickeln zu können. Dieser bisherigen Vielzahl von verschiedenen regionalen Anruffrequenzen mußte eine Vereinfachung folgen, Die neue Anruffrequenz macht die bisher geübte Praxis der unterschiedlichen Arbeitsfrequenzen nicht überflüssig, sondern stellt eine sinnvolle Ergänzung dar. Was kann nun aber geschehen, daß sich die internationale Empfehlung nach einer überall bekannten Anruffrequenz von 145,00 MHz so schnell wie möglich durchsetzt? Alle VHF-Amateure sollten es sich ab sofort zur Gewohnheit machen, ihren Empfänger auf 145,00 MHz abzustimmen und nicht auf einer beliebigen Frequenz stehen zu lassen. "Parken" Sie Ihren Empfänger immer auf der international festgelegten Anruffrequenz. Das sollte vor allem für Funkamateure gelten, die auch während der Tageszeiten besonders an Werktagen betriebsbereit sein können, sei es während des Urlaubes oder bei der Ausübung des Berufes. So besteht für Sie an Ihrer Station die Möglichkeit, sofort eine Funkverbindung aufnehmen zu können. Auf der Anruffrequenz 145,00 MHz können auch in verkehrsschwachen Zeiten längere Gespräche abgewickelt werden Das ist eine weitere Gewähr dafür, daß diese Frequenz ständig beobachtet wird Es ist sicherlich selbstverständlich daß bei den schon geringsten gegenseitigen Störungen ein Frequenzwechsel durchgeführt wird, zum Beispiel auf die schon heute vielfach eingeführten Arbeitsfrequenzen der einzelnen Ortsverbände.
Auf der Anruffrequenz 145,00 MHz sind alle Betriebsarten zugelassen. Es bieten sich vornehmlich AM, FM und SSB an. Um die Vorteile dieser Neuregelung voll ausnützen zu können, ist es unter Umständen erforderlich, neben dem VFO einen speziellen Quarz für den Sendebetrieb einzusetzen. Die Beschaffung geeigneter Quarze stellt sicherlich kein unüberwindliches Hindernis dar. Es sollten somit in Zukunft folgende Regeln besonders in verkehrsschwachen Tageszeiten beachtet werden: Stimmen Sie Ihren Empfänger immer auf die Anruffrequenz 145,00 MHz ab. Lassen Sie Ihren Empfänger auf dieser Frequenz möglichst ständig in Betrieb, solange Sie sich in der Nähe Ihrer Station aufhalten. Rufen Sie zunächst grundsätzlich auf der Anruffrequenz, was besonders für Mobil und Portable-Stationen gelten sollte. Es wäre wünschenswert, wenn diese neu festgelegte Anruffrequenz dazu beiträgt, schneller Gesprächspartner zu möglichst allen Tageszeiten zu finden."
Artikel: Amateurfunk auf festen Kanalfrequenzen (DL-QTC 10/69)
"Von den Dienstleistungsbetrieben, Behörden und auch von der Industrie werden in der nächsten Zeit erhebliche Mengen von FM-Sprechfunkgeräte ausgemustert, die aufgrund neuer technischer Bestimmungen (Umstellung vom 50-kHz auf 20-kHz-Raster) nicht mehr für feste und mobile Funkdienste dieser Art betrieben werden dürfen. Diese freigesetzten Geräte bieten sich nun für den Amateurtfunk an, da sie ohne größere Umbauarbeiten im2-m-Amateurfunk-Band eingesetzt werden können und wahrscheinlich auch preiswert zu erwerben sein werden. Mit solchen Geräten lassen sich leistungsfähige Nahverkehrsdienste innerhalb eines Ortsverbandes oder eines Distriktes aufbauen. Es muß nun aber vermieden werden, daß solche FM-Netze mit beliebigen oder zufälligen Kanalfrequenzen betrieben werden, die dann nur zu Störungen größeren Ausmaßes Anlass geben würden. Das UKW-Referat des DARG's empfiehlt daher eine Frequenzordnung, die von allen Funkamateuren im eigenen Interesse zu befolgen wäre, die mit solchen kommerziellen FM-Funkgeräten ein Netz aufhauen möchten. Es ist bewusst davon abgesehen worden, die Benutzung von F3 nur in einem bestimmten Bereich des 2-m Bandes zuzulassen, sondern es gilt auch in diesem Falle die Bandeinteilung der IARU-Region-I, die es zwischen 144,15 und 145,85 MHz erlaubt, alle Betriebsarten gleichberechtigt zu benutzen. Die FM-Nahverkehrsnetze sollten auf einem der folgenden Kanäle betrieben werden:
Die im Frequenzschema aufgeführten Kanäle 0 bis 3 und 37 bis 40 dürfen auf gar keinen Fall benutzt werden, da diese Bereiche für die Betriebsart F3 nicht zugelassen sind, Eine der zu bestückenden Quarzfrequenzen sollte auf die international festgelegte Anruffrequenz 145,00 MHz gelegtwerden (Bedeutung der Anruffrequenz: siehe DL-QTC 9/1969).
Alle weiteren Frequenzen sind dann entsprechend dem 50- kHz-Raster nach freier Wahl zu bestücken. Es wäre allerdings sinnvoll, zunächst einmal die Kanäle 17-23 zu benutzen und erst bei anwachsender FM-Netz-Zahl auf weitere Kanäle auszuweichen. In diesem Bereich lassen sich die kommerziellen FM-Geräte ohne zusätzliche Abgleicharbeiten betreiben, und es ist die internationale Anruffrequenz mit einbezogen. Falls Sie jetzt oder in Zukunft mit anderen Funkamateuren ein Nahverkehrsnetz mit solchen FM-Funkgeräten planen und aufbauen möchten, wenden Sie sich bitte mit Ihren Frequenzwünschen und -vorschlägen an den UKW-Referenten Ihres Distriktes, der Sie entsprechend beraten wird. "
Artikel: FM - QRG -145,150 MHz: Ein voller Erfolg!
(Anzeige in den gelben Seiten DL-QTC 1/70)
"Im DL-QTC Nr. 8/69, S. 607, wurde bereits auf die hervorragende Verwendungsmöglichkeit von Taxifunkgeräten hingewiesen. Seit Erscheinen dieses Artikels sind jetzt im Raume MÜNCHEN, NÜRNBERG-FÜRTH und Erlangen Ober 100 OM's Im Besitz dieser Geräte. Wir möchten nun n o c h m a I s alle OM'S, die in Zukunft diese Geräte benutzen wollen, bitten, der QRG 145,150 MHz bei ihrer Frequenzwahl den Vorzug zu geben. Dies hat besonders für Mobilstationen den großen V o r t e i l, auch in f r e m d e n S t ä dt e n sofort und mühelos einen Funkpartner zu finden. Münchner, Nürnberger, Fürther und Erlanger Mobilisten sind vom FM-Kanalbetrieb auf 145,150 MHz begeistert, weitere OV'S haben sich bereits für 145.150 MHz entschieden. Die große Ballung vieler Stationen auf kleinem Raum und 1 bzw. 2 Kanälen führt nach unseren Erfahrungen nicht, wie man vermuten könnte, zu einer Überbelegung des, oder der Kanäle. Genau des Gegenteil ist der Fall, jeder freut sich, ohne lange am RX zu kurbeln, zu jeder Zeit einen Partner zu finden. Außerdem gestatten es die Vorteile der FM, daß der Kanal in verhältnismäßig geringer Entfernung von anderen QSO-Partnern belegt werden kann, ohne sich gegenseitig zu stören! Die Rauschsperre ermöglicht es sogar, sowohl zu Hause, als auch mobil o h n e Protest der XYL mit dem RX ständig auf Empfang zu sein.
Die hier angeführten OM'S würden sich sehr freuen, bei allen OV'S Funkpartner auf 145 ,150 MHz zu finden:
DC6LV - MS - OH - SG - SL - XZ - YE -- DC8LK - LP - LQ - LT - OT - OV - XX -- DC9FW - NF -- DJ1EB - IR - NB - ZT -- DJ2BJ - EU - OK - OM - RX -- DJ3DT - DU - GQ -- DJ4WH - YJ -- DJ5QV - QX -- DJ6OQ - RBA - RO -- DJ7PE -- DJ8ZR -- DJ9HJ - JL - ON - OS - UI -- DK1FE - FGA - HZ - JT - HA - HB - KH - SB -- DK2DY - DZ - EE - EG - GQX - GU - TX - YV - YW - YY -- DK3DH - FY - GL - LG -- DL1EH - EY - XU -- DL2AU - GT - OX - WZ -- DL3SP - DL4SF -- DL6EB - RB - RN - XD -- DL8AQ - VJ - UQ · ZX - ZZ -- DL9EW - FE - NM - QM.
Zweimal baten wir, diesen Artikel im UKW-Teil des DL-QTC zu veröffentlichen. Unserer Anregung wurde in dieser Form vom UKW-Referenten leider nicht entsprochen (S. UKW-Rundschau in diesem Heft) Wir haben selbst in die Tasche greifen müssen, um möglichst viele OM'S durch diese Anzeige zu erreichen. vy 73 es awd "
Artikel: FM -Kanalfrequenzen (DL-QTC 6/70)
"Der praktische Funkbetrieb mit umgebauten NöBL-Anlagen ("Taxifunkgeräte") hat eine Menge zusätzlicher Probleme aufgeworfen die einer schnellen Regelung bedürfen. Das wichtigste Anliegen hierbei ist es, einen für die gesamte Bundesrepublik gültigen Frequenzplan einzuführen. Die ursprüngliche Maßnahme, die Frequenzeinteilung den einzelnen regionalen Interessentengruppen auf Ortsverbandsoder Distriktebene zu überlassen, hat zu keinem nachhaltigen Erfolg geführt. Die Alternative besteht darin, einige Kanalfrequenzen festzulegen. Wir müssen davon ausgehen, daß der international eingeführte Bandplan für das 2-m-Band auch für die Nahverkehrsnetze gilt, die sich der Frequenzmodulation auf Festfrequenzen bedienen. Sie werden sicherlich einsehen, daß das UKW-Referat keine umfassenden Frequenzzuteilungen durchführen kann. Das wäre nur dann mit einem großen Zeitaufwand möglich, wenn zunächst alle Ortsverbände ihre Wünsche vortrügen. Deshalb bleibt nichts weiteres übrig, als Richtlinien und Empfehlungen zu geben, die aber nur dann Erfolg haben, wenn sie auch von allen Funkamateuren eingehalten werden. Es gibt keine Kanalfrequenzen des 50- kHz-Rasters (vgl. UKW-Rundschau, DL QTC, Heft 10/1969), die aus rein technischen Gründen bevorzugt werden müssen. Unter Berücksichtigung der internationalen Anruffrequenz 145,00 MHz und der bereits am meisten benutzten Kanalfrequenzen ist folgende Einstellung anzustreben:
Frequenz 1 (Anruffrequenz) 145.00 MHz Frequenz 2 (Arbeitsfrequenz) 145,15 MHz
Frequenz 3 (Arbeitsfrequenz) 145,30 MHz Frequenz 4 (Arbeitsfrequenz) 145,45 MHz
Frequenz 5 (Arbeitsfrequenz) 145,60 MHz
Der Abstand von 150 kHz zwischen den einzelnen Kanalfrequenzen lässt es zu, daß auch die anderen Betriebsarten ungestört in dem oberen Teilbereich des 2-m-Bandes benutzt werden können. Die Nahtstelle zwischen den einzelnen Nahverkehrsnetzen ist die internationale Anruffrequenz. Somit ist es jedem Benutzer dieser FM Geräte möglich, Teilnehmer anderer Netze zu erreichen. Das lässt auch besonders den portablen und mobilen Funkbetrieb zu. Diese jetzt konkrete Festlegung einiger Kanalfrequenzen wird sicherlich bei einigen Funkamateuren auf Ablehnung stoßen, zumal dann, wenn schon andere Frequenzen benutzt werden. An die OM'S geht der eindringliche Appell, in einer nicht zu langen Übergangszeit ihre Geräte umzurüsten. Dieser Schritt ist erforderlich, um ein störungsfreies Nebeneinander mehrerer Betriebsarten zu erreichen. Der Bereich oberhalb 145,85 MHz sollte in keinem Falle mit einem FM-Netz belegt werden, da diese Frequenzen speziell dem Satellitenfunk und den Bakensendern vorbehalten sind. Es ist in Hinsicht auf die sicherlich steigende Aktivität auf dem Gebiete des Weltraumfunks unmöglich, Störungen durch feste FM-Netze auf diesen Frequenzen zu vermeiden. Gerade durch die Kanalsteuerung ist ein schneller Frequenzwechsel nicht möglich. Gegen die gelegentliche Benutzung des Bere iches von 145,85 MHz bis 145,95 MHz durch frequenzvariable Sender aller Betriebsarten ist nichts einzuwenden. In einigen Teilen der Bundesrepublik sind bereits Frequenzumsetzer im Betrieb oder sollen in absehbarer Zeit erstellt werden, die auf exponierten Standorten installiert die Reichweite der kanalgebundenen FM-Funkgeräte erhöhen sollen. Diese Vorhaben sind ohne Zweifel geeignet, vor allem die betrieblichen Vorteile dieser Geräte auszunutzen, so daß selbst der Mobilfunk in unübersichtlichem Gelände möglich wird. Die hierbei anzuwendende Technik weist keinerlei Schwierigkeiten auf."
Artikel: Thema: 2m Bandplan für FM Relais (cqDL 4/73)
"Zur Zeit ist eine lebhafte Diskussion um das Für und Wider des 600 kHz Systems im Gange. Die Erfahrungen in DL und anderen Ländern zeigen deutlich, daß ein Weichenabstand von 600 kHz nur unter erheblichen technischen und finanziellen Aufwendungen realisiert werden kann. Die uns als Vorbild hingestellten Ws haben nach jahrelangem Kampf endlich ihre Lizenzbehörde soweit gebracht, daß ihnen im 2m Band ein größerer Bereich für Relais zugestanden wird, so daß man dort wie aus den verschiedensten Quellen zu erfahren ist, einen größeren Weichenabstand wählen kann und möchte. Auch die vorgeschlagene Verlegung des SSB Subbandes direkt anschließend an das CW Band wird in letzter Zeit mehr und mehr kritisiert, und die Argumente der Gegner sind überlegenswert: Bei der jetzigen Einteilung ist es, wenn am Ort ein SSB Mann mit dicker PA arbeitet, wenigstens noch möglich, in das CW Band auszuweichen. Bei der vorgeschlagenen Verlegung des SSB Bandes ist es nicht mehr möglich, daß zwei Stationen mit größerer Leistung am selben Ort gleichzeitig DX arbeiten. Das Argument mit dem kleineren Skalenweg ist wohl nicht so gewichtig, schließlich gibt es Kurbelknöpfe für den VFO! Wer mit Kurzwellentranceiver und Transverter arbeitet, muß den Preselektor des Tranceivers sowieso nach jedem QSY nachstellen, und wer seine PA nicht beim QSY nach stimmen will, sollte besser gleich QRT machen, auf die miesen Signale dieser PA's sollten wir verzichten! Das UKW-Referat schlägt daher folgende Bandeinteilung zur Diskussion vor:
1. Der SSB-Bereich bleibt weiterhin bei 145,410 MHz.
2. Die Benutzung der Subband-Grenzen wird beim Relaisbetrieb (Ansprechfrequenz von R2, Abstrahlfrequenz von R6) eingestellt.
3. Es werden 11 Relaiskanäle mit einem einheitlichen Weichenabstand von 1,4 MHz definiert:
Ansprechfrequenz 144,175-144,425 MHz Abstrahlfrequenz 145,575 -145,825 MHz. Dabei wird die kleinstmögliche Zahl von Quarzen unbrauchbar! Das Ergebnis der Diskussion wird Grundlage für unsere Aktivitäten bei der IARU sein."
Artikel: 2-m-Bandplan für Relais (cqDL 7/73)
"Die Clubversammlung in Wolfsburg bestätigte am 19./20. Mai 73 die in Baunatal beschlossene Vorgehensweise in Sachen 2-m Relais. Es wurde einem Antrag des Distriktes Niedersachsen zugestimmt, der die endgültige Entscheidung erst dann vorsieht, nachdem der UKW-Referent anlässlich der nächsten Region-1-Conference oder der (in diesem Jahr erwarteten) Sitzung des VHF-Committees mit den VHF-Managern der NachbarVerbände gesprochen hat. Die Planungsarbeiten sollen aber dessen ungeachtet weitergehen. Leider fehlen dazu immer noch die im Herbst von den Relais-Verantwortlichen angeforderten Karten der Versorgungsbereiche der Relais. Es liegen bisher erst 35 Karten vor Dem in Baunatal bereits vorgeschlagenen Umstell-Termin in der zweiten Hälfte des Jahres 1975 wurde zugestimmt. OM Klaus Borig, DC 8 FT, übergab das Ergebnis der Umfrage-Aktion in Sachen 1,6 MHz Weichenabstand. Es hatten sich reichlich 3 400 OM'S für die Beibehaltung des bisherigen Systems ausgesprochen. Der 1. Vorsitzende des DARC, DL3YH, dankte DC8FT und seiner Crew für die Mühen, die sie mit dieser Aktion auf sich genommen hatten. Leider sei es aufgrund der bereits früher dargelegten Gründe nicht möglich, am alten System unbegrenzt festzuhalten. DJ 2 HF schreibt zur Bandplan-Änderung auf 2 m: Der neue Bandplan ist europäisch bzw. in der Region 1 beschlossen, er ist ohne Zweifel sinnvoll und wird z. B. in England schon seit ca. 1 Jahr durchgeführt. Hindernisse in DL, weshalb diese Regelung bei uns noch nicht eingeführt ist, sind offensichtlich der 0,6-MHz-Abstand der FM-Relais sowie einiger Stationen, die die Anschaffung neuer Quarze scheuen. Das letztere ist verständlich, doch sollte dieses nicht den notwendigen Bandplan noch weiter verzögern. Änderungen in der inneren Aufteilung der Bänder wird es auch später immer wieder geben, so daß wir von der Festlegung durch Quarze abkommen müssen. Eine Anregung dazu wäre, einen variablen Oszillator nach dem Synthese- oder noch besser nach dem Analyse-Verfahren zu entwickeln, der durch mehrere Programm- bzw. Kanalwähler auf fest eingestellten Frequenzen programmierbar ist und somit eine Bandplan-Änderung innerhalb weniger Minuten möglich macht. Zum Problem "amateurmäßige Messmittel" kann ich folgendes sagen: Amateure, die ein Relais oder Umsetzer erstellen und dafür verantwortlich zeichnen, sollten mehr als amateurmäßige Messmittel haben, um eine Einrichtung dieser Tragweite aufzubauen und unter Kontrolle zu halten; dieses ist auch in den meisten Fällen gegeben. Speziell für diese OM'S dürfte eine Entkopplung zwischen Sender und Empfänger in der Größenordnung 70 dB kein Problem sein."
Deutschland-Rundspruch des DARC Nr. 5/73 vom 04.02.1973
Der im letzten Rundspruch verlesene Aufruf des Verantwortlichen des Nürnberg-Relais, DK1FE, zu einer Unterschriftenaktion wurde als eine Maßnahme angesehen, welche die Verantwortlichen in ihrem Bemühen um eine Revision des Beschlusses von Scheveningen unterstützen soll. Wenn man dieser Aktion auch keine große Bedeutung beimessen konnte, so sollte sie unseres Erachtens allein durch Solidarität zu DK1FE nicht unbeachtet bleiben. Aus einer Stellungnahme des DV Schleswig-Holstein zum Thema Bandplan einen kurzen Auszug: Wie bekannt, hat die IARU-Konferenz 1972 in Scheveningen einen Bandplan für das 2-m-Band verabschiedet mit Kanalfrequenzen, bei denen eine Frequenzablage von nur 600 kHz vorgesehen ist. Einzelheiten hierzu können in der cq-DL von Juli 72 auf S. 422 nachgelesen werden. Gegen diesen Bandplan hat der DARC auf der besagten Konferenz einen Einspruch eingelegt, der aufschiebende Wirkung hat. Diese Situation bleibt nun bis zur nächsten IARU-Konferenz im Jahre 1975 bestehen. Es bleibt uns zu hoffen, daß bis 1975 die anderen Verbände die Schwierigkeiten einer so geringen Frequenzablage erkannt haben und ggf. eine Revision des IARU-Beschlusses in unserem Sinne erfolgt. Dazu hat auch der DARC den Vorsitzenden des VHF-Komitees der Region 1 um eine Tagung gebeten, auf der die Probleme nochmals diskutiert und einer Lösung nähergebracht werden sollten. Vielleicht gelingt es auch, bis dahin Wege zu finden, um Relaisfunkstellen mit 600 kHz mit einem für Amateure tragbaren Aufwand zu bauen. Hier liegt die Betonung natürlich auf dem für Amateure tragbaren Aufwand.
Literatur-/Quellenverzeichnis
Amateurfunkgeräte nach 1945, Michael DF3IQ
Chronik der Weinheimer UKW-Tagung (DJ7HL, DJ8AZ et. al)
Die Entwicklung des UKW Amateurfunks in Deutschland, DJ1GE / DARC-Distriktsarchiv Hamburg
Funkzentrum In Media e. V.
Fox Tango International User Group
Die Geschichte der Firma Geloso, von Tony I0JX
Heathkit Virtual Museum
Historische Betriebstechnik auf dem 2m-Band (DB0UA)
Interview mit 'Mr. ICOM' Tokuzo Inoue (CQ Amateur Radio Magazine)
Neukonstruktion eines SSB/FM-2m-Transceivers aus SEMCO-Bausteinen (DK4SX)
Radiomuseum.org
Dokumentationsarchiv Funk, A-1235 Wien
RigReference - Das umfassendste Nachschlagewerk für Amateur-Radio-Geräte
Tranceiver und Endstufen der Firma Götting (DL8ZAJ)
Transistor-Amateurfunkgeräte für das 2-m-Band, Radio Praktiker Bücherei #109 von Josef Reithofer, DL6MH
VE6AQO & DL9BBR Ham Radio Corner
Wie kam es zum FM und Relaisfunk in DL? (DF9QM)
European VHF, Artikel im 73 magazine vom Jänner 1969, Lee Grimes K7INU/DL5QN
Ich bedanke mich herzlich bei allen, die dieses Projekt mit ihren Beiträgen unterstützt haben.
Christian Wieser, OE3CWJ