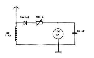
Field strenght meter -
Homemade and simple
Diode Hf-Type
100kOhms Potentiometer
10nF capacity
very sensitive meter, you may also use your Multimeter
some short antenna, depending on power and distance from transmitter
a metal case is recommended but optional
1 microHenry coil inductivity
Have fun and check the radiated power of your antennas!
If you have any questions or comments, please email to
OE3MZC
top of page
|
home
|
propagation now
|
field strenght meter
|
1270 Mhz antenna
|
Maldives Dxpedition
You are visitor number: