OE3MZC ham radio pages !!

CTCSS - DTMF - Tone Decoder / Encoder

CTCSS Decoder / Encoder

    Sub - audible tone decoder 
    using MX165CP from MX-com 
This circuit is a perfect upgrade for old FM transceivers , that do not offer Tone Sqelch. The IC detects 39 different tones in the range between 67 Hz -250 Hz. 
A filter is included (0-300Hz) to keep the low tones off the speaker. To monitor stations transmitting without a tone, you should use pin OTL ( open to listen). 
ctcss.gif diagram
dtmf.gif  diagram

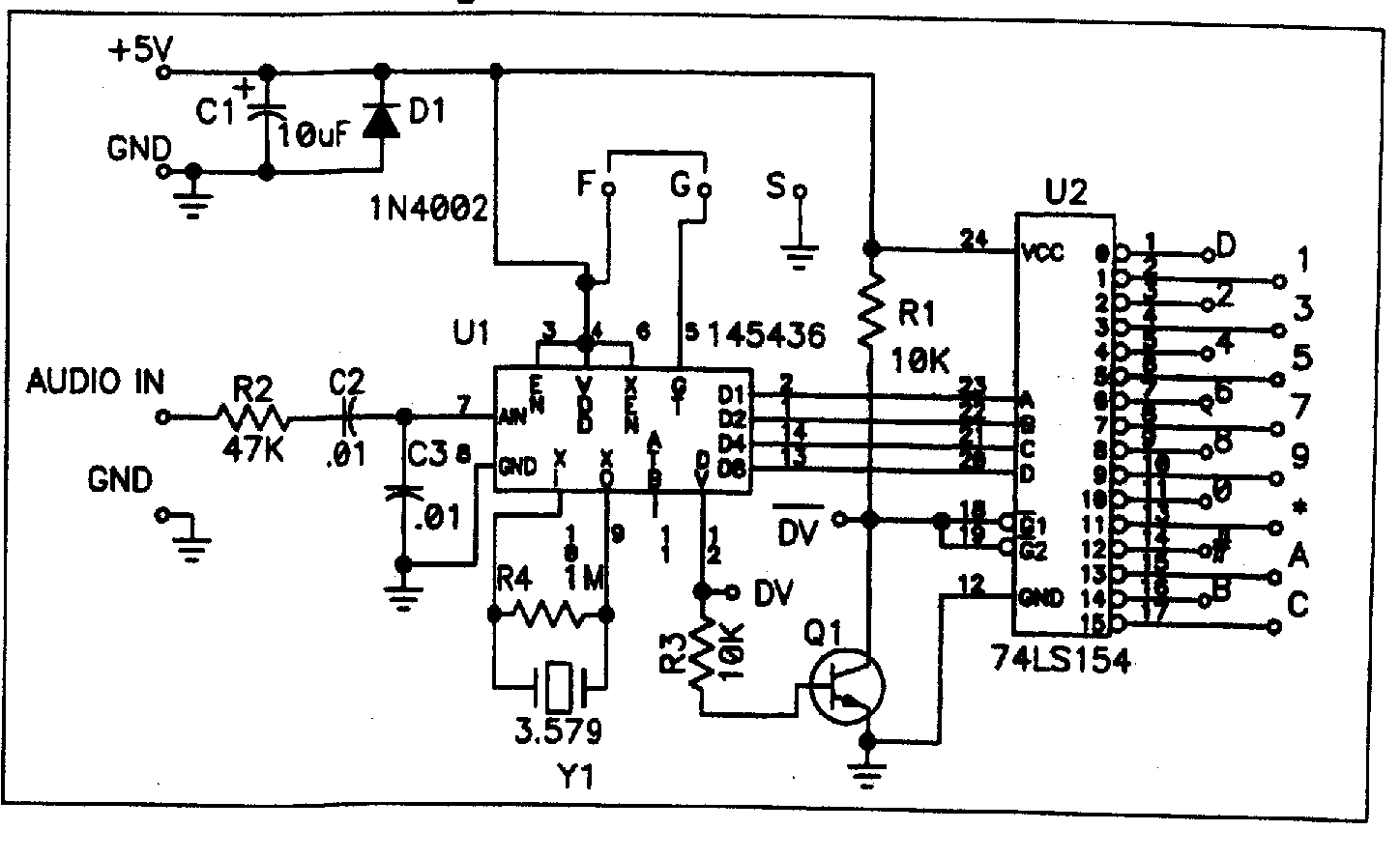
DTMF Decoder

    Touch tone decoder 
    using IC 145436 
decodes 16 different pairs of tones. 
Pin DV (data valid) enables a demultiplexer. 
Max current on each output of 74LS154 is 20mA. Maximum AF input is 1,2Vss on C3. 
 

DTMF Decoder

    Touch tone decoder 
    using MT8870 
Resistor R at the input is dependent on input voltage ( see table). Pin TOE is useful to enable THREE Sate Output of MT8870. 
Combine this circuit with CD 4028 decoder or 4514 demultiplexer. 
Ideal for remote controll of a repeater or ATV station. 
 
mt8870 DTMF decoder diagram

Single tone decoder

    using IC NE567 
 R1 and C2 define the frequency range. 
For good sensitivity only minimum of input AF-Voltage is recommended. (50mV) 
The circuit has a bandwith of 2-15% and is extremely useful for CW-decoders,AFSK-RTTY, TV sync-decoder and ultra sonic applications.Do not use ceramic C but high quality capacity. 
 
ne567.gif diagram
1750 Hz tone burst

Tone Burst 1750 Hz

    for European repeater operation

very simple and stable circuit to produce 1750Hz tone from 12Volt single supply.
Use a 4060 IC and a 455khz filter with minimum of parts.

 OE3MZC ham radio pages !!
top of page | home | propagation |field strength meter | 1270 Mhz antenna | Maldives Dxpedition| Web receivers

You are visitor number:

 Visit other Amateur Radio Sites: