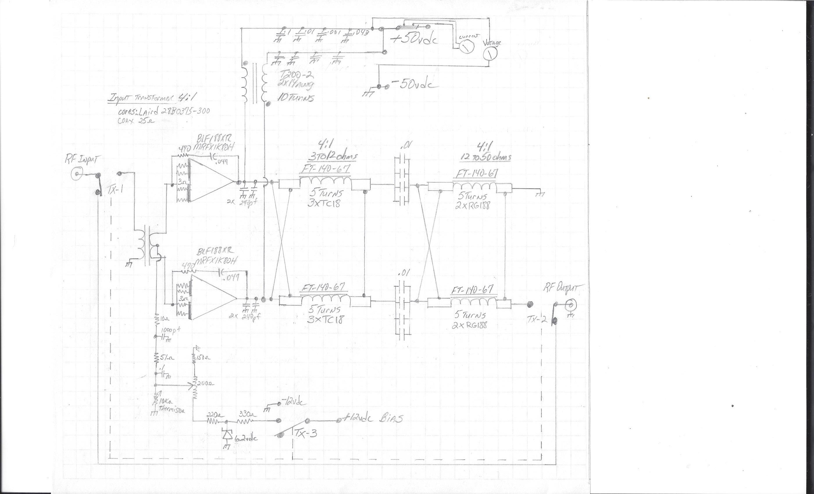
2 X MRFX1K80H HF AMPLIFIER. 1.8-54MHZ.








HOME


Stats Of Hits