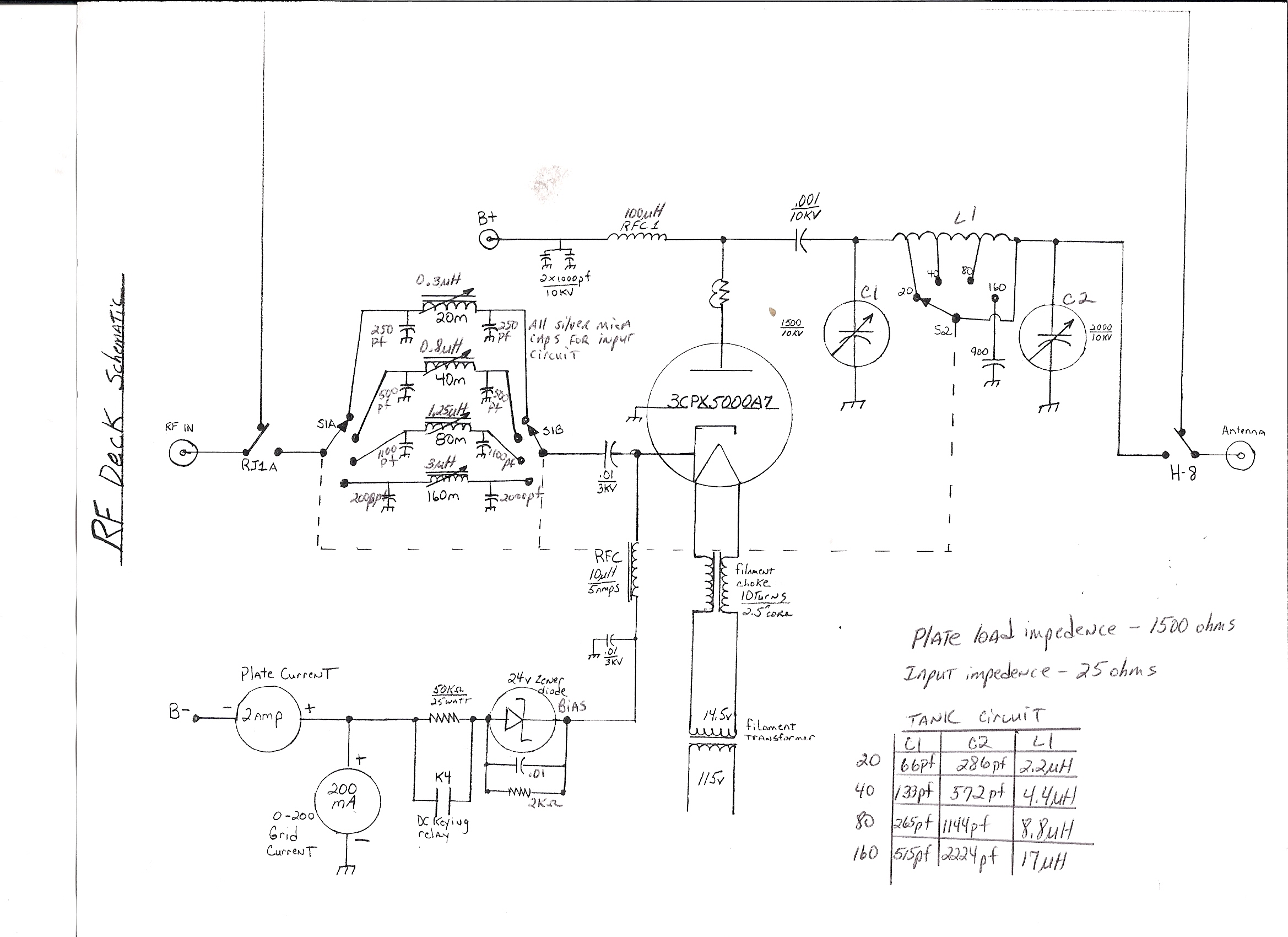
My 3CPX5000A7 AMP. 100 WATTS INPUT PRODUCES 5000 WATTS OUTPUT. NO PARASITIC SUPRESSOR. THE BIAS WAS INCREASED TO 30 VOLT ZENER DIODE. PLATE VOLTAGE IS 6500.
UPDATED 3/01/2011
HOME