This is the effort of several retired guys, John Fisher K5JHF, Milt Cram W8NUE, Ben Bibb N05K, and I,
(and other AQRP members) to make
some useful kits available for you at reasonable prices to encourage kit building and homebrewing. As you
can quickly determine, these kits are all based around readily available, low cost Microcontrollers with
flash (program) memory and most use a certain LCD display that was very, very, inexpensive.
The criteria for us, as "low buck" designers, was that firmware development tools have to be free,
hardware interface tools have to be inexpensive, and PC board design tools have to be free.
As we run out of parts we'll just order more if there is interest in the kit. Some kits may be retired
as the number of kits grow or demand falls off. Should be fun and educational and that's what this is
all about. I'll make improvements to the web site as time allows and hope to make it convenient to use.
We are all ready to answer your questions and help out.
I just got back from the post office and the rates went up again Jan 17th, 2016, especially for DX,
so I had to adjust the postage charged.
I realize there are some Hams out there who think they will have difficulty with the small surface
mount parts placement and soldering and "think" they can't do it. I highly encourage you to try. If you
"ping" a small part across the room and it's lost forever, contact me and I'll send you another at no
cost. Some may have vision problems, steadiness problems, etc, again I encourage you to try.
There have been some problems with the email forwarding through the ARRL Website so let me try this
as an alternative; hopefully to also cut down on the robospam. You can also contact me through windy10605
followed by an @ sign followed by Juno.com with no spaces. Let me also do the same for the other email IDs.
To order kits please contact me directly at K5BCQ followed by an @ sign followed by ARRL.net with no spaces.
Or via mail (OK in QRZ).
This is Inspector #5 who is my computer consultant. She checks to make sure I answer all emails in a timely fashion. In her efforts to educate me she periodically walks across the keyboard, usually puting the system in "Caps Lock" or causing "strange happenings". As a tough teacher, she refuses to tell me what she did and wants me to find out for myself.
This is Inspector #2 who is in charge of parts counting for all the kits. It's a very tiring job and sometimes the parts count is off. Just send me a note if you find any parts missing. I'll have a discussion with him.
THERE ARE 16 KITS LEFT
An assembled Hi/Lo Temperature Kit #1.
Closeup of the small microcontroller board with the temperature sensor (8 pin SOIC). The microcontroller is on the back of the board.
This is one of the easier to build kits. It simultaneously shows the Low, Actual, and High Temperature readings in degrees F or degrees C (so it's educational too). You reset it by momentarily turning the power OFF and back ON. There are two versions of the code which you need to specify when ordering ....."T" (Toggle) which will automatically toggle between degrees F and degrees C every 5 seconds ("T" is the default if you do not specify "T" or "F") and "F" (Fixed) which will read degrees F without the jumper "J1" installed and degrees C with the jumper "J1" instsalled. The battery consists of 2-AA Alkaline cells and should last about one year. Use Alkaline cells because of the 1.5V rating. Rechargeable NiCad cells at 1.2V are really too low for proper LCD contrast. The temperature sensor is a MicroChip MCP9801 which is spec'ed at +/-1 degree C from -10C to +85C and +/-3 degrees C from -55C to +125C.
So what comes in today's Hi/Lo Temperature kit ? .....Bill of Material:
The price for of this Kit is $10 plus $4 postage in the USA and $13.25 postage for DX.
This is a partially built Keyer showing one of the three LCD options. The small board is the MEGA 2560 microcontroller which is mounted underneath.
For detailed user information and a schematic of the board
Instruction Manual V06 written by Josh Wood, W0ODJ.
ERRATA
The "grounded" end of R22 on the Goertzel filter (for CW decoding) is not grounded, which will change the voltage level of the Goertzel filter circuit. It's easy to scrape a little of the solder mask off on the ground end of R22 on the bottom of the board and add a small solder bridge to ground.
This Keyer is based on the work of Anthony Good, K3NG, and I strongly urge you to review the information on his website "Radioartisan" and I encourage you to join https://groups.io/g/radioartisan . Many hardware implementations, based on his initial design, are available from various sources and the code continues to be updated with more features and improvements. Designs using the Arduino NANO microcontroller were found to have insufficient memory for the selectable options Andrew Good defined (and is continuing to define) .....the MEGA 2560 Mini microcontroller implementation solved that.
This board is designed to be a useful Keyer as well as a "development platform" for the many options available on this open-source Arduino-based morse code keyer. Methods are available for multiple size LCDs. I2C displays, 2 transmitter outputs, a Goertzel audio (CW) decoding input, rotary encoder for speed control, seven memories. hookups for both 3x4 and 4x4 number pads, amongst others. It is designed to be built for only the modules you need - you don't need to populate those portions of the board you are not going to use.
If you join https://groups.io/g/radioartisan you will see several threads relative to questions and how several people have packaged the Keyer. Some amazing work with 3D printers.
The PC Board ONLY is available for $5 which includes postage in the USA. It is also available to DX locations for $10 postpaid. Each board comes with a Schematic and a Bill of Material.
These kits are in stock most of the time
"I'm Samuel Morse and I approve all these kits"
This is the smaller MCT-I with qty 5 tactile switches for memory selection. (no enclosure)
MCT-I showing the 5 "Parameter Selection" switches on the side (UP, DN, Home, Plus, Minus).

Example of a MCT-III in a Hammond RL6215 enlosure.
No more excuses for not learning Morse code and not enjoying the mode that gives you the most DX and satisfaction in operating!
It�s finally here, a box that anyone can build that does it all for CW, and an opportunity to jump into building a kit that�s simple for the beginner to learn about Surface Mount Technology (SMT). When finished it will be something to be proud of that�s functional, and a tool to use every day which will enhance everyone�s CW operating skills forever!
HELPFUL DOCUMENTATION:
AQRP Morse Code Trainer Manual Rev A04
PLEASE READ THE MANUAL, IT WILL ANSWER MANY (IF NOT ALL) OF YOUR QUESTIONS AND IS A GREAT REFERENCE.
SERPAC A31 Enclosure Template for MCT-III
The secrets of easy Morse Code Sending
********************************************************************************************
All the units use the same LPC824 microcontroller, the same firmware, and the same OLED display. Since PTT output for CW with it's lead and tail times are not required for today's Transceivers, the firmware to support PTT is NOT provided.
QUICK OVERVIEW:
The MCT is set up for the convenience of the operator in four different sections:
Features:
The team had a Farnsworth timing discussion to decide whether to implement it or not on the MCT. The ARRL adopted it based on future higher speed code training (their opinion). However, the whole purpose of our MCT is to improve "WORD sound" recognition. Along those lines, practicing receiving/sending at 10WPM allows you to send regular 10WPM words after receiving the selected word (.....for "n" times). The word being received with Farnsworth timing means 18WPM characters with larger spaces to make the overall word speed 10WPM. The problem with that is that those two words (received and sent) will not "sound" the same and negates the unique MCT training effect.
Since the device is small and runs on batteries, it�s perfect to take anywhere to continue practice during those business trip evenings to work on enhancing ones skills.
"The Kit" is one of Amateur Radios best features called Home Brewing. To some this it�s the best part of the hobby, but one that is not practiced much anymore by the new comers or Old Timer. It used to be a large part of the hobby and gave a person the thrill and experience of building something with their own two hands and sharing it with others on the air.
The MCT-I and MCT-III Kits don�t take a lot of time to build, and it�s a great learning device for first time SMT builders. ALL the kits use the same level of firmware running on the same LPC824 microcontroller.
To support the requirements of the various builders, ALL the kits will now be supplied with 7mm (short) tactile switch levers ---AND--- 13mm (tall) tactile switch levers. You decide which ones you want to use on your kit.
-------------------------------------------------------------------------------
KIT PRICES:
Above prices plus panel mount switch option if ordered.
--------------------------------------------------------------------------------
Enclosures are up to you to source from the various suppliers....for Example:
---------------------------------------------------------------------------------
Example of a MCT-III in a SERPAC A31 enclosure, showing qty 13 of the 13mm tactile switches with overlay "domed" over the pushbuttons.
Inside of above MCT-III in a SERPAC A31 enclosure.
THESE KITS ARE IN STOCK
The assembled Attenuator Kit showing the front side and mounting of the resistors.
The assembled Attenuator Kit showing the back side and mounting of the resistors.
This was developed as a crude but simple HF Attenuator after I had miserable reliability problems with commercial attenuator switches. The attenuation would change depending on how the switches "felt" that day. Very difficult to get repeatable results. I also tended to stress the attenuator resistors because of their 1/4W rating. This kit provides Vishay 1W 5% resistors and uses jumper vs switches. Sure, they makes it a little more time consuming to change values, but the jumpers provide very positive contact and if they wear out .....get another jumper, they only cost 1 cent each and extras are included in the kit. Due to the "Open Design", I would not use this above HF frequencies.
It has served my needs, does what I need an attenuator for, and will work for you too.
The kit can be provided with BNC connectors as shown or SMA board edge connectors. Your choice to specify, same price.
The jumpers are a little cumbersome if you change them often so we ---HAD--- an option to replace the 9 2x3 Headers and 25 Jumpers with 9 slide switches for an additional $x.00. HOWEVER, the newer 100mil pin spacing switches from China have proven to be unreliable relative to contact resistance and that option has been pulled. Earlier "Alco" switches were fine but I can't find them anymore.
Ben Bibb, NO5K, checked this Attenuator in his lab and was very impressed. The SWR at 6m is only 1.2 and the SWR at 2m is only 1.4. Lower frequencies are, of course, better with a SWR of 1.0 to 1.1. Ben also found the accuracy of the attenuation to be within 1-2% and the Return Loss levels are very acceptable. Insertion loss is a fraction of a dB. Those 1W Vishay 5% resistors are good ones and cost $0.18 each. Overall not bad for a $15 open board Step Attenuator.
So what comes in today's Attenuator Kit ? ......Bill of Material:
The price for the Attenuator #13 is $15 plus $4 postage in the USA and $13.85 postage for DX.
THE PARTIAL KIT IS PRESENTLY IN PRODUCTION, 5 PARTIAL KITS IN STOCK
PC Board ONLY is available for $10 which includes postage in the USA.
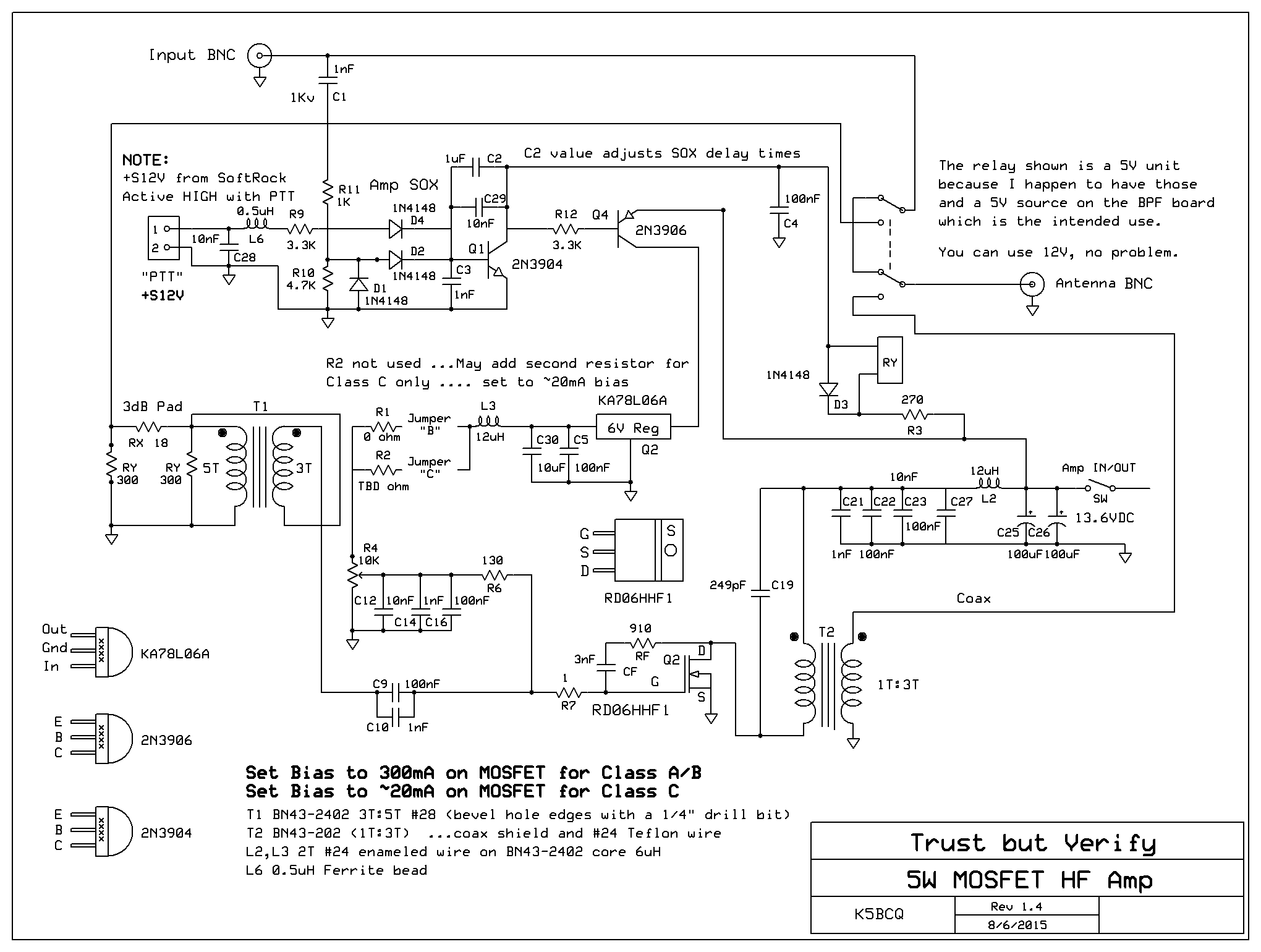
Since I keep receiving requests for this kit (it's a really good and very useful 5W Amp design) and I don't know when I will be able to get back to kitting more up......I have decided to make a Partial kit with all the more unique parts .....and the heatsink available for $30 plus $4 postage in the USA.
So what comes with this Partial 5W Amplifier Kit #21 .......
You will have to source the rest of the parts based on the Bill of Material listed below and do any heatsink drilling yourself. Should not be a problem for most Homebrewers.
The 5W HF Amplifier shown with the new optional Heatsink. The SMA connectors were installed for my testing, the kit is provided with 50 ohm coax to connect to the BNC/SMA/HF connector of your choice. Normally the Ampifier would be mounted in an enclosure with a hole so the MOSFET can be bolted directly to the outside heatsink.
Picture of the optional drilled and tapped heatsink.
It would be nice to have an Amp with a little less power than the 20W amplifier Kit #15, so here is a 5W version using a single MOSFET with an optional drilled and tapped heatsink (no fan required) from HeatsinksUSA.
When it comes to Amplifiers, the Radio Amateur is responsible for making sure his amplifier operates within the guidelines established by the FCC and that it does not cause unwanted ipassnterference. This is a Broadband Amplifier and will require some sort of Low Pass Filter (LPF) or Band Pass Filter (BPF) on the output to attenuate harmonics. You may already have one you intend to use.
My idea was to provide a good and low cost Amplifier for the HF bands (160m to 6m) which can be driven by a SoftRock SDR or any other low power driver and provide ~20dBm of gain. Low power being defined as ~100mW. Some of the new SDR units supply less than 50mw and really need a little �boost�. This Amp uses the RD06HHF1 RF MOSFET which are rated at 6W output for 12.5VDC at 30+MHz. These parts are quite robust and much better than the IRF510 Switching Power Supply MOSFETs used earlier, largely because of their low cost and availability. The other advantage of the RD06HHF1 is that the mounting tab is attached to the �Drain� pin which is at ground potential �so no mica insulator is required. Just like the 20W HF Amplifier Kit #15, this Amplifier has a Signal Operated Switch (SOX) for CW QSK. I didn�t really put it there for SSB �..but who knows (still better to use PTT). Did I mention good and low cost ?
The design and components which have been selected require that the operational criteria of 1) an Input of ~100mW �AND-- 2) an Output of 5W max ���whichever comes first, NOT be exceeded. To allow some adjustment, the input to the Amplifier has places for a Pi network Input Attenuator of your selection (Rx, Ry, Ry) �.3dB, 6dB, etc. Parts for a 3dB (50% power reduction) attenuator are provided in the kit. The purpose of the attenuator is to reduce input power and to provide proper 50ohm matching for the driver. This design has been extensively tested and optimized to provide good matching to 50ohms without the attenuator. If you elect to not use an attenuator, replace Rx with a jumper and do not install either Ry.
The design also provides Class C operation (CW only). This allows lower power consumption when you really don�t need linear operation. The Gate Bias current on the MOSFET is set to around 20mA with the potentiometer if you prefer and only want to run Class C (for CW)....much less heat generated.
Many MOSFET Amplifier circuits do not use a feedback circuit but I thought it would be good design practice to do so and added one. The T2 compensation capacitor is a 249pF Mica capacitor. This value seems to work best for 160m to 6m (emphasis was put on working well at 6m), and Mica capacitors are very stable across a broad range of frequency and temperature.
Another design parameter which seems to help on all the bands, especially 6m, is to further reduce spurs by paralleling capacitors of different values to reduce the capacitor self resonance effects. You will see that in many cases a 100nF cap is in parallel with a 47nF cap or 10nF cap and also a 1nF cap.
Here are the assembly Instructions for the 5W Amplifier
5W Amplifier Construction Hints
-----------------------------
ERATTA: For the current level V1.0 board and Rev 1.4 schematic.
-----------------------------
So what comes in today's 5W amplifier Kit ? ......Bill of Material:
I offer two heatsink options:
#1) No Heatsink, Just the 5W Amplifier for $35, you come up with your Heatsink
#2) A 4.23" x 2.90" x 1" Heatsink from HeatsinksUSA. This Heatsink has 1 hole drilled and tapped to match the MOSFET and 2 mountin holes. I am the driller/tapper. Price will be an additional $5. Postage will go up because of the added weight.
Shipping for one kit with option #1 (NO heatsink) is $4 First Class Mail in the USA and $9.50 First Class Mail for DX. Shipping for a kit with Heatsink option in the USA will be $6. DX shipping costs are determined by location.
THIS KIT (AND BOARD) ARE SOLD OUT. PRODUCTION OF THE NEW VIA-II USING THE STM32F746G DISCOVERY TBD.
Several units have been distributed locally for testing and it looks good.
An assembled AQRP VIA showing a Smith Chart. It can also plot parameters across a range you define and can provide parameter data screens
Shows the 3 board stack using the STM32F407-Discovery board. Programming updates are via the USB connector to your computer. Two, 3 cell each, battery packs are shown.
Shows the VIA board with the RF bridge, attenuators, dual SA612A mixers, audio CODEC, Si5351A frequency control, memory, and interface to the TFT Display and STM32F4Discovery board.
Shows the 2-Port rework on the board with the coax center conductors coming from the back and through the VIA board. See the rework instructions for more detail.
The STM boards being shipped with the VIA kits today are all "C" level boards and are marked "MB997C" on the silkscreen and "MB997 C-01" on the sticker. These boards have the Microcontroller (U4) programmed with the latest level VIA firmware.
It has come to our attention that people sourcing their own STM32F407G-DISC1 boards from Farnell, Mouser, and others may receive a "D" level STM board marked "MB997D" on the silkscreen and "MB997 D-01" on the sticker. Early versions of the "D" may have a problem. It manifests itself after you load the VIA code using the USB port (CN1) and switch to external 5V power ......the system hangs and just sits there.
Easy to fix ......use the STM32 ST-LINK Utility (which you used to load VIA firmware into U4) to also load new firmware into U2. Select "ST-LINK" and "Firmware Update" ....level V2.J27.S0 or V2.J27.M15 will fix the problem and you're good to go.
******************************************************************************
Milt Cram, W8NUE, and I decided we wanted to use some of the great development kits out there which are available from various manufacturers at VERY reasonable prices to entice users to design and write code to use "their" products. This coupled with "free" Development Tools is an easy sell for us. The STM32F407-Discovery boards have plenty of microcontroller capability and features.
Milt drew on his SDR2GO firmware experience, firmware he used for the NUE-PSK Digital Modem, and also the more recent STM32-SDR code. He decided to base the design on using audio baseband signals and process those for the required data.
The inexpensive Si5351A proved to be ideal and we run two of the three outputs, separated by 2KHz, into dual Synchronous Detectors/Mixers (SA612As low noise, mixers). Harmonics and much of the potential adjacent interference signals are not a problem due to using Synchronous Detectors. The VIA works by making U2 a Current Detector and U3 a Voltage Detector. Measuring Current and Voltage (level and phase) provides all the imformation needed for the various S11/S22 parameter measurements. Device Under Test (DUT) connector impedance 0f 50 ohms is not required because both Current and Voltage (and phase) are being measured. The two baseband signals are fed into a great little CODEC we've used on several projects with good luck. The digital info is sent to the STM32F407 microcontroller for processing, storage, and display. We haven't decided what to do with the third RF output from the Si5351A).
Ongoing experimentation for a 2-Port S12/S21 upgrade kit has met with success and a 2-Port kit of parts is now included with every new VIA kit sold. The kit is available to upgrade existing VIAs.
After looking at several display possibilities, we decided to go for something large and user friendly .....and here we have it; The AQRP Vector Impedance Analyzer kit #25. The AQRP VIA has the unique advantage of being able to readily process negative complex numbers correctly .....a problem with many mid range commercial antenna analyzers out there.
It's a standalone, battery powered, Vector Impedance Analyzer for portable operation. Can be used to check antennas, filter designs, etc, etc. This design will evolve over time as changes and improvements are made to function and visual presentation. The STM board firmware is easily updated by using STM-LINK software (free) and a USB cable.
HELPFUL DOCUMENTATION:
AQRP Vector Impedance Analyzer Operations Manual V1
AQRP Vector Impedance Analyzer Operations Manual V2
A Note on Changes to VIA Operating Instructions
Instructions for AQRP VIA Data Transfer to your PC for further analysis
AQRP Vector Impedance Analyzer Data Transfer to PC - Example
AQRP Vector Impedance Analyzer Data Transfer ZIP File
AQRP VIA V1 Construction Hints
AQRP VIA Battery Voltage Monitor implementation
AQRP VIA TFT Display Continuity Checklist
AQRP VIA Schematic showing 2 port rework
AQRP VIA board higher resolution of top
AQRP VIA board higher resolution of bottom
AQRP VIA Face Plate Over Lay for LMB Heeger CR-632 Enclosure ....PowerPoint file
AQRP VIA: Using an Uncalibrated Frequency Sub-Range
AQRP VIA: Small Transmitting Loop Antennas � A different perspective on determining Q and efficiency
AQRP VIA 2-Port Modification Instructions
----------------------------------------------------
DESIGN FEATURES: (Firmware Ver. 2)
-------------------------------------------------------
PROGRAMMING/RE-PROGRAMMING
Download the desired AQRP VIA HEX file.
Expands Alpha mode decimal places.
Changes Radians to Degrees for ease of use.
Two major additions: Provisions for trimming the Si5351 frequency in 1ppm steps, range of -300 to +300 ppm. Press the Frequency Encoder PB to save changes to EEPROM. At next power-on the saved trim value will be applied. If you don't save the trim setting, as long as the unit stays powered, the change will remain.
The VIA may be used to make measurements over a frequency range other than that for which it has been calibrated. See the "Helpful Documentation" section above.
Adds the capability of covering the 440MHz range and corrects some errors.
Adds 2-port capability (requires a relatively easy change to the EXISTING VIA boards....see 2-port Rework). 1-port use is not affected.
**********************************************************************************************
Download the STSW-LINK004 STM32 ST-LINK utility here: http://www.st.com/web/en/catalog/tools/PF258168
...Just click on the "Download" button.
Once installed, click on the "File" tab and open the AQRP VIA HEX file. The screen should say "VIAxxx.hex" opened successfully.
Attach your STM32F4 Discovery board via USB cable. Power is provided by the USB port.
Click the "Target" tab, select "Program and Verify", and click on "Start".......... This will install the code. The computer screen will say it took xx sec. and that the verification was successful.
------------------------------------------------------
CURRENT EXAMPLE VIA SCREENS are shown in the VIA User's Manual V2 (above).
-------------------------------------------------------
BILL OF MATERIAL
So what comes in today's AQRP Vector Impedance Analyzer kit ? ......Bill of Material:
This is not a Heathkit with each part labeled. The resistors are all black and laser marked with their values. The capacitors are all brown or grey and will be marked if there can be confusion. I don't consider a strip of 10 100nF (unmarked) capacitors and a strip 5 10nF (unmarked) capacitors when the Bill of Material calls out those quantities......to be confusing. If there are two strips of 5 capacitors, they will be marked.
We have a UART interface to your computer, an additional Si5351 RF output, an SPI Interface, another I2C Interface, and several other features not presently used. All those are TBD.
Try it, we think you will like it and it will give you a really nice visualization of the antenna you are receiving/transmitting with.
-------------------------------------------------------
PRICES
The base price for the AQRP VIA kit is $73.00. You can reduce the total by $12 without the TFT_320QVT if you already have one. The kit also requires a STM32F407 Discovery board (Option #2). If you already have one of those, just upload the latest code, if not, you can order Option #2.
The kit needs to be shipped in a Priority Mail box due to the TFT display so the postage for the above Kit WITH or WITHOUT the optional pre-programmed STM32F407-Discovery board is $7.50 in the USA and $33.95 postage for DX. Postage to our good friends in Canada is $28.95.
OPTION #1: Four pre-soldered parts...... has been pulled for the time being. This is a kit and I encourage you to solder the parts, it's really not that difficult if you 1) take your time, 2) use flux to enhance the solder flow, and 3) use solder wick to remove excess solder.
OPTION #2: You may already have a STM32F407-Discovery board and want to use it, that's fine. I can provide a pre-programmed (latest level) STM32F407-Discovery board for $25 if ordered with a kit. They are easy to program/re-program in the field via the USB port on your computer. A link to the latest HEX file is provided on this website (above).
OPTION #3: One of the website pictures shows two 3-AA packs mounted inside the CR-632 enclosure. If you want to use the Micro-USB connector on the STM32F4 discovery board to upload data to your PC, as discussed above, a normal Micro-USB to Mini-USB cable won't fit .....but a right angle Micro-USB connector will fit. I made up a number of small boards for just such use. Some of us are also using a similar female Mini-USB connector with it's board for battery recharging. All you have to keep straight is which of the three female Mini-USB connectors on the VIA (Download, Upload to PC, Charging) does what......but it only requires ONE male Standard-USB to male Mini-USB cable for everything....that's kinda handy. Cost of this option is $10 if ordered with a kit.
-------------------------------------------------------------------------------------------------
MINI-KIT #1; For those who already have a VIA....I can get all the Option #3 items above in a padded envelope for $13 total to cover PayPal fees and mailing costs in the USA.
MINI-KIT #2; If you already have a small cable with a Mini-USB connector on one end, I can provide a Micro-USB connector and a small right angle PC board to you, post paid, in an envelope for $2.50. That will cover parts, postage, and PayPal fees. You just have to be careful and solder the wires correctly. I will make up a diagram but the color of the wires in the cable varies from vendor to vendor.
-------------------------------------------------------------------------------------------------
MISC:
The little LMB Heeger Crown Royal enclosures look good and we use them extensively in projects. This is no exception and uses the CR-632 enclosure. We're not planing to provide enclosures. Maybe someone else wants to do that.
I'm sure there are many other enclosure possibilities out there. The Mini-USB connector hole (used for mechanical support of the board stack and for easy re-programming) is centered horizontally on the side and the center of the hole is 1.3 inches (33.6mm) from the lip edge of the bottom cover....... Just measure twice (at least) and cut once ...and remember that the bezel will cover up a LOT of oops's.
This is "THE" Bill Sepulveda, K5LN, Face Plate Over Lay listed above (PowerPoint file). It can be any color background, printed on your printer, covered with a clear vinyl overlay, and attached to the enclosure with double sided carpet tape. See PowerPoint file (above) for additional details.
This shows the component orientation details on the board and where the #1 pin is located.
This is the K5BCQ VIA today. It is being used for S12 (filter insertion loss) testing. The VIA has three Mini-USB connectors on the sides, one for downloading new firmware, one for uploading data to your PC, and one for charging the LiPo batteries. All use the same 8" Mini-USB to USB cable. The LiPo indicator shows "discharging" with a Blue LED and "charging" with a Red LED. That circuit comes out of the LiPo battery pack. I didn't realize Sandy had used the last of the "Black on Clear" Brother P-Touch tape. Can't blame the cat for that one.
THIS KIT IS PRESENTLY SOLD OUT .....ORDERING MORE PARTS, PLEASE CHECK BACK LATER
This is the 6 band, manually switched, Band Pass Filter and Low Pass Filter board.
It consists of a 2.5" x 3.5" host board with up to 6 individual 2.5" x 0.6" BPF filters or LPF filters. It has multiple coax attach methods on the board: Coax cable directly with strain relief, BNC connectors, or SMA connectors.....your choice. Signal traces on the board are 50 mils and kept as short as possible with all wiring over a solid ground plane to minimize transmission line problems on the board.
The 6 bands on the switch are plug-in and can be any 6 BPF or LPF filters. The assumption being that for Tx you would probably want LPFs. However, if you want to use pluggable BPFs for both Receive and Transmit, that's OK too. The board can be configured so that the onboard Tx/Rx relay can be connected to either end of the symetrical plug-in filters.
Manual BPF-LPF Switch Board V2.0 Schematic
In Mode 1 the relay armature switches the Antenna between the Receiver and Transmitter. The one selectged plug-in filter is connected in series with the Transmitter output ONLY. This allows the receiver to have it's own filters ......like Dave's, WB6DHW, broadband BPFs. In Mode 2 the 6 pluggable filters are connected to the Antenna at one end and the armature of the Tx/Rx relay at the other end. The relay selects between Receive and Transmit and the filters are inline to the antenna for both.
The relay is powered by 12V at 28mA and is controlled by external (Voltage active) PTT input. It has gold, bifurcated and redundant contacts for reliability.
The little 2.5" x 0.6" BPF/LPF filter (shown in the Kit #15 section, above) form factor is not a "standard" yet but they seem to fit in well with the size QRP SDR units around here (AQRP). I measured a couple of LPFs for 40m and 20m on my MiniVNA-Pro and the Transmission Loss was <0.1dB with a very respectable Return Loss so the SWR is low. Of course, all these maeasurements are into 50 ohms. BPF data looks good too but I haven't built them up and tested them for all the bands.
Some pictures showing more detail of the switch. The filters are symetrical and can be plugged right side up or upside down. You can locate the header pins on either side of the board and can come up with some very compact implementations. This compact technique works great for T37 cores. For T44/T50 cores, use additional spacers where needed.
------------------------------------
THE FILTER BOARDS ARE IN PRODUCTION AND IN STOCK
Shows several BPF and LPF boards
These boards all have a 2.5" x 0.6" form factor and come in two varieties, BPF or LPF. Redundant header pins are located at both ends (or you can solder directly), The designs are symetrical so the boards can be reversed or flipped without effect. The boards can be used standalone and plugged one at a time or used with a switcheable host board of your design or mine (available later). I have the bare boards only and header pins available for $2 per board plus postage in the USA. You would use one of the free programs like Jim Tonne's, ELSIE, or other filter program (AADE, etc) for the appropriate values for your needs.