遂に出た! 6mハンディトランシーバー
K-CHAN
月刊誌「ラジオの製作」に“誰にでもできる製作コーナー”があります.電子工作,ラジオ,アマチュア無線トランシーバーなど楽しい記事が載っています.
98年10月号のJE1AHW内田OM作“6mDSBトランシーバー”に興味を持ちました.記事を良く読むと基板配布をして頂けるとありましたので,さっそくお願いしました.
OMへのメールの中に6mのSSBハンディトランシーバーがあったらよいというメッセージを書いたところ,OMから
「実は,設計中なんですよ」 と返事を頂き,興味をもっていたところ,基板を頂くことができました.

このトランシーバーは「ラジオの製作」の製作コーナー用に設計されたのだそうで,アマチュア無線のニューカマー向けの,シンプルでなおかつ再現性が良い回路に仕立て上げられていました.
OMへのお礼も兼ねて,追試という形でポケットトランシーバー【K-CHAN】の製作をしました.
このページは,製作の過程と,追試の結果をレポートしたものです.初心者の方が作る事を考慮して,製作課程での注意点やアドバイスなど出来る限り書き留めましたので,ラ製の記事の副読本として利用して頂ければ幸いです.
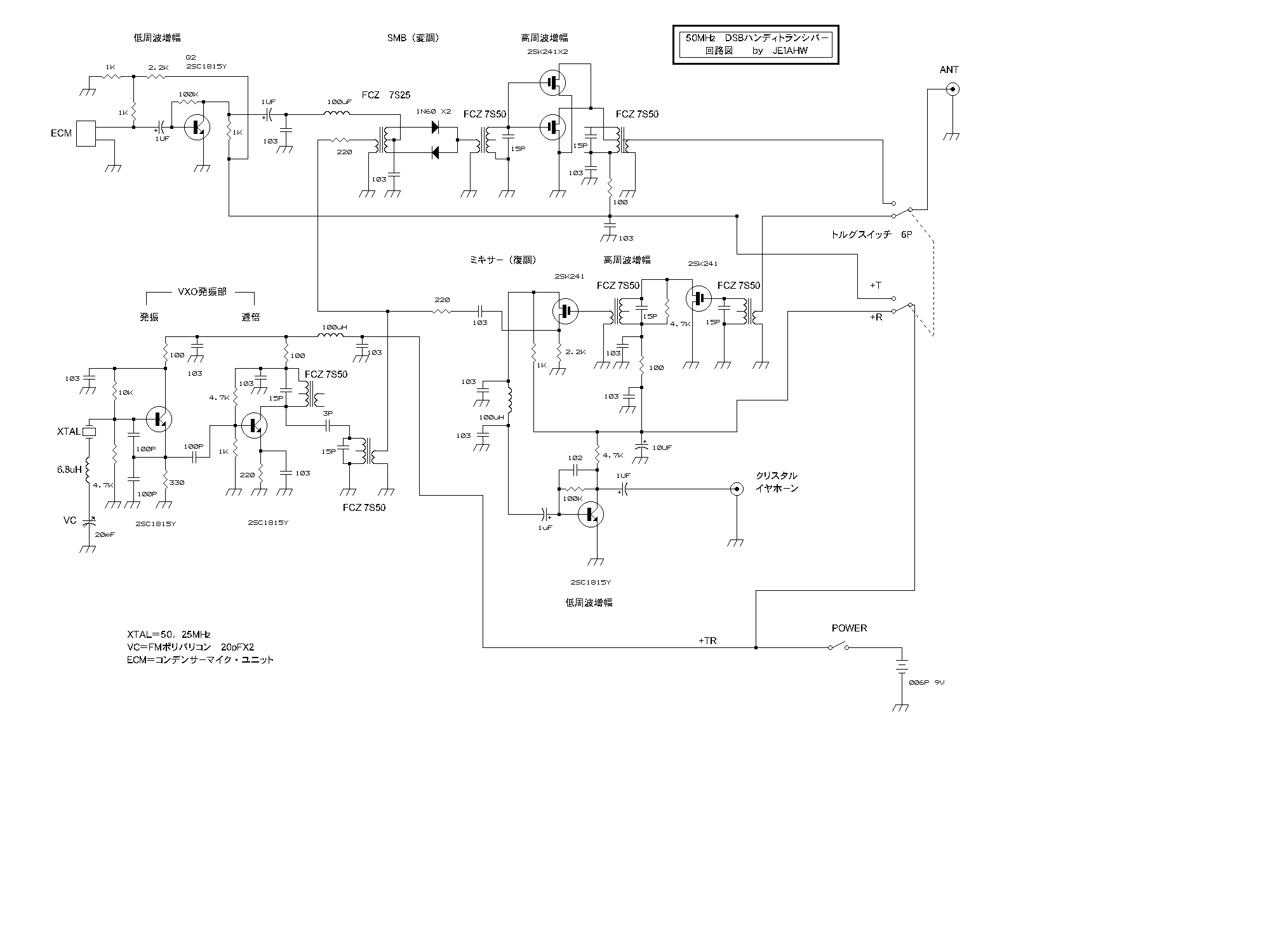
回路は,50.250MHzの局発(VXO)のダイレクトコンバージョン受信部と1N60のSBM(Single Ballanced Module)を使用したDSB送信部から構成されています.送信受信の切り替えはスイッチで行います.
| 回路図 | パターン図 | マウント図 |
| 種類 | 値 | 数 | 種類 | 値 | 数 | ||
| 抵抗 | 51 |
2 |
![]() 抵抗 ![]() コンデンサ ![]() 2SC1815 |
コイル |
100uH |
3 |
![]() RFC ![]() FCZコイル |
| (Ω) | 100 |
3 |
7S21 |
1 |
|||
220 |
1 |
7S50 |
6 |
||||
330 |
1 |
トランジスタ |
2SC1815-Y |
4 |
|||
100k |
3 |
||||||
1k |
4 |
FET | 2SK241 |
3 |
|||
2.2k |
1 |
バリコン |
20p |
1 |
|||
22k |
1 |
X`tal |
50.25MHz |
1 |
|||
4.7k |
3 |
||||||
| コンデンサ | 1u |
2 |
|||||
102 |
3 |
||||||
| (F) | 103 |
13 |
|||||
100p |
3 |
||||||
10u |
1 |
||||||
15p |
6 |
||||||
1u |
2 |
||||||
5p |
1 |
||||||
部品表【ケースに取り付ける部品,その他】
イヤフォンジャック |
クリスタルイヤフォン |
トグルスイッチ |
パワースイッチ |
電池スナップ(006P用) |
アンテナジャック |
エレクトリック・コンデンサマイク |