![]()
BJTCALC
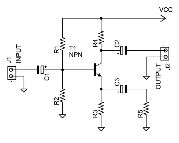
Applicazione in JavaScript per la progettazione ed il dimensionamento di uno stadio amplificatore di bassa frequenza a transistor BJT di tipo NPN.
(Realizzata da Daniele IZ7CFF)
Si proceda inserendo i dati richiesti, premendo i pulsanti di calcolo per passare alle fasi successive. Si inseriscano i valori standard (disponibili cliccando sui link in blu) delle resistenze che più si approssimano ai valori scaturiti dai calcoli dell'applicazione. Si utilizzi il punto ( . ) e non la virgola, per impostare valori decimali.Tutti i valori di resistenza ed impedenza sono espressi in kohm (kΩ), tutti i valori dei condensatori sono espressi in microfarad (μF).
