Alimentation régulée 48v 60A construite à partir d'un vieux poste à souder acheté au camion. Cette alim est destinée
à alimenter un moteur brushless de scooter que je compte monter en motorisation de broche sur ma grosse CNC béton.
J'avais acheté ce poste à souder à l'arc quand j'avais 16ans, c'est dire s'il a rendu de loyaux services. Il vient d'être remplacé par un petit poste inverter et il va pouvoir entamer une nouvelle vie. Démontage et dépoussièrage, le système de réglage avec entrefer réglable à été retiré. J'ai récupéré la vis trapézoïdale qui me servira à construire un petit étau pour mon établi bois
Au premiers essais le transfo débitait 58v sur charge, j'ai débobiné une spire et refais une mesure. Connaissant le nb volts/spire j'ai ensuite enlevé le nombre nécessaire pour
descendre à 48v.
Le lendemain nouvelle mesure et surprise !! la tension ne fait plus que 42v. J'avais oublié que le 220v secteur fluctue au cours de la journée. Je lui ai donc rebobiné quelques
spires pour arriver à 50v et je lui ajouterai un circuit de régulation, au départ cette alim devait être simplement redressée.
Un gros ventilateur 24v sera rajouté sur le capot pour refroidir tout çà.
Début du câblage, à ces intensités on utilise du fil de câblage pour homme, j'ai utilisé du 2,5mm² qui me restait de la rénovation de la maison.
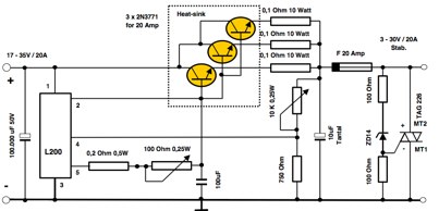
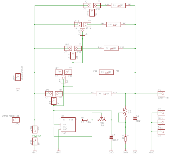
Régulation, toujours le L200



Boitier un peu moche qui mérite une belle face avant.
Toujours l'incontournable soft Galva.
sortie sur imprimante.
Collage au double-face sur la plaque avant.
Protection de la face avant avec du film plastique qui sert à recouvrir les livres genre "Vénilia".
'ttention, y'a des watts !!!!