"L'électronique peut vite devenir triste si on ne prend pas soin de la rendre rigolote." Henri IV.
J'aime le style steampunk, ce VFO (Oscillateur à Fréquence Variable) à base de PIC 18F4525 et DDS AD9850 est construit sur la même base que le VFO DDS LCD mais reçoit cette fois un affichage vintage à tubes Russes IV9. Ces tubes qui datent du temps de la guerre froide, de magnifiques reliques qui vont se faire de plus en plus rares. On peut afficher la fréquence soit sur LCD, soit sur IV9. Ou bien encore sur les deux à la fois, ce qui ne présente évidemment aucun intéret.
---------------------------------------------------------- =oO(#)0o= ----------------------------------------------------------
La partie VFO
Schéma de principe du VFO DDS AD9850 qui a déjà été évoqué sur la page du VFO DDS LCD, je lui ai juste rajouté une sortie affichage pour tubes IV9, on peut donc lui greffer au choix un afficheur LCD ou un afficheur à tubes IV9 du siècle dernier, le programme gère les deux en temps réel. Et steampunk avant-tout, un ajout qui me tenait à coeur, le mode "old-time" qui imite la manipulation piaulante des émetteurs que nos anciens durant la WW2 utilisaient bien cachés dans une grange pendant que les voitures radio-gonio de la Gestapo rodaient aux alentours telles des loups affamés. A noter que l'alimentation du circuit n'étant pas assez puissante pour fournir tous les filaments des tubes, une alim +5vcc externe est prévue sur le connecteur IV9.
Schéma steampunk de principe

Schéma Eagle, çà a tout de suite moins de gueule.

Implantation PCB

Routage des parcours d'outil pour gravure à la cnc.

Carte gravée et assemblée.
---------------------------------------------------------- =oO(#)0o= ----------------------------------------------------------
La partie affichage IV9
Datasheet d'époque des tubes.
Cyrillique c'est le nom de l'alphabet, pas un prénom Breton.


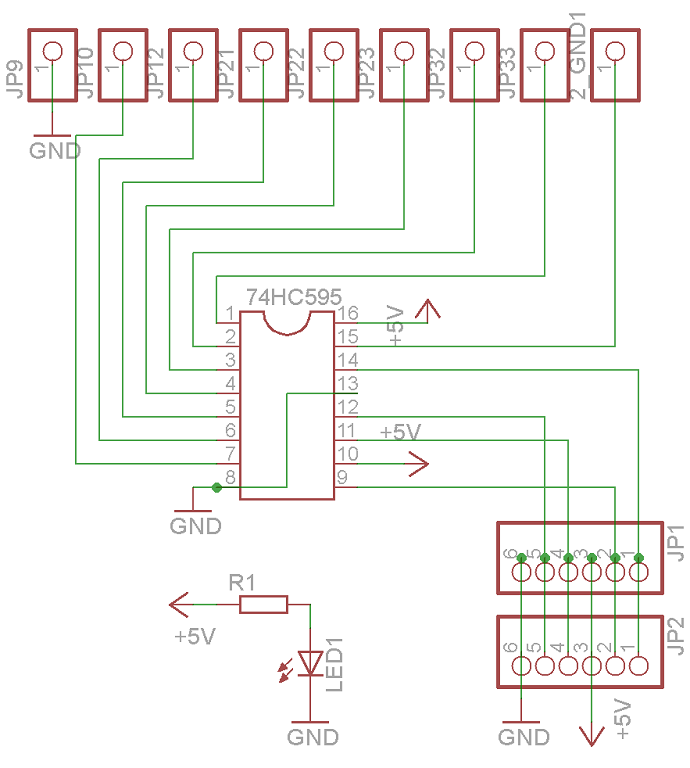
Le schéma de la partie affichage IV9, un circuit à décalage 74HC595 assure la gestion du tube, les bits de données sont envoyés en série sur l'entrée data, une clock rythme l'envoi et un storage final affiche le résultat. Ici n'est représenté le schéma que pour un tube, on peut le graver sous forme de module, fonctionnel pour un tube, on peut en associer plusieurs en prenant la précaution de relier la sortie Q7' de chaque module à la pin data du module suivant, les storage en // et les clock en //.

Connexions du 74HC595.

Circuit imprimé gravé en double-face pour un module seul.

Circuit imprimé pour un affichage x 6 tubes, tous les storage, clock et VDD sont câblés en // avec des straps, les sorties Q7' sont reliées au datas du circuit suivant par strap.

Circuit gravé en double-face et assemblé.
Fonctionnel sur platine de développement. J'ai placé une led verte en dessous de chaque tube pour donner un petit air de fête.
Vidéo des premiers essais sur platine de prototypage. A partir 0:45", un petit délire de bidouilleur, j'ai voulu retrouver le son caractéristique des paraset, ces valises émetteur/récepteur fonctionnant à tubes et alimentées par une gégène que les
alliés parachutaient aux résistants durant la WW2. Quand on entends un son pareil on s'attend à tout moment à voir la gestapo hurlante débarquer en trombe dans la grange.
Un son old-time que seuls les anciens semblent capables d'apprécier, on me répond rarement quand je CQ de cette manière.
Ce petit TX agit comme une sorte de filtre, il repousse les 5NNTU et n'attire que les vrais graphistes :D
Le système complet et opérationnel, destiné à l'affichage IV9 je n'ai pas câblé le connecteur pour écran LCD sur cette platine.
# MCBDLS
---------------------------------------------------------- =oO(#)0o= ----------------------------------------------------------
Code hexa du VFO pour PIC18F4525 et affichage au choix LCD ou IV9, mode old-time, variation de fréquence par encodeur rotatif.
---------------------------------------------------------- =oO(#)0o= ----------------------------------------------------------
Mise en boitier
Pas trop ce que je préfère dans la construction radio mais passage obligé. Petit bricolage rapide avec un planche d'OSB et deux chutes de tôle pour les faces avant et arrières.
Juste l'essentiel sur la face avant: inter M/A, gros bouton VFO, trois poussoirs pour les bandes 30/40/80m et un inter "Mode Old-time ON/OFF".
Pour rester dans le style Steampunk je voulais laisser les tubes apparents, çà aurait été un crime d'enfermer ces vénérables reliques de l'époque du Sputnik dans un boitier. Il me reste juste à lui faire une petite platine de filtres passe-bande, la place est prévue dans le boitier à coté du préampli HF.
En place dans la station, couplé à un petit PA de 30W à transistors, tout prêt pour faire de la bonne vieille télégraphie à l'ancienne.