Cómo utilizar tarjetas de sonido para PC como
módems para radio-paquete
¡Atención! Este documento describe la configuración
y el funcionamiento de los controladores para tarjeta de sonido de PC/FLEXNET.
No están descritos los pasos previos a la configuración del
módulo AX>IP para uso del protocolo TCP/IP y programas asociados
sobre AX-25. Para obtener una descripción paso a paso, haga un click
AQUÍ.
Contenidos
Introducción
PC/FlexNet nos permite que las tarjetas de sonido
puedan ser usadas como modems de Packet Radio. Los diferentes formatos
de modulaciones son realizados desde el software.
Ventajas de la solución por Software
-
Flexibilidad
-
La Solución por sofware es muy flexible. Cambiar
de protocolos y/o de formato de modulacion tan sólo requiere la
instalación de una nueva versión del sofware. No se requieren
cambios en hardware.
-
Precio
-
Utilizar una tarjeta de sonido significa aprovecharse
de la fabricación en masa de componentes para PC y su consecuente
caida de precios. Comparado a otras soluciones de bajo coste, la solución
de la tarjeta de sonido como módem, no requiere grandes prestaciones
de la máquina donde se instale.
-
Mobilidad
-
Los ordenadores portátiles actuales se encuentran
equipados con tarjetas de sonido, lo que favorece la operación en
radio paquete simplemente con tener un transceptor portátil a mano.
-
Diagnósticos
-
Las herramientas de diagnóstico pueden ser
realizadas sin hardware adicional, completamente a través de sofware.
Esto nos permite monitorizar la calidad del enlace sin problemas.
Pero también las desventajas han de
ser mencionadas:
-
Las tarjetas de sonido, toman muchos recursos del
PC: una IRQ y uno o dos canales DMA. Esto limita gravemente el número
de tarjetas que pueden ser instaladas en un PC al mismo tiempo. Sin embargo,
las tarjetas pci, solventan este problema, y parece ser que estarán
disponibles próximamente en el mercado (N.T.:
en
el momento de realizar la traducción ya se encuentran en el mercado
tarjetas PCI como la SB 64 y la SB128, ambas PCI. No hay más información
al respecto)
-
Se reqiere un cable "especial" y un pequeño
circuito
para manejar el transceptor.
Características/Requerimientos
-
Modos de Operación
-
1200 baudios AFSK
-
9600 baudios FSK (G3RUH compatible)
-
Requierimientos de Hardware
-
Soundblaster o WSS (Windows Sound System) compatible
-
CPU 486DX2/66 o superior
-
circuito PTT
-
Requerimientos de Software
-
Windows95 o DOS 3.3 (o superior)
-
PC/FlexNet, incluyendo el controlador de modem de
TS.
Preparando Windows '95/'98
Desgraciadamente los controladores de sonido estándar
de Windows no sirven para nuestro propósito. Utilizar una tarjeta
de sonido como modem de radio-paquete, requiere muy bajas latencias. Los
datos no deben pasar a través de un búffer que retrasa su
salida durante unos segundos. El algoritmo de acceso al canal sería
inutil.
Los controladores de DirectSound (DirectX) han
sido desarrollados para proveer baja latencia de salida en los juegos.
Múltiples efectos de sonido suelen ser oídos al mismo tiempo
durante el desarrollo del juego. Desafortunadamente, la entrada de voz
o sonido no es común en el desarrollo de los juegos, por lo que
DirectSound no soporta entrada de sonido.
La filosofía del diseño de PC/FlexNet
fue la de que el usuario no notase la menor diferencia posible entre las
versiones de DOS y las de Windows. Adicionalmente, casi todas las tarjetas
de sonido son SoundBlaster o bien WSS o compatibles, y estas últimas
se comportan de modo compatible, sólo después de cargar una
aplicación propietaria (la casa que la fabrica) de la casa que fabricó
esta tarjeta. Consideracions prácticas y legales evitan que el controlador
de Flexnet incluya estas rutinas. Estas razones excluyen, por tanto el
uso de un controlador Plug and Play.
Ambos controladores ( los del WSS y los de PC/Flexnet)
acceden al mismo hardware. Para prevenir conflictos los drivers de windows
deben ser desactivados cuando se pretenda hacer packet-radio. Una format
conveniente es el uso de múltiples Perfiles de Hardware.
La siguiente Lista muestra los pasos para crearlos:
-
Inicie Windows 95. Abra el Panel de Control (Inicio-Configuración-Panel
de Control).
-
Haga doble click en el icono "Sistema".
-
Cree un nuevo perfil de hardware: seleccione la solapa
"Perfiles de Hardware". Seleccione el perfil de hardware de la lista y
haga click en el botón "Copiar..." . En la nueva ventana, de un
nombre diferente al nuevo perfil, p.ej., "Sin Tarjeta de Sonido".
-
Reinicie Windows.
La próxima vez que reinicie Windows,
se le presentará el siguiente menú:
Iniciando Windows 95 ...
Windows no pudo determinar que configuración usa su computadora
Seleccione una de las siguientes:
1. Configuración Original
2. Sin Tarjeta de Sonido
3. Ninguna de las anteriores
Entre su opción:2
-
Una vez dentro de Windows, vuelva al Panel de Control
y desactive cualquier controlador que pueda causar conflictos al controlador
de Flexnet, esto es los controladores de sonido y el puerto paralelo o
serie donde se prevee el uso del circuito PTT. El puerto MIDI de la tarjeta
de sonido necesita ser desactivado si para fuese el puerto a conectar el
circuito PTT.
![[Deactivation of the drivers]](cfgmg6.jpg)
El proceso de carga de PC/FlexNet
Un éxito en el diseño de PC/FlexNet
fue el ocultar muchas de las diferencias entre las versiones de DOS y Windows
al usuario. El proceso de carga de los controladores tiene lugar de la
misma manera bajo DOS y Windows 95.
Si utiliza Windows95, necesitará iniciar
en modo MS-DOS. Para hacer esto:
-
Presione la tecla F8 cuando aparezca el mensaje "Iniciando
Windows 95...". En ese momento Windows muestra el Menu de Inicio de Windows
95
-
Seleccione la opción 6. Sólo símbolo
del sistema.
Algunas tarjetas de sonido requieren alguna aplicación
específica del fabricante para inicializar la tarjeta. Esta aplicación
debe lanzarse antes de que PC/FlexNet lo haga. Las Tarjetas de sonido PnP
deben tener localizadas sus recursos (hardware). Esto se consigue con aquella
utilidad provista por el fabricante del hardware. Por ejemplo. Los chips
de la Soundblaster 16 PnP y la Vibra 16 pueden ser configurados usando
la utilidad DIAGNOSE.EXE /s o bien las tarjetas que contienen chisps Crystal
CS423x se inicializan con el programa CS4232C.EXE .
Algunas BIOS modernas pueden configurar tarjetas
ISA PnP. (N.T.: No tenemos documentación
al respecto)
Una tercera posibilidad is usar una utilidad de
configuración como la ICU de Intel. Sin embargo, estos programas
son complicados de utilizar y configurarar, así que su uso esta
justificado sólo si todo lo demás fallase.
N.T.: Durante
las pruebas del driver, no me fue necesario utilizar ninguna de las aplicaciones
arriba mencionadas, ya que el driver detecto la tarjeta sin ningún
problema. Por supuesto la tarjeta estaba funcionando con las configuraciones
por defecto de fábrica (Base 0x220, IRQ 5, DMA 1 y 5).
Los controladores del modem para la tarjeta de
sonido de FlexNet consisten de diversos módulos. Los modulos SMSBC,
SMSBCFDX, SMWSS y SMWSSFDX controlan la tarjeta de sonido, mientras que
los módulos SMAFSK12 y SMFSK96 implementan el código del
módem. Los controladores de la tarjeta deben ser cargados antes
que FLEX, los módulos de módem, despues de FLEX.
Una secuencia de carga sería como sigue:
LH FLEXNET
LH SMSBC -tc:1
FLEX
LH SMAFSK12
FSET MODE 0 1200
FSET TXDELAY 0 20
SMMIXER -i:0 -o:0 -s:line
Esta secuencia inicia PC/FlexNet con el controlador
para tarjetas Sound Blaster (y compatibles) y 1200 baudios AFSK. El modificador
-tc:1
determina que puerto de salida (COM, PARALELO o MIDI) para la señal
PTT se utilizará. Para más información, consultar
el archivo .doc apropiado (principalmente FLEXNET.DOC y SM.DOC incluidos
en los archivos) para obtener una lista de los modificadores (switches)
de los comandos. SMMIXER configura el la entrada/salida de audio y las
fuentes de los mismos (N.T.:en
nuestro ejemplo, la fuente de entrada/salida son los conectores LINE-IN
y LINE-OUT).
Ahora PC/FlexNet esta configurado y cargado y podríamos
ser capaces de verificarlo con un programa terminal como bct y comprobar
que todo funciona bien. ¡No ejecutar Windows si no funcionase apropiadamente!
Si no funcionase, chequearemos de nuevo todos los pasos, especialmente
los números de IRQ y DMA. Intente pasar por alto los números
de DMA si utilizamos un controlador full-duplex.
Una vez todo funcione correctamente iniciemos Windows95
desde la línea de comandos de MS-DOS utilizando el comando WIN.
Los archivos FLEXNET.VXD y VSMD.VXD han de estar en el mismo directori
así como el resto de archivos de Flexnet. FlexNet automáticamente
detecta el inicio de Windows y se adapta al nuevo entorno. Una vez dentro
de Windows 95 aparecera la aplicación de administración de
FlexNet, lo que significará que el módulo esta funcionand
correctamente y está operativo. Las programas SMMIXER y SMDIAG pueden
ser usados de la misma manera que bajo entorno MS-DOS desde una ventana
de DOS de Windows 95
Si accedemos de nuevo al Panel de Control, icono
Sistema, bajo la Solapa Administrador de dispositivos, se encontrarán
marcados con una cruz roja aquellos dispositivos que hemos desactivado
(ver figura superior). Si nos hemos olvidado de desactivar el dispositivo
este aparecerá con una marca de conflicto (Asterisco/Exclamación)
como se muestra en el dibujo inferior. Estos dispositivos deben ser desactivados:
N.T.: Lo
siento por los dibujos (están en alemán); sin embargo son
bastante ilustrativos.
![[Driver error message]](cfgmg2.jpg)
Automatizando el arranque
El proceso mostrado puede hacerse bastante largo.
Por supuesto, hemos de introducir los comandos necesarios en un archivo
.bat. Un método bastante práctico sería el de utilizar
un menú de inicio en el CONFIG.SYS. El ejemplo de abajo nos muestra
como funciona. La sección [menu] contiene las opciones del menu.
El primer parámetro del comando menuitem especifica qué sección
contiene el comando correspondiente a este menú, y el segundo parámetro
muestra el nombre que aparecerá en el menú en pantalla. Si
este nombre coincide el nombre del perfil de hardware y si este perfil
es seleccionado, la opción del menú se selecciona automáticamente
sin mostrar el menú. La sección [common] contiene los programas
que serán cargados independientemente de la opción seleccionada.
El contenido del CONFIG.SYS previo a su modificación deberán
colocarse bajo esta sección.
[menu]
menuitem=std,Configuración Original
menuitem=pcfsm,Sin Tarjeta de sonido
[common]
rem contenido previo de CONFIG.SYS
rem por ejemplo:
device=c:\windows\himem.sys
dos=high,umb
country=034,850,c:\windows\command\country.sys
device=c:\windows\command\emm386.exe noems
rem fin de los contenidos previos de CONFIG.SYS (Esto es tan solo un ejemplo, no copiar a la ligera!!)
[std]
[pcfsm]
installhigh=C:\PCF\FLEXNET.EXE
installhigh=C:\PCF\SMSBC.EXE -b:0x220 -i:5 -d:1 -tc:1
installhigh=C:\PCF\FLEX.EXE
installhigh=C:\PCF\SMAFSK12.EXE
installhigh=C:\PCF\FSET.EXE MODE 0 1200
installhigh=C:\PCF\FSET.EXE TXDELAY 0 20
installhigh=C:\PCF\SMMIXER.EXE -i:0 -o:0 -s:line
La opción seleccionada también deber
ser configurada en el AUTOEXEC.BAT. La variable de entorno CONFIG contiene
el nombre (corto) de la configuración seleccionada. El ejemplo de
abajo, se añade al AUTOEXEC.BAT, inicia Windows automáticamente
si el perfil de hardware "Sin tarjeta de sonido" fue el seleccionado.
rem ... previous contents of AUTOEXEC.BAT
if %config%==pcfsm goto :startwin
goto :end
:startwin
win
:end
Conexión al transceptor
Las tarjetas de sonido normalmente no contienen un
circuito que pudiese servir como señal PTT. Por tanto, la conexión
al PTT del transceptor no es tan sencillo. Aquí encontramos ciertos
ejemplos en forma de esquemas que muestran como hacerlo:
El controlador de módem para tarjeta de
sonido ofrece 4 posibilidades de como sacar señal PTT:
-
usando un puerto COM
-
usando un puerto LPT (impresora)
-
usando el puerto GAME (joystick)
-
usando un circuito VOX
PTT usando un puerto COM
![[PTT keying circuitry for COM ports]](ptt_ser.gif)
PTT usando un puerto LPT

PTT usando el puerto GAME/MIDI (Joystick)
Esta solución solo funciona con puertos MIDI
MPU-401 compatibles. El puerto MIDI de las viejas SoundBlaster no puede
ser usado.

PTT usando un circuito VOX
Esta solución no es recomendable para operar
a 9600 bps. El circuito require altos niveles de audio que muchas tarjetas
de sonido no son capaces de producir.

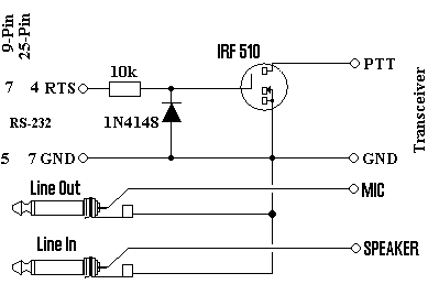
Otro ejemplo de PTT usando un MOSFET IRF 510

N.T.: Aquí
encontrareis una descripción (en inglés) del circuito. Si
alguien está interesado puede mandarme un e-mail y lo traduciré.
Este es un modelo más avanzado
de señalización PTT según
[email protected]
Notas del Traductor
-
Dependiendo de su versión de Windows
(95/OSR2/98), algunas de las figuras presentadas en este Tutorial pueden
variar. Por ejemplo, en las ventanas de Propiedades del dispositivo de
sonido, en el apartado Uso del dispositivo, bajo la Solapa General puede
aparecer una caja de texto con los perfiles de Hardware donde se utilizara
dicho dispositivo.
-
La última descripción nos
da una idea de como obtener las señales TX y RX desde los conectores
LINE-OUT y LINE-IN a través de jacks monos.
-
Es de suponer que a diferencia de los interfaces
a 1200 bps, en 9600 bps la conexión de la tarjeta no se puede
realizar directamente del altavoz en RX o a la entrada de micrófono
en TX. La señal de RX se debe tomar directamente del discrimador.
La señal de TX se tiene que conectar directamente al varicap sin
pasar por los circuitos de preamplificación del micrófono.
Generalmente, muchos equipos bienen ya preparados de fábrica para
trabajar a 9600, incluyendo un conector DATA a tal efecto.
-
Todos las marcas, modelos o sofware mencionados
en este documento son Propiedad de sus respectivos fabricantes.
Traducido por EB5HUG, Jordi [email protected]
Agradecimientos a Thomas Sailer
-- [email protected] por la
documentación.
Documento original en inglés: http://dl0td.afthd.tu-darmstadt.de/~flexnet/soundmodem.html
Flexnet HomePage: http://dl0td.afthd.th-darmstadt.de/~flexnet/