Dh2fbX
Bauanleitungen
Ein einfaches Netzteil
Wer so ein kleines Netzteil defekt geschenkt bekommen hat, kann sehr leicht ein
richtiges Netzteil draus machen.
Meist ist bei diesen Netzgeräten nämlich nur die Regelschaltung defekt. Beim
Kühlkörper sparen die Hersteller leider und deshalb gehen diese Geräte sehr
schnell kaputt.
Aber auch wer so eines nicht hat, kann sich trotzdem ein funktionierendes
Netzteil bauen, er braucht halt zusätzlich ein passendes Gehäuse und einen Trafo,
der sekundär zwischen 18 V und 25 V AC und einen Strom von mindestens 7 A AC
liefert.

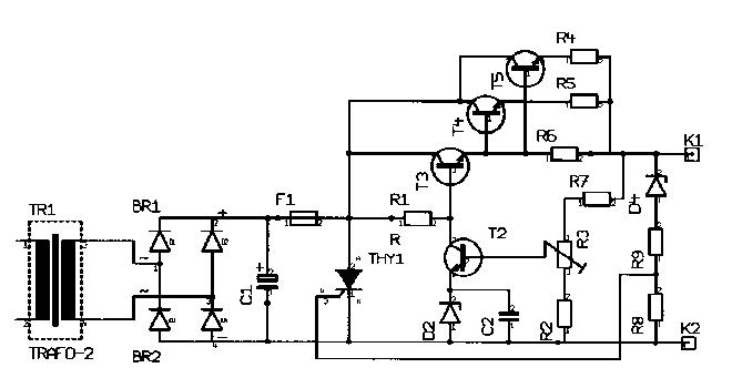
Schaltplan und Schaltungsbeschreibung
Innenansicht

Bei diesem Netzteil wird ein ausreichend großer Kühlkörper ausserhalb des
Gehäuses verwendet. Er wird an die Rückseite angeschraubt. Dadurch ist eine
bessere Kühlung der Leistungstransistoren auch über längere Zeit bei großer Last
gewährleistet. Die Schaltung selber wurde auf einer Streifenrasterplatine
aufgebaut. Eine Herstellung von Platinen hat sich für mich bisher nicht rentiert.
Wer darauf aber Wert legt, dem kann ich gerne den Schaltplan mit Target erstellt
zuschicken. Mit Target kann dann sehr einfach ein Layout entworfen werden.
Noch zu beachten sei der "gelbe" Folienkondensator an den Bananenbuchsen. Er
sollte auf jeden Fall dort eingelötet werden (ca. 100nF), um HF abzublocken.
Elkos sind hierfür übrigens nicht geeignet, zu langsam.
Materialliste
Trafo: sekundär 18-25V AC und min. 7A AC Brückengleichrichter: 4 Dioden BY550 oder 2 Doppelschottky-Dioden BYV32-50 F1 (Fuse): Glasrohrsicherung 4 A träge THY1: Thyristor TIC126N C1: Elko 4700uF min. 35V C2: 100nF D2: Zenerdiode ZPD5.6 D4: Zenerdiode ZPD15 R1: 220 Ohm - 1/3 Watt R2: 4,7 kOhm 1/3 Watt R3: Trimmpoti 4,7kOhm 0,15 Watt R4 und R5: 0.22 Ohm - 2 Watt oder mehr R6: 100 Ohm - 1/3 Watt R7: 5,1kOhm 1/3 Watt R8: 1kOhm - 1/3 Watt R9: 47 Ohm - 1/3 Watt T2: BC546 T3: BD139 T4 und T5: BD249 oder 2N3055
Inbetriebnahme
Vor dem ersten einschalten sollte darauf geachtet werden, dass der Schleifer von
Poti R3 ganz nach R7 gestellt ist und somit die Ausgangsspannung minimal
eingestellt ist. Ansonsten kann es passieren, dass die Ausgangsspannung über 16
V beträgt und die Schutzschaltung gleich anspricht.
Dann darf eingeschalten werden. Nun gilt es das Poti R3 so einzustellen, dass am
Ausgang eine Gleichspannung von 13,8V anliegt. Ist dies geschehen, sollte ein
Lastwiderstand und ein Oszilloskop an den Ausgang angeschlossen werden. Damit
wird das Netzteil belastet und dabei zeigt sich, ob es stabil läuft oder
schwingt. (die wenigsten Netzteile schwingen im Leerlauf).
Wenn keine Schwingung am Oszilloskop festgestellt werden kann und die
Ausgangsspannung auch unter Last nur um maximal 1 V zusammenbricht, kann der
nächste Test begonnen werden, der Test der Schutzschaltung. Dazu wird das Poti
R3 langsam nach R2 gedreht, wodurch die Ausgangsspannung ansteigen sollte. Im
Bereich von 15,5V sollte die Schutzschaltung ansprechen und die Sicherung
durchschmelzen. Ist dies bei 16 V immernochnicht geschehen, liegt ein Fehler in
diesem Teil der Schaltung vor. Andernfalls, viel Spass beim Sicherung wechseln.
Das Netzteil aber vorher abschalten und nicht vergessen, das Poti R3 wieder nach
R7 zu drehen, sonst ist die nächste Sicherung auch gleich wieder erledigt.
Ja, das wars dann schon, ich wünsche viel Spass damit und noch viel Erfolg bei
weiteren Elektronik-Projekten!