KyteLabs InfoBase - Semiconductor Data Last modified: 2016-11-26 (18651)

A
Anhang
Appendix
Schaltungen
Application Circuits
A.8

Vorige Seite - Previous Page Seitenanfang - Top of Page Inhalt - Table of Contents Start - Top of Document Nächste Seite - Next Page

A.8.1
NF-Spannungsverstärker in RC-Kopplung
Resistance-Coupled, Audio-Frequency Voltage Amplifiers

A.8.3
NF-Eintakt-Endstufen
Single-Ended Audio Power Amplifiers

2N2148
Single-Ended Output Amplifier
Ratings: 2N2148

BD115
Single-Ended Output Amplifier
Ratings: BD115

A.8.4
NF-Gegentakt-Endstufen
Push-Pull Audio Power Amplifiers

2N2869
Single-Ended Output Amplifier
Ratings: 2N2869

A.8.5
Ausgangstransformatorlose Gegentakt-Endstufen
Output-Transformerless Single-Ended Push-Pull Stages

Q1, Q2: 2N2147 - 2N2148   Q1: 40329 - Q2: 2N3241 - Q5, Q6: 2N2147
Output-Transformerless Push-Pull Amplifier Output-Transformerless Push-Pull Amplifier
Ratings: 2N2147 2N2148 Ratings: 2N2147
Q1: 2SC458LG - Q2: 2SC984 - Q3, Q6: 2SC708 - Q4: HV26 - Q5: 2SA537
Output-Transformerless Complementary Push-Pull Amplifier
Ratings: 2SA537 2SC708
Transistorquartett Q610: Q1, Q4 = AC127 - Q2, Q3 = AC152
Output-Transformerless Complementary Push-Pull Amplifier
Ratings: Q610

A.8.8
Gleichrichterschaltungen
Rectifier Circuits

BAX18 - BY100 - OA210 - OA214
C-Input Half-Wave Rectifier
Ratings: BAX18 BY100 OA210 OA214
BYX10
C-Input Half-Wave Rectifier
Ratings: BYX10
OA210
C-Input Half-Wave Rectifier
Ratings: OA210
BY100 - BYX10 - OA210
Voltage Doubler
Ratings: BY100 BYX10 OA210
BYX10 - OA210
Voltage Doubler
Ratings: BYX10 OA210
BAX18 - BYX10
Voltage Doubler
Ratings: BAX18 BYX10

A.8.9
Detektor- und andere Empfangsschaltungen
Detectors and other Receiving Circuits

AA116 - AA119 - AA123 - OA70 - OA72 - OA79 - OA90
Detector
Ratings: AA116 AA119 AA123 OA70 OA72 OA79 OA90
AA121 - OA79
Detector
Ratings: AA121 OA79
AA143
Detector
Ratings: AA143

A.8.10
Mischstufen und Oszillatoren
Frequency Converters and Oscillators

AF135 - OC615M
Mischer
Ratings: AF135 OC615M

A.8.11
Hochfrequenz-Verstärker
Radio-Frequency Amplifiers

2N274
Video-Amplifier
Ratings: 2N274
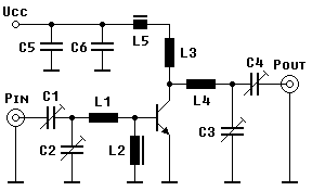
AFZ12
RF-Amplifier
Ratings: AFZ12
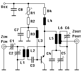
AF139 - AF239 - AF239S - AFY16 - AFY37 - AFY42 - BF272A - GF145
RF-Amplifier
Ratings: AF139 AF239 AF239 AFY16 AFY37 AFY42 BF272A GF145
AF134
RF-Amplifier
Ratings: AF134
AFY19
RF-PA
Ratings: AFY19
MRF8004 - NCBJ35
RF-PA
Ratings: MRF8004 NCBJ35
BLY17
RF-PA
Ratings: BLY17
BFQ42 - BFQ43 - BFS22A - BFS23A
RF-PA
Ratings: BFQ42 BFQ43 BFS22A BFS23A

A.8.14
Test- und Messschaltungen
Test and Measurement Circuits

AC151 - TF65
Noise Test
Noise Test: AC151 TF65

Vorige Seite - Previous Page Seitenanfang - Top of Page Inhalt - Table of Contents Start - Top of Document Nächste Seite - Next Page

Copyright © 2016Franz Hamberger, Berlin, Germany

OC604 spez. ASY30 OA150 OC816 KT801B AF102 EM120 KT904B OA5
MP25B OA70 BU208 MGT108 OC612 ALZ10