AA3SJ


Relay Activated Band Switching
Designed by W3TS, "Mike" Michael


These circuits replace the traditional coax-fed multi-pole switch used in bandswitching. At first this idea seemed confusing and complex to me, but after I got started I found it to be easy. It sounds "cool," listening to those relays click in and out as I switch bands. Now that my receiver is almost finished, I'm glad that I chose to build it this way.
Disadvantages: 1) More parts count, 2) Plan on buying quite a few relays.
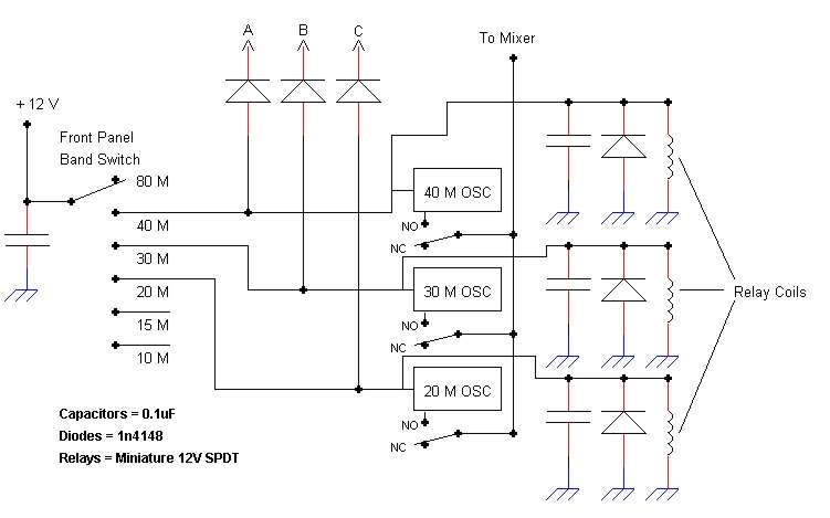
Advantages: 1) Less cumbersome wiring, 2) No expensive multi-pole switch, 3) Band switching involves activating relays only -- only + 12 V DC lines are wired to a SP6T switch.


I hope these diagrams are readable. They challenged my mini schematic drawing program. Note that the first diagram connects to the second via points A, B, C, and the Mixer. If you have any questions please feel free to contact me.


Relay Activated Bandswitching Diagram 1


Relay Activated Bandswitching Diagram 2