DCF-77 prijemnik realnog vremena

Signal Tačnog Vremena (DCF77 signal) emituje se na Dugim Radio Talasima 77.5KHz, iz Fizicko-Tehnickog Instituta Nemačke (PTB - Physikalisch-Technische Bundesanstalt) u Mainflingen (24km od Frankfurta na Majni). Snaga predajnika je 50KW, antena je visoka 150-200m (vertikalna T antena sa kapacitivnim nastavcima). Signal se može primiti na rastojanju od 1500-2000km. Atomski časovnik omogućava tačnost na 100 dana od 2*10-13. DCF77 signal je kodiran širinom impulsa "0" = 100ms, "1" = 200ms. Brzina prenosa je 1 bit u sekundi, 59 sekunda je sinhronizacija (Bez impulsa). Tako da u vremenu od 1 minuta imamo podatak o tačnom vremenu (Minut, Sat, Dan, Dan u nedelji, Mesec, Godina, kao i normalan ili rezervni predajnik, časovna zona, letnje ili zimsko računanje vremena).




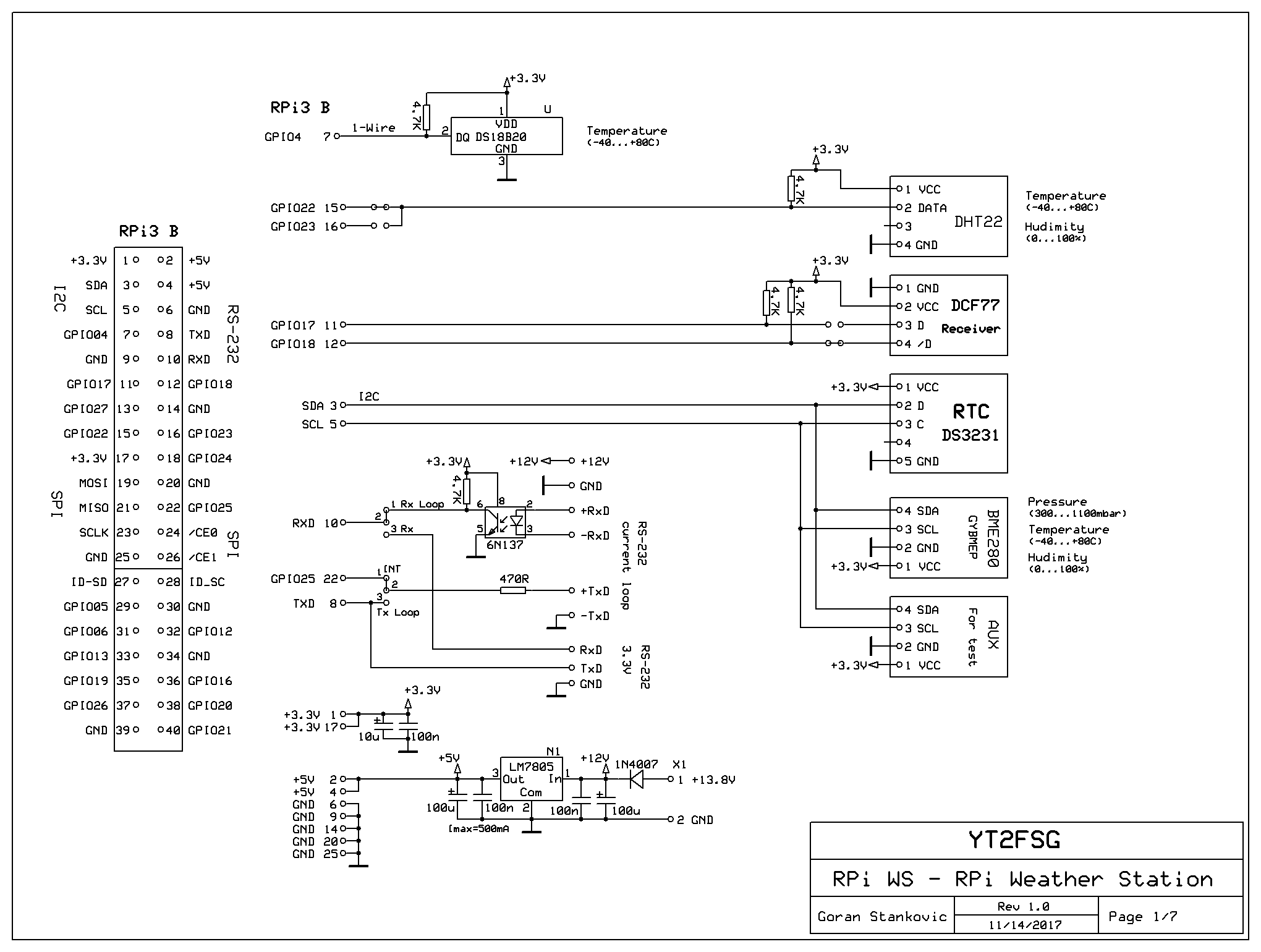
Najbolji prijem signala na većim daljinama (preko 1000km) je tokom noći. Za testiranje softvera za RPi3 tokom dana može se koristiti pomoćno kolo sa PIC16C84 (PIC16F84A), izlaz povezite na pin 11 (BCM 17 = GPIO 0), +3.3V na pin 1, GND na pin 9:

Download File:
  • dcf77.c - Software za RPi3, C izvorni kod za testiranje prijemnika
  • DCF-77.CPP - Software za PC DOS paralelni port, C++ izvorni kod za testiranje prijemnika
  • dcf_tx.asm - Software za PIC16C84, izvorni kod u asembleru za testiranje DCF-77 software
  • Šema RPi WS
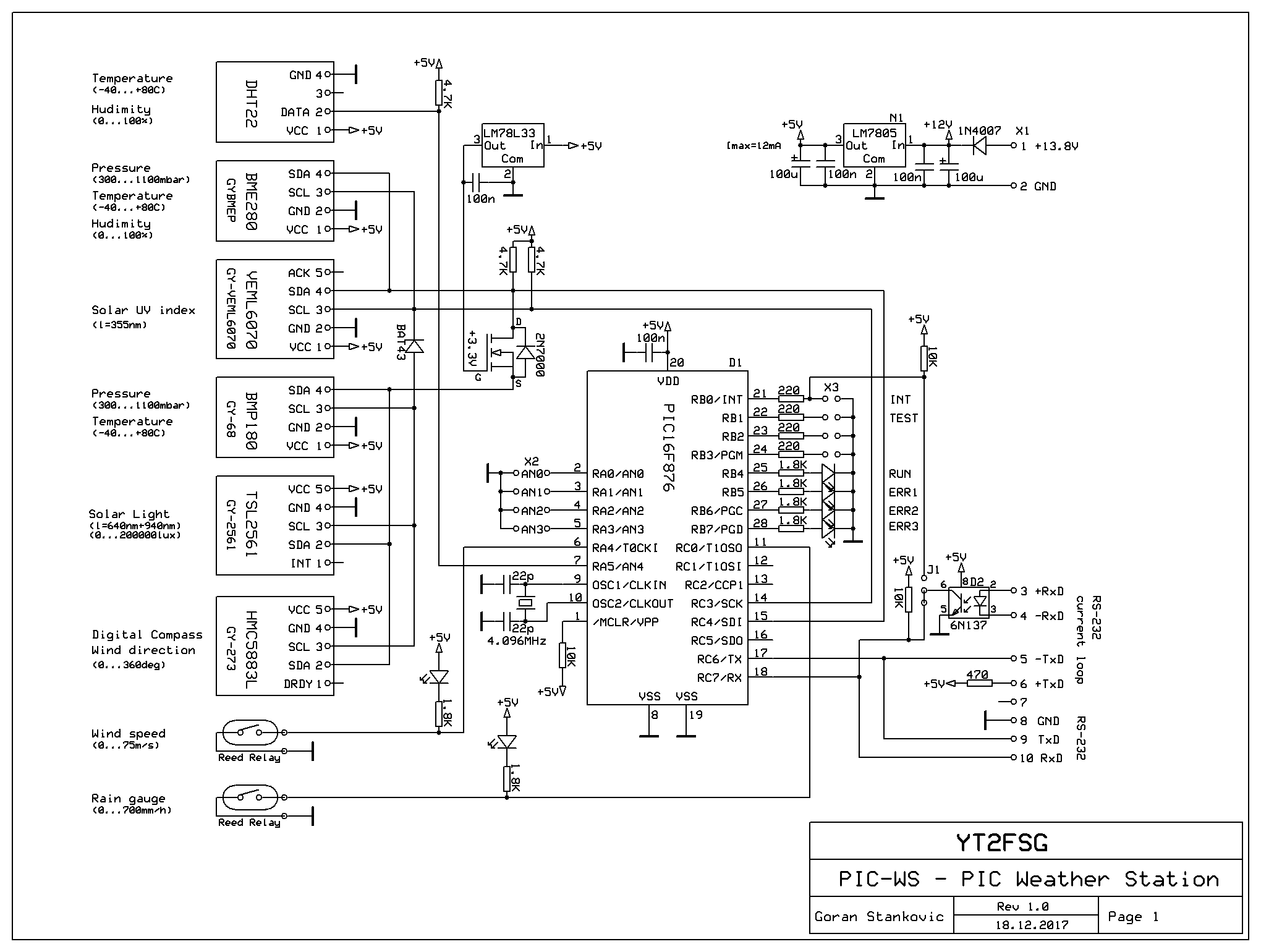
  • Šema PIC WS
  • Data Sheet - LA1654C
  • Aufbau des DCF-77-Signals
  • Link:
  • en.wikipedia.org/wiki/DCF77
  • PTB - Physikalisch-Technische Bundesanstalt