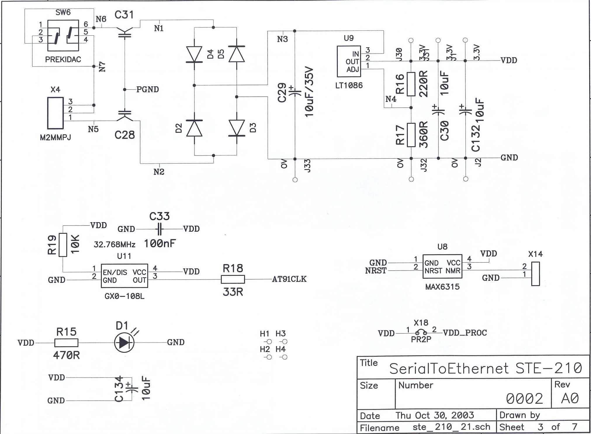
Router Serial to Ethernet STE-210
Router includes of a microprocessor ARM-7 and an Ethernet Controller with uClinux operating system.
Investor of the project is: www.kortex-psi.fr
- Communication: 2 pcs RS-232C, TCP/IP 10Mb
- Microprocessor: ARM-7 (AT91R40807)
- Operating system: uClinux
- Memory: RAM 2MB, FLASH ROM 2MB, BOOT ROM 128kB
- Indication: 20 LEDs
- Interface: JTAG
- Expansion port
- Supply voltage: 7-9V dc
- Dimensions: 150x115x32 mm







STE-210 Memory Map
STE-210 Input-Output
Link:
Embedded Linux/Microcontroller Project
uClinux for ARM-7
ARM-7 Processor Family
Atmel ARM-7
Atmel AT91EB40
Atmel AT91EB40A
Atmel ARM-7 via JTAG
Cirrus Ethernet Controller
RAM Memory
Maxim RS-232 transceivers