|
Na ploči BLEE 6S nalazi se: chip A13 (ManyCore Lite SoC for Android 4.0 PAD) CPU ARM Cortex-A8 1GHz, GPU Mali 400,
VPU 1080P CODEC podržava HD grafiku 1920x1080, RAM DDR3 2Gb (128Mb x 16), micro-SD 8GB,
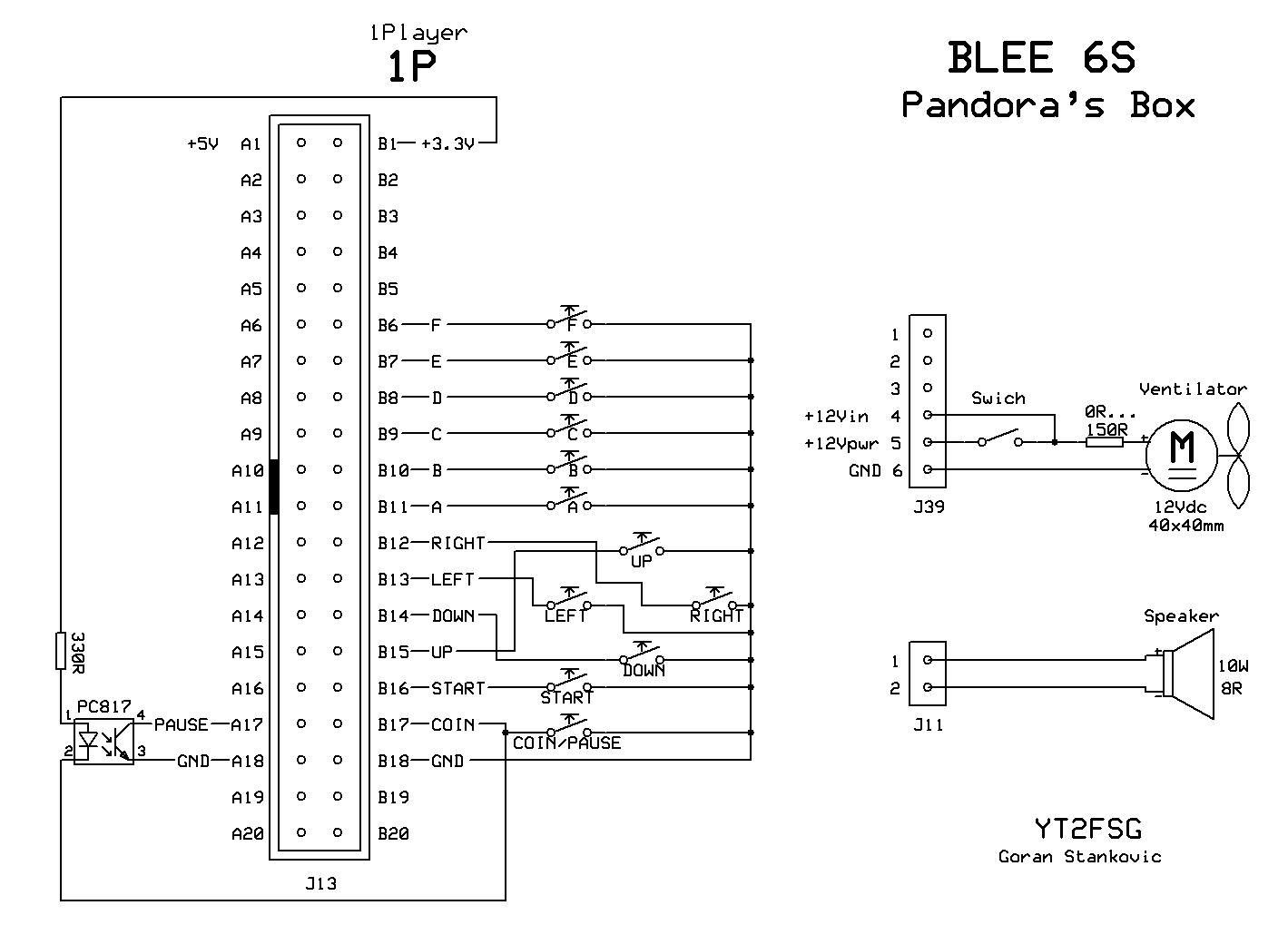
pomoćni CPU ARM Cortex-M3 (USB), chip video DAC za VGA (podržava 1280x720, 1024x768, 640x480 CGA), NF pojačavač 10W klasa D. Na zadnjoj strani ploče nalaze se: konektori za napajanje 12V, HDMI i VGA video izlaz, 3.5mm pomoćni audio izlaz, potenciometar za jačinu zvuka, CFG taster za konfiguraciju ploče, 2 x USB priključak za kontrolu PC igara. Sa leve strane ploče je 40pin konektor za 2 igrača po joystick i 8 tastera, a sa desne strane nalazi se: konektor za prekidač napajanja i zvučnik 10W 8R. Tasteri COIN i PAUSE zajednički su za oba igrača. |


