![]() |
DOS je porodica operativnih sistema na disku. DOS se prvenstveno sastoji od MS-DOS-a i rebrendirane verzije pod imenom IBM PC DOS, predstavljeni su 1981. godine. Drugi kasniji kompatibilni sistemi drugih proizvodjača uključuju DR-DOS (1988), ROM-DOS (1989), PTS-DOS (1993) i FreeDOS (1998). MS-DOS je dominirao na tržištu IBM PC kompatibilnih računara sa x86 procesorom izmedju 1981. i 1995. godine. 1. ISA Backplane (3...6 slot) 2. ISA Bus 386SX-40 CPU Card 3. ISA VGA color or monochrome graphic card 4. CF-IDE adapter i Compact FLASH 128MB...2GB 5. Power supply +5V, +12V, -12V |


Veza izmedju DOS Box i Windows 7 računara može se ostvariti preko RS-232 serijske veze. Na Windows 7 koristi se Total Commander sa seriskim dodatkom sertransplg.zip Na DOS Box-u instalira se serial port server za DOS tcsrv4dos.zip


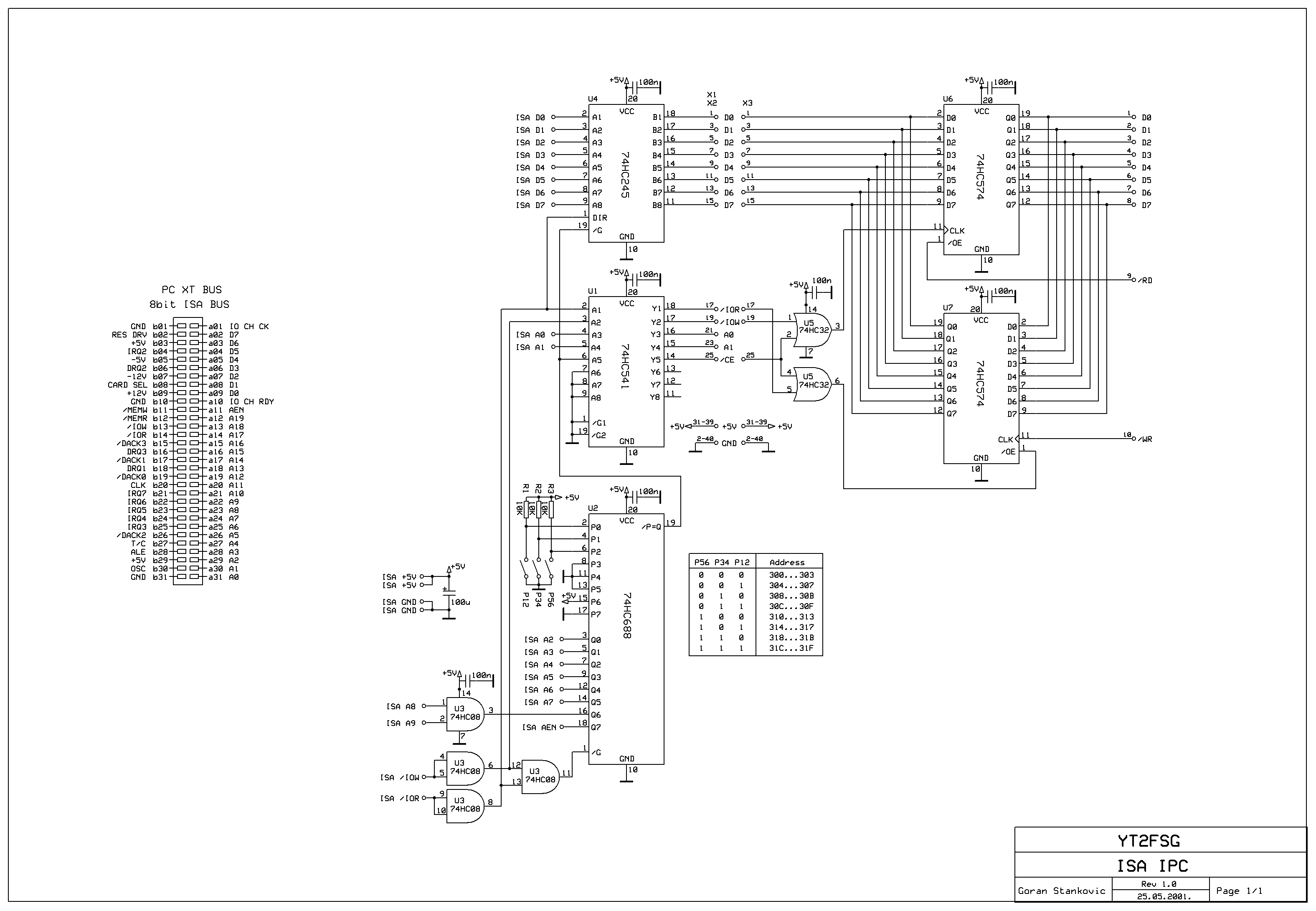
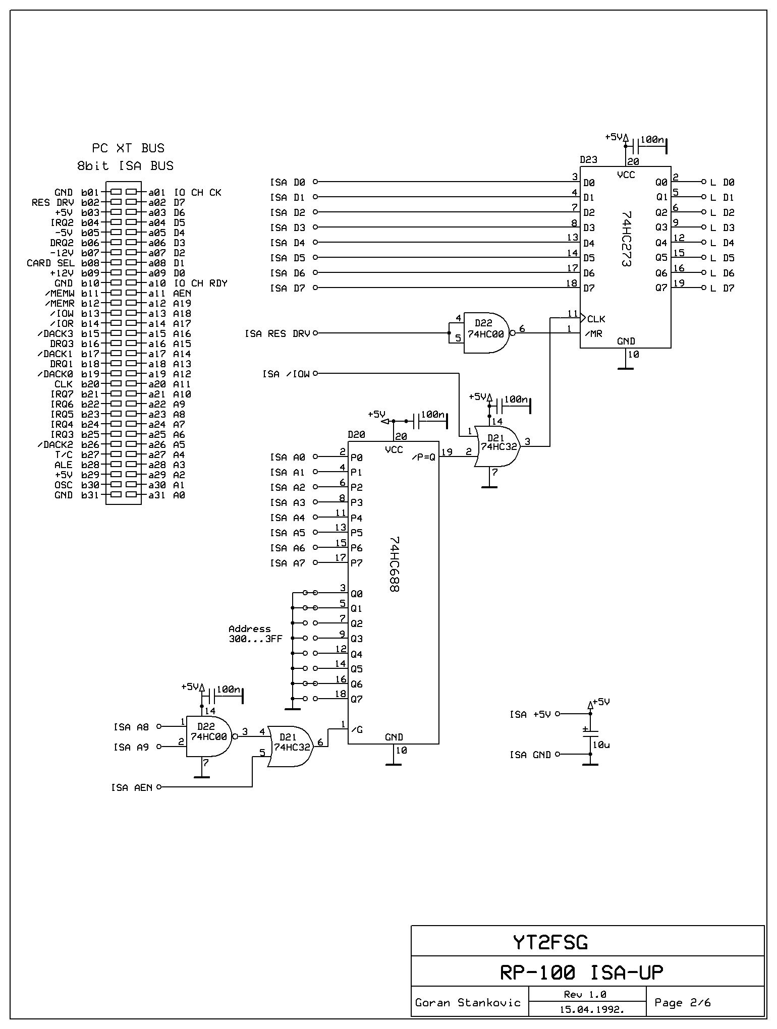
FONT1=file_name.FNT - Font 1 karakteri velicine 8X8 FONT2=file_name.FNT - Font 2 karakteri velicine 8X16 TEXT(n,m)=file_name.TXT - Prikazi text file, n = FONT, m = vreme prikaza u ms SCREEN(m)=file_name.SCR - Prikazi sliku file, m = vreme prikaza u msŠema ISA grafičke kartice za RP-100:





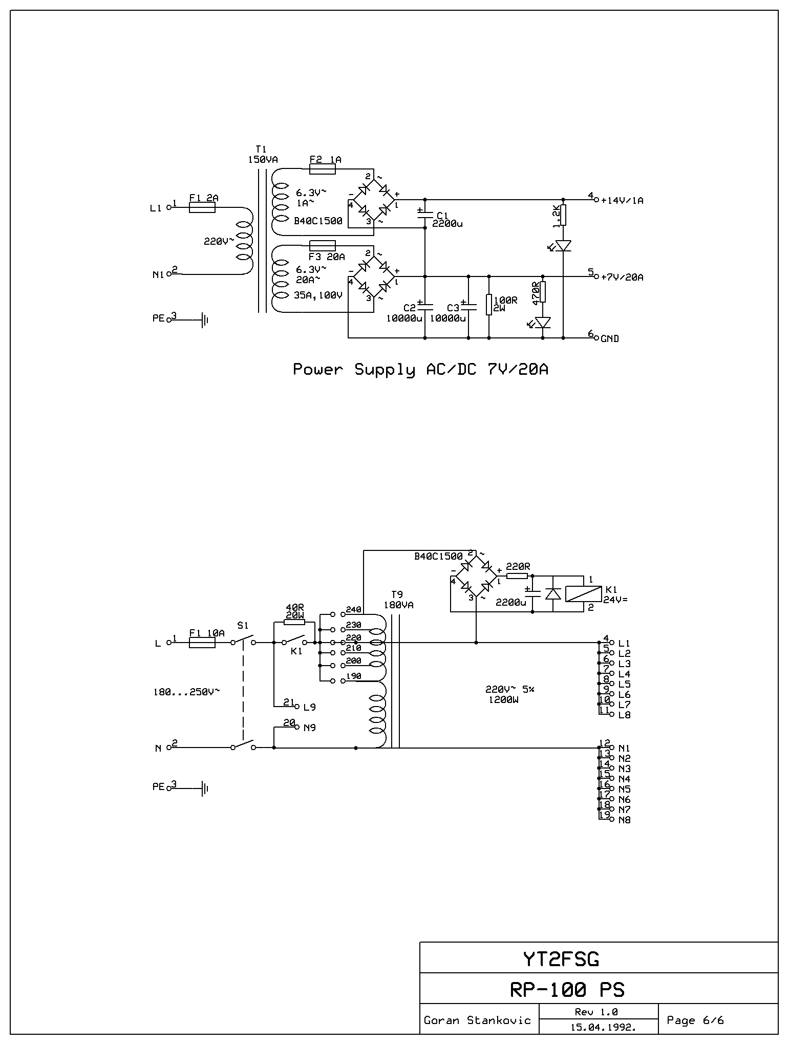
Ukupna maksimalna struja kada su svetle sve LED diode je Imax=160A, to je Pmax=1100W.
Napajanje LED dioda uradjeno je sa 8 klasičnih AC/DC nestabilisanih ispravljača 7V/20A.
Kod gradske mreže frekvence 50Hz potrebno je sinhronizovati frekvencu displeja,
za LED matricu 128x64 koristi se kvarc kristal 6.55366MHz.
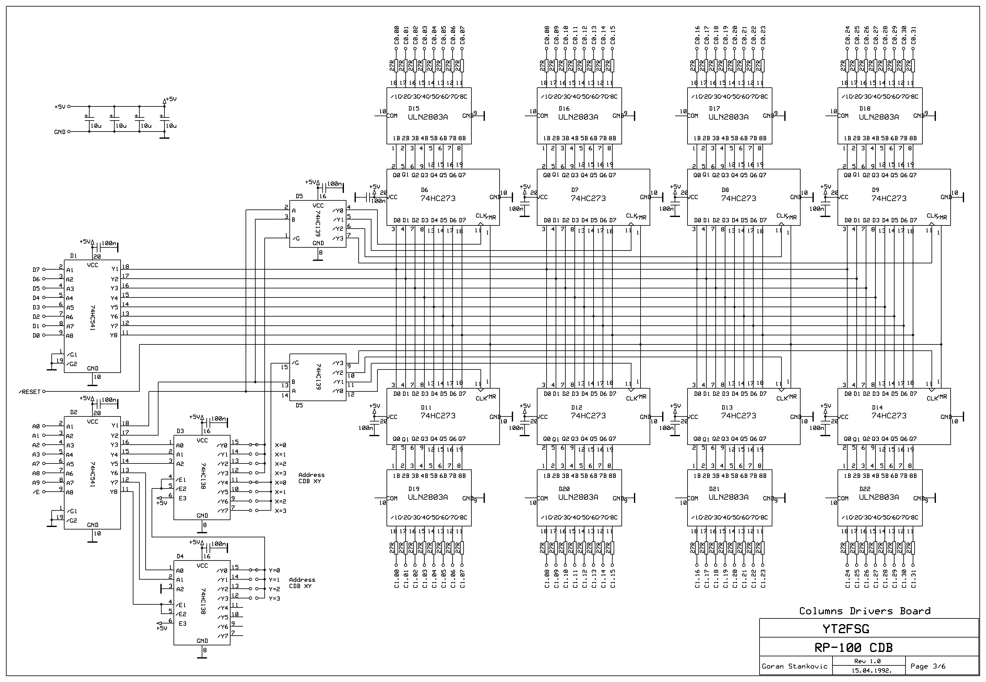
Koristi se ukupno 16x CDB ploča drajveri kolona, 8x RDB ploča drajveri redova i 8x PS napojnih jedinica.
Potrebno je koristi soft-start za napojne jedinice. Gruba regulacija napona izvedena je pomoću autotransormatora.

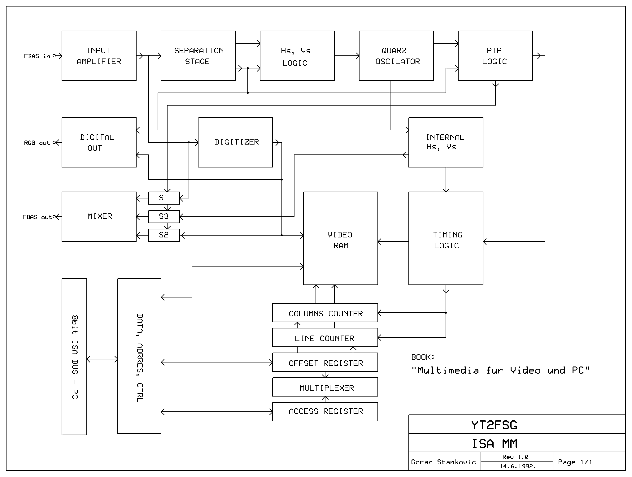
Uz knjigu "Multimedia fur Video und PC" izdavač Markt&Technik iz 1992. godine dobije se prazna PCB ploča i demo software. U knjizi je detaljno opisana izrada multimedijalne kartice za video i PC računar.

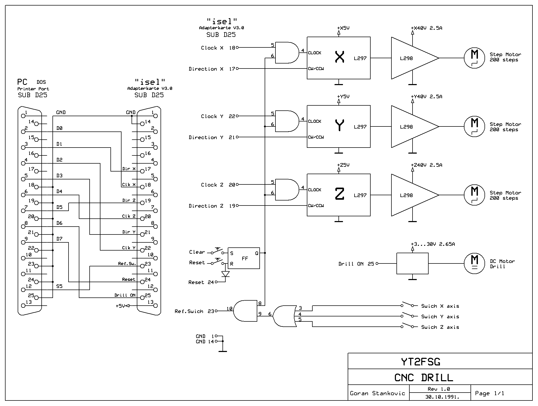
() = komentar F n = brzina po XYZ G n = komanda za freziranje H n = max dizanje alata M n = opšta komanda T n = alat X n = X kordinata Y n = Y kordinata Z n = Z kordinata FILE file_nameBlok šema CNC Kordinatne bišilice "ISEL":
