CP/M na FPGA je rad Grant Searle: zx80.netai.net/grant/Multicomp/cpm/fpgaCPM.html
EP2C5 je ploča koja omogućava primenu CP/M-80 računara.
To je omogućeno korišćenjem FPGA ALTERA Cyclone II, koja se može postaviti zahvaljujući
programskim jezicima za projektovanje digitalnih sistema kao što su VHDL ili Verilog.
Na ovu ploču dodate su ploče sa RAM 128KB, PS/2 tastatura, SD kartica, kompozitni video izlaz PAL/NTSC, VGA ili RGB konektor,
RS-232 port.
Ova ploča sa dodacima pored CP/M-80 omogućava implementaciju nekoliko računara sa mikroprocesorom Z80, 6502, 6809.
Multikomjuter na FPGA je rad Grant Searle: zx80.netai.net/grant/Multicomp/index.html
Štampanu ploču EP2C5T144mini možete naručiti na:
www.ebay.com
Download FPGA development software: Altera Quartus II 13 sp1 , Ne koristite noviju nerziju, jer ne podržava FPGA Cyclone II, CPLD MAX i MAX II.
Štampana ploča sa dodatnim pločama i zalemljenim komponentama YT2FSG:


Struja potrošnje ploče sa dodacima je oko 80mA.
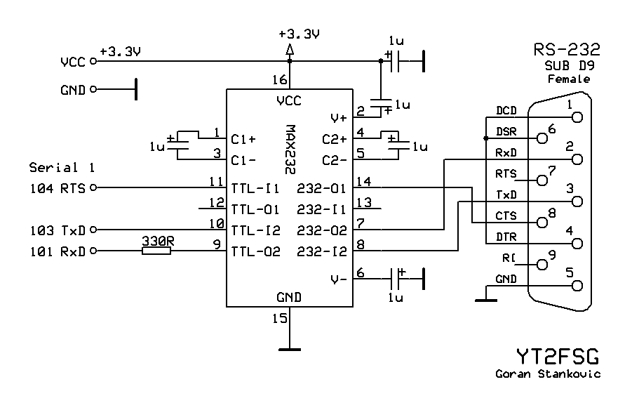
Za RS-232 port korišćen je MAX232 priključen na napajanje 3.3V, sa Windows softverom PuTTY ili HyperTerminal brzina prenosa je do 115200 bauda.

Na RetroBrew Computers objavljen je projekat:
MC 2G 1024K.
Na forumu RetroBrew Computers objavljen je projekat dodatne štampane ploče:
Cyclone II and IV boards available.
PCB štampana ploča je dimenzije 80x100mm. Izradu PCB možete uraditi preko on-line kompanija:
EasyEDA -
JLCPCB ili
Seeed

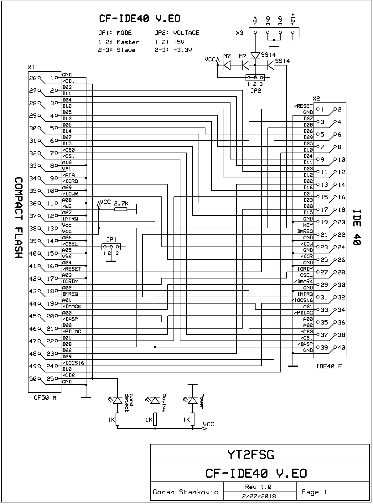
Svaka CP/M verzija podržava tri od 8MB drive (A:, B: i C:) kao i jedan od 896KB Ramdrive (M:).
A: B: i C: mogu se mapirati kao 8 MB segmenti (volumes) na mikro SD 2GB kartici, maximum 253.
B: i C: se mogu mapirati u pokrenutom sistemu pomoću programa MOUNT.COM.

Z80 CP/M je projekat na prototipnoj ploci, sa dizajnom zasnovanim na diskretnoj logici, zahvaljujuci radu Grant Searle: http://zx80.netai.net/grant/cpm/index.html
Na RetroBrew Computers objavljen je projekat: SBC 2G 512K.
PCB štampana ploča je dimenzije 80x100mm. Izradu PCB možete uraditi preko on-line kompanija:
EasyEDA -
JLCPCB ili
Seeed
Prema projektu Z80 CP/M Grant Searle, RAM 64KB, COMPACT FLASH 128MB.
Modifikovana štampana ploča sa zalemljenim komponentama YT2FSG:
Struja potrošnje ploče je oko 150mA.
Prema projektu SBC2.0 RetroBrew Computers, RAM 512KB, COMPACT FLASH do 2GB i boot multi system.
Štampana ploča sa zalemljenim komponentama:
Struja potrošnje ploče je oko 150mA.
Svaka CP/M verzija podržava tri od 8MB drive (A:, B: i C:) kao i jedan od 384KB Ramdrive (M:).
A: B: i C: mogu se mapirati kao 8 MB segmenti (volumes) na COMPACT FLASH kartici, maximum 253 (na 2GB kartici).
B: i C: se mogu mapirati u pokrenutom sistemu pomoću programa MOUNT.COM.



