PLC-M is a modular system. This means that, with the use of cards, it can be adapted to almost every task definition from straightforward digital input/output via the processing of analogue signals.

| Nr | Modules | Tip |
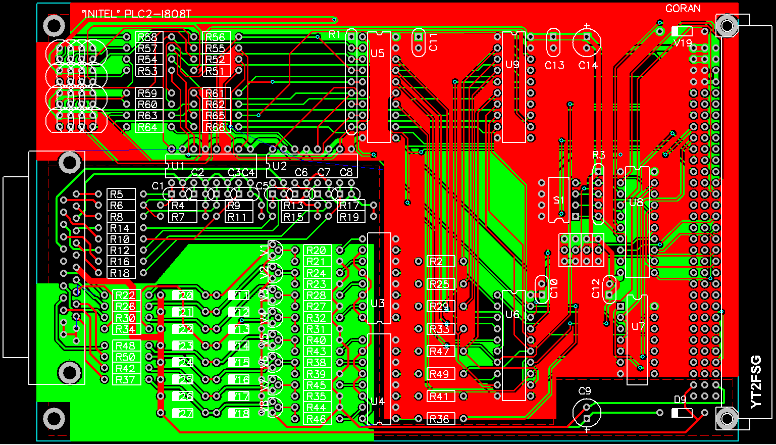
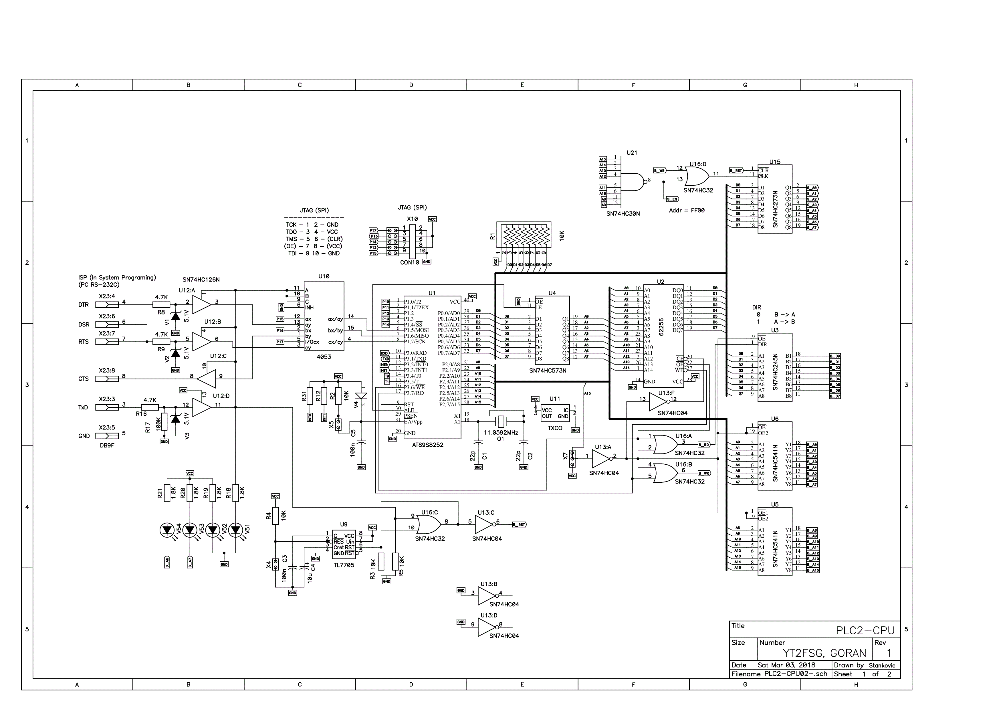
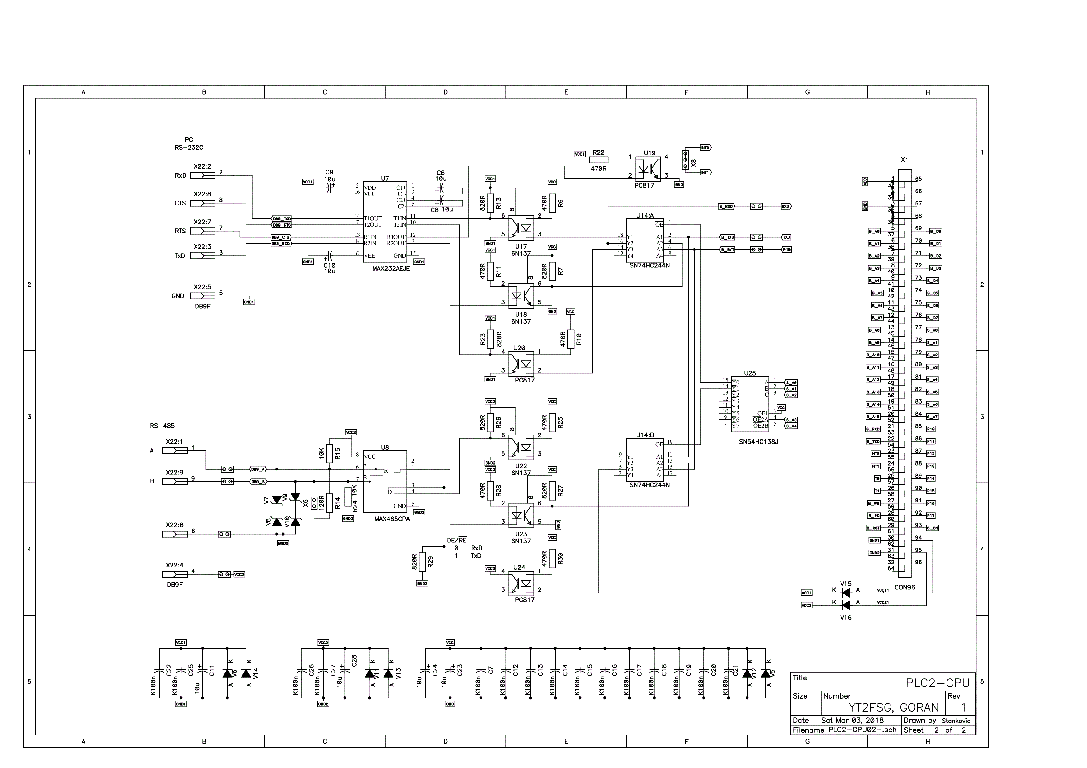
| 1. | CPU module | PLC-M-CPU |
| 2. | Digital input-output module | PLC-M-I8O8D |
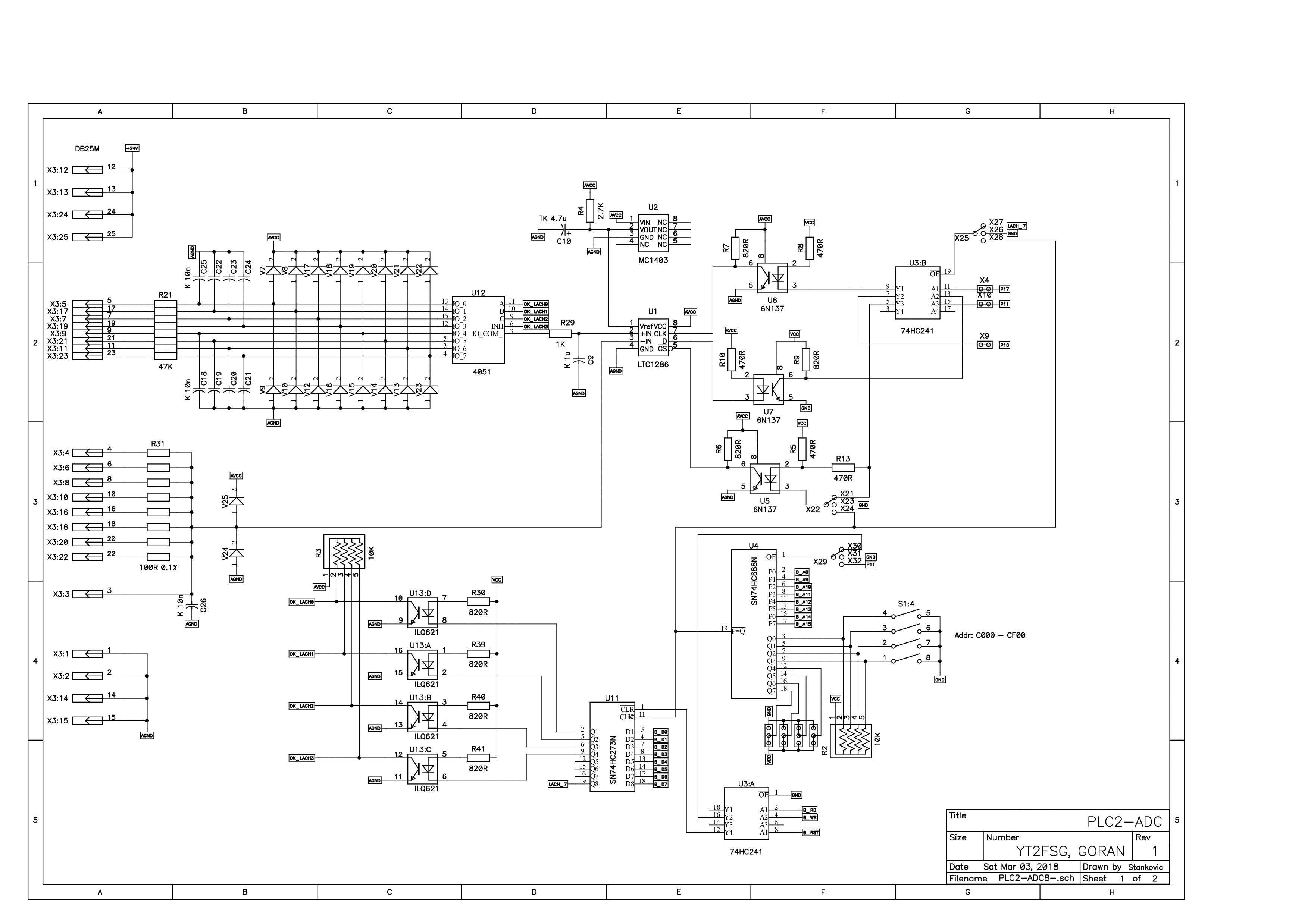
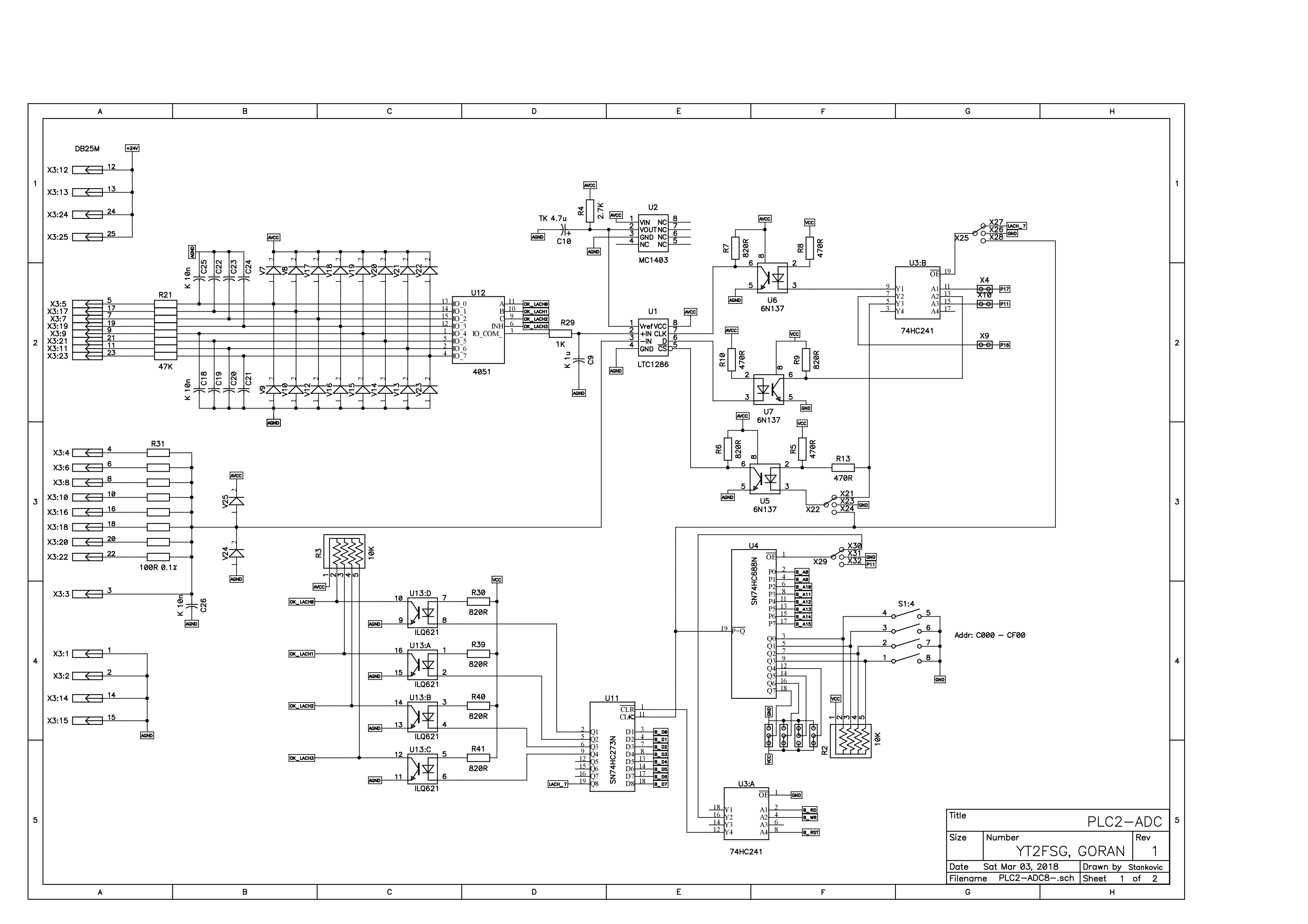
| 3. | Analogue input module | PLC-M-ADC8 |
| 4. | Modem for Wire Communications module | PLC-M-MODEM-T |
| 5. | Modem for Wireless Communications module | PLC-M-MODEM-R |
| 6. | Module for GSM SMS messages | PLC-M-GSM SMS |
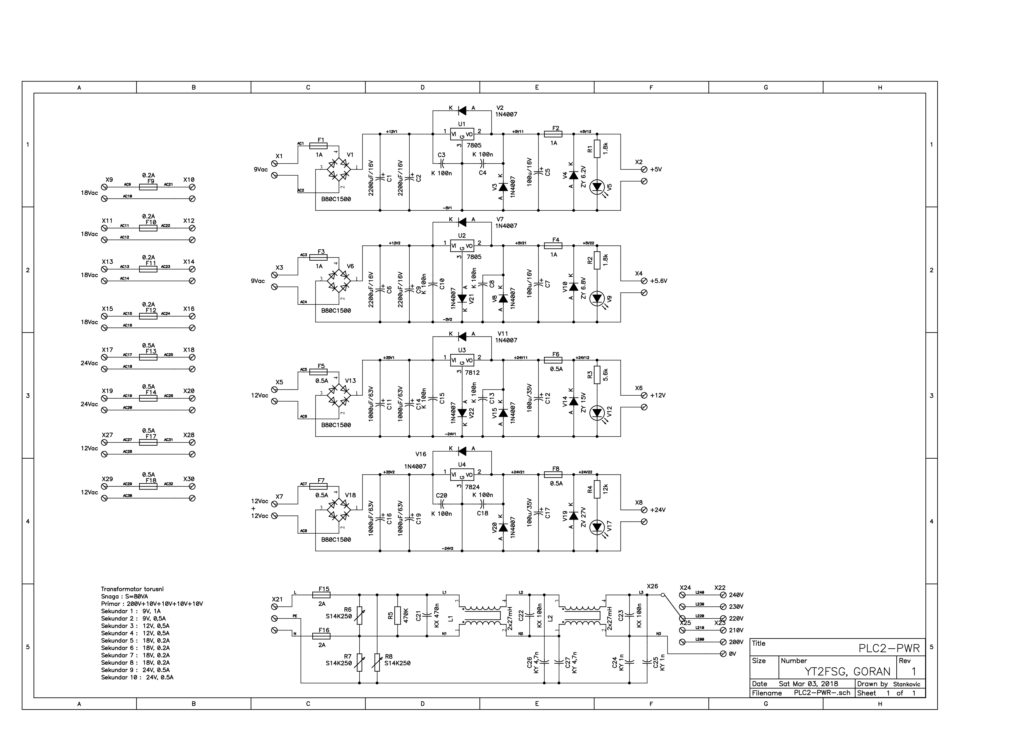
| 7. | Power Supply module | PLC-M-PWR |
| 8. | Subrack 19" | PLC-M-RCK19 |
| 9. | Relay Terminal module | PLC-RELE4 |
| 10. | LED display, 4 digits module | PLC-LED4 |














