
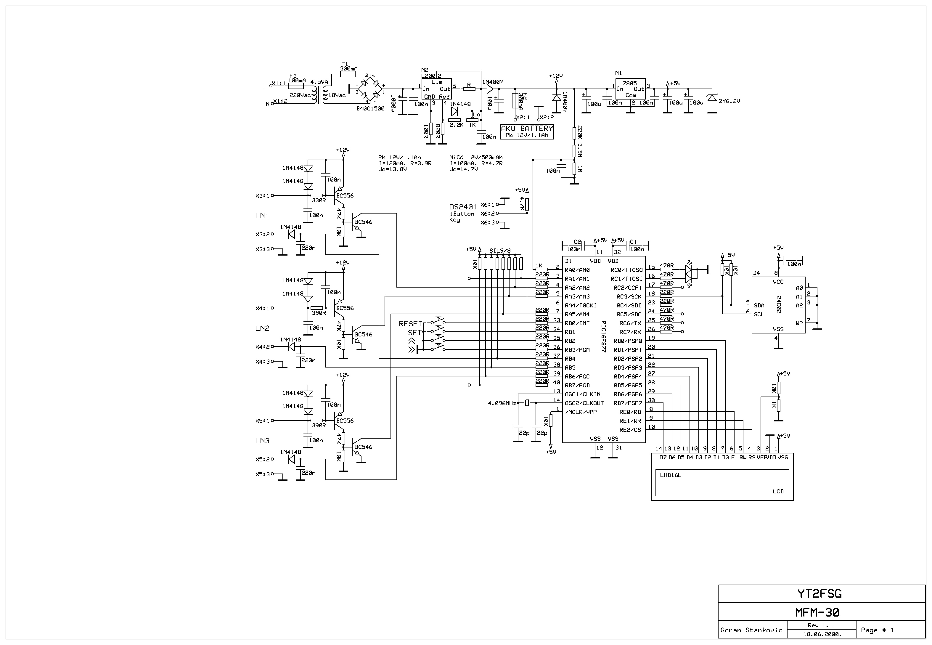
 |
Protokomer za napitke (pivo, vino, sokove...) MFM-14 (MFM-03)
- Uloga: Meri količinu istočenog pića u litrima ili drugim proporcijama
(čaše). Mogućnost priključenja do 4 protokomera po sistemu. Sistem pamti
tri poslednje vrednosti u toku dana. Podaci se čuvaju u EEPROM memoriji u
slučaju prekida napajanja. Podaci mogu da se pregledaju uz pomoć tastature.
Brisanje podataka i zadavanje novih parametara moguće je samo uz prisusvo
kodnog ključa.
- Ulazi: 4 digitalna brojača za senzore protoka, kompatibilno sa senzorima
koje proizvodi DIGMESA. Detekcija prekida kabla za senzore.
- Indikacija: 2x16 karaktera LCD matrični displej (sa pozadinskim
osvetljenjem), LED-ALARM, LED greška.
- Kodni ključ: 2 komada DALLAS Silicon Serial Number ili Serial Number
iButon. Detekcija prekida i kratkog spoja u konektoru za kodni ključ.
- Komunikacija: RS-232 ili RS-485 galvanski izolovan
- Napajanje: 12Vdc, 1.1Ah olovni akumulator; 220Vac/13.8Vdc, 150mA
IU-punjač za olovni akumulator. Detekcija isključenja baterije.
- Dimenzije: 160x140x60mm.
|