Real Time Clocks
The dissemination of time is one of the PTB's legal tasks. Most clocks in
the public sphere and in industry – but also the private radio clocks – receive
legal time via the long-wave transmitter DCF77 of the Deutsche Telekom AG.
At a radius of 2000 km around the location of the transmitter at Mainflingen
near Frankfurt, coded signals can be detected for 24 hours per day. Every
minute the numbers of minute, hour, calendar day, day of the week, calendar
month and the two last figures of the calendar years are BCD-coded and transmitted
by pulse duration modulation of the second markers. The 59th second is suppressed,
thus indicating that the next marker is the minute marker.
Link: Physikalisch-Technische
Bundesanstalt: www.ptb.de

Perfect Time Controller PTC-77
Controller for the City Clock with DCF-77 receiver of the real time and the thermometer.
- Real Time Clock:
- DCF-77 Time Signal Receiver,
- 3-wire cable for connect DCF-77 Receiver lenght 10m max.,
- 4.096MHz basic clock for the internal real time clock,
- 32.768KHz auxiliary clock for the measured DCF-77 signal,
- Internal real time clock is synchronize with DCF-77,
- Calendar up to 9999 year.
- Digital Thermometer:
- Sensor type: DALLAS 1-Wire Digital Thermometer (DS1820),
- Measurement range: -55oC to +125oC, Measurement accuracy: < 0,1%,
- 3-wire cable for connect thermometer lenght 300m max.,
- Detection break and short circuit in cable of thermometer,
- Measurement cycle: 1 sec,
- Digital filter: 32 sec.
- Auxiliary indication: 2x16 chars LCD matrix display,
- Keyboard: 4 keys,
- Interface 1: SPI, for the connection to Buffer Boards of big display,
- Option: Interface 2: RS-232C or RS-485 optically-isolated,
- Supply voltage: 7-12V dc,
- Dimensions: board 100x80 mm,

Sensitivity Controller SC-77
Controller for the Geomagnetic Instruments in observatory Geomagnetic Institute, Grocka
- Real Time Clock:
- Automatic sensitivity calibration every last Friday of the month at 7:00 AM,
- Sync pulse every minute,
- Sync pulse every hour,
- DCF-77 Time Signal Receiver,
- 3-wire cable for connect DCF-77 Receiver lenght 10m max.,
- 4.096MHz basic clock for the internal real time clock,
- 32.768KHz auxiliary clock for the measured DCF-77 signal,
- Internal real time clock is synchronize with DCF-77,
- Calendar up to 9999 year.
- Indication: 2x16 chars LCD matrix display,
- Keyboard: 4 keys,
- Digital Output: 2 optically-isolated,
- Analog Output for sensitivity calibration: 3 current loop ±20mA dc, 4 current loop ±4mA dc,
- Automatic or manual sensitivity calibration,
- Interface: RS-232C or RS-485 optically-isolated,
- Supply voltage: Battery 12V dc 4Ah,
- Dimensions: board 100x80 mm,
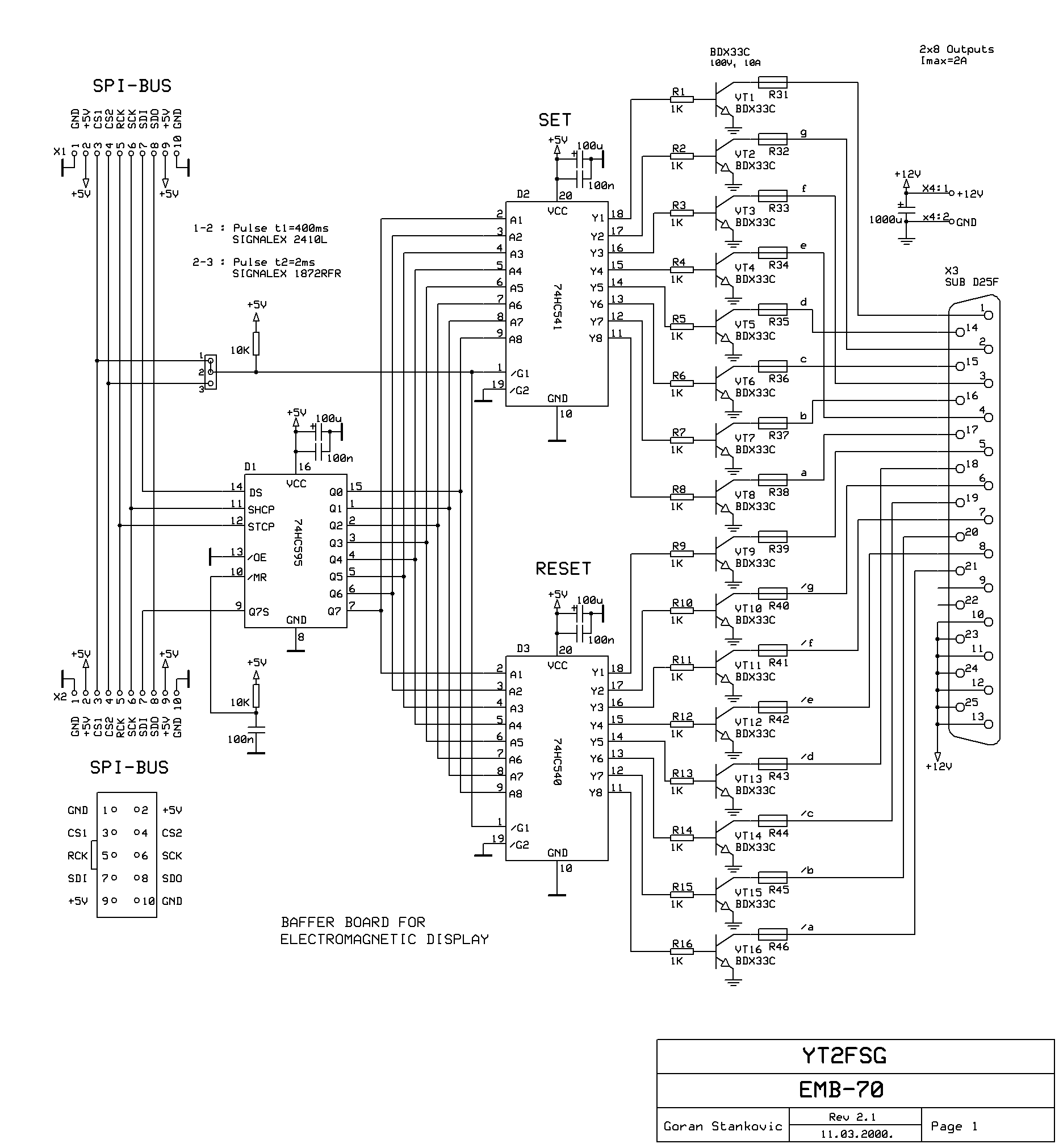
Buffer board EMB-70
- Buffer board with Shift Register Latch for one digit 7-segment Electromagnetic Display
- Interface: SPI ,
- 16 Outputs : 8 Set + 8 Reset, transistor, I=2A, Imax=10A,
- Supply voltage: 12V dc,
- Dimensions: board 100x100 mm.
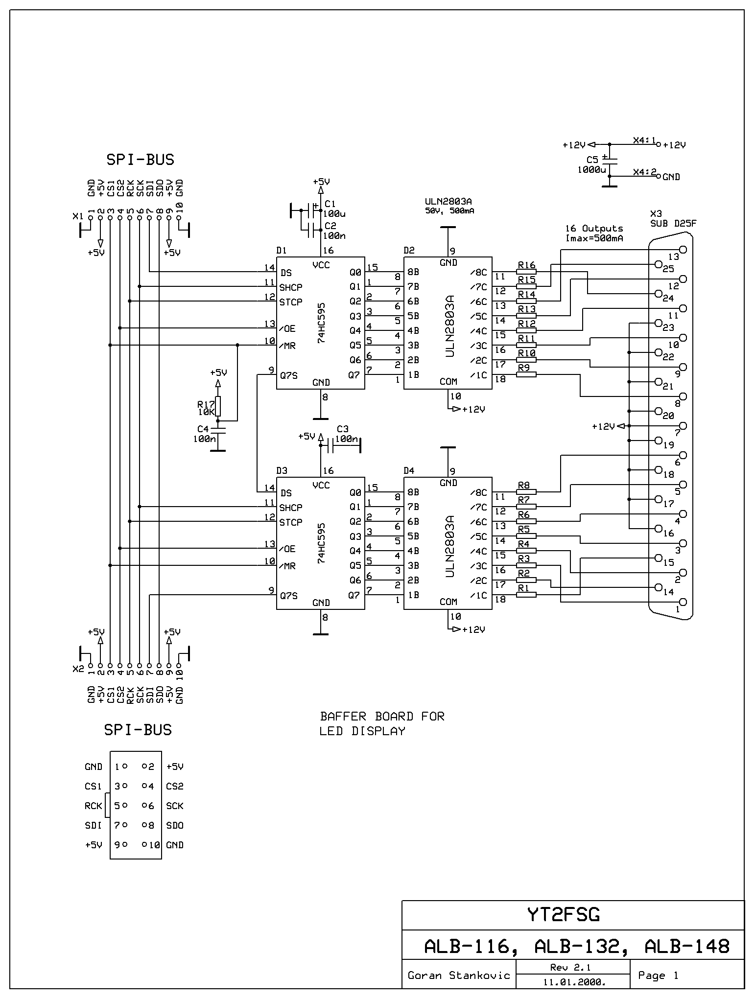
Buffer board ALB-148
- Buffer board with Shift Register Latch for 6 digit 7-segment LED displays
- Interface: SPI,
- 48 Outputs : open collector, I=200mA, Imax=500mA,
- Supply voltage: 12V dc,
- Dimensions: board 205x65 mm.