![]() |
Z80 CPU je 8-bitni mikroprocesor.
Zilog ga je proizveo 1976. godine kao prvi proizvod. Z80 je osmislio Federiko Fagin krajem 1974. godine i razvio ga je njegov tadašnji tim od 11 zaposlenih u Zilog-u. |
![]() |
|
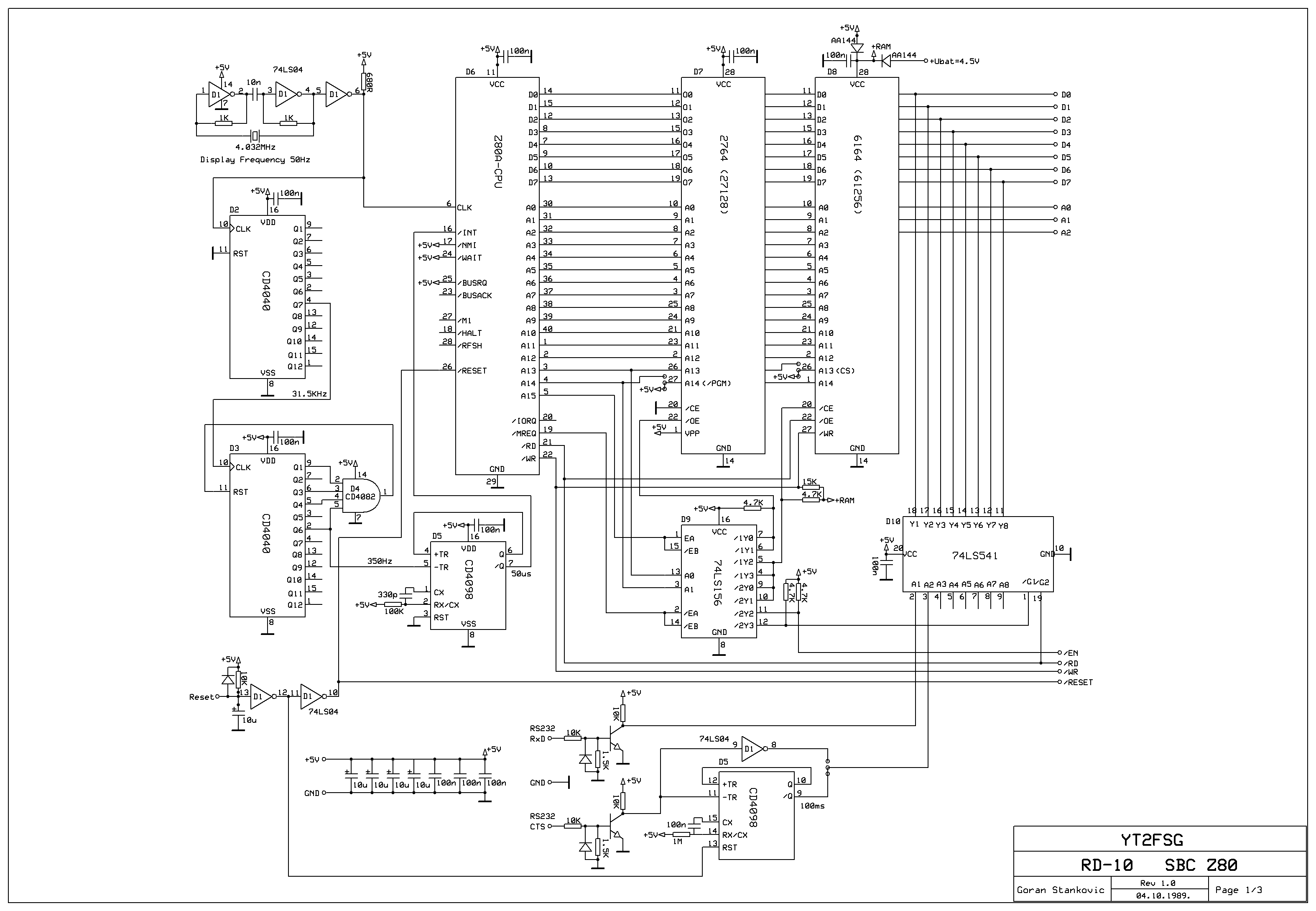
RD-10, LED reklamni displej sa pokretnim tekstom dužine 10 karaktera ili 60x7 tačaka i Z80-CPU mikroprocesorom . Ima odredjene efekte, set karaktera ima YUSCII latinični i ćirilični font, kao i grafičke karaktere. Unos podataka je preko RS232 sa brzinom prenosa 9600 bps. RAM ima dodatnu bateriju, tako da su podaci sačuvani nestankom napona napajanja.

00 - BEGIN 01 - SCROLL LEFT 02 - SCROLL RIGHT 03 - SCROLL UP 04 - SCROLL DOWN 05 - RND-ON 06 - RND-OFF 14 - PRINT 15 - PAUSEŠema SBC Z80 ploče za RD-10:


Ukupna maksimalna struja kada su svetle sve LED diode je Imax=6A, to je oko Pmax=40W.
Napajanje LED dioda uradjeno je sa klasičnim AC/DC nestabilisanim ispravljačem 7V/6A.
Kod gradske mreže frekvence 50Hz potrebno je sinhronizovati frekvencu displeja,
za LED matricu 60x7 koristi se kvarc kristal 4.032MHz.

Ukupna potrošnja je oko I=120mA
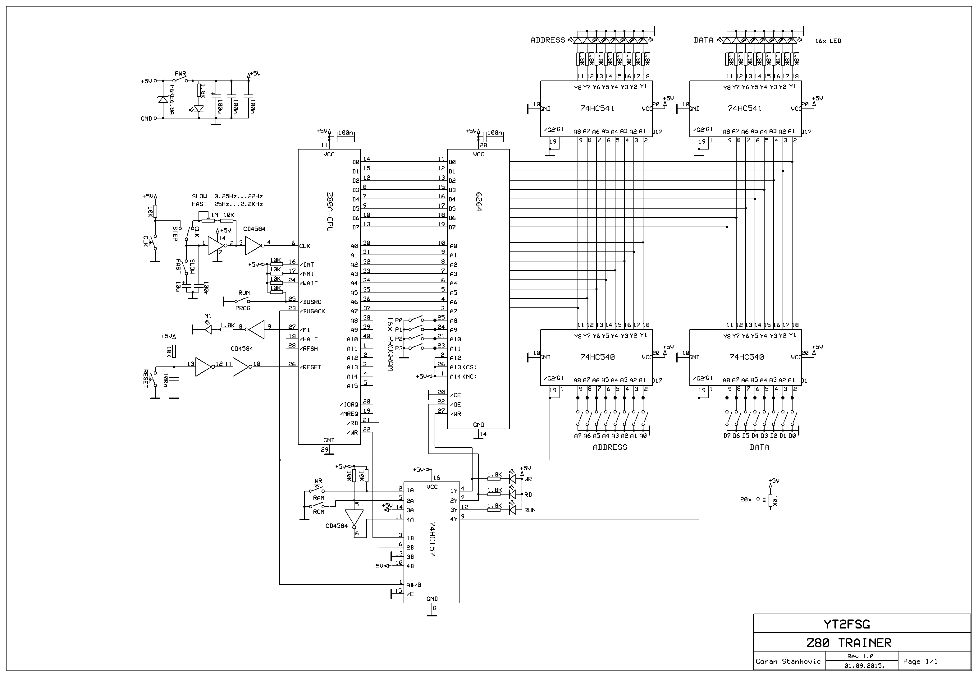
Šema YT2FSG, Z80-TRAINER:
Ukupna potrošnja ploče je oko I=170mA
Šema TEC-1B clone ploče:
![]() |
Reprodukcija PCB TEC-1D autora Ben Grimmett: retro.hansotten.nl/z80/talking-electronics-tec-1/tec-1d/ Može se poruciti na: bennvenn.myshopify.com/products/tec-1d-talking-electronics-z80-trainer-computer-pcb-only |
Ukupna potrošnja ploče je oko I=180mA
Šema PRO-80 clone ploče:
|
U knjizi "Build your own Z80 computer" iz 1981. godine opisana izrada računara sa Z80 mikroprocesorom.Download Software:Link: |
|
Na web sajtu retro.hansotten.nl/z80
objavljena je Z80 DEV KIT,
SBC razvojna ploča sa Z80 mikroprocesorom. Download Software:Link: |