05.01.2024
Afisajele tip VFD (VACUUM FLUORESCENT DISPLAY) m-au fascinat inca de pe vremea cand erau folosite la scara larga in DVD-uri si VCR-uri. Azi nu mai sunt folosite de nimeni dar recuperand astfel de afisaje se pot face diverse montaje de amatori
care arata destul de bine.
Eu am recuperat un astfel de afisaj si am trecut la descifrarea lui si in cele din urma la aprinderea si folosirea pentru o prezentare de text care ruleaza.
Treaba cu aceste afisaje este destul de complicata pana in momentul cand ai descifrat configuratia pinilor acestuia.
Al meu are urmatoarea configuratie:

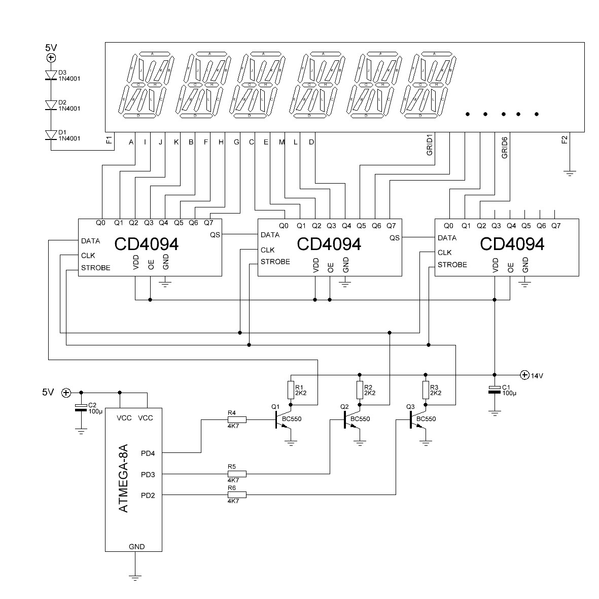
Dupa descifrarea schemei de conexiune a pinilor am trecut la schema de comanda. Aici era vorba de un circuit specializat pentru aprinderea VFD-urilor care este construit de Princeton Lightwave si se numeste PT6302 pe care l-am utilizat intr-un alt proiect similar: RadioFM cu afisaj VFD si controller PT6302 Se pot utiliza si alte circuite de control dar eu am optat de aceasta data la un artificiu foarte ieftin si bun de a folosi circuite logice CMOS pe carele are fiecare electronist amator prin sertare sau poate sa le recupereze din diverse montaje scoase din uz; aceste circuite sunt CD4094 - 8STAGE SHIFT AND STORE REGISTER CONTROLER. Schema de aplicatie cu aceste circuite am preluat-o depe site-ul: SPRITESMODS.

Controllerul folosit de mine este un Atmega8 cu ceas de 8MHz intern si am rescris softul pentru a controla doar 6 Digiti. Softul se poate modifica pentru un numar mai mare de digiti in functie de preferinte. Ceea ce este un dezavantaj la aceasta abordare cu circuite CD4094, este luminozitatea mai scazuta a afisajului din doua motive: