
|
Am modificat recent softul acestui SWR-metru , la versiunea Ver.5.17, in vederea inbunatatirii performantelor sale in ceea ce priveste precizia masuratorilor in domeniul puterii. Puterea masurata de acest aparat se calculeaza dupa formula: P = (U*Factor)^2 / 100unde "U" este tensiunea continua masurata la iesirea cuplorului de antena iar "Factor" este o constanta care defineste raportul dintre tensiunea de radiofrecventa reala care trece prin cuplorul de antena spre antena si tensiunea de intrare in microcontroler. Introducerea acestui Factor de de-multiplicare, a condus la o scalare buna a puterii masurate in raport cu valoarea maxima masurata de aparat. Astfel in urma calibrarii aparatului puterea maxima masurata de acest aparat poate sa ajunga la orice valoare dorita. Totul se raporteaza la valoarea factorului de scalare (demultiplicare) introdus in meniul de calibrare. Cum se face acest lucru? Simplu: Dupa inscrierea softului in microcontroler se porneste aparatul, iar la intrare se injecteaza un semnal de radiofrecventa cu un nivel de putere cunoscut. La iesire se cupleaza o sarcina rezistiva de 50? pentru un raport SWR=1. In aceasta faza va apare pe afisaj doar indicatia analogica data de bargraf fara indicatia in valoare absoluta in W. Se comuta aparatul in meniul "DIR/REF": Se citeste pe scala acestui meniu valoarea maxima a diviziunii pe indicatia DIR, de ex. 285 diviziuni la o putere injectata la intrare de 32W. Aceste doua valori obtinute in prima faza ne sunt necesare pentru calibrarea exacta a aparatului:
P = 32W / 285 diviziuni Se opreste aparatul. Se tine apasat butonul MODE si se porneste din nou aparatul.
Va aparea mesajul:
Se va regla aceasta valoare cu ajutorul tastelor MODE si BAND pana la valoarea citita anterior la testele premergatoare, adica in cazul nostru de Se seteaza aceasta valoare a diviziunii cu ajutorul acelorasi taste MODE si BAND la valoarea masurata in
timpul testelor premergatoare, adica in cazul nostru de exemplu, la 285 div.
Dupa atingerea valorii dorite se lasa tastele Apoi aparatul memoreaza valorile de calibrare in memoria ne-volatila si se restarteaza trecand la masurarea libera.
In functie de aceste setari se stabileste precizia de masurare a acestui aparat care s-a dovedit foarte buna in urma
comparatiilor facute cu masurarea tensiunii de pe sarcina rezistiva si introducerea acestei valori in formula de calcul
arhi-cunoscuta.
![]()
|
Noul soft afiseaza urmatoarele meniuri prin apasarea succesiva a butonului MODE:
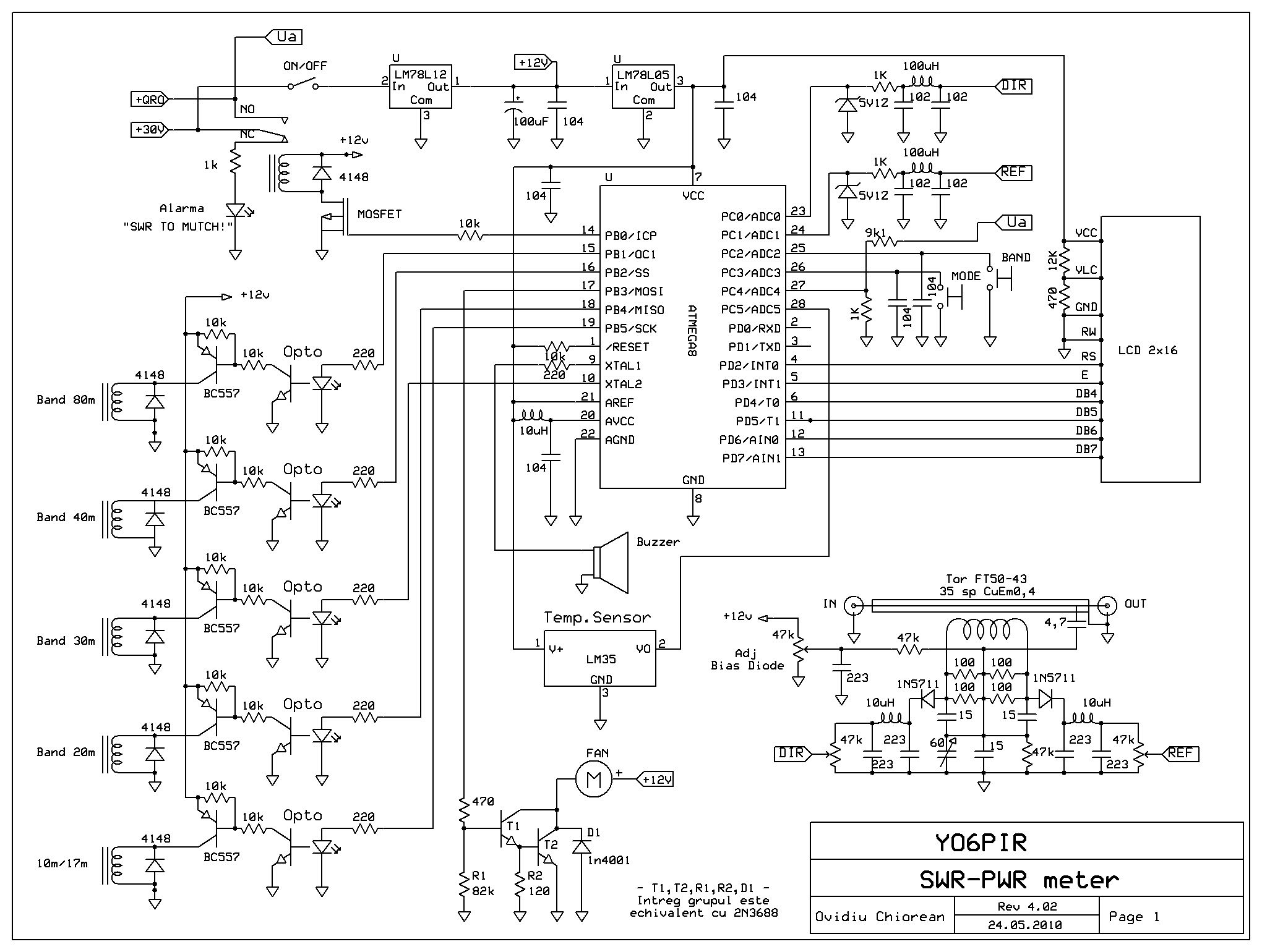
Schema modificata a noului aparat:
Grupul de comanda al ventilatorului se poate inlocui cu un tranzistor Darlington de tip 2N6388 care corespunde intocmai configuratiei respective. Cablajul imprimat se modifica cu mici exceptii in zona de iesire a terminalelor de comanda pentru releele de banda: Tranzistorul de comanda al ventilatorului nu este plantat pe cablaj si nici rezistenta din baza acestuia. Aceste componente se monteaza separat pe o placuta aditionala in aparat. Softurile si imaginea cablajelor imprimate se pot descarca din sectiunea download ![]()
Cablajul imprimat Ver.5
Software Ver.5.17
|
|
| YO6PIR © 2011 | Politica de confidentialitate | Termeni de utilizare |