HOME    YP6HMR      ABOUT ME       PROJECTS        QSL CARD         AWARDS         CONTACT
HT-305 HomeMade Transceiver
Transceiver de constructie proprie (Home-Made) , 2 benzi de frecventa (80-40)m. Controlat cu uPC ATMEGA164 la 20MHz, si DDS cu SI5351 care are si iesire de semnal BFO. Software de conceptie proprie, varianta redusa a lui HT950, creeat pe platforma de dezvoltare IDE, Bascom AVR. Afisare pe un LCD mono-color de la un Nokia 1110.
HT305 Controller schema de principiu
Afisajul LCD de Nokia1110 trebuie adaptat la controller cu ajutorul unui montaj de adaptare care face transferul nivelelor de 5V provenite de la controler la nivele de 3V necesare pt.LCD. 
Cablajul imprimat al adaptorului:
Montajul l-am introdus in spatele LCD-ului si face corp comun cu acesta. Toate componentele folosite sunt SMD.
HT305 LCD
LCD pcb
Am inceput asamblarea placii de comanda cu micro-controler. Modulul de afisare LCD este de la un telefon NOKIA 1110 si are o placa de adaptare separata, care face transferul semnalelor de la 5V provenite de la uC, la semnale de 3V necesare LCD-ului de Nokia

Placa board-controller se fixeaza pe contactele de la butoanele de comanda care ies pe fata. Nu am prevazut suruburi de fixare pentru aceasta placa.

Pe placa de bord-controller se afla doua placi seprate montate cu soclu.  Placa DDS cu SI5351 si placa Real Time Clock (RTC) cu DS1307 si bateria de back-up a ceasului.

Cablajul imprimat al controlerului trcv-ului l-am facut pe cablaj simplu-placat cu piesele montate pe ambele fete
Controller HT305 complet asamblat
Update 5 ian. 2018

Cum am promis va urma; si ma tin de cuvant.
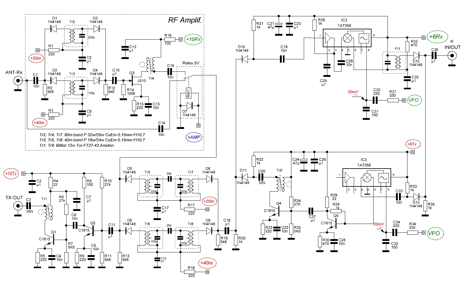
Am mai lucrat la transceiver si am plantat piesele pe placa de Front-End. Mai lipseste un circuit mixer TA7358 pe care nu-l am deocamdata.

Copyright © YO6PIR-Updated 07.2025

Placa de formator de semnal SSB si FI am avut-o plantata deja. Am scos piesele de la BFO deoarece frecventele oscilatorului local BFO, vor fi generate de catre modulul DDS cu Si5351.
Asamblarea in cutie mi-a luat ceva de furca dar am reusit sa inglobez toate modulele inclusiv AAF si Final RF. Mai urmeaza placa de comutare LPF si Rx/Tx care va fi comuna cu mufa de iesire RF.

Intre timp am am mai lucrat si la soft, si am implementat functiile de ajustare in meniul de setari ale DDS-ului astfel ca se pot ajusta toate frecventele care intra in lantul de radiofrecventa. XTALL este baza de timp a DDS-ului. Doua filmulete cu setarile transceiverlui si functionarea acestuia.
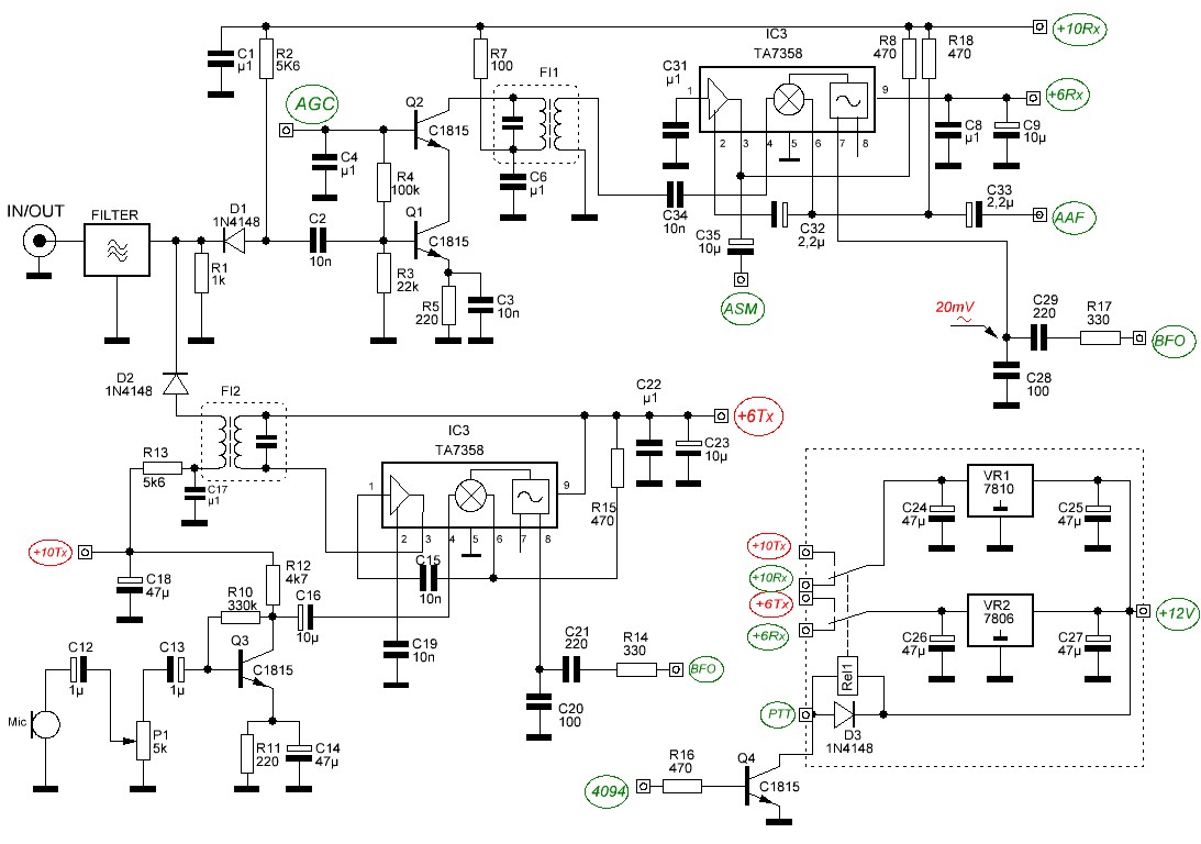
Toate schemele de pe partea de radio-frecventa ale acestui trcv se bazeaza pe ideile unui radioamator din Indonezia,  YC3LSB si sunt preluate de pe site-ul sau: https://yc3lsb.wordpress.com/
Schema placii de RF am modificat-o fata de varianta indoneziana si am folosit amplificatorul integrat in mixerul TA7358 pentru controlul amplificarii de radiofrecventa. Schema modificata arata asa:
Am facut primele teste de receptie si am fost destul de surprins de rezultate; putin cam zgomotoase mixerele integrate TA7358 si nivel mic pe partea de audio. Am facut ajustari la amplificatorul de semnal pentru AGC si rezultatele sunt multumitoare. Semnalul are o dinamica buna si compresia nivelului de AGC este in parametrii OK. Amplificatorul de AGC este o schema bine-cunoscuta si de aceea nu o comentez. Am introdus un reglaj auxiliar pentru Rx-Gain care consta intr-un simplu potentiometru care preia o tensiune de pe bara de +10V si o injecteaza cu dozaj corespunzator pe ultimul tranzistor din amplificatorul de AGC astfel incat sa regleze amplificarea globala si sa creasca indicatia S-mterului in functie de nivelul de control invers-proportional cu amplificarea, ca si la transceiverele profesionale.
La receptie am observat ca semnalele foarte puternice incarca prea tare primul mixer si de aceea am introdus o comutare a etajului de amplificare suplimentara, cu ajutorul unui releu comandat de iesirea “+20dB” de pe controller. Este vorba de un mini-releu de 5V care face comutarea antenei de receptie cu/fara amplificator.