| YO4HFU |
IP3 PERFORMANCE FOR SOME RF AMPLIFIERS |
Under Construction 07.06.2014
Design of high performance transvertes requires the choice of a type of amplifier with high IP3, low noise and sufficient gain.
I will present a summary of measurements made by me.

Types of amplifiers that I want to test:
1.Z10043A Push Pull Norton >schematic<
2.Feedback Amplifier (W7ZOI) >schematic<
3.Push Pull Emitter Feedback Amplifier (HamRadio '76) >schematic<
4. ERA-5 Amplifier
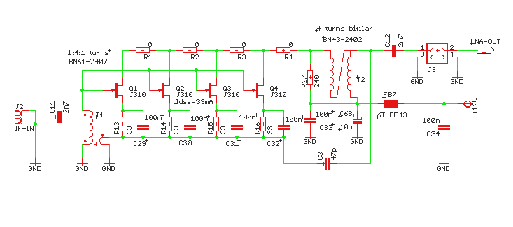
5. Quad J310 W7AAZ (CDG2000/PICASTAR) >schematic<
yo4hfu@2010-2026