SECTION X
Appendix


Page 10 - 5


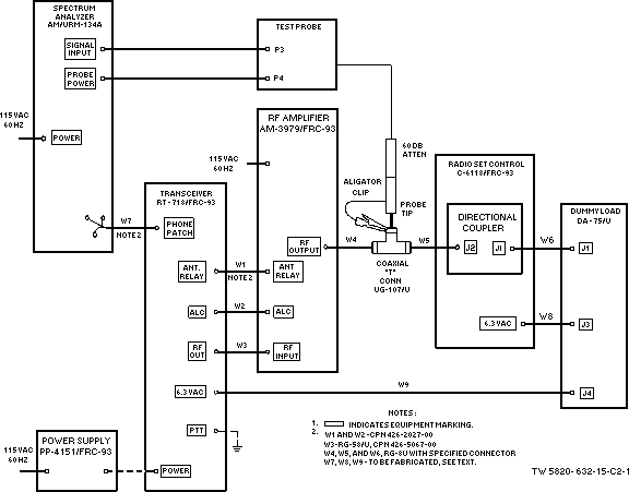
Figure 10 - 1. Amplifier, RF AN-3979/FRC-93, test setup