Home Up Poj. za lenje gr. 70 cm 2m+6m 2 m 6 m 23 cm Poj. za iskusne gr.

70 cm

Važno upozorenje:

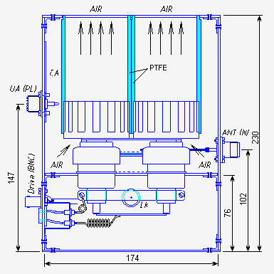
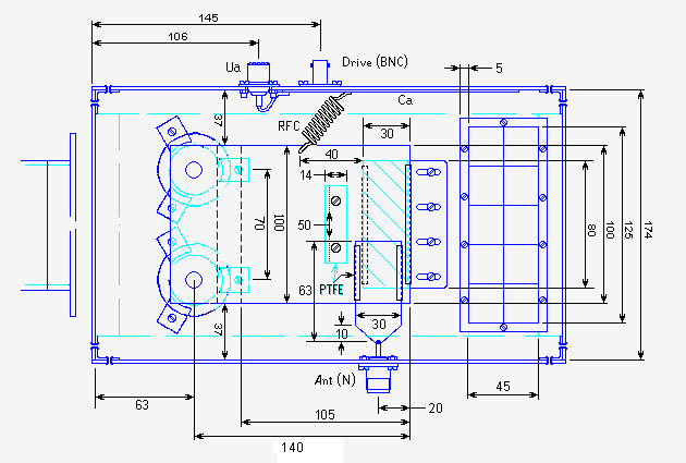
Svi spojevi izmedju VF delova kao i spojevi sa masom MORAJU biti što kraći! Ovo su ipak UKT pojačavači, uprkos tome što možda liče na KT. Hi! Vidi mehanička rešenja datih pojačavača!

U slučaju da ulazni trimer kondenzatori, ili jedan od njih, pri podešavanju traže da budu sa maksimalnim ili sa  minimalnim kapacitetom, potrebno je promeniti dužinu kabla između radio-uređaja kojim se pobuđuje pojačavač i samog pojačavača. Eksperimentalno treba odrediti optimalnu dužinu ovog kabla da bi se dobilo podešavanje sa približno onim vrednostima kapaciteta koje su date u šemi. Pri upotrebi pojačavača treba uvek koristiti taj eksperimentalno određen kabl. Promena radio-uređaja može ponekad zahtevati i ponovno određivanje ove dužine kabla.

 

1xGS31B 70cm PA

 1   Novo

           

sagradio: Fica, YU7AA

 

***

 NOVO!

1xGS35B 70cm PA

  1   2   3 

                               

sagradio: Teo, YU7AR

***

1x & 2x GI7B 70cm PA /zip 466 kB/

1     2                        5    6

 

           

sagradio: Teo, YU7AR

 

               

sagradio: Saša, YU1EO

 

Home Up Poj. za lenje gr. 70 cm 2m+6m 2 m 6 m 23 cm Poj. za iskusne gr.