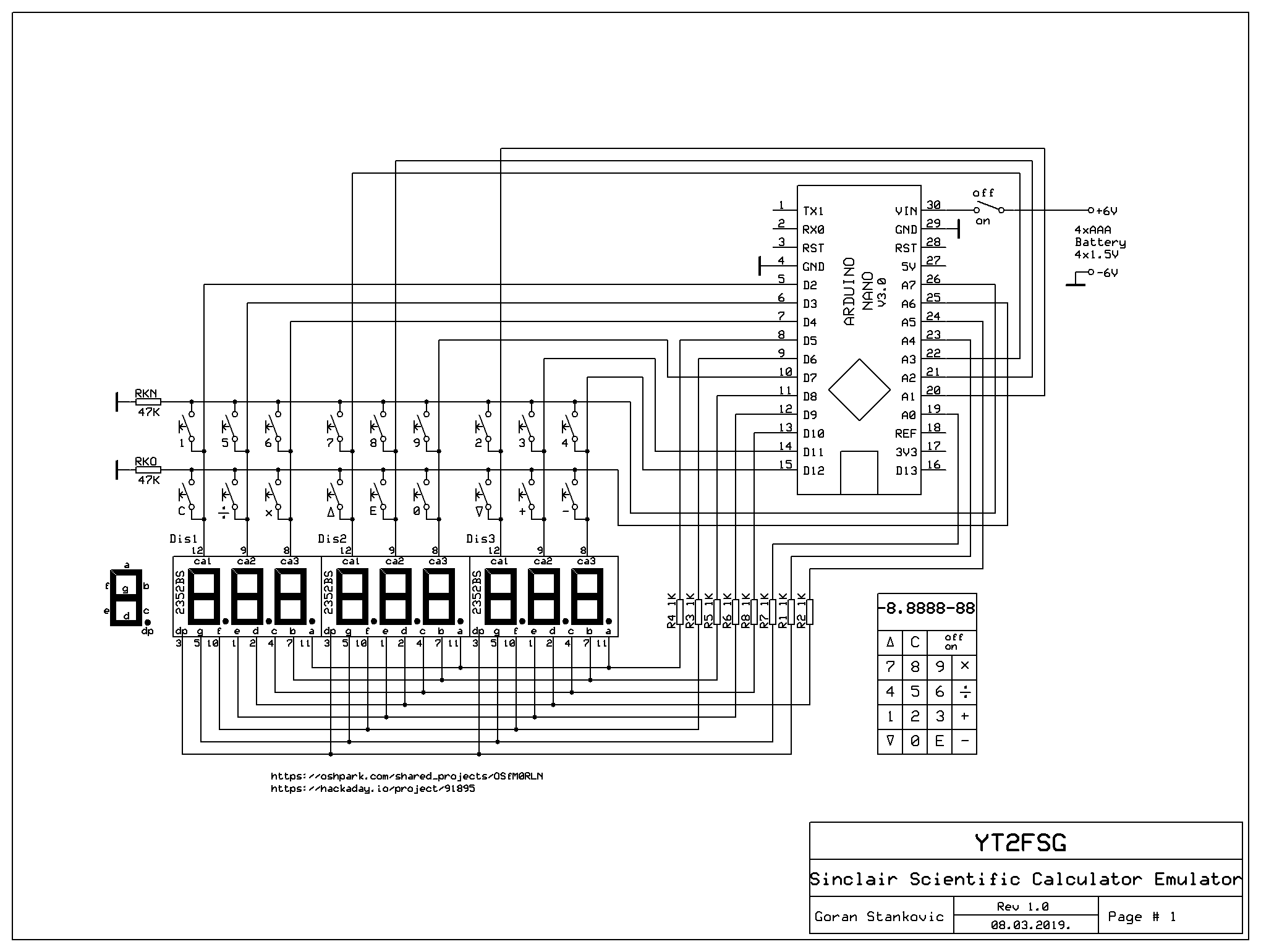
Sinclair Scientific Calculator Emulator
Na web stranici Sinclair Scientific Calculator Emulator V5 - r6 - RC1 ili na Hackaday: Sinclair Scientific Calculator Emulator
opisana je izrada sa dokumentacijom ovog kalkulator emulatora sa
ARDUINO NANO V3.0 modulom.
Za napajanje koristi se napon 6V (4 x AAA baterija 1.5V).

Izradu PCB štampane ploče možete uraditi preko on-line kompanija:
EasyEDA -
JLCPCB ili
Seeed
Električna šema, Sinclair Scientific Calculator Emulator:

Download File: Lista materijala za Sinclair Scientific Calculator Emulator
Download Software za ARDUINO: Download the Arduino IDE
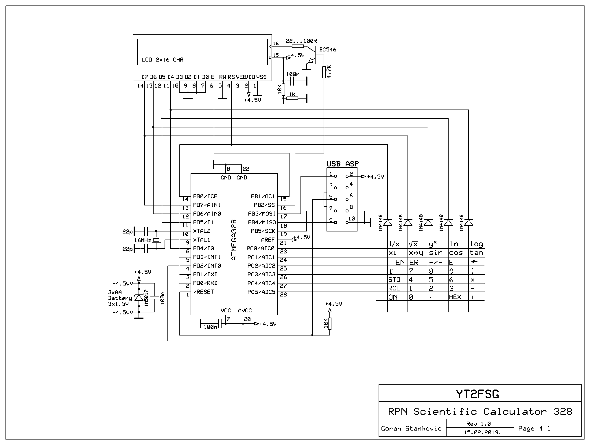
Na web stranici Easy Calc 64-bit floating point RPN calculator for arduino
dat je software bez električna šeme ovog kalkulator emulatora sa mikrokontrolerom ATmega328P.
Za napajanje koristi se napon 4.5V (3 x AA baterija 1.5V).
Električna šema, RPN Scientific Calculator 328:

Download File:
Lista materijala za RPN Scientific Calculator 328
Software je dužine 32KB, koristi se mikrokontroler ATmega328P bez bootloadera.
Programira se pomoću USB ASP V2.0 (USB ISP) programatora i
AVRDUDE - AVR Downloader/UploaDEr

Na web stranici DIYleyuan: Calculator Installation & Instructions
dato je detaljno upustvo za samogradnju ovog kalkulatora za elektroničare entuzijaste.
Plavi LCD displej i PCB ploča smešteni su u akrilno prozirno kućište.
Za napajanje koristi se napon 6V (2 x CR2032 baterija 3V).
Funkcije:
Osnovne računske operacije (+, -, *, /) sa decimalnom tačkom.
Računa vrednost otpornika na osnovu boja sa 4 ili 5 prstena.
Računa vrednost otpornika za ograničenje struje LED diode.
Konverzija broja DEC -> HEX i HEX -> DEC.
Link:
Sinclair Scientific
Reversing Sinclair's amazing 1974 calculator hack
Hackaday: Sinclair Scientific
Sinclair Scientific Calculator Emulator V5 - r6 - RC1
Sinclair Scientific Calculator Emulator
ARDUINO NANO V3.0
Easy Calc 64-bit floating point RPN calculator for arduino
AVRDUDE - AVR Downloader/UploaDEr
USB ASP V2.0 (USB ISP) programatora
Download the Arduino IDE
DIYleyuan: Calculator Installation & Instructions
en.wikipedia.org/wiki/TI-59_/_TI-58
en.wikipedia.org/wiki/HP-41C
en.wikipedia.org/wiki/HP_39/40_series
www.ti59.com/
www.hpmuseum.org
www.hpmuseum.org/prog/hp41prog.htm
www.hpcalc.org
www.hpcalc.org/hp39/