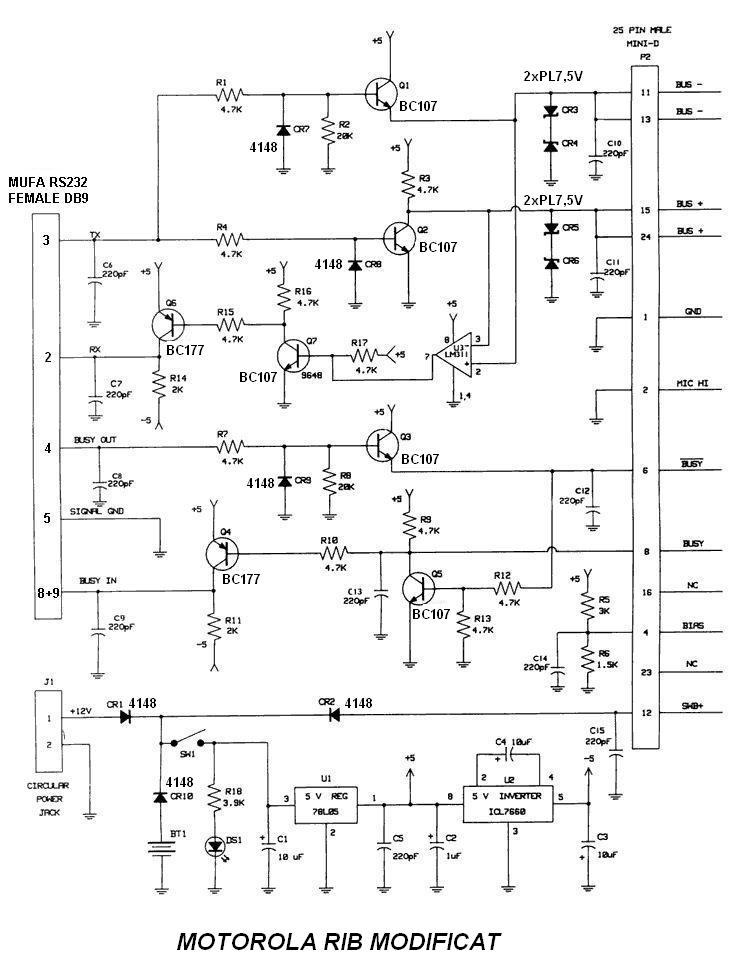
|  Click pe imagine pentru zoom Acest programator este un dispozitiv folosit la programarea statiilor Motorola. Numele sau este "RIB"- "Radio Interface Board", denumire originala folosita in documentatiile originale despre programarea acestor statii. Schema am preluat-o dupa un site rusesc, iar ca deosebire fata de alte scheme cunoscute, este folosirea unui comparator tip LM311.  Click pe imagine pt.zoom Cablajul imprimat al acestui RIB l-am modificat putin dupa vechea configuratie originala, pentru a implementa comparatorul LM311 in configuratia actuala, in locul vechiului amplificator operational.  Click pe imagine pentru zoom. Ampasarea pieselor pe cablaj     | Programare MOTOROLA GP300/P110Cu ajutorul acestui RIB, se pot programa statiile Motorola, dar mai intai de toate este nevoie de un PC cu performante foarte slabe, adica cel mai bun este un 486 vechi. Pe acest PC este nevoie sa fie instalat un sistem de operare care are posibilitatea de a se restarta in DOS MODE, un Windows 95 ar fi foarte bun. Deasemenea softul de programare trebuie sa fie amplasat pe Hard Disk si nu pe disketa.Softul de programare pentru statia Motorola GP300 se poate descarca din sectiunea Download.Pentru conectarea statiei GP300 la programator este nevoie de un cablu de legatura care are urmatoarea configuratie:   Pentru alte informatii referitoare la pasii de urmat in programarea acestei statii, urmariti instructiunile descrise detaliat in ELFORUM. 
 | 
|   | 
| YO6PIR © 2011 | Politica de confidentialitate | Termeni de utilizare |