Acest osciloscop este un proiect preluat de pe site-ul japonez O-Family si are la baza un procesor Atmega 164. Domeniul de utilizare este cuprins intre 0...20KHz adica domeniul audio. Chiar daca este destul de putin acest aparat se dovedeste a fi un bun ajutor pentru vizualizarea semnalelor de joasa frecventa. Este destul de simplu de construit si-l recomand celor care doresc sa aiba in atelierul lor si un astfel de aparat.
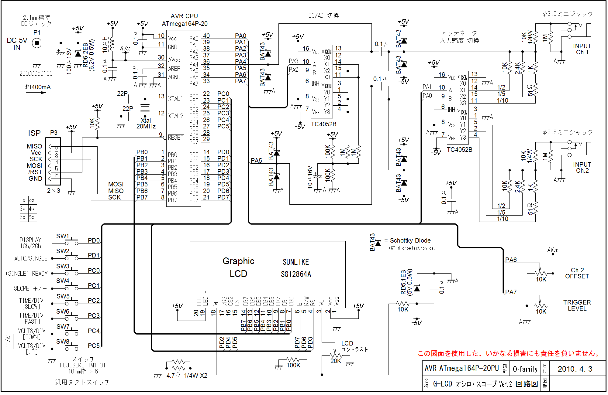
Schema de principiu:

Acest osciloscop dispune de doua intrari de semnal, pe care le poate afisa simultan. Cand este pe modul de afisare cu ambele semnale baza de timp nu poate sa depaseasca 1ms. In modul de afisare 1Ch. baza de timp urca pana la 100us.
Constructia am realizat-o intr-o carcasa recuperata din ABS pe care am adaptat-o corespunzator. In varianata originala intregul montaj era alimentat de la o sursa exterioara de 5V. Eu am adaptat un stabilizator de 5V exterior pe care l-am
Copyright © 2008-2024 YO6PIR

montat pe un mic radiator. Am facut aceasta adaptare pentru a putea sa alimentez osciloscopul de la orice alimentator de tip "CUB' pe are-l detin in atelierul meu.
FACE LIFT 2024

Am facut un upgrade la acest mic osciloscop si am proiectat un nou cablaj imprimat pe care l-am realizat profesional iar tot aparatul l-am incasetat intr-o noua carcasa.
AVR Osciloscope
Site-l O-Family de unde m-am inspirat pentru acest proiect
HOME    YP6HMR      ABOUT ME       PROJECTS        QSL CARD         AWARDS         CONTACT