Acest proiect este in fapt un ceas digital cu termometru, care afiseaza pe un display matrice-de-puncte tip SDA 5708 de la Philips. Proiectul a fost conceput pentru a fi montat intr-un automobil, pentru a avea informatii despre timp si temperatura ambianta.

Schema de principiu
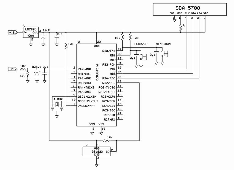
Schema se bazeaza pe un microcontroler tip PIC16F873A. Eu am folosit un model SMD dar se poate utiliza foarte bine si modelul DIP28. Baza de timp a ceasului este data de un cristal de quartz de 4 MHz. Afisarea se face pe un display tip SDA5708 recuperat de la un receiver de satelit model vechi. Senzorul de temperatura este un DS1820 dar merge si DS18S20, atentie fara “P” la sfarsit! Afisarea timpului se face in sistem AM/PM deci numai pana la ora 12.59, dupa care afisarea incepe din nou de la ora 1.00. Temperatura este afisata cu o zecimala, dar aceasta zecimala are numai valoarea zero sau 5, o precizie de citire de 0,5 grade fiind suficienta.
Afisarea pe display se face numai atata timp cat este pus contactul masinii. La scoaterea cheii din contact display-ul se stinge, dar ceasul functioneaza mai departe pentru a nu se intrerupe contorizarea timpului.
Acest ceas dispune de unele facilitati importante de mentionat:
- Afiseaza timp de 5 sec. termometrul,

apoi afiseaza timp de 5 sec. ora, dupa care ciclul se reia.

 |
- Reglajul ceasului se face din cele doua butoane de pe panou, HOUR pentru reglaj ore si MIN pentru reglaj minute. Functia de ajustare a ceasului este activa numai daca s-a pus contactul ignition, si numai in modul de afisare a ceasului, si se dezactiveaza imediat, daca nu se mai apasa timp de 5 secunde nici un buton. Pentru o noua activare a functiei, se scoate si se repune din nou contactul. Acest lucru este folositor, pentru a nu se deregla ceasul daca se atinge din greseala tastele ceasului, in timpul mersului masinii, sau datorita actionarii de catre persoane ne-avizate (copii).
- Reglajul luminozitatii afisajului se poate face in 8 trepte de iluminare, din aceleasi taste de pe panou, HOUR pentru UP si MIN pentru DOWN, numai daca s-a pus contactul ignition, si numai in timp ce se afiseaza termometrul, functia dezactivandu-se imediat daca nu se apasa nici un buton timp de 5 secunde. Pentru o noua activare a functiei, se scoate si se repune din nou contactul.
- Calibrarea ceasului este o functie, deasemenea implementata in soft. Chiar daca se utilizeaza ca baza de timp un quartz, secunda, ca unitate de masura etalon, este alterata mai mult sau mai putin in soft. In timp se observa ca ceasul o ia inainte cu cateva secunde sau ramane in urma. De aceea este nevoie de o mica ajustare a bazei de timp, ajustare care se poate face de catre operator, din aceleasi butoane de pe panou, HOUR/UP si MIN/DOWN. Pentru a intra in meniul de calibrare, se scoate contactul ignition, daca era pus, si se tin apasate ambele butoane, apoi se pune contactul din nou. Pe display va apare:

Aceasta este valoarea de calibrare a TIMER1 la frecventa quartz-ului de 4 MHz, ca sa dea baza de timp de 1 secunda. Valoarea din default este de 3036 si se poate regla la o valoare mai mare sau mai mica in functie de cum ramane in urma, sau grabeste, ceasul. Aceste ajustari se vor face de mai multe ori, in timp de cateva zile, pana se ajunge la o precizie satisfacatoare. Daca nu se mai apasa nici un buton timp de 5 secunde, valoarea reglata se va salva in memoria ne-volatila a ceasului si va apare pe display mesajul:

Ceasul-termometru isi va relua apoi mersul normal cat timp va fi pus contactul ignition.
Cablajul acestui aparat l-am adaptat pentru o carcasa de sursa de laptop defecta in care am introdus intreg montajul.

Cabalj imprimat termo-clock auto
|