
|
Pentru cei care sunt pasionati de dezvoltarea programelor pentru microcontrolerele din familia AVR, le propun realizarea acestei placi de test.
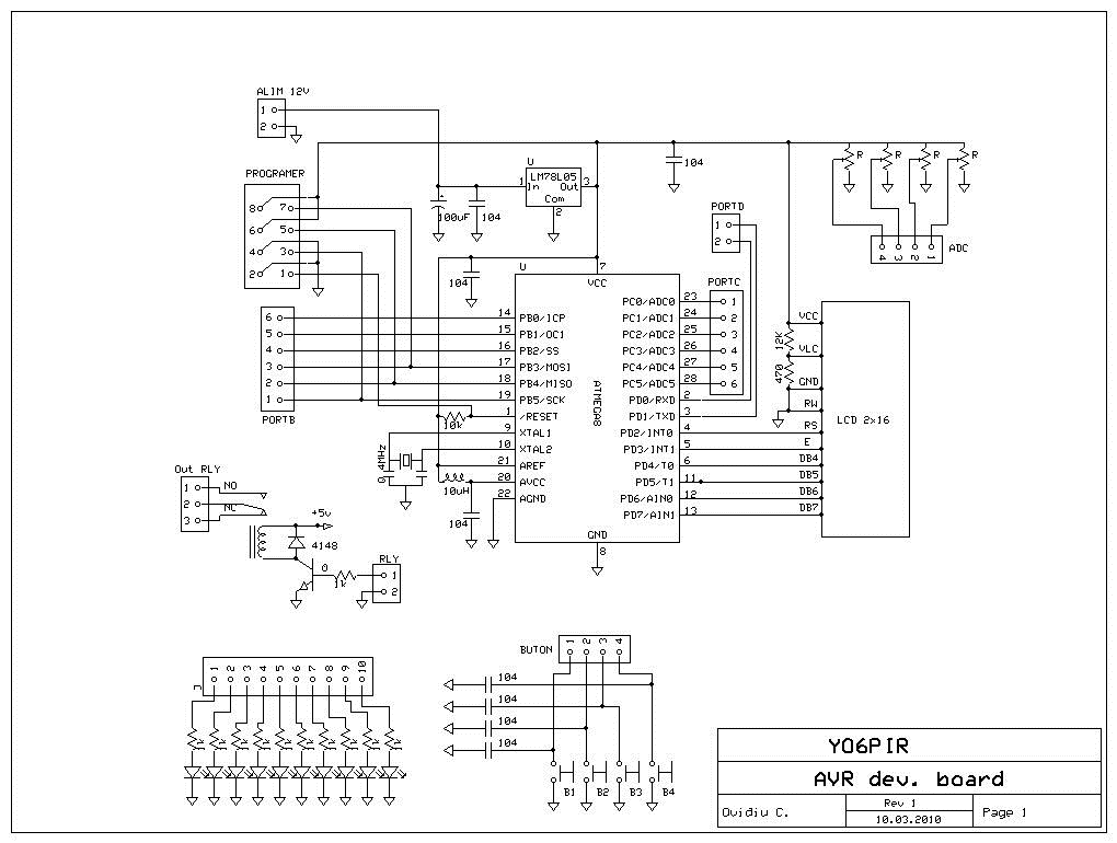
Aceasta placa de dezvoltare are la baza microcontrolerul ATMEGA8, unul dintre cele mai versatile din familia sa. Placa permite configurarea unui numar destul de mare de scheme de aplicatie tipica, prin simpla unire a coselor cu ajutorul unor sarme rigide din cupru cu diametrul de 0,5mm scoase dintr-un cablu UTP obisnuit. O placa de dezvoltare asemanatoare cu a mea, de unde m-am inspirat, o gasiti pe site-ul lui DG7XO ![]() Cablajul imprimat in format .pdf
![]()
| |
|
| Copyright © YO6PIR-2013 | Politica de confidentialitate | Termeni de utilizare |