RadioFM cu afisaj VFD si controller PT6302

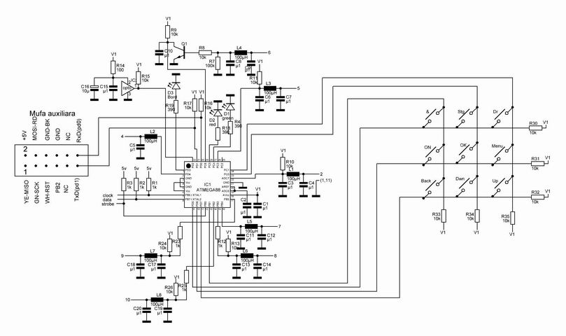
Acest aparat de radio mi-a fost inspirat de un receptor de satelit vechi pe care l-am primit de la fratele meu pentru a refolosi afisajul VFD. Nu am avut niciun software de comanda al controlerului cu IC PT6302 asa ca am trecut la treaba si am creeat propriul meu driver de comanda. Softul l-am scris in limbaj BASCOM AVR pentru un microprocesor Atmega88, care era deja pe placa afisajului. Asa ca l-am recuperat si pe acela si iata ca a iesit un radio FM ca cel din imaginea de mai sus. Schema am adaptat-o pe cea originala copiata prin reverse-engineering de pe cablajul original al controlerului.
 
Copyright © YO6PIR-2020

Multe din terminalele controlerului nu sunt folosite in schema actuala a radioului. A fost nevoie de cateva terminale din fire subtiri pentru a repozitiona contactele rozetei de pe partea frontala cu tastele <UP><DWN><LEFT><RIGHT><OK>. Deasemenea configuratia de alimentare a afisajului VFD am schimbat-o cu un alimentator separat care trebuia sa livreze tensiunile specifice:
-26V(Grids), +2,8V(Filament.
 
VFD_controller_schema.JPG
HOME    YP6HMR      ABOUT ME       PROJECTS        QSL CARD         AWARDS         CONTACT
Audio_Radio_module.jpg

Modulul de ceas RTC este construit cu un citcuit de ceas ICL1208 care se poate inlocui 1:1 cu DS1307 cu singura conditie sa se schimbe adresele de comanda READ/WRITE din soft. Am atasat codul sursa al radioului pentru cei interesati de acest aparat. O baterie de alimentare cu Lithiu de 3,6V asigura alimentarea ceasului in timp ce tensuiunea de alimentare generala este deconectata.

Afisarea ceasului am gāndit-o pe afisajul mic din stānga in timp ce functioneaza radioul iar in stand-by se comuta pe afisajul central pe digitii de dimensiuni mai mari, pentru a facilita o mai buna vizibilitate.

se observa schimbarea culorii LED-ului din butonul de ON/OFF in functie de starea in care se afla aparatul.
Radio_vfd_ansamblu1.jpg
Radio_vfd_ansamblu2.jpg

Partea de comanda cu microprocesor nu se vede in poze deoarece este inclusa in masca aparatului in spatele afisajului impreuna cu tastele.

Pe partea frontala a aparatului este o mufa mama USB pe care am conectat-o la un incarcator de telefon de 5V care asigura incarcarea unui telefon cu un cablu de incarcare adecvat. Acest lucru este util mai ales ca aparatul este in functiune zilnic si nu mai este nevoie de o priza separata pentru incarcator.

Placa uC.jpg
VFD_supply_schema
Alimentator VFD
Partea de radio FM am recuperat-o de la un vechi radio portabil care era stricat si am decupat din cablajul de ansamblu doar ce m-a interesat: partea care contine integratul TEA5768 si stabilizatorul de 3,3V din alimentare.
Am identificat stabilizatorul si terminalele de comanda ale cipului SDA, SCL si am realizat cablarea cu celelalte module. Unul dintre modulele care mi-a dat un pic de furca, a fost modulul de potentiometru digital cu comanda I2C  TPL0401-10. De ce? Pentru ca este foarte mic si foarte greu de lipit pe cablaj. A trebuit sa-i confectionez un cablaj miniatura si sa-l lipesc acolo pentru a avea acces la terminale. Am avut putin de furca si cu realizarea softului de comanda deoarece datasheet-ul este foarte complicat de citit si de inteles. La urma am reusit sa-l controlez si a iesit bine. Partea de amplificare audio am facut-o cu un circuit LM386, la care nu mai atasez schema deoarece este arhi-cunoscuta.
TEA7568 modul.jpg
Ceas in modul RADIO
Ceas in modul STAND-BY
Un filmulet cu functionarea acestui aparat de radio.

Codul sursa de comanda al afisajului VFD si al radioului scrise in limbaj de programare BASCOM-AVR.







P.S.
Proiect dedicat in memoria fratelui meu Petru Chiorean