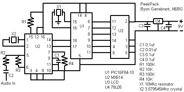
PeekPack

 

PeekPack is a packet radio monitoring tool designed to show packet traffic on an LCD display without the need for a TNC. It consists of a PIC 16F84 microcontroller, a modem chip, and a 16x2 LCD display.

 

Peekpack is a construction project, however it is not currently available for sale as a kit. You must have the ability to program a PIC 16F84 microcontroller. The current firmware (version 0.2) for PeekPack is available for download as a HEX file. It will display the source and destination callsigns and the first 16 bytes of the data. Plans for future versions include a scrolling data display (32 or more bytes), GPS position decoding, digipeater information, and other user suggested items. The MX614 modem chip is available from TAPR, among others. The LCD display can be any 16x2 display using a Hitachi HD44780 driver, such as Digi-Key #73-1025 shown here. At this time, only a very simple schematic is available.

 

 


 [ About me | Acronyms  | CW | Data Sheets | Docs | Download | E-mail | HOME | Ham projects | Hobby circuits | Photo galery | PIC | QTH photos |
Sign in my guestbook | View my guestbook ]
 


© 2001 - YO5OFH, Csaba Gajdos