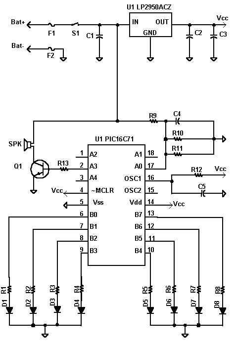
Battery Monitor

 


The schematic

 

 

 

Click here for PIC software and
the hex file can be found here.

 

 


[ About me | Acronyms  | CW | Data Sheets | Docs | Download | E-mail | HOME | Ham projects | Hobby circuits | Photo galery | PIC | QTH photos |
Sign in my guestbook | View my guestbook ]


© 2001 - YO5OFH, Csaba Gajdos