| Name | Last modified | Size | Description | |
|---|---|---|---|---|
| Parent Directory | - | |||
| PQD5.gif | 01-Jul-2002 20:47 | 236K | ||
| PQD5.html | 07-Dec-2002 13:53 | 36K | ||
| PQD5small.gif | 01-Jul-2002 20:50 | 68K | ||
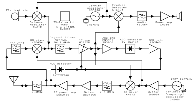
| PQDBLOC.gif | 01-Jul-2002 20:51 | 48K | ||
| dial.JPG | 01-Jul-2002 20:37 | 13K | ||
| downside.JPG | 01-Jul-2002 20:37 | 21K | ||
| front.JPG | 01-Jul-2002 20:37 | 8.4K | ||
| in_back.JPG | 01-Jul-2002 20:37 | 18K | ||
| in_front.JPG | 01-Jul-2002 20:38 | 20K | ||
| in_hires.JPG | 01-Jul-2002 20:39 | 155K | ||
| in_top.JPG | 01-Jul-2002 20:39 | 20K | ||
| pcbsold.gif | 01-Jul-2002 20:44 | 715K | ||
| photo.JPG | 01-Jul-2002 20:45 | 29K | ||
| pqdblocsmall.gif | 01-Jul-2002 20:52 | 29K | ||