Simplifed A-Tone Decoder based on the 75T204 Tone Decoder IC.
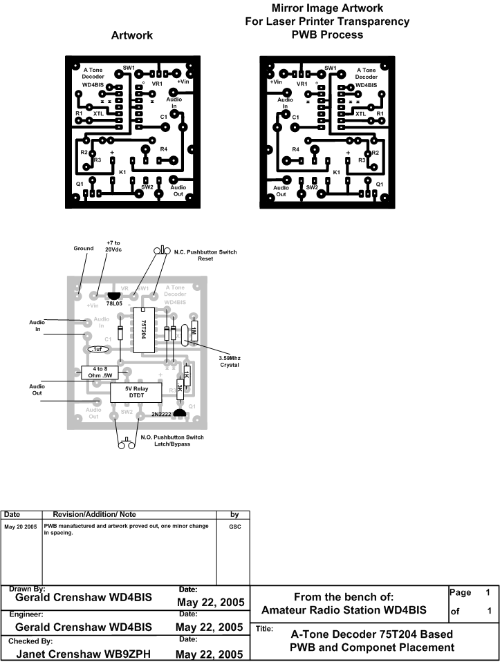
The audio from the radio external speaker jack is terminated through the normally closed contacts of the DTDT relay into a dummy load 8 to 10 ohm resistor and via a capaciator into the 75T204 IC . When the A Tone is detected, the logic outputs to the diode AND gate all go to a high level. This allows the transistor to be turned on, and drives the relay from the normally closed state to the normally open state and allows audio to pass through to the external speaker. The relay once activated latches to the normally open state through its second set of contacts. The relay will stay latched to the external speaker until the decoder is reset. A bypass switch allows the relay to be latched to the external speaker if you wish to use normally. Pressing the reset switch allows the decoder to be armed for its next use.
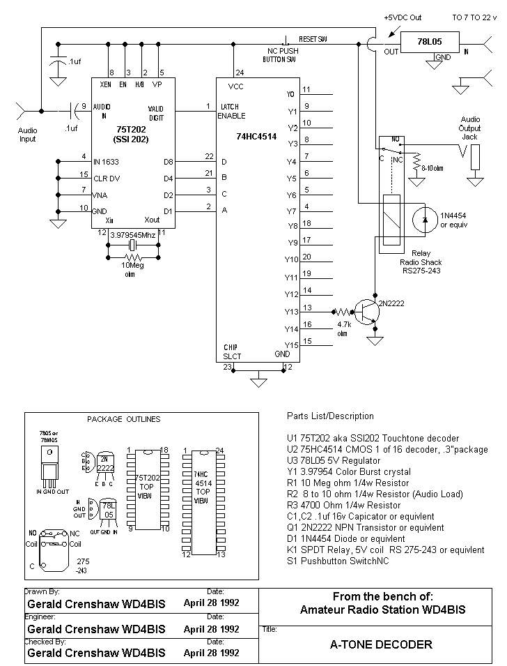
Schematic for the Simplified A-Tone Decoder.
Note: The AUDIO dummy load resistor WATTAGE you use will depend on your radio. If you have 2 watts of audio output power use a 2 watt or larger four to ten ohm resistor.

Printed circuit board and componet placement for the Simplified A-Tone Decode

The Original A-Tone Decoder based on the 75T202 Tone Decoder IC

