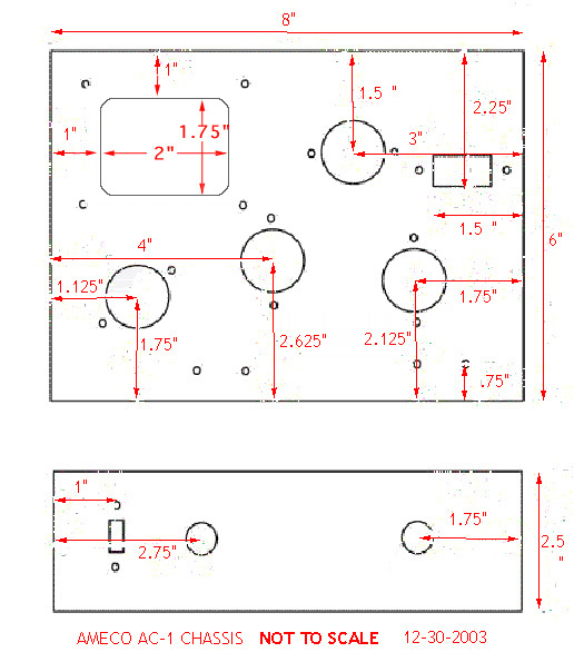
AC-1 CHASSIS LAYOUT