
|
W0JEC’s Projects |
|
Parts: Picaxe U.S. distributor: PH Anderson, Springfield, VT (phanderson.com/picaxe). This website offers the Picaxe 18M2 chip, the ULN2803A darlington array chip, 18 pin dip sockets, and a 5V 7805 regulator kit. (May now only offer Picaxe chip.)
Digi-Key: Darlington array chip, ULN2803A, 18 pin: Digi-Key # 497-2356-5 ND Note: this darlington array chip is rated at 500 milliamps for each device (relay) attached. This should be more than sufficient for any relays chosen for control of antennas and station accessories.
Radio Shack: (Alternate (and possibly cheaper) sources for these parts are Digi-Key or Mouser Electronics.
7805 5 V regulator, RS# 276-1770 1N4004 1 A rectifier diode, RS# 276-1103 47 mfd, 50 V. electrolytic capacitor, RS# 55047850 0.01 mfd ceramic capacitor, RS# 55047626 22K resistor, 1/4 watt, RS# 271-1339 10K resistor, 1/4 watt, RS# 271-1335 150 ohm resistor, RS# 271-1109 18 pin dip sockets, RS# 276-1992 DB9 female solder connector, RS# 276-1538 12 VDC SPDT relays according to need Project board and project enclosure Other connectors and/or devices needed to connect 12 VDC relays to the board
|
|
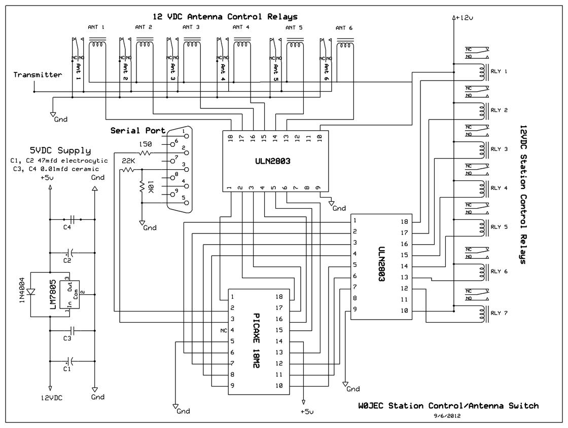
Schematic of the Antenna/Station Control Circuit Board |