ASB-1014
Service BulletinAmateur Radio Division

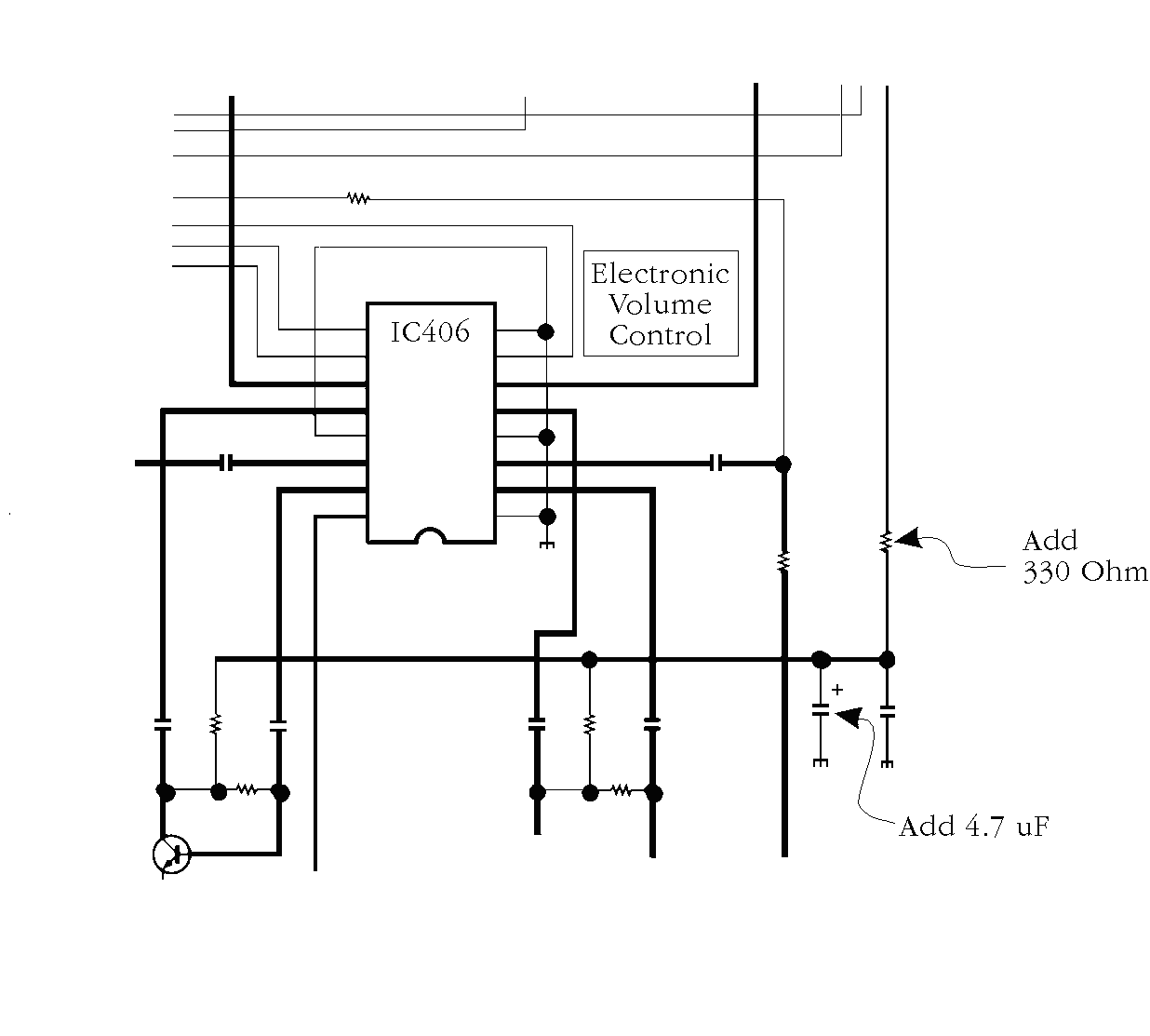
Subject: TM-732A/E - Noise at Squelch ON/OFFDate: May 10, 1993

Symptom:
While receiving a signal on one band a noise is heard in the speaker whenever the squelch on the other band opens or closes.

Corrective Action:
Add a 330 ohm resistor and 4.7 uF capacitor to the 5C line in the control unit (X57-4000-11 C/4). Cut the 5C line and add the 330 ohm resistor in series.

Parts Required:
Qty
Description
Kenwood Part No.
1 330 ohm Resistor RD14BB2C331J
1 4.7 uF Capacitor C92-0507-05
Caution:
This modification requires soldering equipment rated for CMOS type circuits. It also requires familiarity with surface mount soldering techniques. If you do not have the proper equipment or knowledge do not attempt this modification yourself. Seek qualified assistance.


Time required for this modification is 30 minutes or less. Service code A:09 B:X57-4000-11 C/4 C:ADD D:91


©51093 by CLM for Kenwood Service Corp. (E51-93-011)