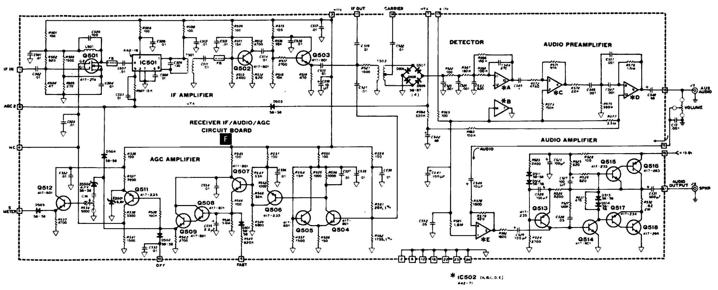
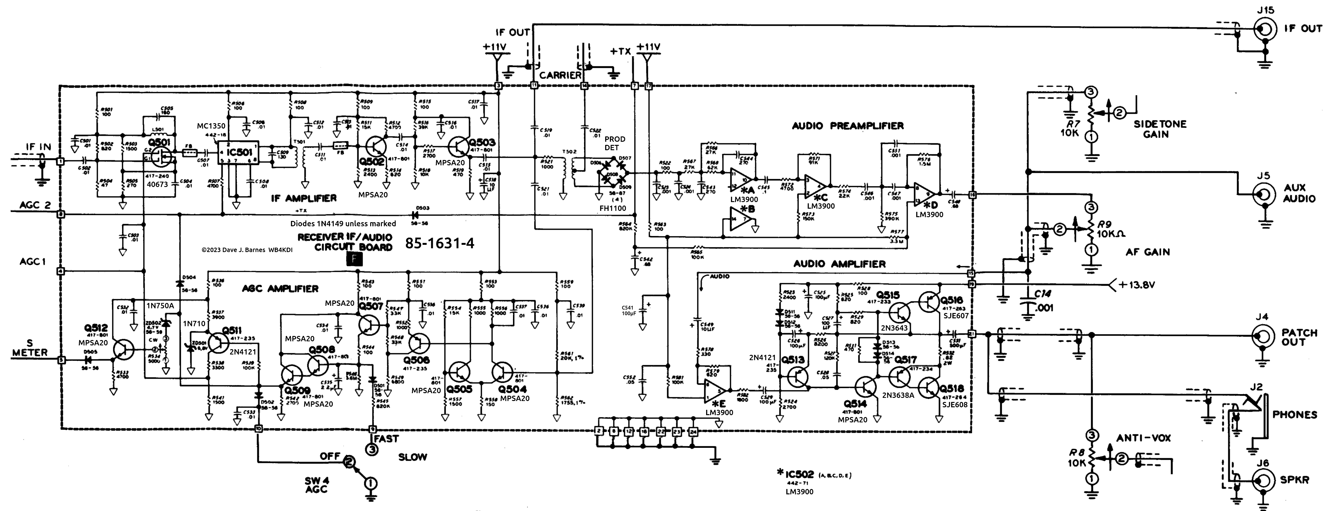
F - RX IF and Audio

Updated Schematic

[UHD Schematic]

Click for Hi-Res image

Heathkit Changes (May 19, 1976) from SB-104-40

  1. Better muting
    1. R564 from 820K to 330K

Heathkit Changes (November 19, 1979) from SB-104-84

  1. Obtaining A more Logarithmic S-Meter Response
    The S-meter in most units is largely insensitive to plainly audible signals, while allowing slightly louder signals to peg the meter [with R-534 set for an S9 meter reading at 50 microvolt signal at the antenna connector]. To provide a more logarithmic response, perform the following:
    1. Replace ZD-502 with a 1N191 signal diode [PN 56-26]. Install this diode opposite that shown on the circuit board, so that it is forward-biased [cathode towards R-534].
    2. Set R-534 to S9 with a 30 microvolt signal.
    The meter will register slightly more accurately from S9 to +30 but will have little or no action above +40.

    Perform this modification only if the customer specifically complains of this problem.

HW-104 => 85-1631-4


PC Board

Click for Hi-Res image

X-Ray

Click for Hi-Res image

Schematic

Click for Hi-Res image

SB-104A => 85-1462-6


PC Board

Click for Hi-Res image

X-Ray

Click for Hi-Res image

Schematic

Click for Hi-Res image