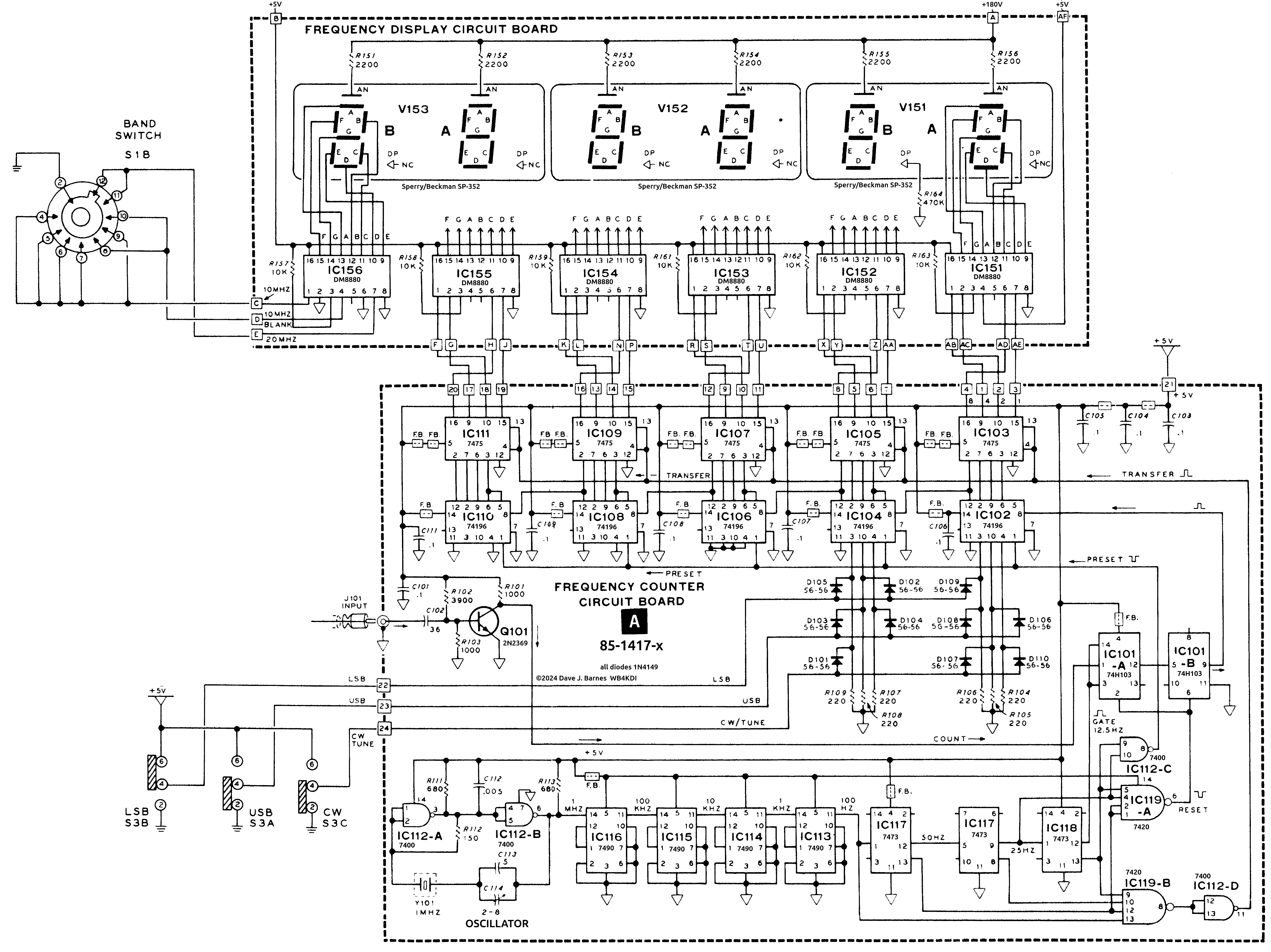
A - Counter


SB-104(A) => 85-1417-x


Counter PC Board

Click for Hi-Res image

Counter X-Ray

Click for Hi-Res image

Display PC Board - top

Click for Hi-Res image

Display PC Board - bottom

Click for Hi-Res image

Display X-Ray

Click for Hi-Res image

Schematic

UHD Schematic

Click for Hi-Res image

DC-DC Converter

PC Board

Click for Hi-Res image

X-Ray

Click for Hi-Res image

Schematic

Click for Hi-Res image