Heathkit

HX-1681

[Block Diagram]  [Rear Panel]
[Large Full Page Schematic]

Retouched schematics are below
[Antenna Switch]   [Driver]   [Output Filter]   [Power Supply]
[VFO]   [HFO/Mixer]   [Final Amplifier]

Transceive Mods for HR-1680

Click for Hi-Res image.
Click for Hi-Res image.

I - Antenna Switch Circuit Board (85-2190-1)


PC Board


X-Ray

Click for Hi-Res image.

Schematic

Click for Hi-Res image.

II - Driver Circuit Board (85-2160-1)


Heathkit Changes (October 22, 1979) from Bulletin HX-1681-2

  1. Low Power Output on 10 Meters
    1. Change L302 [PN 45-83] on the Driver circuit board to a 22 K ohm, 1/2 watt resistor [PN 6-223]. The resistor raises the driver tank impedance from 1440 ohms to 1800 ohms, making it easier for the driver tube, V301, to develop the required output levels. This change will be made in the next production run. (There was not another production run.)
    2. R322 was changed from a 68K 1/2 W resistor to a 15K 1 W resistor mounted on a terminal strip.

PC Board

Click for Hi-Res image.

X-Ray

Click for Hi-Res image.

Schematic

Click for Hi-Res image.

III - Output Filter Circuit Board (85-2161-1)


PC Board


X-Ray

Click for Hi-Res image.

Schematic

Click for Hi-Res image.

Output Low Pass Filter

Low Pass Filter

IV - Power Supply Circuit Board (85-2198-1)


PC Board

Click for Hi-Res image.

X-Ray

Click for Hi-Res image.

Schematic

Click for Hi-Res image.

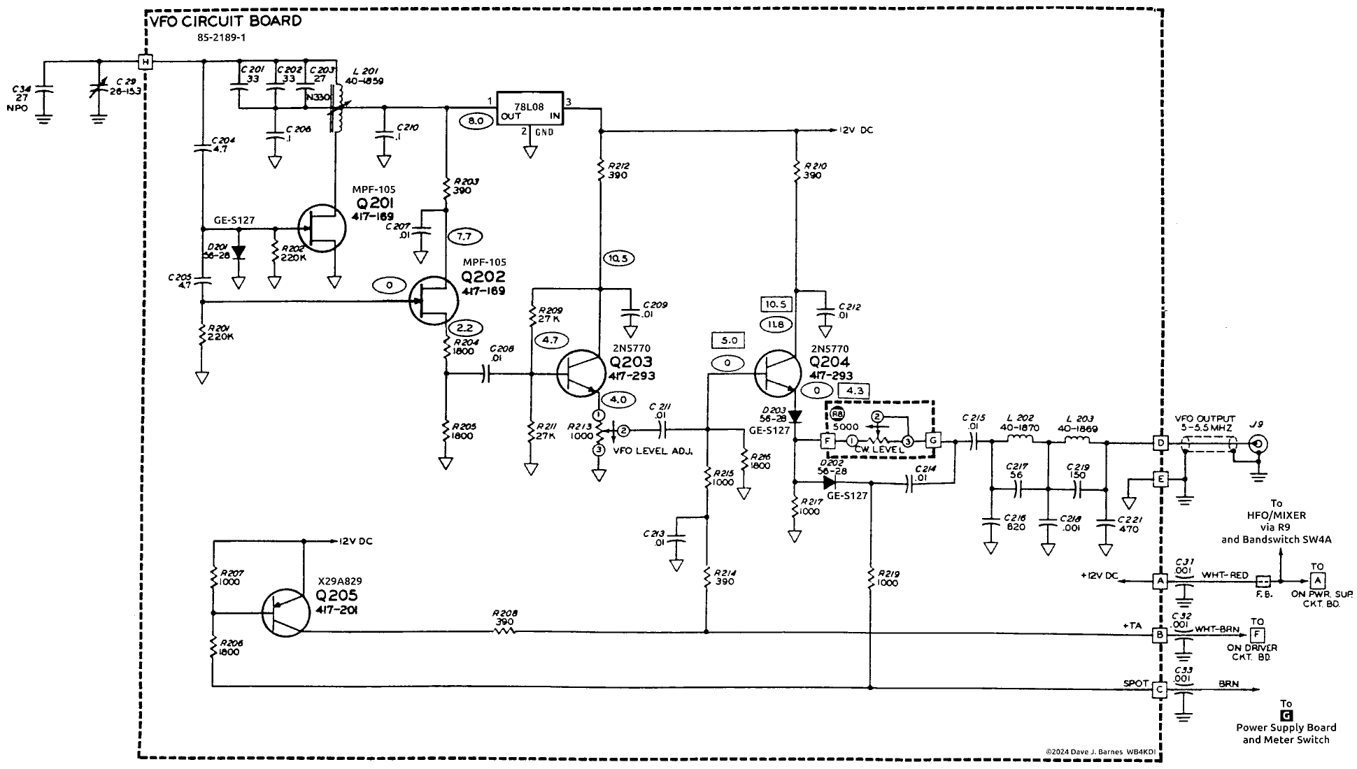
V - VFO Circuit Board (85-2189-1)


PC Board

Click for Hi-Res image.

X-Ray

Click for Hi-Res image.

Schematic

Click for Hi-Res image.

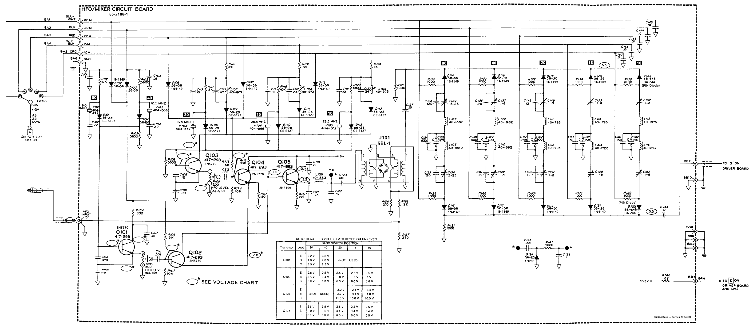
VI - HFO/Mixer Circuit Board (85-2188-1)


Heathkit Changes (September 27, 1979) from Bulletin HX-1681-1

  1. 20, 15 and 10 Meter HFO Oscillators Run at 5th Harmonic Frequency Instead of 3rd
    1. All three HFO slugs (L103, L104 and L105) must be preset to 15 turns down from the top of the coil slug. There is interaction between the oscillators so they must be preset properly for them to operate on the correct frequency. Once preset, each one can then be adjusted properly per the manual.

PC Board

Click for Hi-Res image.

X-Ray

Click for Hi-Res image.

Schematic

Click for Hi-Res image.

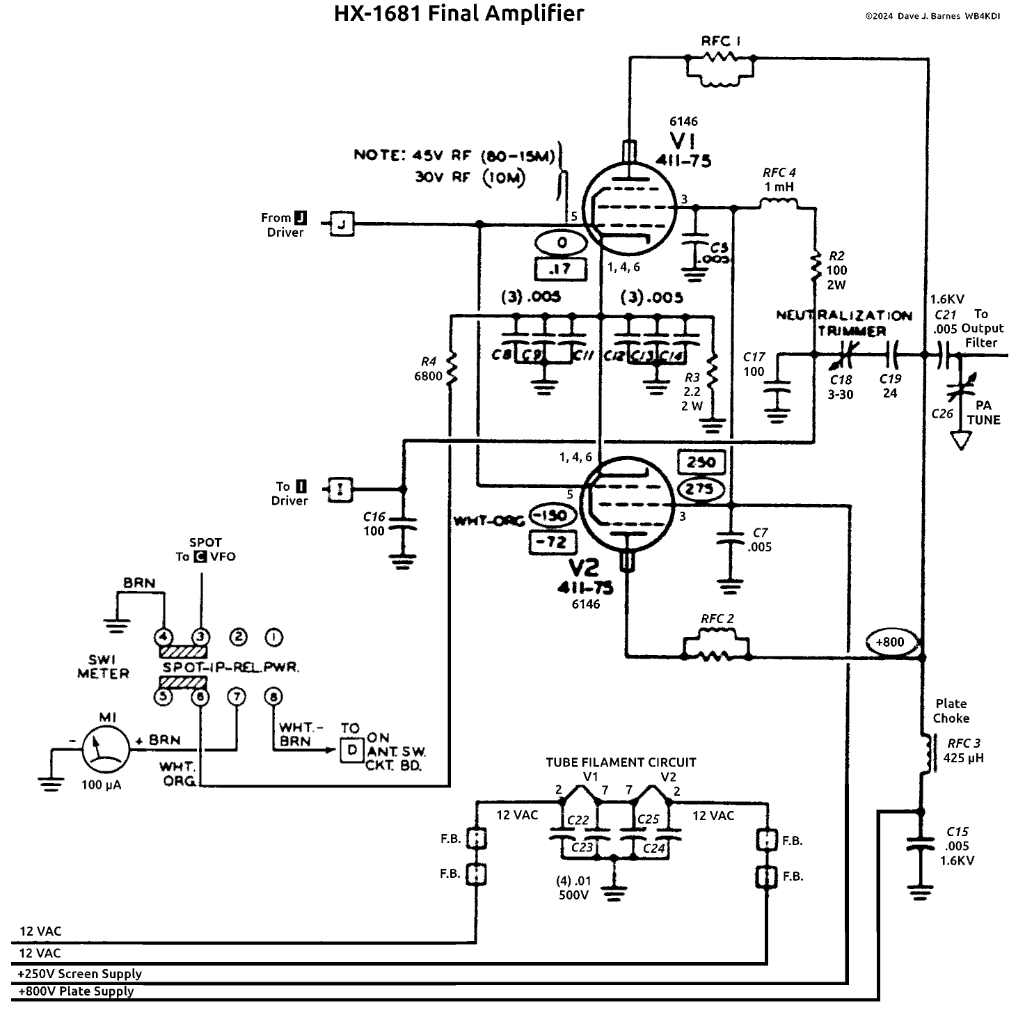
VII - Final Amplifier


Schematic

Click for Hi-Res image.