01/02/07

Home
PRC LIST
PRC68
PRC90
PRC Portables
PRT4 PRR9
DC-DC
Collecting

 

 

       

 

UNIVERSAL INVERTER POWER SUPPLY, PART I;

by Dennis Starks

GENERAL:

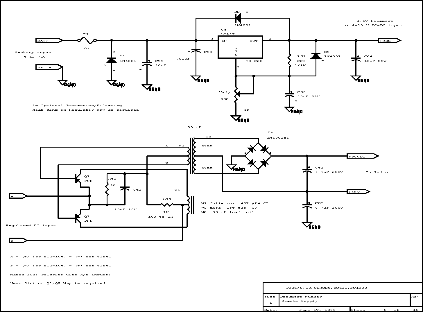
This power supply is capable of operating almost any vintage tube type radio, either receiver, or low powered transceiver that had originally been intended for battery powered operation. Only minimal modification will needed to this basic circuit to serve your needs. Input voltage requirements vary depending on the radio in question, type of transformer used and your choice of power source. Some particular radios that this supply has been used with include; GRC-9 or BC-1306 receiver section(90-105volts), PRC-6(45 & 90volts), CPRC-26(45 & 90volts), GRR-5 receiver(90-105volts), PRC- 8,9,10(67.5 & 135volts), BC-1000(135volts), BC-611(90-105volts), many old Motorola "Handie Talkies", and a host of others. The completed inverter, can be built on to a board that measures as small as 1.5" wide x 1.75" long x .75" tall, making it small enough to fit inside nearly any radio leaving ample room for rechargeable batteries.

NOTES(refer to schematic)

#1)Transformer considerations(T-1).

Any 88mh, or even 44mh torroid type transformer can be used and your added primary, and feed back windings will remain the same. However there will be some types better suited to your particular application, and with the dwindling availability of these transformers, it's best to use only the one you actually need and save any others for later. Unless you have some rather sophisticated test equipment, you will not be able to tell these transformers apart. So if you should go to all the trouble of winding one, and placing it in an operational circuit only to find it's the wrong one, fear not! Just set it aside, and wind another one, the first will still be useful on a future project. Several types of 88mh Torroid's can be found, they include dual 44mh(two windings), single winding 88mh with a center tap, and single winding types that do not have a center tap. The dual 44mh, and those with a center tap are the most versatile as they will provide dual output voltages without the need for outboard voltage dividers, or regulators(either of which would eat up efficiency). The dual output voltage is obtained by connecting the two 44hm windings together so that they are in series, thus producing a center tap that will provide 1/2 the total output voltage. If yours has a single winding with a center tap, this job is already done. As can be seen, this is of major advantage when working with radios like the PRC-6,7,8,9,10,26 etc. All of which require two B+ voltages one being 1/2 the other. So do not waist these type transformers on say a BC-611, or GRC-9 receiver which only require a single B+ voltage. The second type 88mh torroid you might find is the single winding type. These are not well suited to radios that require a dual B+ voltage because to obtain the second(lower) B+ voltage, a resistive voltage divider, or regulator must be used. Neither of these alternatives are acceptable due to the extreme efficiency loss they will produce. And when we consider the battery supplies that we may often be restricted to, this efficiency must be kept high at all cost. These type transformers will work where a single, relatively high output voltage is needed but a minimal voltage source is available. One case in point is the BC-611, here we need only a single operating voltage 90-105 volts to operate the radio, but we have at best enough room inside the radio for 4.8vdc if 4ea "D" cell nicads(5amp hour) are used. This will be just enough!

The third torroid type you might encounter will be the 44mh variety. The output voltage they produce will be about 1/2 that of the 88mh types for same input voltage. They will usually not have dual windings, or a center tap. Their best application will be with radios who's operation will not be tightly regulated by the type primary power source available, and those requiring only a singe B+ voltage. In most these cases an external supply, either battery pack or 12vdc automotive source will be used, with very little if any need for space conservation. These applications come to mind; GRC-9 or BC-1306 receiver section, RS-1/GRC-109 receiver, GRR-5 receiver, RS-6 receiver, RT-70 transceiver, etc. So as can be seen, if you wind one of these, then find it will not suite your needs, fear not, it will someday.

Transformer construction;

Transformer winding is not at all critical. Suitable wire can be salvaged from old audio transformers, coils, etc. Due to the very small typical size of these transformers, complete insulation between each of the windings will not be possible. Start with a short length of masking tape(or whatever you prefer) that has been cut to the same width as the transformer. Wrap it around the outside edge of the original existing winding(secondary) one full turn. Insure you don't cover up it's leads. All the following coil windings should be done in the same direction as

the existing coil(secondary).

Next wind the Primary(transistor's Collector winding), it's 48 turns of No.24 enamel wire center tapped at 24 turns. Finish by again wrapping a single turn of insulating tape around the outside edge. Last is the feed back coil(transistor's Base winding), it's 18 turns of No.28 wire center tapped at 9 turns. Then wrap a couple layers of tape around the finished transformer. Again, only around the outside edge. If you screwed up and wound the feed back winding first, no big deal, it will still work anyway.

#2) Transistor Considerations;

About any pair of transistors that are the approximate equivalent to an ECG-104 can be used. Due their physical size, and the minimal power dissipation in this application, no heat sinks will be required. When using these type transistors, R-2[between the primary & feedback windings center taps] will typically start out at 1000 ohms, but when using some hamfest, or junk box transistors, this value may need to be reduced to around 500 ohms.

In applications where there are no internal space limitations, the ECG-104 type devices will do just fine. Some radios however, like the CPRC-26 and BC-611, will have minimal internal space to house both the inverter, and it's batteries. In such cases I prefer to use TIP-41 type transistors due to their much smaller size, even when the required heat sink is taken into account. The same basic circuit is used, but the polarity of the primary power source is reversed, and the value of R-2 is reduced to about 100ohms, or until the circuit starts to oscillate.

VOLTAGE REGULATORS;

Two voltage regulators are needed for each one of our inverter power supplies with few exceptions. The first is needed to supply our heater voltage needs. As the heaters in all types of battery powered tube type radios are very fragile, their voltages need to be regulated

to insure their protection and proper operation. Resistive voltage dividers are a bad choice for several reasons, #1 is the extreme heat that will be dissipated by the large power resistors needed, and along with that the associated efficiency loss. #2 the growing rarity and expense the size resistors needed. #3 Their large size will waist precious internal space. #4 And most important is that there is no regulation available. The later is VERY important! Tube heaters do not present a uniform load to a power source. This is because when they are cold, their resistance is very low which will produce a correspondingly high current drain. As they heat up, this resistance raises, and with that, the current drain is reduced. When a simple resister is used to drop the heater supply voltage, it will do no voltage dropping until a load is presented, I/E the voltage(be it 12vdc) on one end of the resistor, will be the same(or 12vdc) as that on the other end until a load is connected. So essentially, the very low cold heater resistance will absorb this 12vdc(surge current) until they have a chance to heat up. In the case of the very small heaters in these radios, they will have no chance to heat up. It's easy to see what will happen to a 1.5 volt tube when it is exposed to 12vdc even if for a fraction of a second. They'll pop like a flash bulb! The second regulator is connected to the input of the inverter so as to allow some sort of output voltage adjustment and regulation. This and the heater regulator also provide for a much wider variety of power sources. I/E, a basic power supply for a PRC-6 only needs 4.8 volts, but with voltage regulators on both the inverter supply and the heaters, either the radios internal 4.8 volt batteries can be used, or any external power supply of 6-30vdc can also be used without modification or adjustment. A further advantage is in that only one battery will need be fabricated, but it might then be usable in several different radio types. I/E if you make up a 10vdc battery for your PRC-6, this same battery could be useable in your PRC-10. A simple variable voltage regulator circuit is presented here using the very common, cheep, and versatile LM-317 regulator IC. It will serve all our needs and many others.

CONSTRUCTION NOTES;

The inverter, and regulators should be constructed on separate boards using your preferred method. PC boards have been designed, and may be made available in the future. PC construction will be of advantage where space limitations need be observed, or production of multiple units is desirable. Otherwise Perf board construction will do just fine. If you design your own PC boards, DO NOT include a common ground on the inputs, or outputs of either the inverter or the regulator boards, nor allow any common ground connection on the boards themselves to be incorporated in any mounting method. This is because in many cases input or output connections must be kept above ground to either isolate voltage polarities, or to effect proper power on/off switching utilizing the radios original circuits without modification. Heat sinks will be needed on the inverter transistors only if TIP-41 type devises are used, even then very little is needed. The LM-317 voltage regulator IC will also require heat sinking. ECG-104 type transistors can be mounted directly to your PC, or Perf board.

Parts List:(inverter)

Q-1, Q-2, ECG-104, or TIP-41 transistors.(see text)

R-1, 15 ohm resistor.

R-2, 1000 ohm resistor.(see text)

C-1, 20 mf/25vdc electrolytic capacitor.

C-2, 5 mf/200vdc electrolytic capacitor.

D-1, -2, -3, -4, 1N-4001 rectifiers.

T-1, 88 mH, or 44mh, torroid coil.(see text)

Parts List:(regulator)

U-1, LM-317 voltage regulator IC.

D-1, -2, -3, 1N-4001 rectifiers.

C-1, -2, 10 mfd/35vdc electrolytic capacitor.

C-3, .01 mfd disk capacitor.

R-1, 5000 ohm, PC mount potentiometer.

R-2, 220 ohm 1/2 or 1/4 watt resistor.

UNIVERSAL INVERTER POWER SUPPLY, PART II;

by Dennis Starks

INVERTER START UP:

Once you've completed winding your transformer, and have a wired circuit for the inverter, you'll next want to fire it up. Start with a power supply of about 6 volts. If it starts right up, and you have high voltage, you might just be in business. If for some reason the inverter did not start oscillation, first try reversing the feed back wires on the base of each transistor with each other. If this doesn't fix it, reduce the value of R-2 slightly until it does.

If your inverter seems to be operating properly, but will not handle the required load current, reduce the value of R-2 by 100ohms at a time until it does.

CONNECTING TO YOUR RADIO:

Once you've completed the inverter, and the two regulators that are also associated with this supply. All has been tested and appears to work, it's time to hook it up to the radio. You'll first want to connect the heater supply, insure that the voltage adjust control on the regulator is set at it's minimum output setting(test it first without being connected to the radio!).

Connect a voltmeter to the heater supply, turn the radio on, apply power to the regulator's input, then adjust it's control until the needed heater voltage is achieved. Usually, the heater voltage regulator can be pre-adjusted without being connected to the radio. In the case of 1.5 volt tubes, this adjustment will be minimal.

Once the heater circuits are established, turn the control for the input voltage regulator to the inverter to it's minimum setting. Connect the outputs of the inverter to the load(radio). Connect a voltmeter to the receive B+ supply(if a multi B+ system). Apply power to the inverters input voltage regulator, slowly adjust it's control until the needed inverter output voltage is reached. You should by now hear noise in the radio's speaker.

If your project is a multi B+ transceiver. Connect the voltmeter to the trans B+, insure that the near double B+ voltage is there. Now key the radio and watch this B+ voltage, also check the rec B+ again. There will be some transient voltage changes but there is nothing we can do about it. Slight adjustments of the inverter input voltage regulator may be needed to effect the optimum voltages for both transmit and receive. If inverter oscillation should drop out during transmit, refer back to "INVERTER START UP".

BATTERY C0NSIDERATIONS:

Only two battery types are generally available in a sufficient amp-hour rating to suite our needs. These are nicads and gel-cells. Dependant on the application either might work equally well. But there are some exceptions and facts that must first be considered.

First is the input voltage versus output voltage of our inverter. A change of only one volt on the input of our inverter can produce as much as 15 volts difference on the output, enough to make the radio inoperable. To a degree, the voltage regulator we use will take care of this variance, but only if a higher voltage is available than what's needed. So proper battery type and voltage must still be carefully chosen.

Second is the amp-hour rating, the average current drain of our completed power supply, including heaters, is around one amp. So to have a battery pack that will allow a usable amount of operational time, the minimum battery we can use would be a 5ahr type. Where the amp-hour rating is 5 divided by a current drain of 1 amp, equals 5, minus about 15% for internal losses in the battery, we come up with about 4.2 hours of operational time. That's practical, BUT!

We must then take into account the drastically different discharge curves inherent in the two type batteries we have available. First is the nicad, it's output voltage will remain the same almost until it is discharged, thus it has a very sharp discharge curve, almost a cut off. We have the added advantage of being able to draw as much as ten time the amp-hour rating, I/E if it's a 1 amp-hour battery, we can draw a much as 10 amps and still maintain battery voltage(but not recommended). Second is the gel cell, it's voltage steadily drops as the battery depletes. Thus it has a radically different discharge curve(near linear), combined with a sometimes drastic difference between the loaded, and no-load, battery voltage. In the case of the latter, you may have a battery voltage of six volts, but when a load is connected this may drop by as much as 2 volts. Resulting in an actual supply of 4vdc, which might be borderline in some applications. So the nicads have the advantages list above, but are limited in the amp-hour rating we might be able to obtain. They are further plagued by the memory syndrome, and short shelf life(about one month/charge). But are smaller than gel cells in terms of size to amp-hour rating. Gel cells on the other hand are available cheep, in high amp-hour ratings, do not suffer from the memory syndrome, and have a much longer shelf life, I/E they will hold a charge for several months. Gel cells have other problems and advantages too, as do nicads, but space does not allow further elaboration here.

What difference does all this make in our applications? A case in point, we have a very small radio, with very little internal space to house both our inverter power supply, and it's batteries, inter the CPRC-26. The inverter configuration for this radio is very much like the PRC-6, but the internal space available is very limited. We only have room enough for four "D" cell type batteries. If we use four gel cell types, we will not have sufficient amp-hour rating to operate the radio for any usable amount of time(2aphr). But we will have 8 volts available. But we only need 4 volts in this application, so two gel cells at 4 volts, and 3-4ahr should work. Not! Because of the linear discharge curve of gel-cell batteries, they will only produce 4 volts at the beginning of it's use, their voltage will then drop as the battery depletes. Thus with the borderline voltage/amp-hour rating we are able to fit in the radio we will be limited to about 20 minutes of operational time. On the other hand, 4ea "D" cell nicads will fit in the box, with a 5ahr capacity, giving us about 4 hours of operational time by virtue of it's near constant 4.8 volt output(much better). The same will hold true when trying to develop power supplies for such radios as the BC-611, MAB, DAV etc.

On the other hand, where space available is not a major concern, we have more battery flexibility. In the case of a PRC-6 or PRC-10, there is a lot more room than the CPRC-26. We can then use gel-cells to maximum effect, but we must use a much higher battery voltage to compensate for the linear discharge curve. While it's still true that only 4 volts is needed to make the PRC-6/inverter work, we must use at least 6 volts or more to allow for the linear discharge curve(tapering battery voltage). Here again, the voltage regulator we installed comes into play.

When designing power supplies for such radios as the PRC-10, BC-1000, etc. Our flexibility is even further enhanced by the greater space available for both batteries and power supply. In these applications, only about 8 volts is needed on the same inverter supply. But we still use an input regulator to compensate for any supply voltage that might be used.

BIAS BATTERIES:

Most of the radios we will be constructing power supplies for will need some sort of negative bias voltage. While it is often possible to modify the circuit we have presented here to produce this voltage, doing so will often complicate the power supply to the point that the radios original on/off switching can no, longer be used. For this reason, and in the interest of simplicity we will just use batteries for this voltage. For the most part, any small type battery can be used that will fit into the available space. Such as "N" cells, "AA", or "AAA" types. It doesn't really matter as the current drain of these bias circuits is so low that the battery will usually last it's normal shelf life anyway. Do not use "C", or "D" cells as you'll just be wasting money, and room, and adding weight. Use quality batteries, not "longer lasting", just quality made. Because these batteries will be in your radio for a long time, and you don't want them leaking all over the place.

As always, if you have any questions, comments, or input, please let me know.

***********************************************

UNIVERSAL INVERTER POWER SUPPLY, PART III;

Applications (PRC-6 & CPRC-26), by Dennis Starks

As with most of the power supplies in this series, you will need to construct 2ea voltage regulator boards, and the basic inverter power supply. The basic difference then in any of our power supplies will be as follows;

#1)is in the way these boards are connected to the radio.

#2)the primary and bias power supplies.

#3)adapting all the above to the available space, and the radio's

original power on/off switching method.

Of these, #3 is usually the most difficult. Particularly if no modifications to the original radio are to be allowed.

VOLTAGE REGULATORS;

As can be seen on the block diagram, the inputs to both regulators are connected directly to the positive terminal of your battery pack(or alternate power source). Referring to the universal regulator schematic, you will see that D-1 is connected directly across the input of the regulator. It's optional presents is to provide for reverse voltage polarity protection, and as such should be preceded by a fuse of about 1.5-2amps. There is no need to duplicate this circuit on both regulator boards, if indeed you use it at all. In the event you plan to use your radio only with internal batteries, and these batteries are either hard wired, or provided with a polarized connection, there will be no need for D-1 on either of the regulator boards, or a fuse.

PRIMARY POWER SOURCE,

With the PRC-6 we have the unusual luxury of having ample room inside the radio for both the power supply, and batteries. So long as you don't string your power supply out all over the place! Just about any battery combination that will produce 5-10 volts, with a minimum of a 5 amp hour capacity will work. Even 4 to 6 "D" sized dry cells would have their advantages.

If four "D" sized batteries were used, we could have the field option of changing from nicads to standby dry cells if needed. Where the advantage lay here is in the limited shelf life of nicad batteries, the way they were intended to be used, combined with the way we will

actually use the radio.

For instance, I use 4ea "D" cell nicads in both my PRC-6, and CPRC-26. This relieves logistic problems by only needing one type battery pack for two different radios. While this works very well, a problem arises in the way these radios are used. I/E usually at hamfest or other special event, sometimes days, weeks, or months apart. Thus the nicads wth their limited shelf life are often dead when I go to use them. Hence dry cells can be taken along just in case, or to be used once the nicads are depleted. Admittedly I must do the same thing with my 2 meter HT because I don't use it enough to keep the batteries cycled, or charged up.

You should also consider other radios that your PRC-6 might be used with like I did with the CPRC-26. Should for instance you would like to have an operable PRC-10, it would be nice to be able to use the same battery in it that you use in your PRC-6. Again, relieving logistic problems. Once you've completed a power supply for your PRC-10, it will require approximately 8 volts to operate. So you should have a battery capable of around 10 volts to feed it. A 10 volt battery at 5 amp hours can still be fit into a PRC-6! If the "D" cell format is adhered to, that would be 8ea nicads. True 8ea dry cells will produce 12 volts, so what, our power supplies are REGULATED! Also we'll need a few more volts than necessary to compensate for the discharge rate of the dry cell. On the other hand, you could make up two, three, or four identical battery packs, each of 5-6 volts. One pack at a time could be used in your PRC-6, or two of the same packs in series on your PRC-10. Our interest is in interchangeability and the advantages should be obvious.

Gel cell battery types can also be used, and they will not exhibit the short shelf life characteristics of nicads. But we are limited by their larger size versus amp our rating, and the fact that several more volts will be needed to compensate for their linear discharge curve.

BIAS BATTERIES,

Any type of small dry cell battery can be used for the bias batteries. Use whatever you want, that will fit. Suitable types include "N", "AA", or "AAA" sizes. No matter what the size, you will not be changing them enough to even warrant using any type of a battery holder. I personally just solder them together, and stick them down with a hot glue gun.

(CPRC-26)

A special note, the power supply used with the CPRC-26 is almost identical to the one used with the PRC-6. The only difference is in the bias voltage, available space, and the fact that there is no chassis ground because a separate battery box is used. Because of the latter, an aluminum frame must be made that will just fit inside the battery box. If all is done correctly, you will not need to make an holes in the battery box.

Cut a piece of sheet aluminum 2.75" wide x 12.75" long, bend it to fit inside the battery box, or so that it's sides measure 4, 4.5, 4, and 4.5 inches. Leave the sides open. You will then need to cut out the area occupied by the radio's power connector. Acquire an spring from an old

plastic "AA" battery holder, you find a lot of them that the plastic is broken on anyway. Screw, or pop rivet this spring to the top of your chassis. Then grind the paint off the mating underside of the radio. This spring will now make your needed chassis ground. The rest of the chassis can be used to mount your power supply boards negating any need to drill holes in the battery box.

The power connector might be a problem, refer to the already listed references for ideas on what to do. Should you be good with your hands, and tools, you may be able to closely approximate the original connector as I did. In this event, the connector should be mounted to the

sub frame you've constructed. The completed assembly can then be installed, and removed exactly as the original battery was. It would be nice if we could find a ready source for these connectors, but that's unlikely, especially as I have never even seen an original battery before.

Some parting thoughts on the PRC-6, and the CPRC-26. I really like both radios with a little imbalance towards the CPRC-26. Anybody can walk around a hamfest, or other special event with a PRT-4/PRR-9, or PRC-68 hanging from them. But it's a real trooper who goes to all the trouble to make one of these old war horse work, then actually use it. The biggest failing that I can see with both radios is the fact that neither government saw fit to include a squelch circuit of any kind. If they had, battery consumption would have been greatly reduced, not to mention user comfort enhancement. It would be nice if someone could come up with a simple solid state squelch circuit that could easily be added to these radios without the need of modification, and using power supply voltages the radios already have. Additionally, it's a simple task to add a inexpensive commercial tone generator for compatibility with PRC-25/77 type radios.

Email; [email protected]

***********************************************

(The preceding was a product of the"Military Collector Group Post", an international email magazine dedicated to the preservation of history and the equipment that made it. Unlimited circulation of this material is authorized so long as the proper credits to the original authors, and this group are included. For more information concerning this group contact Dennis Starks at, [email protected])

***********************************************

The schematics referred to are G1.gif and G2.gif. found on this web site.  The original schematics were hand drawn by Dennis Starks and converted to CAD drawings by Ralph WB4TUR. The original text was converted to HTML by WB4TUR.

Schematic of power supply

Power supply schematics

Note: C61 (-) should be tied to ground

Wiring diagram

Warning: This information is for instructional purposes only. Potentially LETHAL high voltages will be generated by this circuit. This project is only for persons experienced in high voltage circuitry. Do not attempt this project if you are not experienced dealing with extremely high voltages and the safety precautions necessary.

Photographs of prototypes:

 

Home | Up

This site was last updated 01/02/07